Części
Maszyny
Kontakt
Home
Maszyny
Pilarki
DeWalt
Pilarka stołowa
TGS172----J-Type-1 -
Pilarka stołowa DeWalt
100%
Poz:
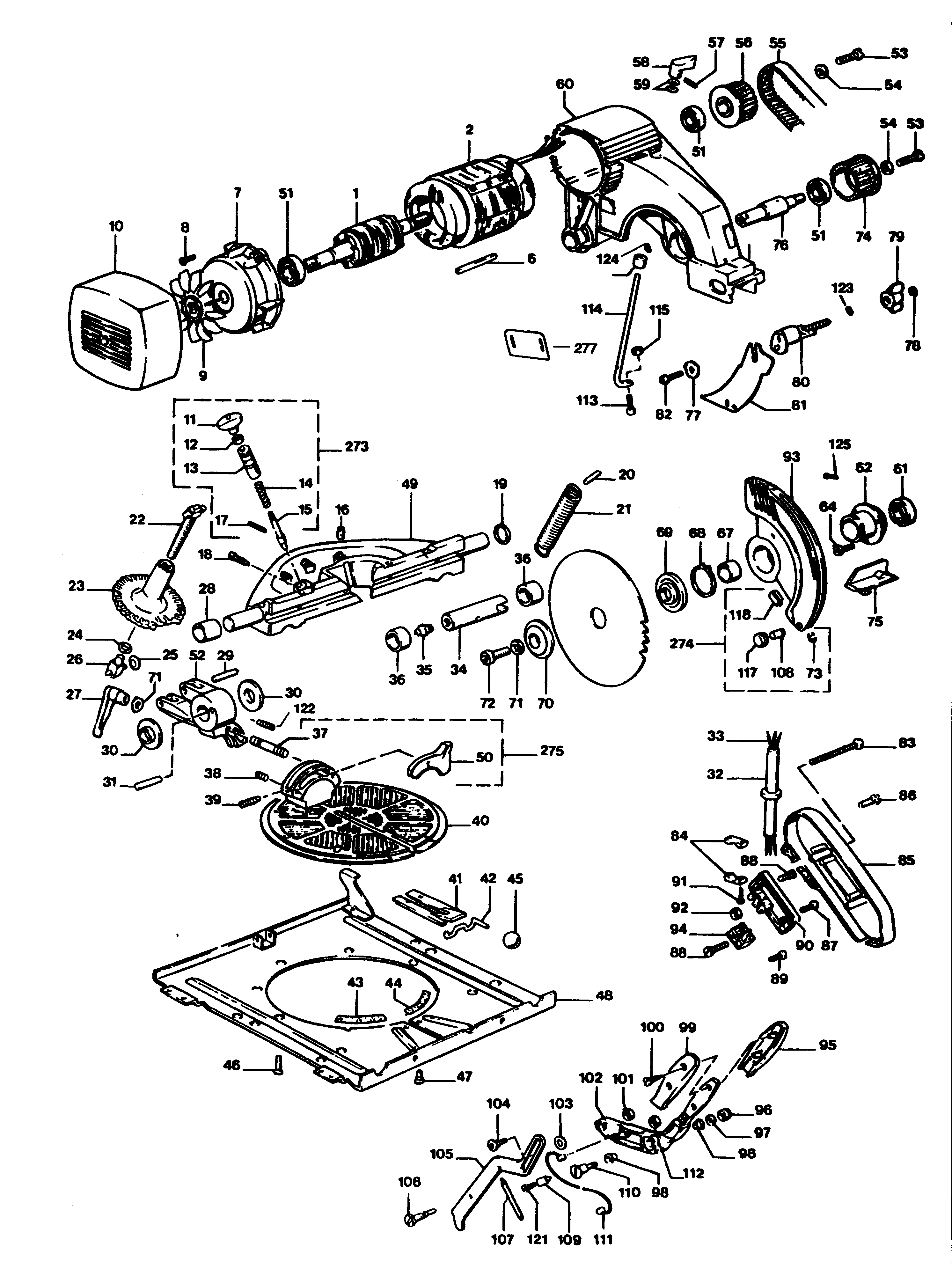
1
2
5
6
7
8
10
11
12
13
14
15
16
17
18
19
20
21
22
23
24
25
26
27
28
29
30
31
32
33
34
35
36
37
38
39
40
41
42
43
44
45
46
47
48
49
50
51
52
53
54
55
56
57
59
60
61
62
64
67
68
69
70
71
72
73
74
75
76
77
78
79
80
82
83
84
85
86
87
88
89
90
91
92
93
94
95
96
97
98
99
100
101
102
103
104
105
106
107
108
109
110
111
112
113
114
115
116
117
118
273
274
277
279
280
281
282
283
284
285
286
288
289
290
124 części
Sortuj
Poz.
Nr kat.
Nazwa
Cena brutto
Ilość
Zamów
1
868410-01
Wirnik
Zapytaj
1 szt.
—
2
868395-09
Silnik Sa 230V
Zapytaj
1 szt.
—
5
860472-00
Przewód - Podzespół
Zapytaj
1 szt.
—
6
172125701
Klin
Zapytaj
1 szt.
—
7
861085-04
Zakończenie
Zapytaj
1 szt.
—
8
860089-17
Screw.Temp
Zapytaj
1 szt.
—
10
861036-02
Zakończenie
34,00 zł
1 szt.
—
11
942453-00
Gałka
21,00 zł
1 szt.
—
12
949726-05
Nakrętka
7,00 zł
1 szt.
—
13
941802-00
Beczka
Zapytaj
1 szt.
—
14
761054-00
Sprężyna
7,00 zł
1 szt.
—
15
941798-00
Kołek Blokujący
15,00 zł
1 szt.
—
16
942329-00
Śruba
7,00 zł
1 szt.
—
17
761065-00
Kołek
7,00 zł
1 szt.
—
18
941880-00
Śruba
7,00 zł
1 szt.
—
19
171930412
Podkładka
Zapytaj
1 szt.
—
20
860649-01
Kołek
Zapytaj
1 szt.
—
21
942455-00
Sprężyna
Zapytaj
1 szt.
—
22
942363-00
Wrzeciono
182,00 zł
1 szt.
—
23
942472-01
Regulator Tarczowy
Zapytaj
1 szt.
—
24
941801-00
Podkładka
Zapytaj
1 szt.
—
25
860074-02
Podkładka
7,00 zł
1 szt.
—
26
172112601
Wrzeciono
Zapytaj
1 szt.
—
27
942518-00
Ochwyt Blokady
85,00 zł
1 szt.
—
28
171114002
Panew
Zapytaj
1 szt.
—
29
942045-00
Kołek
Zapytaj
1 szt.
—
30
941800-00
Podkładka Blokująca
Zapytaj
1 szt.
—
31
941872-00
Kołek
Zapytaj
1 szt.
—
32
942277-00
Ochraniacz
18,00 zł
1 szt.
—
33
942354-00
Przewód
Zapytaj
1 szt.
—
34
071123503
Wrzeciono
Zapytaj
1 szt.
—
35
034940402
Złączka Wkrętna
Zapytaj
1 szt.
—
36
941886-00
Panew
Zapytaj
1 szt.
—
37
172910180
Śruba M10X170
Zapytaj
1 szt.
—
38
172815401
Śruba
Zapytaj
1 szt.
—
39
949743-01
Śruba
9,00 zł
1 szt.
—
40
869230-02
Stół
Zapytaj
1 szt.
—
41
942364-00
Płyta
Zapytaj
1 szt.
—
42
942234-00
Kołek Blokujący
Zapytaj
1 szt.
—
43
942208-00
Podziałka Lewa
Zapytaj
1 szt.
—
44
942207-00
Podziałka Prawa
Zapytaj
1 szt.
—
45
942450-00
Gałka
Zapytaj
1 szt.
—
46
868256-00
Śruba
7,00 zł
1 szt.
—
47
942272-00
Śruba
Zapytaj
1 szt.
—
48
172115102
Stół
Zapytaj
1 szt.
—
49
172116601
Prowadnica
Zapytaj
1 szt.
—
50
942400-00
Płyta
Zapytaj
1 szt.
—
51
330003-14
Łożysko
32,00 zł
1 szt.
—
52
942367-00
Dźwignia
Zapytaj
1 szt.
—
53
860085-13
Śruba
7,00 zł
1 szt.
—
54
949876-04
Podkładka
Zapytaj
1 szt.
—
55
922456-00
Prowadnica Paska
Zapytaj
1 szt.
—
56
942397-01
Pulley,Armature
Zapytaj
1 szt.
—
57
760233-00
Kołek
Zapytaj
1 szt.
—
59
860491-01
Sprężyna
7,00 zł
1 szt.
—
60
172120100
Osłona
Zapytaj
1 szt.
—
61
860155-08
Łożysko
51,00 zł
1 szt.
—
62
172121000
Tuleja
Zapytaj
1 szt.
—
64
860094-00
Screw.Temp
7,00 zł
1 szt.
—
67
172120900
Dystans
Zapytaj
1 szt.
—
68
860079-05
Pierścień Sprężynujący
7,00 zł
1 szt.
—
69
171125400
Wzmocnienie
Zapytaj
1 szt.
—
70
171120602
Kołnierz
Zapytaj
1 szt.
—
71
860073-04
Podkładka
7,00 zł
1 szt.
—
72
171813200
Śruba
Zapytaj
1 szt.
—
73
860322-03
Pierścień Sprężynujący
Zapytaj
1 szt.
—
74
942396-01
Koło Pasowe, Wał
102,00 zł
1 szt.
—
75
PARTNLS
Już Nie Dostarczane
Zapytaj
1 szt.
—
76
942410-00
Wał
Zapytaj
1 szt.
—
77
860073-04
Podkładka
7,00 zł
1 szt.
—
78
860322-00
Pierścień Sprężynujący
7,00 zł
1 szt.
—
79
942263-00
Gałka
Zapytaj
1 szt.
—
80
944902-01
Klin Rozszczepiający - Zestaw
Zapytaj
1 szt.
—
82
942831-00
Śruba
7,00 zł
1 szt.
—
83
860089-13
Śruba
Zapytaj
1 szt.
—
84
941544-00
Zacisk Przewodu
Zapytaj
1 szt.
—
85
195053
Pokrywa
Zapytaj
1 szt.
—
86
860089-18
Śruba
7,00 zł
1 szt.
—
87
760996-00
Screw.Temp
Zapytaj
1 szt.
—
88
949701-02
Śruba
Zapytaj
1 szt.
—
89
949870-02
Śruba
Zapytaj
1 szt.
—
90
172164800
Pokrywa
Zapytaj
1 szt.
—
91
860084-13
Śruba
Zapytaj
1 szt.
—
92
249232-00
Nakrętka M4
Zapytaj
1 szt.
—
93
942389-01
Osłona
Zapytaj
1 szt.
—
94
942416-00
Blok Zacisku
Zapytaj
1 szt.
—
95
171127400
Rękojeść
Zapytaj
1 szt.
—
96
941563-00
Nakrętka
8,00 zł
1 szt.
—
97
860073-08
Podkładka
7,00 zł
1 szt.
—
98
171120901
Występ
Zapytaj
1 szt.
—
99
171120202
Uchwyt Pokrywy
Zapytaj
1 szt.
—
100
860084-11
Śruba
7,00 zł
1 szt.
—
101
860083-12
Nakrętka
7,00 zł
1 szt.
—
102
942251-00
Dźwignia
149,00 zł
1 szt.
—
103
171120600
Tarcza
Zapytaj
1 szt.
—
104
171127003
Śruba
Zapytaj
1 szt.
—
105
172120500
Dźwignia
Zapytaj
1 szt.
—
106
172127001
Śruba
Zapytaj
1 szt.
—
107
085931319
Fso Spring
Zapytaj
1 szt.
—
108
942264-00
Kołek
Zapytaj
1 szt.
—
109
140931226
Zacisk
Zapytaj
1 szt.
—
110
171127001
Śruba
Zapytaj
1 szt.
—
111
942458-00
Przewód
Zapytaj
1 szt.
—
112
249232-00
Nakrętka M4
Zapytaj
1 szt.
—
113
860085-17
Śruba
Zapytaj
1 szt.
—
114
861380-00
Ogranicznik Głębokości
Zapytaj
1 szt.
—
115
860083-12
Nakrętka
7,00 zł
1 szt.
—
116
942244-00
Panew
Zapytaj
1 szt.
—
117
861096-01
Wałek
57,00 zł
1 szt.
—
118
861095-01
Zderzak
7,00 zł
1 szt.
—
273
944909-00
Kołek Blokujący - Podzespół
Zapytaj
1 szt.
—
274
944898-01
Wałek - Podzespół
Zapytaj
1 szt.
—
277
943532-00
Zestaw Osłon
Zapytaj
1 szt.
—
279
249232-00
Nakrętka M4
Zapytaj
1 szt.
—
280
860073-00
Podkładka
7,00 zł
1 szt.
—
281
949701-02
Śruba
Zapytaj
1 szt.
—
282
867037-01
Osłona - Podzespół
Zapytaj
1 szt.
—
283
867037-01
Osłona - Podzespół
Zapytaj
1 szt.
—
284
860084-17
Śruba
7,00 zł
1 szt.
—
285
949896-12
Śruba
7,00 zł
1 szt.
—
286
172128300
Dystans
Zapytaj
1 szt.
—
288
860098-04
Klucz 6 Mm
7,00 zł
1 szt.
—
289
867332-00
Stół Kit
Zapytaj
1 szt.
—
290
866855-00
Stół Kit
Zapytaj
1 szt.
—