Części
Maszyny
Kontakt
Home
Maszyny
Pilarki
DeWalt
Pilarka stołowa
TGS170----G-Type-1 -
Pilarka stołowa DeWalt
100%
Poz:
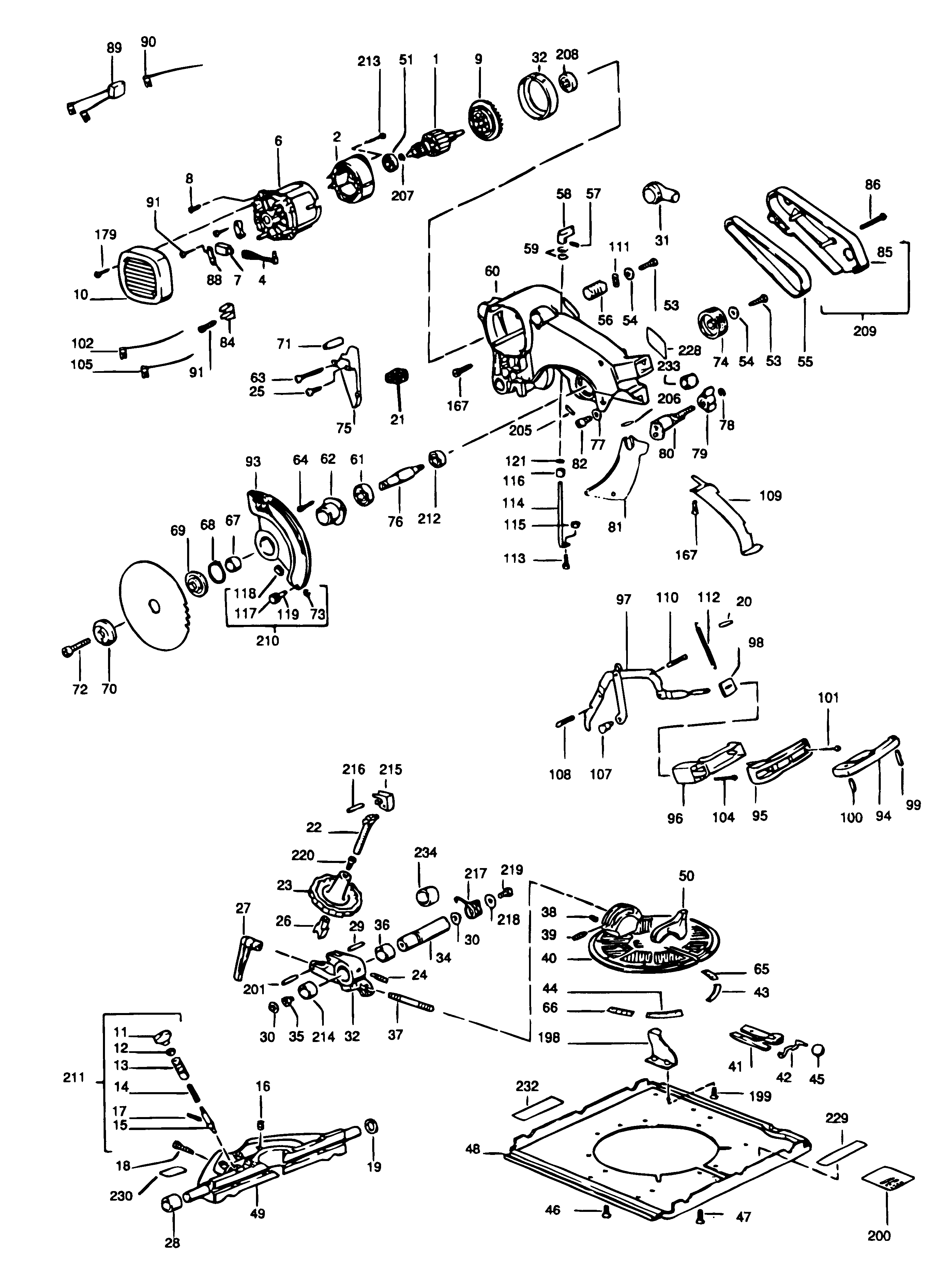
1
4
7
8
9
10
11
12
13
14
15
16
17
18
19
20
21
22
23
24
25
26
27
28
29
30
31
34
35
36
37
38
39
40
41
42
43
44
45
46
47
48
49
50
51
53
54
55
56
57
59
60
61
62
63
64
65
66
67
68
69
70
71
72
73
74
75
76
77
78
79
80
81
82
84
85
86
88
89
90
91
93
94
95
96
97
98
99
100
101
102
104
105
107
108
109
110
111
112
113
114
115
116
117
118
119
121
167
179
198
200
201
207
208
209
210
211
212
213
214
215
216
217
218
219
220
233
234
128 części
Sortuj
Poz.
Nr kat.
Nazwa
Cena brutto
Ilość
Zamów
1
868495-00
Twornik
Zapytaj
1 szt.
—
4
945327-00
Szczotka
Zapytaj
1 szt.
—
7
760208-00
Zestaw Ze Szczotkami - Podzespół
32,00 zł
1 szt.
—
8
085914416
Śruba
Zapytaj
1 szt.
—
9
173130500
Wentylator
Zapytaj
1 szt.
—
10
173120200
Pokrywa
Zapytaj
1 szt.
—
11
942453-00
Gałka
21,00 zł
1 szt.
—
12
949726-05
Nakrętka
7,00 zł
1 szt.
—
13
941802-00
Beczka
Zapytaj
1 szt.
—
14
761054-00
Sprężyna
7,00 zł
1 szt.
—
15
941798-00
Kołek Blokujący
15,00 zł
1 szt.
—
16
942329-00
Śruba
7,00 zł
1 szt.
—
17
761065-00
Kołek
7,00 zł
1 szt.
—
18
941880-00
Śruba
7,00 zł
1 szt.
—
19
170110700
Dystans
Zapytaj
1 szt.
—
20
941549-00
Kołek
Zapytaj
1 szt.
—
21
942308-00
Reductor
85,00 zł
1 szt.
—
22
942363-00
Wrzeciono
182,00 zł
1 szt.
—
23
861060-01
Koło
Zapytaj
1 szt.
—
24
860088-23
Śruba
Zapytaj
1 szt.
—
25
860084-11
Śruba
7,00 zł
1 szt.
—
26
942099-00
Element Ustalający
Zapytaj
1 szt.
—
27
942518-00
Ochwyt Blokady
85,00 zł
1 szt.
—
28
170114000
Dystans
Zapytaj
1 szt.
—
29
941872-00
Kołek
Zapytaj
1 szt.
—
30
941800-00
Podkładka Blokująca
Zapytaj
1 szt.
—
31
942311-00
Rura
57,00 zł
1 szt.
—
34
173123501
Kołek
Zapytaj
1 szt.
—
35
034940402
Złączka Wkrętna
Zapytaj
1 szt.
—
36
941886-00
Panew
Zapytaj
1 szt.
—
37
172910180
Śruba M10X170
Zapytaj
1 szt.
—
38
172815401
Śruba
Zapytaj
1 szt.
—
39
949743-01
Śruba
9,00 zł
1 szt.
—
40
172115107
Stół
Zapytaj
1 szt.
—
41
172111701
Płyta
Zapytaj
1 szt.
—
42
942234-00
Kołek Blokujący
Zapytaj
1 szt.
—
43
170051000
Podziałka Prawa
Zapytaj
1 szt.
—
44
170051001
Podziałka Lewa
Zapytaj
1 szt.
—
45
942450-00
Gałka
Zapytaj
1 szt.
—
46
868256-00
Śruba
7,00 zł
1 szt.
—
47
942272-00
Śruba
Zapytaj
1 szt.
—
48
947305-01
Stół
Zapytaj
1 szt.
—
49
864423-01
Prowadnica - Podzespół
Zapytaj
1 szt.
—
50
942400-00
Płyta
Zapytaj
1 szt.
—
51
760232-00
Łożysko
Zapytaj
1 szt.
—
53
860085-07
Śruba
7,00 zł
1 szt.
—
54
949876-04
Podkładka
Zapytaj
1 szt.
—
55
942519-00
Prowadnica Paska
Zapytaj
1 szt.
—
56
170121400
Koło Pasowe
Zapytaj
1 szt.
—
57
760233-00
Kołek
Zapytaj
1 szt.
—
59
860491-01
Sprężyna
7,00 zł
1 szt.
—
60
174229
Podpora
Zapytaj
1 szt.
—
61
860155-08
Łożysko
51,00 zł
1 szt.
—
62
172121000
Tuleja
Zapytaj
1 szt.
—
63
860084-19
Śruba
Zapytaj
1 szt.
—
64
080914409
Śruba
Zapytaj
1 szt.
—
65
170051003
Podziałka
Zapytaj
1 szt.
—
66
170051004
Podziałka
Zapytaj
1 szt.
—
67
172120900
Dystans
Zapytaj
1 szt.
—
68
860079-05
Pierścień Sprężynujący
7,00 zł
1 szt.
—
69
868571-00
Komplet Kołnierzy - Podzespół
123,00 zł
1 szt.
—
70
868571-00
Komplet Kołnierzy - Podzespół
123,00 zł
1 szt.
—
71
172128300
Dystans
Zapytaj
1 szt.
—
72
761295-00
Śruba
Zapytaj
1 szt.
—
73
860322-03
Pierścień Sprężynujący
Zapytaj
1 szt.
—
74
173121401
Koło Pasowe
Zapytaj
1 szt.
—
75
867037-01
Osłona - Podzespół
Zapytaj
1 szt.
—
76
942500-00
Wrzeciono
85,00 zł
1 szt.
—
77
860073-04
Podkładka
7,00 zł
1 szt.
—
78
860322-00
Pierścień Sprężynujący
7,00 zł
1 szt.
—
79
942263-00
Gałka
Zapytaj
1 szt.
—
80
173121301
Uchwyt
Zapytaj
1 szt.
—
81
172125705
Klin Rozszczepiający
Zapytaj
1 szt.
—
82
942041-00
Śruba
Zapytaj
1 szt.
—
84
170164600
Pokrywa
Zapytaj
1 szt.
—
85
170120200
Obudowa
Zapytaj
1 szt.
—
86
949896-12
Śruba
7,00 zł
1 szt.
—
88
761203-00
Zacisk
Zapytaj
1 szt.
—
89
170121901
Kondensator
Zapytaj
1 szt.
—
90
942589-00
Przewód
Zapytaj
1 szt.
—
91
860084-20
Śruba
7,00 zł
1 szt.
—
93
942109-02
Osłona
Zapytaj
1 szt.
—
94
867403-00
Dźwignia
Zapytaj
1 szt.
—
95
942482-01
Pół Uchwyt
Zapytaj
1 szt.
—
96
942498-01
Rękojeść
Zapytaj
1 szt.
—
97
942108-01
Wiązanie - Podzespół
Zapytaj
1 szt.
—
98
946646-00
Uszczelniacz
Zapytaj
1 szt.
—
99
021810200
Kołek
Zapytaj
1 szt.
—
100
760233-00
Kołek
Zapytaj
1 szt.
—
101
949896-12
Śruba
7,00 zł
1 szt.
—
102
170164500
Przewód
Zapytaj
1 szt.
—
104
860084-19
Śruba
Zapytaj
1 szt.
—
105
170164501
Przewód
Zapytaj
1 szt.
—
107
942493-00
Kołek
Zapytaj
1 szt.
—
108
170816200
Kołek
Zapytaj
1 szt.
—
109
170122201
Osłona Przewodu
Zapytaj
1 szt.
—
110
170816201
Kołek
Zapytaj
1 szt.
—
111
170123400
Płyta
Zapytaj
1 szt.
—
112
760295-01
Sprężyna
8,00 zł
1 szt.
—
113
860085-17
Śruba
Zapytaj
1 szt.
—
114
861380-00
Ogranicznik Głębokości
Zapytaj
1 szt.
—
115
860083-12
Nakrętka
7,00 zł
1 szt.
—
116
942244-00
Panew
Zapytaj
1 szt.
—
117
861096-01
Wałek
57,00 zł
1 szt.
—
118
861095-01
Zderzak
7,00 zł
1 szt.
—
119
942264-00
Kołek
Zapytaj
1 szt.
—
121
860073-08
Podkładka
7,00 zł
1 szt.
—
167
860084-20
Śruba
7,00 zł
1 szt.
—
179
949896-12
Śruba
7,00 zł
1 szt.
—
198
170113800
Wspornik
Zapytaj
1 szt.
—
200
172050303
Plakietka Z Nazwą
Zapytaj
1 szt.
—
201
942045-00
Kołek
Zapytaj
1 szt.
—
207
860079-03
Pierścień Sprężynujący
7,00 zł
1 szt.
—
208
861721-01
Łożysko
18,00 zł
1 szt.
—
209
173120206
Osłona
Zapytaj
1 szt.
—
210
944898-01
Wałek - Podzespół
Zapytaj
1 szt.
—
211
944909-00
Kołek Blokujący - Podzespół
Zapytaj
1 szt.
—
212
930563-00
Łożysko
38,00 zł
1 szt.
—
213
170914423
Śruba
Zapytaj
1 szt.
—
214
941886-00
Panew
Zapytaj
1 szt.
—
215
942492-00
Blok
Zapytaj
1 szt.
—
216
860649-01
Kołek
Zapytaj
1 szt.
—
217
942521-00
Sprężyna
Zapytaj
1 szt.
—
218
941602-00
Podkładka
7,00 zł
1 szt.
—
219
860085-18
Śruba
Zapytaj
1 szt.
—
220
941606-00
Śruba
Zapytaj
1 szt.
—
233
172120905
Panew
Zapytaj
1 szt.
—
234
942499-00
Łożysko Brass Bush
Zapytaj
1 szt.
—