Części
Maszyny
Kontakt
Home
Maszyny
Pilarki tarczowe
DeWalt
Akumulatorowa pilarka tarczowa
DCS365-Type-1 -
Akumulatorowa pilarka tarczowa DeWalt
100%
Poz:
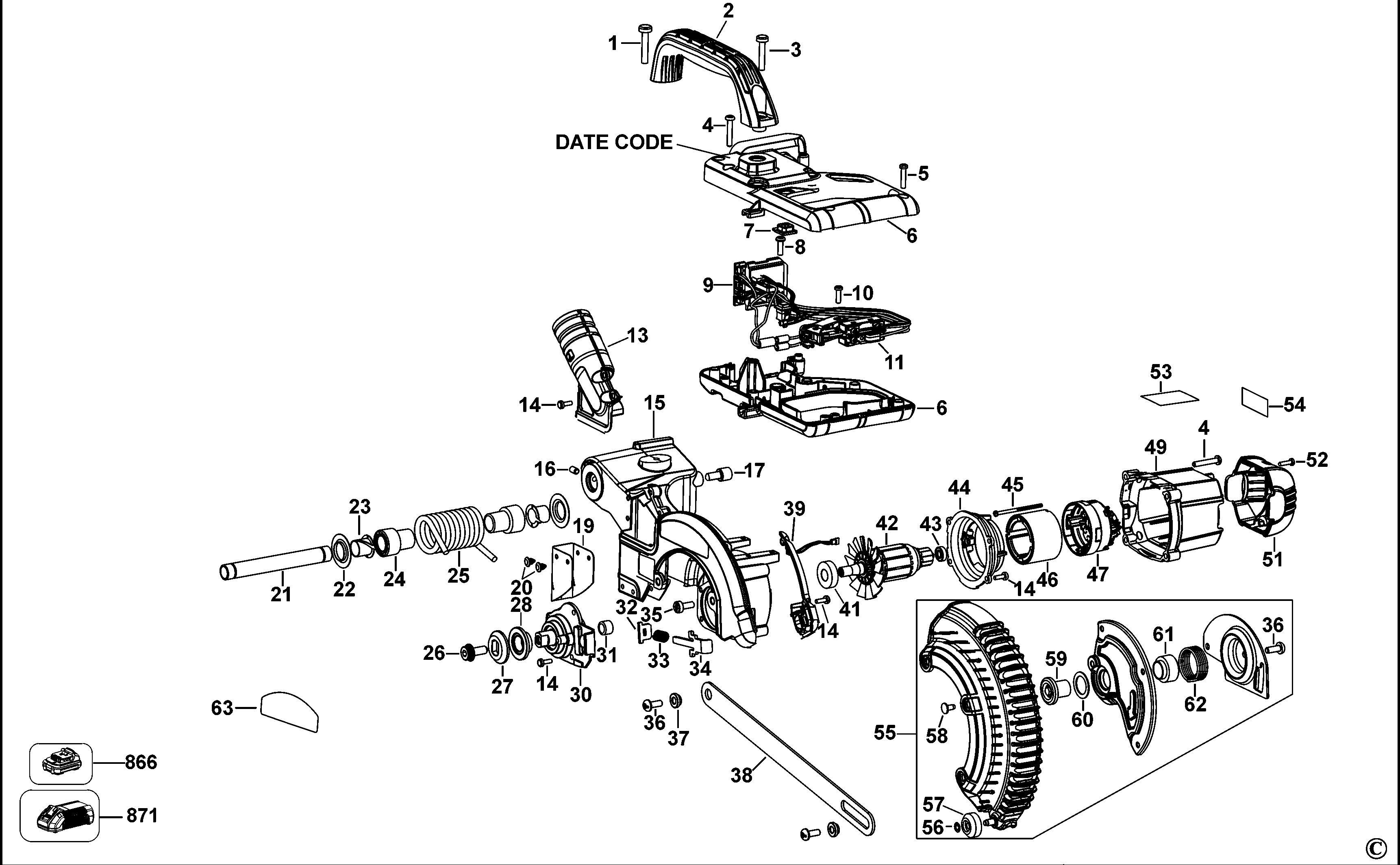
1
2
3
4
5
6
7
8
9
10
11
13
14
15
16
17
19
20
21
22
23
24
25
26
27
28
30
31
32
33
34
35
36
37
38
39
41
42
43
44
45
46
47
49
51
52
53
54
55
56
57
58
59
60
61
62
63
101
102
103
104
105
106
107
108
109
110
111
112
113
114
115
116
117
118
119
120
121
122
124
125
126
127
130
131
132
133
134
135
136
137
138
139
140
141
145
146
147
148
149
150
151
152
153
154
155
156
157
217
866
871
111 części
Sortuj
Poz.
Nr kat.
Nazwa
Cena brutto
Ilość
Zamów
1
330045-26
Śruba
8,00 zł
1 szt.
—
2
N300179
Rękojeść
57,00 zł
1 szt.
—
3
330019-22
Śruba
7,00 zł
1 szt.
—
4
330045-17
Śruba
16,00 zł
1 szt.
—
5
330019-32
Śruba
7,00 zł
1 szt.
—
6
N736822
Uchwyt - Podzespół
170,00 zł
1 szt.
—
7
N300152
Kołpak
12,00 zł
1 szt.
—
8
330045-14
Śruba
7,00 zł
1 szt.
—
9
N466092
Moduł Sterowania - Podzespół
346,00 zł
1 szt.
—
10
330019-12
Śruba
7,00 zł
1 szt.
—
11
N300134
Wyłącznik
149,00 zł
1 szt.
—
13
N300041
Złącze Odprowadzenia Pyłu
12,00 zł
1 szt.
—
14
330045-45
Śruba
7,00 zł
1 szt.
—
15
N473984
Ramię
413,00 zł
1 szt.
—
16
150075-00
Śruba
7,00 zł
1 szt.
—
17
618198-00
Śruba
8,00 zł
1 szt.
—
19
N300022
Deflektor Pyłu
15,00 zł
1 szt.
—
20
607491-00
Nit
7,00 zł
1 szt.
—
21
397128-00
Wał Osi Przegubu
21,00 zł
1 szt.
—
22
148296-00
Podkładka
7,00 zł
1 szt.
—
23
645746-00
Panew
10,00 zł
1 szt.
—
24
397129-00
Dystans
7,00 zł
1 szt.
—
25
N300023
Drążek Skrętny
57,00 zł
1 szt.
—
26
647776-00
Śruba Brzeszczotu
8,00 zł
1 szt.
—
27
N655152
Podkładka Zewnętrzna Zaciskowa
15,00 zł
1 szt.
—
28
N300000
Pierścień Wewnętrzny
18,00 zł
1 szt.
—
30
N449835
Skrzynka Przekładni - Podzespół
159,00 zł
1 szt.
—
31
386780-00
Łożysko
15,00 zł
1 szt.
—
32
605094-00
Wycieraczka
7,00 zł
1 szt.
—
33
58698-00
Sprężyna
7,00 zł
1 szt.
—
34
629444-00
Blokada Wrzeciona
9,00 zł
1 szt.
—
35
394589-01
Śruba
7,00 zł
1 szt.
—
36
330045-23
Śruba
7,00 zł
1 szt.
—
37
146740-00
Tuleja
7,00 zł
1 szt.
—
38
N300055
Łącznik
27,00 zł
1 szt.
—
39
N771116
Dioda Świecąca
93,00 zł
1 szt.
—
41
330003-64
Łożysko
32,00 zł
1 szt.
—
42
N415903
Twornik - Podzespół
170,00 zł
1 szt.
—
43
N330639
Bearing,Ball
18,00 zł
1 szt.
—
44
N333139
Przegroda
15,00 zł
1 szt.
—
45
N389143
Śruba
7,00 zł
1 szt.
—
46
N436044
Magnes
51,00 zł
1 szt.
—
47
N412223
Uchwty Szczotki - Podzespół
69,00 zł
1 szt.
—
49
N300071
Osłona Silnika
34,00 zł
1 szt.
—
51
N300072
Zakończenie
34,00 zł
1 szt.
—
52
330019-03
Śruba
7,00 zł
1 szt.
—
53
N401593
Tabliczka Znamionowa
Zapytaj
1 szt.
—
54
N094673
Etykieta Towarowa
7,00 zł
1 szt.
—
55
N300153
Osłona Dolna - Podzespół
346,00 zł
1 szt.
—
56
142273-00
Pierścień
7,00 zł
1 szt.
—
57
625825-00
Wałek
7,00 zł
1 szt.
—
58
385915-04
Śruba
7,00 zł
1 szt.
—
59
399182-00
Ustalacz
18,00 zł
1 szt.
—
60
612923-00
Podkładka
7,00 zł
1 szt.
—
61
603440-00
Tuleja
7,00 zł
1 szt.
—
62
603439-00
Sprężyna
9,00 zł
1 szt.
—
63
N431197
Etykieta Towarowa
12,00 zł
1 szt.
—
101
N299993
Czop Przedni
115,00 zł
1 szt.
—
102
N300178
Osłona Podpory
42,00 zł
1 szt.
—
103
153666-00
Śruba
7,00 zł
1 szt.
—
104
603390-00
Śruba
7,00 zł
1 szt.
—
105
N300145
Płyta
15,00 zł
1 szt.
—
106
616001-00
Śruba
7,00 zł
1 szt.
—
107
153586-00
Podkładka
7,00 zł
1 szt.
—
108
153576-04
Śruba
15,00 zł
1 szt.
—
109
N300196
Podkładka
7,00 zł
1 szt.
—
110
628591-00
Osłona
18,00 zł
1 szt.
—
111
612008-00
Śruba
9,00 zł
1 szt.
—
112
933168-00
Podkładka
7,00 zł
1 szt.
—
113
861840-03
Dźwignia
21,00 zł
1 szt.
—
114
868680-00
Wkładka
15,00 zł
1 szt.
—
115
397118-00
Osłona
12,00 zł
1 szt.
—
116
949743-02
Śruba
7,00 zł
1 szt.
—
117
N454878
Podpora - Podzespół
413,00 zł
1 szt.
—
118
N399655
Podziałka
21,00 zł
1 szt.
—
119
949894-12
Śruba
7,00 zł
1 szt.
—
120
N454876
Szyna - Podzespół
560,00 zł
1 szt.
—
121
659919-00
Sprężyna
8,00 zł
1 szt.
—
122
N080677
Gałka
16,00 zł
1 szt.
—
124
391358-01
Uchwyt
9,00 zł
1 szt.
—
125
N040940
Klucz Specjalny
27,00 zł
1 szt.
—
126
N126162
Worek Pyłowy - Podzespół
42,00 zł
1 szt.
—
127
N294299
Zacisk - Podzespół
78,00 zł
1 szt.
—
130
098105-03
Śruba
18,00 zł
1 szt.
—
131
N454877
Prowadnica
235,00 zł
1 szt.
—
132
N115187
Wał
27,00 zł
1 szt.
—
133
N312779
Kołek
27,00 zł
1 szt.
—
134
N380813
Wkładka Stołu
10,00 zł
1 szt.
—
135
N493430
Stół Obrotowy
354,00 zł
1 szt.
—
136
868707-01
Panew
7,00 zł
1 szt.
—
137
868708-00
Kulka
7,00 zł
1 szt.
—
138
941633-00
Podkładka
7,00 zł
1 szt.
—
139
330045-05
Śruba
7,00 zł
1 szt.
—
140
387130-00
Kołek Blokujący
18,00 zł
1 szt.
—
141
34158-00
Uszczelniacz
7,00 zł
1 szt.
—
145
330045-49
Śruba
7,00 zł
1 szt.
—
146
N493151
Podziałka
32,00 zł
1 szt.
—
147
N299799
Panew
7,00 zł
1 szt.
—
148
N315680
Blokada Dźwigni
51,00 zł
1 szt.
—
149
868778-00
Sprężyna
7,00 zł
1 szt.
—
150
N443388
Podstawa - Podzespół
367,00 zł
1 szt.
—
151
860092-07
Nakrętka
7,00 zł
1 szt.
—
152
868777-00
Stopa
7,00 zł
1 szt.
—
153
949705-01
Podkładka
7,00 zł
1 szt.
—
154
860093-08
Śruba
7,00 zł
1 szt.
—
155
860083-02
Nakrętka
7,00 zł
1 szt.
—
156
N381932
Przedłużenie
32,00 zł
1 szt.
—
157
N412530
Przedłużenie
32,00 zł
1 szt.
—
217
610707-00
Nalepka Uwaga
7,00 zł
1 szt.
—
866
N195933
Akumulator 18V - 4.0Ah - 72Wh
560,00 zł
1 szt.
—
871
N450536
Ładowarka - Podzespół
279,00 zł
1 szt.
—