Części
Maszyny
Kontakt
Home
Maszyny
Pilarki szablaste
DeWalt
Akumulatorowa pilarka szablasta
BSA30K-Type-1 -
Akumulatorowa pilarka szablasta DeWalt
100%
Poz:
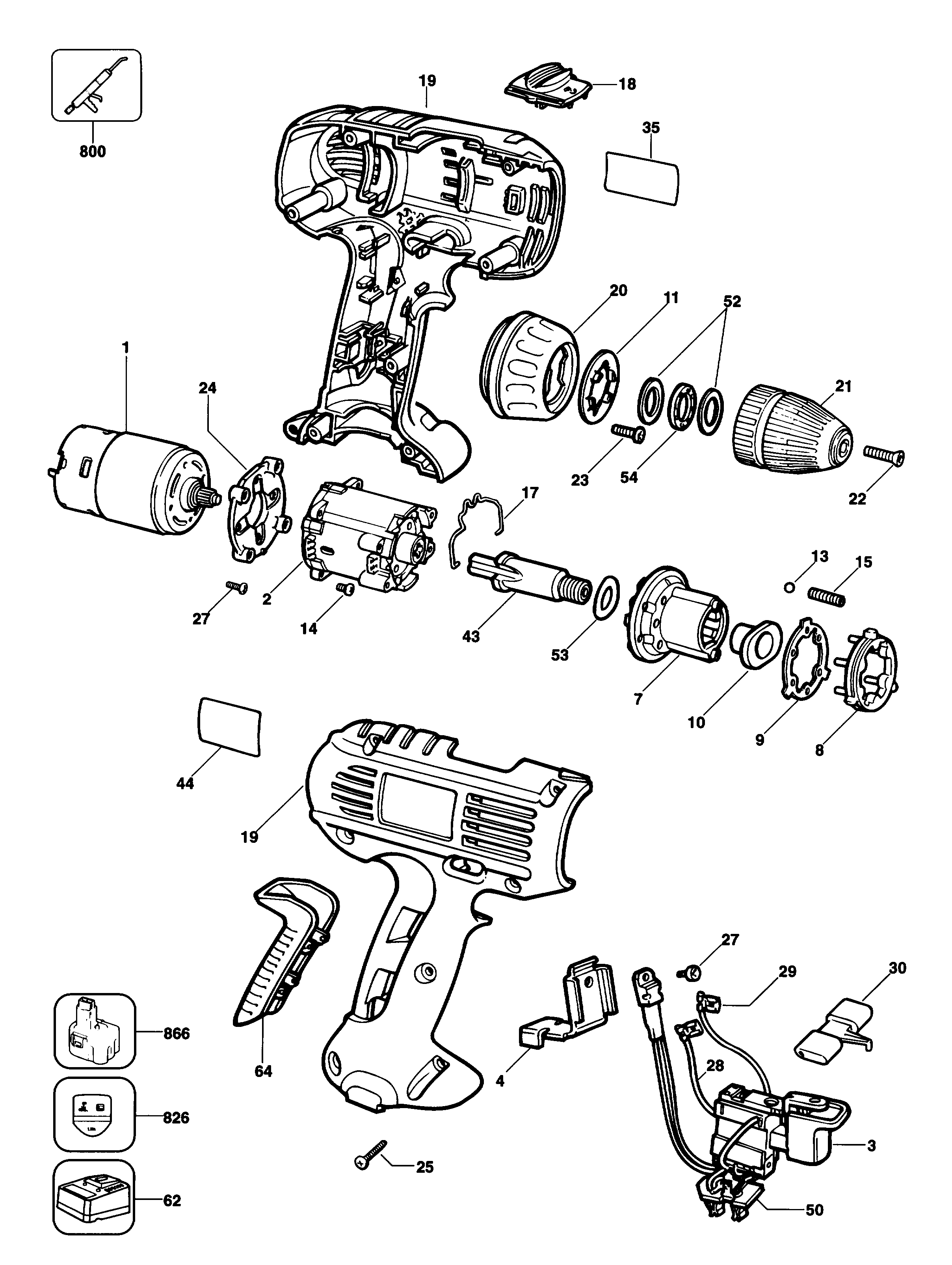
1
2
3
4
7
8
9
10
11
13
14
15
17
18
19
20
21
22
23
24
25
27
27
28
29
30
35
43
44
50
52
53
54
62
64
800
826
866
38 części
Sortuj
Poz.
Nr kat.
Nazwa
Cena brutto
Ilość
Zamów
1
807721-01
Silnik I Wałek Zębaty
Zapytaj
1 szt.
—
2
807690
Skrzynka Przekładniowa - Podzespół
Zapytaj
1 szt.
—
3
371189-00
Wyłącznik - Podzespół
Zapytaj
1 szt.
—
4
371098
Odprowadzenie Ciepła
Zapytaj
1 szt.
—
7
807481
Osłona
Zapytaj
1 szt.
—
8
807476-01
Podpora
Zapytaj
1 szt.
—
9
807477
Płyta
Zapytaj
1 szt.
—
10
812973
Łożysko
Zapytaj
1 szt.
—
11
807483
Płyta
Zapytaj
1 szt.
—
13
386690-00
Kulka
7,00 zł
1 szt.
—
14
798486
Śruba
Zapytaj
1 szt.
—
15
798707
Sprężyna
Zapytaj
1 szt.
—
17
799024
Sprężyna
Zapytaj
1 szt.
—
18
799025-01
Suwak
Zapytaj
1 szt.
—
19
371079-05
Chwytak Dwuszczękowy
Zapytaj
1 szt.
—
20
807478
Pierścień
Zapytaj
1 szt.
—
21
798723-18
Uchwyt Bezkluczykowy
Zapytaj
1 szt.
—
22
805434
Screw.Special
7,00 zł
1 szt.
—
23
733886
Śruba
Zapytaj
1 szt.
—
24
371192-01
Złączka - Podzespół
Zapytaj
1 szt.
—
25
747329
Śruba
7,00 zł
1 szt.
—
27
808821
Śruba
Zapytaj
1 szt.
—
27
798783
Śruba
Zapytaj
1 szt.
—
28
372193
Lead Black
Zapytaj
1 szt.
—
29
372192
Lead Red
Zapytaj
1 szt.
—
30
807706
Suwak
Zapytaj
1 szt.
—
35
371076-02
Etykieta Towarowa
Zapytaj
1 szt.
—
43
807482
Wrzeciono - Podzespół
Zapytaj
1 szt.
—
44
372598-02
Tabliczka Znamionowa
Zapytaj
1 szt.
—
50
372210
Złącze
Zapytaj
1 szt.
—
52
807479
Podkładka Oporowa
Zapytaj
1 szt.
—
53
807496
Podkładka Sprężysta
Zapytaj
1 szt.
—
54
859441
Łożysko
Zapytaj
1 szt.
—
62
N015878
Ładowarka 7.2V - 18V
454,00 zł
1 szt.
—
64
371086
Uchwyt
Zapytaj
1 szt.
—
800
NA360289
Smar
78,00 zł
1 szt.
—
826
807085-12
Etykieta
Zapytaj
1 szt.
—
866
582803-00
Battery 9.6V - 2.0Ah
Zapytaj
1 szt.
—