Części
Maszyny
Kontakt
Home
Maszyny
Pilarka tarczowa
Bosch
PILARKA 1677 MD
0601677166 -
PILARKA Bosch 1677 MD
100%
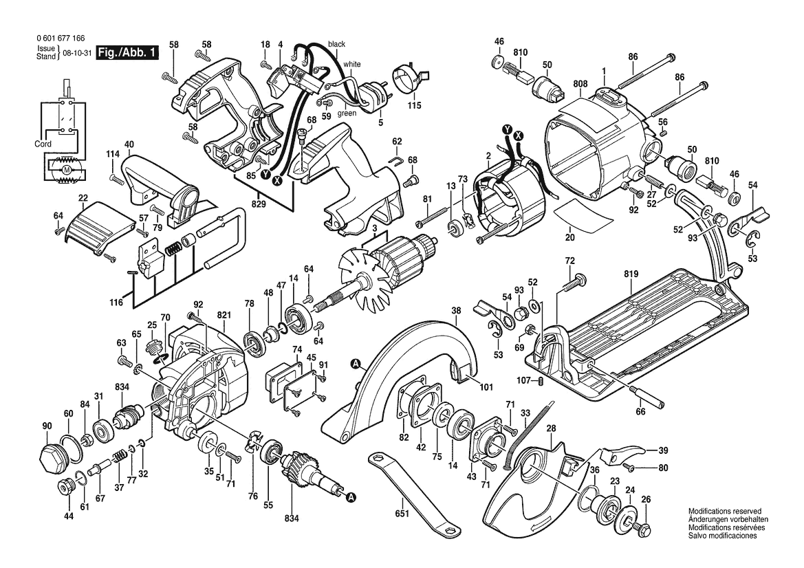
Poz:
1
2
3
4
5
13
14
18
20
22
23
24
25
26
27
28
31
32
33
35
36
37
38
39
40
42
43
44
45
46
47
48
50
51
52
53
54
55
56
57
58
59
60
61
62
63
64
65
66
67
68
69
70
71
72
73
74
75
76
77
78
79
81
82
84
85
86
90
91
92
93
101
107
114
115
116
651
808
810
819
821
829
834
83 części
Sortuj
Poz.
Nr kat.
Nazwa
Cena brutto
Ilość
Zamów
1
1619X01155
Kadłub Silnika
Zapytaj
1 szt.
—
2
1619P02674
Stojan
Zapytaj
1 szt.
—
3
2610931892
Twornik
349,69 zł
1 szt.
4
1619X04521
Przeł. Wejścia/Wyjścia
38,87 zł
1 szt.
5
1619X01276
Przewód Przyłączeniowy
Zapytaj
1 szt.
—
13
2610017348
Łożysko Kulkowe Zwykłe
33,83 zł
1 szt.
14
2610024748
Łożysko Kulkowe
31,37 zł
2 szt.
18
2610901971
Śruba
Zapytaj
1 szt.
—
20
2610944086
Kartka Z Ostrzeżeniem
Zapytaj
1 szt.
—
22
1619X01207
POKRYWA SILNIKA
Zapytaj
1 szt.
—
23
1619X01249
Szyba
Zapytaj
1 szt.
—
24
1619X02969
PODKŁADKA
28,78 zł
1 szt.
25
1619X06474
Śruba Spustowa Oleju
Zapytaj
1 szt.
—
26
2610000050
Sworzeń Krążka Z Wieńcem
9,59 zł
1 szt.
27
1619X01262
Śruba Dwustronna
Zapytaj
1 szt.
—
28
1619X01180
DOLNA CZĘŚĆ OSŁONY
Zapytaj
1 szt.
—
31
2610017875
Łożysko Kulkowe
26,32 zł
1 szt.
32
1619X03779
Pierścień Samouszczeln.
Zapytaj
1 szt.
—
33
1619X06927
Sprężyna Ściągająca
Zapytaj
1 szt.
—
35
2610319494
Zderzak
7,13 zł
1 szt.
36
2610341359
Pierścień Zabezpieczajacy
7,13 zł
1 szt.
37
2610023394
Sprężyna
Zapytaj
1 szt.
—
38
1619X01169
GÓRNA CZĘŚĆ OSŁONY
Zapytaj
1 szt.
—
39
1619X01236
null
Zapytaj
1 szt.
—
40
1619X01203
Uchwyt Dodatkowy
Zapytaj
1 szt.
—
42
1619X01253
Płyta Oporowa
Zapytaj
1 szt.
—
43
1619X01255
OSŁONA
Zapytaj
1 szt.
—
44
1619X01271
Tuleja Łożyskowa
Zapytaj
1 szt.
—
45
1619X01228
Osłona
Zapytaj
1 szt.
—
46
1619X01268
Pokrywa Urządzenia
4,06 zł
2 szt.
47
2610044638
Pierścień Samouszczeln.
Zapytaj
1 szt.
—
48
1619X01272
Pierścień Zaczepowy
Zapytaj
1 szt.
—
50
1619X01267
Uchwyt Szczotek
Zapytaj
2 szt.
—
51
2610004341
Szyba
Zapytaj
1 szt.
—
52
2610912616
Szyba
4,06 zł
3 szt.
53
2610968747
Pierścień Zabezpieczajacy
4,06 zł
2 szt.
54
1619X01235
Dźwignia Blokująca
Zapytaj
2 szt.
—
55
2610000166
Łożysko Kulkowe
Zapytaj
1 szt.
—
56
2610027039
Wkręt Bez Łba
Zapytaj
2 szt.
—
57
2610315299
Śruba
Zapytaj
2 szt.
—
58
2610315380
Śruba
5,29 zł
6 szt.
59
1619X03644
Śruba
Zapytaj
1 szt.
—
60
2610023331
Szyba
5,29 zł
1 szt.
61
2610025067
Szyba
Zapytaj
1 szt.
—
62
2610943867
Pierścień Nastawczy
Zapytaj
2 szt.
—
63
2610329955
Śruba
Zapytaj
2 szt.
—
64
1619X01786
Śruba Kontaktowa
4,06 zł
4 szt.
65
2610306355
Szyba
Zapytaj
2 szt.
—
66
1619X01263
Śruba Dwustronna
Zapytaj
1 szt.
—
67
1619X01298
Sworzeń Lożyska
Zapytaj
1 szt.
—
68
2610932332
Śruba
Zapytaj
4 szt.
—
69
2610932460
Nakrętka Zabezpieczająca
Zapytaj
1 szt.
—
70
1616B10364
Pierścień Samouszczeln.
4,06 zł
1 szt.
71
2610027002
Śruba
Zapytaj
5 szt.
—
72
2610911837
Trzpień
Zapytaj
1 szt.
—
73
2610004459
Podkładka Sprężysta
5,29 zł
1 szt.
74
1619X01257
Uszczelka Gumowa
Zapytaj
1 szt.
—
75
2610025245
Uszczelka
Zapytaj
1 szt.
—
76
2610931237
Podkładka Sprężysta
4,06 zł
1 szt.
77
2610017016
Szyba
5,29 zł
1 szt.
78
2610329927
Plomba Zamykająca
11,07 zł
1 szt.
79
2610993549
Śruba
Zapytaj
2 szt.
—
81
2610329950
Śruba
Zapytaj
2 szt.
—
82
1619X01258
Mata Uszczelniająca
Zapytaj
1 szt.
—
84
2610318324
Nakrętka
Zapytaj
1 szt.
—
85
2610315386
Śruba
5,41 zł
1 szt.
86
2610329953
Śruba
Zapytaj
4 szt.
—
90
1619X01260
Osłona Łożyska
Zapytaj
1 szt.
—
91
1619X06749
Śruba
4,18 zł
4 szt.
92
2610932218
Śruba
Zapytaj
2 szt.
—
93
1619X01283
Nakrętka
9,59 zł
2 szt.
101
1619X02283
Etykieta
Zapytaj
1 szt.
—
107
2610911889
Wkręt Bez Łba
Zapytaj
1 szt.
—
114
2610911890
Śruba
Zapytaj
2 szt.
—
115
1619X01637
Pierścień Zabezpieczajacy
Zapytaj
1 szt.
—
116
1619X01264
Hak Montażowy
Zapytaj
1 szt.
—
651
1619X01144
Wkładka Do Klucza Nasad.
Zapytaj
1 szt.
—
808
1619X01789
Tabliczka Znamionowa
Zapytaj
1 szt.
—
810
1619X08020
Zestaw Szczotek Węglowych
20,66 zł
1 szt.
819
1619X01657
Blacha
Zapytaj
1 szt.
—
821
2610906401
Obudowa Przekładni
Zapytaj
1 szt.
—
829
1619X01716
UCHWYT - ZESPÓŁ
Zapytaj
1 szt.
—
834
1619X02374
Zestaw Kół Zębatych
189,30 zł
1 szt.