Części
Maszyny
Kontakt
Home
Maszyny
Pilarka tarczowa
Bosch
PILARKA GKS 65
0601568108 -
PILARKA Bosch GKS 65
100%
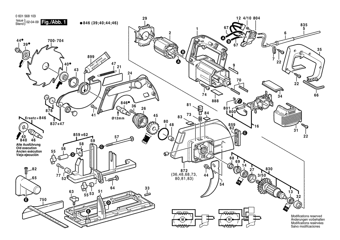
Poz:
1
2
6
7
9
12
13
14
16
21
22
24
26
27
29
31
32
33
34
35
36
39
40
41
43
44
45
46
47
48
51
52
53
54
55
56
57
58
59
62
63
64
65
66
67
68
69
70
73
74
77
80
81
82
83
3/50
4/10
800
801
804
830
835
837
840
846
859
872
878
888
899
70 części
Sortuj
Poz.
Nr kat.
Nazwa
Cena brutto
Ilość
Zamów
1
1605108152
Kadłub Silnika
Zapytaj
1 szt.
—
2
1604220354
Stojan
126,00 zł
1 szt.
—
6
1600703023
Końcówka
12,00 zł
1 szt.
—
7
2601035001
Uchwyt Przewodu
9,00 zł
1 szt.
—
9
1601110483
Tabliczka Firmy
12,00 zł
2 szt.
—
12
1607328028
Filtr Przeciwzakłóceniowy
21,00 zł
1 szt.
—
13
2600905032
Łożysko Kulkowe
21,00 zł
1 szt.
—
14
1610905009
Łożysko Kulkowe Zwykłe
Zapytaj
1 szt.
—
16
1604336042
Uchwyt Szczotek
Zapytaj
1 szt.
—
21
1601110605
Tabliczka Firmy
13,00 zł
1 szt.
—
22
2912401019
Wkręt Do Blach
8,00 zł
9 szt.
—
24
1605510157
Kołpak Ochronny
49,00 zł
1 szt.
—
26
1605808065
Kołnierz Łożyskowy
39,00 zł
1 szt.
—
27
1600221003
Pierścień Pośredni
12,00 zł
1 szt.
—
29
1600591007
Pierścień Kier. Powietrza
12,00 zł
1 szt.
—
31
1605500158
Pokrywa Zamykająca
Zapytaj
1 szt.
—
32
1600502011
Pierścień Pośredni
12,00 zł
1 szt.
—
33
2917780150
Kołek Sprężysty
8,00 zł
2 szt.
—
34
1601099021
Szyna Osłaniająca
Zapytaj
1 szt.
—
35
1605500159
Uchwyt Miski
Zapytaj
1 szt.
—
36
2603435042
Śruba Do Gwint. Bezwiórk.
5,29 zł
3 szt.
—
39
1605703107
Tarcza Mocująca
15,00 zł
1 szt.
—
40
1605703091
Kołnierz Przyjmujący
Zapytaj
1 szt.
—
41
2610386516
Wkręt Soczewkowy Torx
9,00 zł
4 szt.
—
43
2916650020
Pierścień Zabezpieczajacy
Zapytaj
1 szt.
—
44
1603414007
Śr.Z Łb.Okr.O Gnieź.Sześ.
9,00 zł
2 szt.
—
45
1606320081
Koło Zębate Czołowe
Zapytaj
1 szt.
—
46
1603124119
Wał Napędowy
Zapytaj
1 szt.
—
47
1604649001
Sprężyna Ściągająca
Zapytaj
1 szt.
—
48
1600910019
Tuleja Iglicowa
8,36 zł
1 szt.
—
51
1608000107
Płyta Fundamentowa
Zapytaj
1 szt.
—
52
1600305001
Zderzak Gumowy
8,00 zł
1 szt.
—
53
1600309012
Tulejka Dystansowa
8,00 zł
1 szt.
—
54
1600025013
KLIN ROZDZIELAJĄCY
12,00 zł
1 szt.
—
55
1603339006
Nakrętka Skrzydełkowa
Zapytaj
2 szt.
—
56
1600309013
Tulejka Dystansowa
Zapytaj
1 szt.
—
57
1603434005
Śruba Z Łbem Płaskim
Zapytaj
1 szt.
—
58
1601329015
Płyta Ustawcza
Zapytaj
1 szt.
—
59
1608190013
Dźwignia Wychylna
Zapytaj
1 szt.
—
62
1608040112
Element Dociskowy
Zapytaj
1 szt.
—
63
1603480022
Śruba Skrzydełkowa
Zapytaj
1 szt.
—
64
2910281207
Śruba Okrągła Płaska
Zapytaj
1 szt.
—
65
1605133039
Uchwyt Dodatkowy
Zapytaj
1 szt.
—
66
2610364015
Klucz Imbusowy
15,00 zł
1 szt.
—
67
1604503014
Człon Przeciwzakłóceniowy
Zapytaj
2 szt.
—
68
1600290016
PIERŚCIEN USZCZELNIAJĄCY
12,00 zł
1 szt.
—
69
1600390013
Tuleja Blokująca
Zapytaj
1 szt.
—
70
1604477005
Wtyczka Płaska
9,00 zł
2 szt.
—
73
1604611029
Sprężyna Dociskowa
Zapytaj
1 szt.
—
74
1603435022
Śruba Do Gwint. Bezwiórk.
4,18 zł
4 szt.
—
77
2910271120
Śruba Z Łbem Płaskim
Zapytaj
1 szt.
—
80
3600210124
Pierścień Samouszczeln.
13,00 zł
1 szt.
—
81
1603231011
Część Blokująca
Zapytaj
1 szt.
—
82
2910641197
Wkręt Soczewkowy
Zapytaj
1 szt.
—
83
1601110470
Tabliczka Informacyjna
8,00 zł
1 szt.
—
3/50
1606610122
Wentylator
13,00 zł
1 szt.
—
4/10
2603410001
Śruba Z Łbem Walcowym
9,00 zł
4 szt.
—
800
1607014129
Zestaw Szczotek Węglowych
Zapytaj
1 szt.
—
801
2604652008
Sprężyna Spiralna
Zapytaj
2 szt.
—
804
1607000231
Przeł. Wejścia/Wyjścia
66,00 zł
1 szt.
—
830
1604010328
Twornik Z Wentylatorem
Zapytaj
1 szt.
—
835
1607000386
Przewód Zasil. Sieciowy
49,00 zł
1 szt.
—
837
1605510172
Osłona Wahadłowa
Zapytaj
1 szt.
—
840
1605703093
Kołnierz Przyjmujący
Zapytaj
1 szt.
—
846
1607000225
Zestaw Części
Zapytaj
1 szt.
—
859
1607000197
Zestaw Części
Zapytaj
1 szt.
—
872
1607000223
Zestaw Części
Zapytaj
1 szt.
—
878
1607000205
Zestaw Części
Zapytaj
1 szt.
—
888
160111A3H3
Tabliczka Znamionowa
12,00 zł
1 szt.
—
899
1605430003
Tubka Ze Smarem
126,00 zł
1 szt.
—