Części
Maszyny
Kontakt
Home
Maszyny
Pilarka tarczowa do metalu
Bosch
GCD 12 JL
3601M28041 -
GCD 12 JL Bosch GCD 12 JL
100%
Poz:
1
2
4
5
6
7
18
19
22
23
24
25
26
27
29
31
35
37
38
39
40
41
42
43
44
45
46
47
48
49
50
52
54
55
56
57
58
59
60
61
81
83
84
85
86
87
88
89
90
91
92
93
94
95
96
97
98
99
100
103
104
105
106
107
108
109
110
111
112
113
114
115
116
118
119
120
121
122
124
125
126
127
128
129
130
131
132
133
134
135
136
137
138
139
140
141
142
143
144
146
157
158
159
160
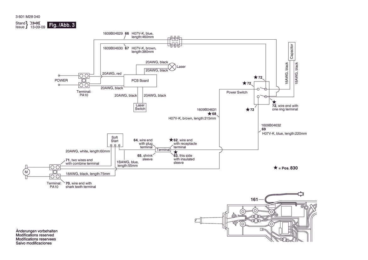
161
163
165
803
810
816
822
823
824
825
826
827
828
829
830
831
120 części
Sortuj
Poz.
Nr kat.
Nazwa
Cena brutto
Ilość
Zamów
1
1609B00054
Kadłub Silnika
105,00 zł
1 szt.
—
2
1609B00115
Stojan
244,00 zł
1 szt.
—
4
1609B05400
Przeł. Wejścia/Wyjścia
74,00 zł
1 szt.
—
5
1609B04687
Przewód Zasil. Sieciowy
66,00 zł
1 szt.
—
6
1609B04628
Końcówka
9,00 zł
1 szt.
—
7
1619P03808
Uchwyt Przewodu
8,00 zł
1 szt.
—
18
1619P03837
WKRĘT Z ŁBEM SOCZEWKOWYM
8,00 zł
1 szt.
—
19
1619P03833
Śruba
8,00 zł
4 szt.
—
22
1609B04610
Kolpak Koncowy
22,00 zł
1 szt.
—
23
1619P03832
Śruba
8,00 zł
2 szt.
—
24
1619P03834
Śruba
8,00 zł
2 szt.
—
25
1619P03835
Śruba Do Gwint. Bezwiórk.
8,00 zł
4 szt.
—
26
1609B00055
Klamra Trzymająca
8,00 zł
2 szt.
—
27
1600206030
Pierścień Gumowy
9,00 zł
1 szt.
—
29
1619P03822
Pierścień Kier. Powietrza
17,00 zł
1 szt.
—
31
1609B04603
GÓRNA CZĘŚĆ OSŁONY
387,00 zł
1 szt.
—
35
1609B01267
Łożysko Kulkowe
34,00 zł
3 szt.
—
37
1609B04619
Łożyskowanie
39,00 zł
1 szt.
—
38
1609B04620
ZATYCZKA
12,00 zł
1 szt.
—
39
1609B04621
Sprężyna Dociskowa
8,00 zł
1 szt.
—
40
1609B04678
Wypust Sprężynujący
8,00 zł
1 szt.
—
41
1609B04622
Pokrywa łożyska
9,00 zł
1 szt.
—
42
1609B00780
Śruba
8,00 zł
4 szt.
—
43
1609B04623
Kołnierz
39,00 zł
1 szt.
—
44
1609B04624
Kołnierz
36,00 zł
1 szt.
—
45
1609B04625
Sworzeń Z Wieńcem
15,00 zł
1 szt.
—
46
1609B04664
WYRZUTNIK STRÓŻYN
22,00 zł
1 szt.
—
47
1609B00068
Pierścień Samouszczeln.
8,00 zł
1 szt.
—
48
1609B00978
Śruba
8,00 zł
4 szt.
—
49
1609B04649
Śruba
8,00 zł
4 szt.
—
50
1609B04650
Mata Uszczelniająca
9,00 zł
1 szt.
—
52
1609B04605
Uchwyt Wyłącznika
117,00 zł
1 szt.
—
54
1609BP7059
ŁĄCZNIK
9,00 zł
2 szt.
—
55
1609B04668
Dźwignia Wyłącznika
12,00 zł
1 szt.
—
56
1609B04608
Uchwyt
36,00 zł
1 szt.
—
57
1609B04652
Śruba
8,00 zł
2 szt.
—
58
1609B00655
Śruba
8,00 zł
4 szt.
—
59
1609B01356
Blachowkręt Z Łbem Walc.
8,00 zł
1 szt.
—
60
1619P03931
Pierścień
8,00 zł
1 szt.
—
61
1609B00637
Wkręt Do Blach
8,00 zł
4 szt.
—
81
1609B01561
Śruba
8,00 zł
3 szt.
—
83
1619P03802
ŚRUBA
8,00 zł
1 szt.
—
84
1619P03841
Podkładka Sprężysta
8,00 zł
1 szt.
—
85
1609B05417
ŚRUBA SPECJALNA
9,00 zł
1 szt.
—
86
1609B00931
Pierścień Samouszczeln.
8,00 zł
1 szt.
—
87
1609B04611
DŹWIGNIA ZAMYKAJĄCA
21,00 zł
1 szt.
—
88
1609B04612
DŹWIGNIA ZAMYKAJĄCA
39,00 zł
1 szt.
—
89
1609B04647
Gniazdo mocujące
8,00 zł
1 szt.
—
90
1609B04657
Sprężyna Skrętowa
9,00 zł
1 szt.
—
91
1609B03779
Wkręt Szyjkowy
9,00 zł
1 szt.
—
92
1609B00730
Nakrętka Zaciskowa
9,00 zł
1 szt.
—
93
1609B04658
Sprężyna Skrętowa
9,00 zł
1 szt.
—
94
1609B03570
Nakrętka Zabezpieczająca
8,00 zł
1 szt.
—
95
1609B04659
Śruba
8,00 zł
1 szt.
—
96
1609B04660
Wał Łożyskowy
31,00 zł
1 szt.
—
97
1619P03839
Wkręt Zderzakowy
8,00 zł
1 szt.
—
98
1609B04648
Gniazdo mocujące
9,00 zł
2 szt.
—
99
1609B00024
Sprężyny Skrętne
34,00 zł
1 szt.
—
100
1609B04602
Stopa
484,00 zł
1 szt.
—
103
1609B04637
Śruba Zaciskowa
44,00 zł
1 szt.
—
104
1619P03760
Kształtka Zaciskowa
31,00 zł
1 szt.
—
105
1609B03523
Pokrętło
21,00 zł
1 szt.
—
106
1609B04638
Korbowód
25,00 zł
1 szt.
—
107
1609B04639
ELEMENT ZACISKOWY
105,00 zł
1 szt.
—
108
1619P03762
Kołek Sprężynujący
8,00 zł
1 szt.
—
109
1619P03752
Kołek Sprężynujący
8,00 zł
1 szt.
—
110
1619P03755
Pierścień Zabezpieczajacy
8,00 zł
1 szt.
—
111
1619P03756
Nitokołek
8,00 zł
1 szt.
—
112
1619P03757
Podkładka
8,00 zł
1 szt.
—
113
1609B05442
PRZYMIAR PROSTOKĄTNY
117,00 zł
1 szt.
—
114
1609B04661
BOLEC SZEŚCIOKĄTNY
8,00 zł
1 szt.
—
115
1609B00753
Dźwignia
21,00 zł
1 szt.
—
116
1609B00757
Podkładka
8,00 zł
1 szt.
—
118
1609B00234
Śruba
17,00 zł
1 szt.
—
119
1609B00236
Wkręt Szyjkowy
8,00 zł
1 szt.
—
120
1609B00232
Dźwignia Blokująca
9,00 zł
1 szt.
—
121
1609B00237
Sprężyna Dociskowa
8,00 zł
1 szt.
—
122
1609B00644
Pierścień Sprężysty
11,00 zł
2 szt.
—
124
1609B04641
Płyta Prowadząca
34,00 zł
1 szt.
—
125
1609B01600
SWORZEŃ
12,00 zł
1 szt.
—
126
1609B00601
Pierścień Samouszczeln.
9,00 zł
1 szt.
—
127
1609B00227
Tuleja Gumowa
Zapytaj
5 szt.
—
128
1609B01599
Śruba regulacyjna
9,00 zł
1 szt.
—
129
1609B04633
Sprężyna Płytkowa
8,00 zł
1 szt.
—
130
1609B04634
Pojemnik na wióry
54,00 zł
1 szt.
—
131
1609B04635
Kołpak Ochronny
17,00 zł
1 szt.
—
132
1609B04663
Trzpień Przegubu
8,00 zł
1 szt.
—
133
1619P03827
Śruba Z Łbem Walcowym
8,00 zł
2 szt.
—
134
1619P03829
Podkładka Sprężysta
8,00 zł
2 szt.
—
135
1619P03828
Podkładka
12,00 zł
2 szt.
—
136
1609B00634
Śruba
8,00 zł
4 szt.
—
137
1609B04642
Wskazówka
8,00 zł
1 szt.
—
138
1609B05416
Śrubokręt Przegubowy
22,00 zł
1 szt.
—
139
1609B05419
Tuleja Gumowa
8,00 zł
1 szt.
—
140
1609B04636
Zespół Dźwigni
31,00 zł
1 szt.
—
141
1609B00703
Podkładka
8,00 zł
2 szt.
—
142
1609B04667
Tuleja Łożyskowa
8,00 zł
1 szt.
—
143
1609B01956
UCHWYT
8,00 zł
1 szt.
—
144
1609B00971
Śruba
8,00 zł
1 szt.
—
146
1609B05392
Wyłącznik
15,00 zł
1 szt.
—
157
1609B04644
Osłona
8,00 zł
1 szt.
—
158
1609B04643
Uchwyt Ochronny
9,00 zł
1 szt.
—
159
1609B01667
Śruba
8,00 zł
2 szt.
—
160
1609B01663
Śruba
8,00 zł
2 szt.
—
161
1609B01549
KABEL PRZYŁĄCZENIOWY
11,00 zł
1 szt.
—
163
1609B05401
Śruba
8,00 zł
1 szt.
—
165
1609B05421
Płyta Do Mocowania
11,00 zł
1 szt.
—
803
1609B04679
Zespół Wirnika
484,00 zł
1 szt.
—
810
1607014171
Zestaw Szczotek Węglowych
49,00 zł
1 szt.
—
816
1604336048
Uchwyt Szczotek
22,00 zł
2 szt.
—
822
1609B04681
Wał Z Kołem Zębatym
281,00 zł
1 szt.
—
823
1609B04682
Wał Z Kołem Zębatym
140,00 zł
1 szt.
—
824
1609B04683
PODSTAWA
117,00 zł
1 szt.
—
825
1609B03533
Wspornik
31,00 zł
1 szt.
—
826
1609B04692
RAMIĘ
462,00 zł
1 szt.
—
827
1609B04693
DOLNA CZĘŚĆ OSŁONY
316,00 zł
1 szt.
—
828
1609B04694
MODUŁ „SOFT-START”
178,00 zł
1 szt.
—
829
1609B04695
Moduł Układu Elektroniki
84,00 zł
1 szt.
—
830
1609B04696
Drut
9,00 zł
1 szt.
—
831
1609B01726
Laser
74,00 zł
1 szt.
—