Części
Maszyny
Kontakt
Home
Maszyny
Pilarka stołowa
Bosch
PILARKA STOŁOWA GTS18V-08N
3601M48010 -
PILARKA STOŁOWA Bosch GTS18V-08N
100%
Poz:
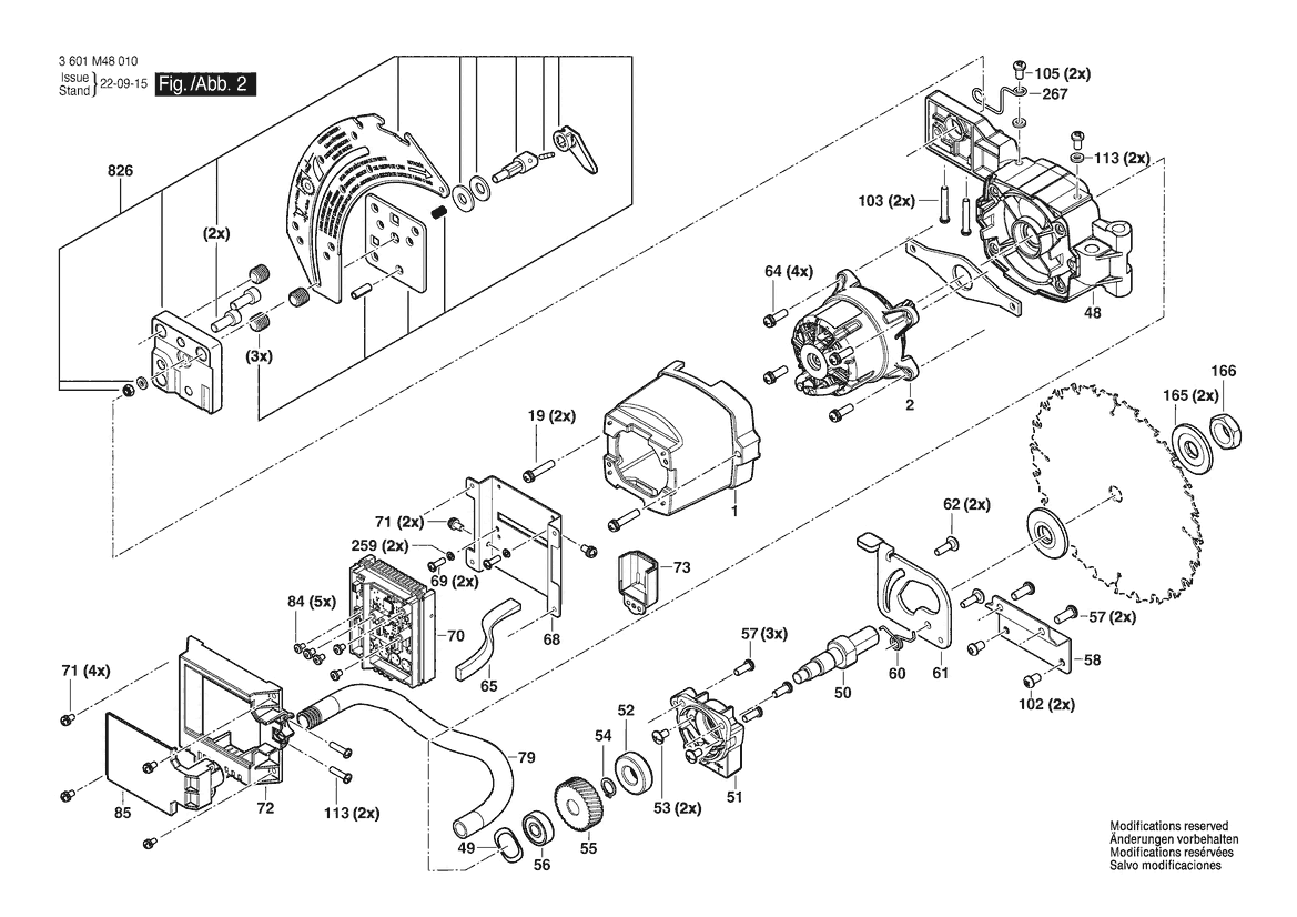
1
2
3
5
6
7
9
10
11
12
13
14
15
16
17
19
20
21
22
23
24
25
26
27
28
29
30
31
40
41
42
43
44
45
46
47
48
49
50
51
52
53
54
55
56
57
58
59
60
61
62
63
64
65
66
67
68
69
70
71
72
73
74
75
76
77
78
79
80
81
83
84
85
86
87
88
89
90
91
92
93
94
95
96
97
98
99
100
101
102
103
104
105
106
107
108
109
110
111
112
113
114
115
116
117
118
119
120
121
122
123
124
135
136
137
138
139
140
142
143
145
149
150
151
152
153
154
155
156
157
158
159
160
161
162
163
165
166
167
168
169
170
171
172
173
174
175
176
177
208
209
240
241
243
244
245
246
247
248
249
252
256
257
258
259
263
264
265
266
267
268
271
804
808
820
823
826
828
829
831
832
833
838
853
861
888
186 części
Sortuj
Poz.
Nr kat.
Nazwa
Cena brutto
Ilość
Zamów
1
1609B06868
Pokrywa silnika
18,08 zł
1 szt.
2
160702269E
Bezszczotkowy silnik DC
614,14 zł
1 szt.
3
1609B07032
Śruba
4,06 zł
7 szt.
5
2610950054
Trzpień
Zapytaj
1 szt.
—
6
1609B07072
ŚRUBA
4,06 zł
1 szt.
7
1609B07073
Podkładka
4,06 zł
1 szt.
9
2610911901
Nakrętka Zabezpieczająca
5,29 zł
1 szt.
10
1609B06902
Zderzak
16,85 zł
1 szt.
11
1609B06903
Zderzak
16,85 zł
1 szt.
12
2610996920
Nakrętka Łącząca
Zapytaj
1 szt.
—
13
2610994262
Obejma Zaciskowa
7,13 zł
1 szt.
14
2610016558
Nakrętka
4,06 zł
1 szt.
15
1609B06861
Pokrętło
16,85 zł
1 szt.
16
1609B07034
Podkładka
4,06 zł
1 szt.
17
2610911902
Klamra
4,06 zł
4 szt.
19
1609B07088
Śruba
4,06 zł
2 szt.
20
1609B07015
Kartka Z Ostrzeżeniem
8,36 zł
1 szt.
21
1609B07016
Kartka Z Ostrzeżeniem
8,36 zł
1 szt.
22
1609B07017
Kartka Z Ostrzeżeniem
8,36 zł
1 szt.
23
1609B07013
Kartka Z Ostrzeżeniem
8,36 zł
1 szt.
24
1609B07027
Kartka Z Ostrzeżeniem
8,36 zł
1 szt.
25
1609B07028
Kartka Z Ostrzeżeniem
8,36 zł
1 szt.
26
1609B06863
Kolpak Koncowy
4,06 zł
2 szt.
27
1609B07038
Szyna prowadząca
77,74 zł
2 szt.
28
1609B07039
Śruba
4,06 zł
8 szt.
29
1609B06857
PROWADNICA
97,79 zł
1 szt.
30
1609B06905
Wskazówka
7,13 zł
1 szt.
31
2610010404
Śruba
4,06 zł
2 szt.
40
1609B07041
Śruba
4,06 zł
4 szt.
41
1609B07042
Podkładka
4,06 zł
10 szt.
42
1609B07030
Guzik
5,29 zł
1 szt.
43
1604612010
Sprężyna Dociskowa
4,06 zł
1 szt.
44
1600A00HG9
Podkładka
4,06 zł
2 szt.
45
1609B07046
Podkładka
4,06 zł
1 szt.
46
160343002E
Śruba
4,06 zł
1 szt.
47
1600A0275Z
DŹWIGAR
235,67 zł
1 szt.
48
160580669T
Skrzynia Biegów
170,48 zł
1 szt.
49
2610950042
Podkładka Sprężysta
4,06 zł
1 szt.
50
1609B07083
Wal Napedowy
38,87 zł
1 szt.
51
1600A02761
Pokrywa przekładni
28,78 zł
1 szt.
52
2610997210
Łożysko Kulkowe
49,45 zł
1 szt.
53
1609B07084
Śruba
4,06 zł
2 szt.
54
2610997282
Pierścień Zabezpieczajacy
4,06 zł
1 szt.
55
1609B07085
Przekładnia
59,53 zł
1 szt.
56
2610996949
Łożysko Kulkowe
48,83 zł
1 szt.
57
2610998572
Śruba
4,18 zł
6 szt.
58
1609B06908
Płyta Mocująca
5,29 zł
1 szt.
59
1609B07867
Śruba
4,06 zł
2 szt.
60
1609B07086
Sprężyna Skrętowa
4,06 zł
1 szt.
61
1609B06906
Dźwignia Blokująca
20,66 zł
1 szt.
62
1609B07931
Śruba
4,06 zł
3 szt.
63
1609B06900
Blacha Sprężynowana
4,06 zł
1 szt.
64
2610018230
Śruba
4,06 zł
4 szt.
65
1609B07087
Kabel Taśmowy
18,08 zł
1 szt.
66
1600A0275Y
PŁYTA
867,27 zł
1 szt.
67
2610015075
Szyba
4,06 zł
4 szt.
68
1609B06907
Blacha Trzymająca
11,07 zł
1 szt.
69
2610015078
Śruba
4,06 zł
3 szt.
70
16072335GA
Moduł Układu Elektroniki
528,90 zł
1 szt.
71
1609B07090
Śruba
4,06 zł
6 szt.
72
1609B06869
Osłona
11,07 zł
1 szt.
73
1609B06870
Osłona Przewodów
4,06 zł
1 szt.
74
1609B06885
Wspornik Akumulatora
16,85 zł
1 szt.
75
1609B06886
Wspornik Akumulatora
16,85 zł
1 szt.
76
1609B06855
Wspornik Kontaktu
85,24 zł
1 szt.
77
1609B07091
Sprężyna Dociskowa
4,06 zł
1 szt.
78
1609B07860
Wkręt Do Blach
7,13 zł
6 szt.
79
1609B07861
ŁĄCZNIK
8,36 zł
1 szt.
80
1609B07862
Kabel Taśmowy
28,78 zł
1 szt.
81
1609B07863
Kabel Taśmowy
18,08 zł
1 szt.
83
1609B06884
Osłona
4,06 zł
1 szt.
84
1609B07864
Śruba
5,29 zł
5 szt.
85
1609B06871
Osłona Przewodów
7,13 zł
1 szt.
86
1609B07044
Wahacz Nośny
18,08 zł
1 szt.
87
1609B07045
Wahacz Nośny
18,08 zł
1 szt.
88
1609B07047
Śruba
4,06 zł
4 szt.
89
1609B07865
Drążek Gwintowany
20,66 zł
1 szt.
90
2610015042
Koło Zębate Stożkowe
8,36 zł
2 szt.
91
2610015045
Śruba
4,06 zł
2 szt.
92
2610910013
Szyba
7,26 zł
2 szt.
93
2610950108
Śruba
4,06 zł
3 szt.
94
2610015043
Tuleja Łożyskowa
4,06 zł
1 szt.
95
1609B06909
Ramię Podporowe
9,59 zł
1 szt.
96
1600A00J3E
Śruba
4,06 zł
2 szt.
97
2610013162
Szyba
4,06 zł
1 szt.
98
2610015070
Śruba
4,06 zł
1 szt.
99
1609B07866
Wał Napędowy
16,85 zł
1 szt.
100
2610015049
Tuleja Łożyskowa
26,32 zł
1 szt.
101
1609B06888
Płyta Kryjąca
31,37 zł
1 szt.
102
2610015018
Śruba
Zapytaj
2 szt.
—
103
1603430030
Śruba
4,06 zł
2 szt.
104
1609B06916
Płyta Zamykająca
7,13 zł
1 szt.
105
1609B07050
Wkręt Do Blach
4,06 zł
17 szt.
106
1609B06998
Wspornik Kątowy
16,85 zł
2 szt.
107
2610950070
Tuleja Łożyskowa
4,06 zł
2 szt.
108
2610950069
Śruba
4,06 zł
4 szt.
109
1609B07869
Śruba
4,06 zł
1 szt.
110
1609B07022
ŁAPKA
26,32 zł
1 szt.
111
1609B06910
Płyta Mocująca
4,06 zł
1 szt.
112
1609B06911
Płyta Mocująca
4,06 zł
1 szt.
113
1609B07052
Podkładka
Zapytaj
10 szt.
—
114
1609B06882
Przednia Tabliczka
53,26 zł
1 szt.
115
2610950131
Śruba
Zapytaj
6 szt.
—
116
1609B06914
Blacha Trzymająca
77,74 zł
1 szt.
117
1609B07004
Krzywka
9,59 zł
2 szt.
118
2610016557
Szyba
4,06 zł
2 szt.
119
1609B07006
Noniusz
9,59 zł
1 szt.
120
1609B07007
Arkusz Wklejany
4,06 zł
1 szt.
121
1609B07020
Arkusz Wklejany
5,29 zł
1 szt.
122
1609B07021
Arkusz Wklejany
8,36 zł
1 szt.
123
1609B07077
Nakrętka
4,06 zł
1 szt.
124
1609B06912
Rama Podłogowa
Zapytaj
4 szt.
—
135
1609B07054
Wkręt Do Blach
4,06 zł
1 szt.
136
1609B06913
Klucz oczkowo-szczękowy
16,85 zł
1 szt.
137
1609B06898
Gałka Obrotowa
4,06 zł
1 szt.
138
1609B07055
Klucz mocujący
5,29 zł
1 szt.
139
2610911920
Tuleja Gumowa
Zapytaj
1 szt.
—
140
1609B07056
Śruba
4,06 zł
2 szt.
142
1609B08039
Podkładka
4,06 zł
2 szt.
143
1609B08040
Trzpień
5,29 zł
2 szt.
145
1609B06901
Płyta Sterownicza
16,85 zł
1 szt.
149
1609B07035
Sprężyna Dociskowa
Zapytaj
2 szt.
—
150
2610015044
Szyba
4,06 zł
2 szt.
151
2610015061
Tuleja Łożyskowa
8,36 zł
1 szt.
152
1609B06887
Dźwignia Blokująca
7,13 zł
1 szt.
153
2610015359
Śruba
4,06 zł
1 szt.
154
2610950115
Sprężyna
4,06 zł
1 szt.
155
2610015001
Szyba
4,06 zł
2 szt.
156
2610015069
Koło Ręczne
31,37 zł
1 szt.
157
2610950059
Rękojeść
4,06 zł
1 szt.
158
2610950060
Śruba
4,06 zł
1 szt.
159
2610950389
Szyba
4,18 zł
1 szt.
160
1609B06999
Podkładka
4,06 zł
1 szt.
161
2610016566
Szyba
4,06 zł
1 szt.
162
1609B06915
Wskazówka
5,29 zł
1 szt.
163
2610015065
Śruba
4,06 zł
2 szt.
165
1609B07062
Kołnierz Mocujący
20,66 zł
2 szt.
166
2610950047
Trzpień Z Otworem
5,29 zł
1 szt.
167
1609B06917
Płyta Zderzakowa
8,36 zł
1 szt.
168
1609B06889
Płyta Kryjąca
26,32 zł
1 szt.
169
1609B06918
Płyta Mocująca
Zapytaj
2 szt.
—
170
1609B07064
Sprężyna Ściągająca
4,06 zł
2 szt.
171
1609B07065
Śruba
4,06 zł
1 szt.
172
2610950117
Śruba
4,18 zł
2 szt.
173
2610015058
Szyba
4,06 zł
2 szt.
174
1609B06890
Oprawa Przeciwpyłowa
13,65 zł
1 szt.
175
1609B07872
Śruba
4,06 zł
1 szt.
176
1609902053
Podkładka
4,06 zł
1 szt.
177
2610015053
Pierścień Zabezpieczajacy
4,06 zł
1 szt.
208
1609B07092
Blacha Przykrywająca
8,36 zł
1 szt.
209
2610017050
DRĄŻEK
4,06 zł
3 szt.
240
2610950091
Wkręt Bez Łba
Zapytaj
4 szt.
—
241
1609B07009
Noniusz
9,59 zł
1 szt.
243
1609B06904
Płyta blokująca
4,06 zł
3 szt.
244
1609B06856
PROWADNICA
110,33 zł
1 szt.
245
1609B07075
Śruba
5,29 zł
2 szt.
246
1609B07076
Podkładka
4,06 zł
2 szt.
247
1609B07074
Podkładka
4,06 zł
1 szt.
248
1609B07031
Ramię Podporowe
4,06 zł
1 szt.
249
1609B07868
Wkręt Do Blach
4,06 zł
1 szt.
252
1600A01R5R
Suwak
26,32 zł
1 szt.
256
1609B06862
Kolpak Koncowy
4,06 zł
2 szt.
257
1609B07078
Śruba
5,29 zł
2 szt.
258
1609B07079
Podkładka
4,06 zł
2 szt.
259
1609B07089
Szyba
4,06 zł
2 szt.
263
1609B07025
Bufor Zderzaka
4,06 zł
2 szt.
264
1609B07026
Rękojeść
11,07 zł
2 szt.
265
1609B07057
Śruba
4,06 zł
4 szt.
266
1609B07059
Szyba
4,06 zł
1 szt.
267
1609B07071
null
4,06 zł
1 szt.
268
1609B07932
Szyba
4,06 zł
1 szt.
271
1609B07319
Sprężyna falista
4,06 zł
1 szt.
804
1609B07058
Zestaw Wyłączników
132,84 zł
1 szt.
808
1609B07102
Tabliczka Znamionowa
7,13 zł
1 szt.
820
1609B07068
ELEMENT ZABEZPIECZAJĄCY
53,26 zł
1 szt.
823
1609B07067
GÓRNA CZĘŚĆ OSŁONY
97,79 zł
1 szt.
826
1609B07069
KLIN ROZDZIELAJĄCY
Zapytaj
1 szt.
—
828
1609B07094
Narożnik
16,85 zł
1 szt.
829
1609B07001
Narożnik
16,85 zł
1 szt.
831
1609B07095
Narożnik
18,08 zł
1 szt.
832
1609B07040
Zestaw Kół
97,79 zł
1 szt.
833
1609B07096
Narożnik
18,08 zł
1 szt.
838
1609B07070
Płyta Podporowa
145,39 zł
1 szt.
853
1609B07093
PRZYMIAR PROSTOKĄTNY
53,26 zł
1 szt.
861
1609B07097
Uchwyt
7,13 zł
1 szt.
888
1609B07066
PROWADNICA RÓWNOLEGŁA
307,13 zł
1 szt.