Części
Maszyny
Kontakt
Home
Maszyny
Piła łańcuchowa
Bosch
PIŁA ŁAŃCUCHOWA PKE 35 B
0603227539 -
PIŁA ŁAŃCUCHOWA Bosch PKE 35 B
100%
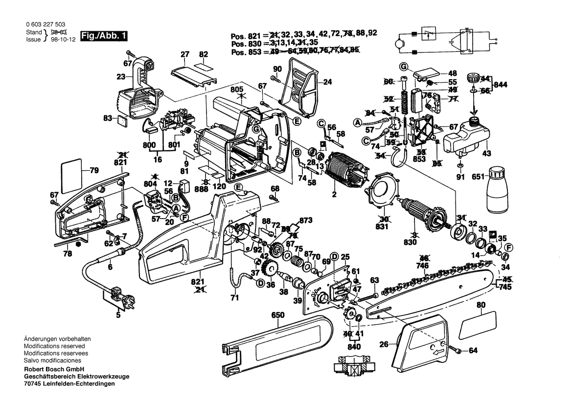
Poz:
2
5
6
7
9
13
14
16
20
23
24
25
26
27
28
32
33
34
35
36
37
38
39
41
42
47
48
55
56
57
58
61
62
63
64
67
68
69
70
71
72
74
75
78
79
80
81
82
83
87
88
90
91
92
650
745
746
800
801
804
805
821
830
831
840
844
853
873
888
69 części
Sortuj
Poz.
Nr kat.
Nazwa
Cena brutto
Ilość
Zamów
2
1604220355
Stojan
Zapytaj
1 szt.
—
5
3604460017
Przewód Zasil. Sieciowy
Zapytaj
1 szt.
—
6
1600703025
Końcówka
Zapytaj
1 szt.
—
7
1611035005
Uchwyt Przewodu
7,13 zł
1 szt.
9
1601110483
Tabliczka Firmy
8,36 zł
1 szt.
13
2600905032
Łożysko Kulkowe
16,85 zł
1 szt.
14
1900905025
Łożysko Kulkowe
67,65 zł
1 szt.
16
1604336016
Uchwyt Szczotek
Zapytaj
1 szt.
—
20
2603410001
Śruba Z Łbem Walcowym
5,29 zł
4 szt.
23
3605500084
Pokrywa Zamykająca
Zapytaj
1 szt.
—
24
3602311018
Tarcza Ochronna
Zapytaj
1 szt.
—
25
3605500082
Pokrywa Przekładni
Zapytaj
1 szt.
—
26
3605500037
Kołpak Ochronny
Zapytaj
1 szt.
—
27
3601012000
Szyna Osłaniająca
Zapytaj
1 szt.
—
28
1600502011
Pierścień Pośredni
5,29 zł
1 szt.
32
3600190007
Tarcza Mocująca
Zapytaj
1 szt.
—
33
1600206026
Pierścień Pośredni
5,29 zł
1 szt.
34
1600290016
PIERŚCIEN USZCZELNIAJĄCY
7,13 zł
1 szt.
35
1600300090
Pierścień Pośredni
11,07 zł
1 szt.
36
3606317021
Koło Zębate Czołowe
Zapytaj
1 szt.
—
37
1600910018
Tuleja Igłowa
16,85 zł
1 szt.
38
3603124011
Wał Napędowy
Zapytaj
1 szt.
—
39
3600323000
Tulejka Z Wieńcem
Zapytaj
1 szt.
—
41
2916650003
Pierścień Zabezpieczajacy
5,29 zł
1 szt.
42
1600283003
PIERŚCIEN USZCZELNIAJĄCY
13,65 zł
1 szt.
47
3603121004
Kołek Gwintowany
Zapytaj
1 szt.
—
48
3601990001
Dźwignia Wychylna
Zapytaj
1 szt.
—
55
3604651002
Sprężyna Ramieniowa
Zapytaj
1 szt.
—
56
3604431018
PRZEWÓD ŁĄCZĄCY
Zapytaj
1 szt.
—
57
3604431012
Kabel Łączący
Zapytaj
1 szt.
—
58
1604477005
Wtyczka Płaska
5,29 zł
2 szt.
61
2915011007
Nakrętka Sześciokątna
4,06 zł
2 szt.
62
2910611019
Wkręt Do Blach
9,59 zł
2 szt.
63
3603410001
Śruba Z Łbem Walcowym
Zapytaj
1 szt.
—
64
2910141203
Śr.Z Łb.Okr.O Gnieź.Sześ.
5,29 zł
2 szt.
67
2910211220
Wkręt Do Blach
Zapytaj
20 szt.
—
68
2914411403
Śruba Do Gwint. Bezwiórk.
Zapytaj
6 szt.
—
69
3600000006
Płyta Osłaniająca
Zapytaj
1 szt.
—
70
1900301010
Tuleja Spiekana
Zapytaj
1 szt.
—
71
3600703001
Wąż
Zapytaj
1 szt.
—
72
1903230007
Kula
5,29 zł
1 szt.
74
3604431013
PRZEWÓD ŁĄCZĄCY
Zapytaj
1 szt.
—
75
3604630000
Sprężyna Dociskowa
Zapytaj
1 szt.
—
78
2610364015
Klucz Imbusowy
11,07 zł
1 szt.
79
3601119077
Tabliczka Informacyjna
Zapytaj
1 szt.
—
80
3601119021
Tabliczka Naklejana
Zapytaj
1 szt.
—
81
1601110128
Tabliczka Naklejana
Zapytaj
1 szt.
—
82
1601110058
Tabliczka Informacyjna
5,29 zł
1 szt.
83
1601008004
Płyta Izolacyjna
Zapytaj
2 szt.
—
87
1600101023
Podkładka
5,29 zł
2 szt.
88
3603121003
Trzpień Ustalaj. Zatrzask
Zapytaj
1 szt.
—
90
2910211006
Wkręt Do Blach
4,06 zł
1 szt.
91
3607030320
Zbiornik Oleju
Zapytaj
1 szt.
—
92
3600301007
Tuleja Spiekana
11,07 zł
1 szt.
650
3605500038
Kołpak Ochronny
Zapytaj
1 szt.
—
745
3602317035
Szyna Prowadząca
110,33 zł
1 szt.
746
3604730003
ŁAŃCUCH
Zapytaj
1 szt.
—
800
1607014129
Zestaw Szczotek Węglowych
Zapytaj
1 szt.
—
801
2604652008
Sprężyna Spiralna
Zapytaj
1 szt.
—
804
1607200107
Przeł. Wejścia/Wyjścia
Zapytaj
1 szt.
—
805
3605108137
Kadłub Silnika
Zapytaj
1 szt.
—
821
3605190163
Skorupa Obudowy
189,30 zł
1 szt.
830
3604010039
Twornik
Zapytaj
1 szt.
—
831
3600591002
Pierścień Kier. Powietrza
Zapytaj
1 szt.
—
840
3607031199
Koło Łańcuchowe
Zapytaj
1 szt.
—
844
3603317002
Pokrywa Zbiornika
Zapytaj
1 szt.
—
853
3607031182
Urządzenie Hamujące
Zapytaj
1 szt.
—
873
3606317031
Wał Z Kołem Zębatym
Zapytaj
1 szt.
—
888
160111A3H3
Tabliczka Znamionowa
8,36 zł
1 szt.