Części
Maszyny
Kontakt
Home
Maszyny
Opalarka
Bosch
OPALARKA PHG 560 E
0603268632 -
OPALARKA Bosch PHG 560 E
100%
Poz:
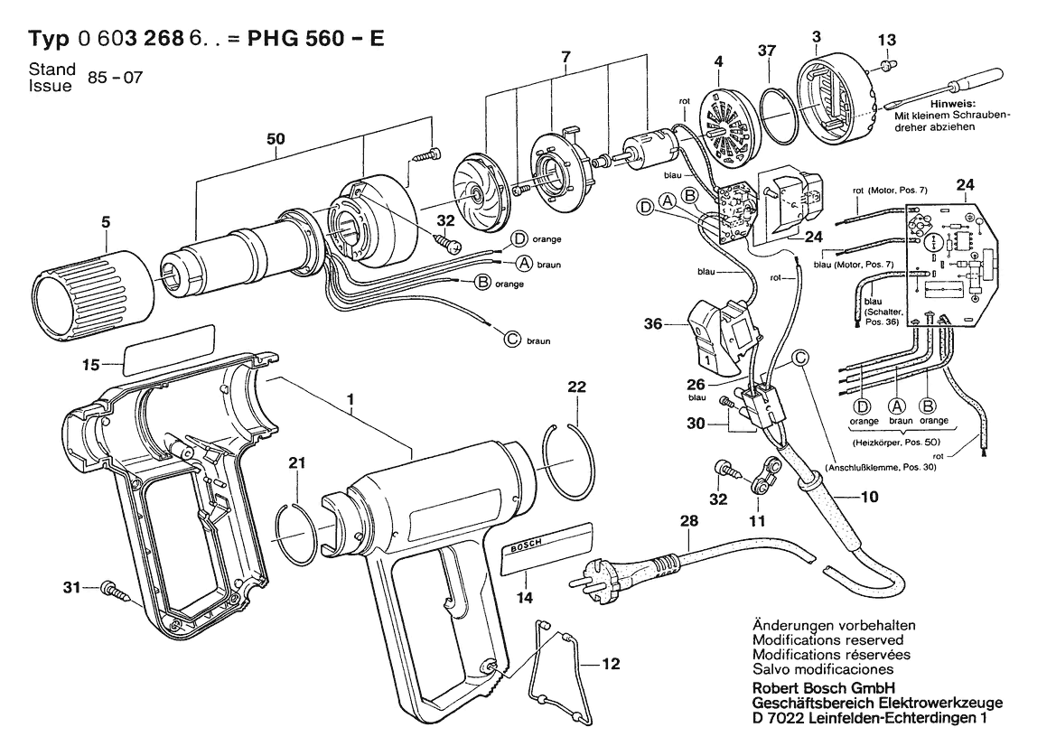
1
3
4
5
7
10
11
12
13
14
15
21
22
24
26
28
30
31
32
36
37
50
701
702
703
704
705
706
707
708
709
710
711
33 części
Sortuj
Poz.
Nr kat.
Nazwa
Cena brutto
Ilość
Zamów
1
1609201481
Kadłub Silnika
Zapytaj
1 szt.
—
3
1609201765
Pokrywa Zamykająca
Zapytaj
1 szt.
—
4
1609201483
Tarcza Ze Szczelinami
Zapytaj
1 szt.
—
5
1609201484
Rura Ochronna
31,37 zł
1 szt.
7
1609201572
Silnik Prądu Stałego
53,26 zł
1 szt.
10
1609202793
Końcówka
8,36 zł
1 szt.
11
1609201487
Zacisk Mocujący
Zapytaj
1 szt.
—
12
1609202794
Pałąk Wspierający
7,13 zł
1 szt.
13
1609201489
Zderzak Gumowy
Zapytaj
4 szt.
—
14
1601110416
Tabliczka Firmy
Zapytaj
1 szt.
—
15
1601110424
Tabliczka Znamionowa
Zapytaj
1 szt.
—
21
1609201490
Pierścień Sprężysty
7,13 zł
1 szt.
22
1609201491
Pierścień Sprężysty
Zapytaj
1 szt.
—
24
1609201724
Płytka Druk. Z Elementami
Zapytaj
1 szt.
—
26
1609201492
PRZEWÓD ŁĄCZĄCY
Zapytaj
1 szt.
—
28
1609201494
Przewód Zasil. Sieciowy
Zapytaj
1 szt.
—
30
1609390042
Zacisk Przyłączeniowy
5,29 zł
1 szt.
31
2910615507
Wkręt Do Blach
Zapytaj
4 szt.
—
32
2910614406
Wkręt Do Blach
4,06 zł
3 szt.
36
1609201728
Przeł. Wejścia/Wyjścia
Zapytaj
1 szt.
—
37
1609201723
Pierścień Zaciskowy
Zapytaj
1 szt.
—
50
1609201729
Grzejnik
Zapytaj
1 szt.
—
701
1609390450
Zestaw Części
Zapytaj
1 szt.
—
702
1609390451
DYSZA
Zapytaj
1 szt.
—
703
1609390452
Dysza
Zapytaj
1 szt.
—
704
1609390453
Dysza
Zapytaj
1 szt.
—
705
1609201648
DYSZA REDUKCYJNA
Zapytaj
1 szt.
—
706
1609201745
Ostrze
Zapytaj
1 szt.
—
707
1609201746
Ostrze
Zapytaj
1 szt.
—
708
1609201751
DYSZA KĄTOWA
Zapytaj
1 szt.
—
709
1609201752
Rura Dystansowa
Zapytaj
1 szt.
—
710
1609201795
DYSZA SZEROKOSTRUMIENIOWA
Zapytaj
1 szt.
—
711
1609201796
Dysza
Zapytaj
1 szt.
—