Części
Maszyny
Kontakt
Home
Maszyny
Opalarka
Bosch
OPALARKA PHG 500
0603268037 -
OPALARKA Bosch PHG 500
100%
Poz:
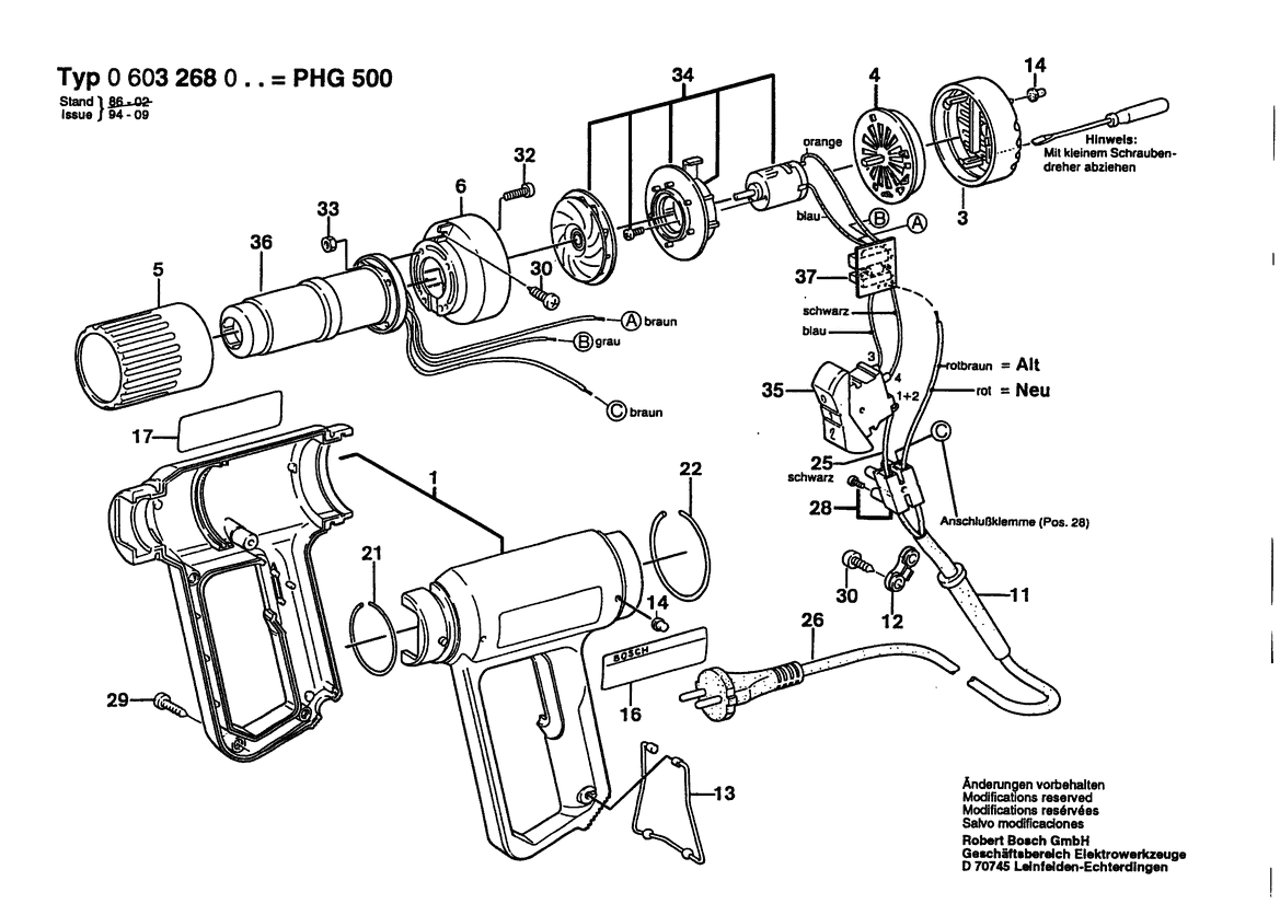
1
3
4
5
6
11
12
13
14
16
17
21
22
25
26
28
29
30
32
33
34
35
36
37
701
702
703
704
705
706
707
31 części
Sortuj
Poz.
Nr kat.
Nazwa
Cena brutto
Ilość
Zamów
1
1609201481
Kadłub Silnika
Zapytaj
1 szt.
—
3
1609201482
Pokrywa Zamykająca
Zapytaj
1 szt.
—
4
1609201483
Tarcza Ze Szczelinami
Zapytaj
1 szt.
—
5
1609201484
Rura Ochronna
36,00 zł
1 szt.
—
6
1609201485
Obudowa Wentylatora
Zapytaj
1 szt.
—
11
1609202793
Końcówka
12,00 zł
1 szt.
—
12
1609201487
Zacisk Mocujący
Zapytaj
1 szt.
—
13
1609202794
Pałąk Wspierający
11,00 zł
1 szt.
—
14
1609201489
Zderzak Gumowy
Zapytaj
8 szt.
—
16
1601110325
Tabliczka Firmy
Zapytaj
1 szt.
—
17
1601110330
Tabliczka Znamionowa
Zapytaj
1 szt.
—
21
1609201490
Pierścień Sprężysty
11,00 zł
1 szt.
—
22
1609201491
Pierścień Sprężysty
Zapytaj
1 szt.
—
25
1609201492
PRZEWÓD ŁĄCZĄCY
Zapytaj
1 szt.
—
26
1609201497
Przewód Zasil. Sieciowy
Zapytaj
1 szt.
—
28
1609390042
Zacisk Przyłączeniowy
5,29 zł
1 szt.
—
29
2910615507
Wkręt Do Blach
Zapytaj
4 szt.
—
30
2910614406
Wkręt Do Blach
8,00 zł
3 szt.
—
32
2910644052
Wkręt Soczewkowy
Zapytaj
4 szt.
—
33
2915011003
Nakrętka Sześciokątna
Zapytaj
4 szt.
—
34
1609201572
Silnik Prądu Stałego
59,00 zł
1 szt.
—
35
1609201500
Przeł. Wejścia/Wyjścia
39,00 zł
1 szt.
—
36
1609201503
Grzejnik
Zapytaj
1 szt.
—
37
1609201505
Płytka Druk. Z Elementami
Zapytaj
1 szt.
—
701
1609390450
Zestaw Części
Zapytaj
1 szt.
—
702
1609390451
DYSZA
Zapytaj
1 szt.
—
703
1609390452
Dysza
Zapytaj
1 szt.
—
704
1609390453
Dysza
Zapytaj
1 szt.
—
705
1609201648
DYSZA REDUKCYJNA
Zapytaj
1 szt.
—
706
1609201745
Ostrze
Zapytaj
1 szt.
—
707
1609201746
Ostrze
Zapytaj
1 szt.
—