Części
Maszyny
Kontakt
Home
Maszyny
Odkurzacz
Bosch
ODKURZACZ UNIWERSALNY PAS 1000
0603269278 -
ODKURZACZ UNIWERSALNY Bosch PAS 1000
100%
Poz:
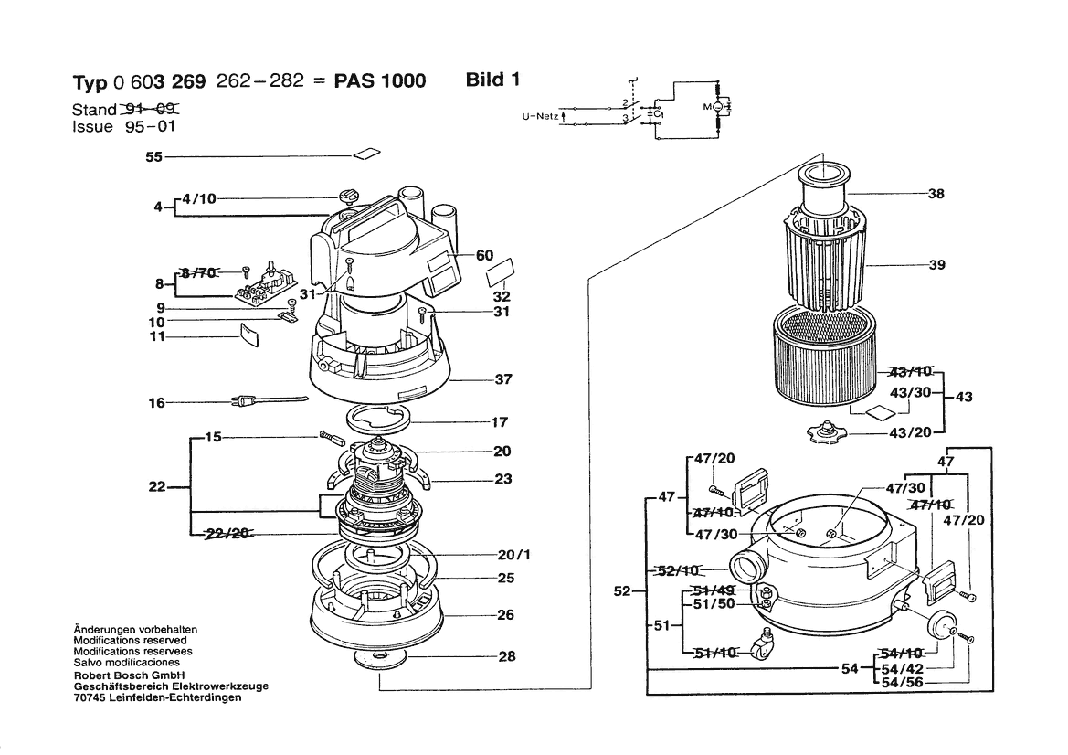
4
8
9
10
11
15
16
17
20
22
23
25
26
28
31
32
37
38
39
43
47
51
52
54
60
20/1
4/10
669
703
704
705
750
752
753
754
755
756
759
761
762
764
780
782
783
784
786
787
788
43/20
43/30
47/20
47/30
51/50
54/42
54/56
750/1
705/20
754/10
754/20
754/30
759/20
784/10
784/20
63 części
Sortuj
Poz.
Nr kat.
Nazwa
Cena brutto
Ilość
Zamów
4
1609202372
Pokrywa
Zapytaj
1 szt.
—
8
1609201712
Przeł. Wejścia/Wyjścia
Zapytaj
1 szt.
—
9
2910211208
Wkręt Do Blach
Zapytaj
2 szt.
—
10
1609201659
Obejma Zaciskowa
Zapytaj
1 szt.
—
11
1601110696
Tabliczka Znamionowa
Zapytaj
1 szt.
—
15
1609201699
Zestaw Szczotek Węglowych
Zapytaj
1 szt.
—
16
1609202196
Przewód Zasil. Sieciowy
Zapytaj
1 szt.
—
17
1609201666
Pierścień Kier. Powietrza
Zapytaj
1 szt.
—
20
1609201669
Pierścień Uszczelniający
22,00 zł
1 szt.
—
22
1609202370
Dmuchawa Ssąca
Zapytaj
1 szt.
—
23
1609201672
Filtr Powietrza
Zapytaj
1 szt.
—
25
1609201674
Filtr Powietrza
Zapytaj
1 szt.
—
26
1609202375
Kołnierz Pośredni
Zapytaj
1 szt.
—
28
1609202377
Filtr Powietrza
Zapytaj
1 szt.
—
31
2910611015
Wkręt Do Blach
9,00 zł
11 szt.
—
32
1601110774
Tabliczka Firmy
Zapytaj
1 szt.
—
37
1609201715
Obudowa Pośrednia
Zapytaj
1 szt.
—
38
1609200952
Pływak
Zapytaj
1 szt.
—
39
1609201684
SMOK
Zapytaj
1 szt.
—
43
1609201636
Filtr Powietrza
Zapytaj
1 szt.
—
47
1609201690
ZACISK
Zapytaj
2 szt.
—
51
1609201691
Koło Wirnikowe
Zapytaj
1 szt.
—
52
1609201692
Pojemnik Na Kurz
Zapytaj
1 szt.
—
54
1609202221
Koło Wirnikowe
Zapytaj
2 szt.
—
60
1601110831
Tabliczka Informacyjna
Zapytaj
1 szt.
—
20/1
1609202374
Pierścień Uszczelniający
Zapytaj
1 szt.
—
4/10
1609202373
Przycisk
Zapytaj
1 szt.
—
669
1609202444
Pas Trzymający
Zapytaj
1 szt.
—
703
1609201628
Worek Papierowy
Zapytaj
1 szt.
—
704
2607432010
Separator Pyłu
Zapytaj
1 szt.
—
705
1609201627
Jarzmo Prowadzące
Zapytaj
1 szt.
—
750
2607000163
Dętka
Zapytaj
1 szt.
—
752
2607000162
Rura Ssąca
Zapytaj
1 szt.
—
753
2607000170
Zwężka Venturiego
Zapytaj
1 szt.
—
754
1609390478
Zwężka Venturiego
Zapytaj
1 szt.
—
755
2607000165
DYSZA DO FUG
Zapytaj
1 szt.
—
756
1609201229
Zwężka Venturiego
Zapytaj
1 szt.
—
759
2607000166
Zwężka Venturiego
Zapytaj
1 szt.
—
761
1609390481
SZCZOTKA
Zapytaj
1 szt.
—
762
2607000168
Zwężka Venturiego
Zapytaj
1 szt.
—
764
1600499005
Króciec Przyłączeniowy
Zapytaj
1 szt.
—
780
2607000167
Dętka
Zapytaj
1 szt.
—
782
1609200968
RURA SSAWNA
Zapytaj
2 szt.
—
783
2607000169
Zwężka Venturiego
Zapytaj
1 szt.
—
784
1609200970
Zwężka Venturiego
Zapytaj
1 szt.
—
786
1609200971
DYSZA DO FUG
Zapytaj
1 szt.
—
787
1609200976
Rura Ssąca
Zapytaj
1 szt.
—
788
1609201235
Zwężka Venturiego
Zapytaj
1 szt.
—
43/20
1609202200
Chwyt Gwiazdowy
Zapytaj
1 szt.
—
43/30
1601110830
Tabliczka Informacyjna
12,00 zł
1 szt.
—
47/20
2910021193
Śruba Z Łbem Walcowym
8,00 zł
4 szt.
—
47/30
2915011007
Nakrętka Sześciokątna
8,00 zł
4 szt.
—
51/50
2915011009
Nakrętka Sześciokątna
12,00 zł
1 szt.
—
54/42
1609202726
Podkładka
9,00 zł
2 szt.
—
54/56
2910611027
Wkręt Do Blach
Zapytaj
2 szt.
—
750/1
1609202230
Dętka
Zapytaj
1 szt.
—
705/20
1609201661
Zestaw Części
Zapytaj
1 szt.
—
754/10
1609390493
SZCZOTKA
84,00 zł
1 szt.
—
754/20
1609390494
SZCZOTKA
44,00 zł
1 szt.
—
754/30
1609390495
Szczotka Paskowa
59,00 zł
1 szt.
—
759/20
1609202534
ZESP. SZCZOTEK
13,00 zł
1 szt.
—
784/10
1609201109
SZCZOTKA
Zapytaj
1 szt.
—
784/20
1609201110
SZCZOTKA
Zapytaj
1 szt.
—