Części
Maszyny
Kontakt
Home
Maszyny
Odkurzacz
Bosch
ODKURZACZ UNIWERSALNY 3931A
0601989161 -
ODKURZACZ UNIWERSALNY Bosch 3931A
100%
Poz:
3
4
5
6
7
8
10
11
15
16
17
19
20
21
22
23
26
27
28
29
30
31
32
33
34
35
36
37
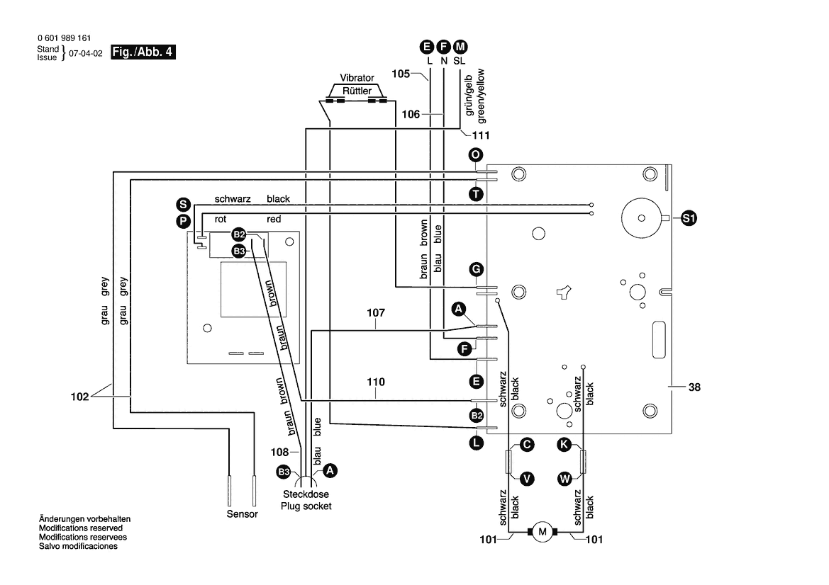
38
39
40
43
45
46
48
49
51
54
55
56
57
58
60
66
68
74
75
80
82
83
85
87
88
89
90
91
92
10/1
101
102
105
106
107
108
110
111
3/01
673
801
809
812
824
850
881
890
895
22/01
38/01
890/2
79 części
Sortuj
Poz.
Nr kat.
Nazwa
Cena brutto
Ilość
Zamów
3
1600A000SE
Kadłub Silnika
261,00 zł
1 szt.
—
4
1609203K54
ZAMKNIĘCIE RYGLOWE
49,00 zł
1 szt.
—
5
1609203C27
null
17,00 zł
1 szt.
—
6
1609203C28
Sprężyna Płytkowa
12,00 zł
1 szt.
—
7
1609203C29
Mata Dźwiękochłonna
36,00 zł
1 szt.
—
8
1609203K55
Mata Dźwiękochłonna
66,00 zł
1 szt.
—
10
1609203C32
Sznur Uszczelniający
34,00 zł
3 szt.
—
11
1609203C34
Filtr Powietrza
13,00 zł
2 szt.
—
15
1609201669
Pierścień Uszczelniający
22,00 zł
1 szt.
—
16
1609203K57
Dmuchawa Ssąca
1481,00 zł
1 szt.
—
17
1609203B13
Pierścień Uszczelniający
25,00 zł
1 szt.
—
19
1600A000RW
PODPORA
25,00 zł
1 szt.
—
20
2910611015
Wkręt Do Blach
9,00 zł
3 szt.
—
21
1600A000SD
Obudowa Pośrednia
153,00 zł
1 szt.
—
22
1609203K59
Pokrywa
261,00 zł
1 szt.
—
23
1609203K60
Uchwyt
68,63 zł
1 szt.
—
26
1609203C46
Element Dociskowy
8,00 zł
4 szt.
—
27
1609201685
Sprężyna Dociskowa
12,00 zł
5 szt.
—
28
1609201663
Uszczelka
11,00 zł
2 szt.
—
29
1609203K62
WIBRATOR DO ZABUDOWY
382,53 zł
2 szt.
—
30
1609203C48
Blacha Trzymająca
11,00 zł
2 szt.
—
31
1609203C49
Obejma Kontaktowa
11,00 zł
2 szt.
—
32
1609203C50
Zacisk Przyłączeniowy
12,00 zł
1 szt.
—
33
1609203C51
DOCISKACZ
8,00 zł
4 szt.
—
34
1609203C52
Sprężyna Kontaktowa
8,00 zł
1 szt.
—
35
1609203U92
Przewód Zasil. Sieciowy
Zapytaj
1 szt.
—
36
1609203C54
Uchwyt Przewodu
9,00 zł
1 szt.
—
37
1609203U93
Zaślepka Czołowa
Zapytaj
1 szt.
—
38
1609203U94
Płytka Druk. Z Elementami
Zapytaj
1 szt.
—
39
1609203W42
Oś
11,00 zł
1 szt.
—
40
1609203C58
Przycisk
17,00 zł
1 szt.
—
43
1609203V00
Nośnik Podziałki
Zapytaj
1 szt.
—
45
1609203C62
Sprężyna Łącząca
9,00 zł
2 szt.
—
46
1609203K66
Gniazdo
198,00 zł
1 szt.
—
48
1609203C65
Wąż Z Tworzywa Sztucznego
12,00 zł
1 szt.
—
49
1609203C66
Pierścień Uszczelniający
22,00 zł
2 szt.
—
51
1601118M66
Tabliczka Znamionowa
Zapytaj
1 szt.
—
54
1609203C70
Sworzeń Lożyska
12,00 zł
2 szt.
—
55
1609203C71
ZATYCZKA
12,00 zł
1 szt.
—
56
1609203C72
EL. ZAMYKAJĄCY
13,00 zł
1 szt.
—
57
1609203C73
SPRĘŻYNA
39,00 zł
1 szt.
—
58
1609203C74
Wspornik
9,00 zł
2 szt.
—
60
1609203C76
Opaska kablowa
8,00 zł
3 szt.
—
66
1609203L60
Zestaw Szczotek Węglowych
178,00 zł
1 szt.
—
68
1601118C61
TABLICZKA OSTRZEGAWCZA
15,00 zł
1 szt.
—
74
1609203U96
Zaślepka
Zapytaj
2 szt.
—
75
1609203U97
Krążek Kierujący
54,00 zł
2 szt.
—
80
1609203C88
Pojemnik Na Kurz
651,00 zł
1 szt.
—
82
1609203C90
Oś
43,91 zł
1 szt.
—
83
1609203U98
Koło Wirnikowe
Zapytaj
2 szt.
—
85
1609202726
Podkładka
9,00 zł
3 szt.
—
87
1609203C93
Pałąk
214,00 zł
1 szt.
—
88
1609203C94
Podkł. Sprężysta Zabezp.
25,00 zł
2 szt.
—
89
1609203C87
Wąż
105,00 zł
1 szt.
—
90
1609203D00
Korek
49,00 zł
1 szt.
—
91
1609203D01
Opaska kablowa
9,00 zł
1 szt.
—
92
1609203E24
Płyta Dociskowa
18,08 zł
2 szt.
—
10/1
1609203C33
Sznur Uszczelniający
39,00 zł
1 szt.
—
101
1609203K70
PRZEWÓD ŁĄCZĄCY
25,00 zł
2 szt.
—
102
1609203C96
PRZEWÓD ŁĄCZĄCY
12,00 zł
2 szt.
—
105
1609203C97
PRZEWÓD ŁĄCZĄCY
13,00 zł
1 szt.
—
106
1609203C98
PRZEWÓD ŁĄCZĄCY
13,00 zł
1 szt.
—
107
1609203W24
PRZEWÓD ŁĄCZĄCY
Zapytaj
1 szt.
—
108
1609203W25
PRZEWÓD ŁĄCZĄCY
Zapytaj
1 szt.
—
110
1609203V67
PRZEWÓD ŁĄCZĄCY
Zapytaj
1 szt.
—
111
1609203V66
PRZEWÓD ŁĄCZĄCY
Zapytaj
1 szt.
—
3/01
1601118M65
TABLICZKA OSTRZEGAWCZA
Zapytaj
1 szt.
—
673
1609203N74
WOREK NA PYŁ
178,00 zł
1 szt.
—
801
1609203K72
Kołnierz Pośredni
461,25 zł
1 szt.
—
809
1609203M84
Elektroda
31,00 zł
1 szt.
—
812
1609203K73
WTYK
25,00 zł
1 szt.
—
824
1609203K74
Zestyk Gniazdowy
29,27 zł
1 szt.
—
850
1609203C78
Filtr Powietrza
316,00 zł
2 szt.
—
881
1609203L96
ZACISK
59,00 zł
2 szt.
—
890
1600A000VY
Dętka
387,00 zł
1 szt.
—
895
1600A000W0
Króciec Przyłączeniowy
117,00 zł
1 szt.
—
22/01
1601118F25
TABLICZKA OSTRZEGAWCZA
29,27 zł
1 szt.
—
38/01
1609203U95
PŁYTKA ELEKTRONICZNA
Zapytaj
1 szt.
—
890/2
1609203V36
Króciec Przyłączeniowy
92,00 zł
1 szt.
—