Części
Maszyny
Kontakt
Home
Maszyny
Nożyce
Bosch
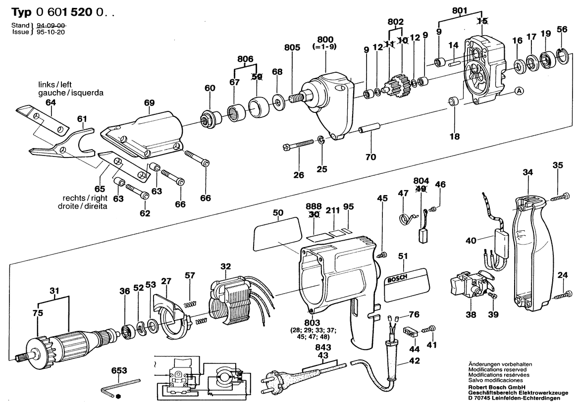
0601520034 0601520034
0601520034 Bosch 0601520034
100%
1/3
Poz:
9
12
14
16
17
18
19
24
26
27
31
32
34
35
36
38
39
41
42
43
44
45
46
47
50
51
52
53
56
57
60
61
62
63
64
65
66
67
68
69
70
75
653
800
801
802
803
804
805
806
888
51 części
Sortuj
Poz.
Nazwa / Nr kat.
Cena brutto
Ilość
Zamów
9
Łożysko Igiełkowe
2600914010
13,00 zł
3 szt.
12
Podkładka Regulacyjna
2600100607
9,00 zł
2 szt.
14
Rolka Igłowa
1903201042
11,00 zł
1 szt.
16
Pierścień Filcowy
2600108000
Zapytaj
1 szt.
—
17
Podkładka
2600500030
Zapytaj
1 szt.
—
18
Tulejka Uszczelniająca
2600300049
Zapytaj
1 szt.
—
19
Łożysko Kulkowe
1900905029
74,00 zł
1 szt.
24
Wkręt Do Blach
2910211021
9,00 zł
2 szt.
26
Śruba Kombi
2914501027
Zapytaj
3 szt.
—
27
Pierścień Zakrywający
2601328041
Zapytaj
1 szt.
—
31
Twornik Z Wentylatorem
2604010536
Zapytaj
1 szt.
—
32
Stojan
2604222295
Zapytaj
1 szt.
—
34
Pokrywa Obudowy
2605132017
Zapytaj
1 szt.
—
35
Wkręt Do Blach
2910211220
Zapytaj
1 szt.
—
36
Łożysko Kulkowe
1900905018
66,00 zł
1 szt.
38
Przeł. Wejścia/Wyjścia
2607200006
Zapytaj
1 szt.
—
39
Śruba Z Łbem Walcowym
2603410023
Zapytaj
4 szt.
—
41
Wkręt Do Blach
2910211011
8,00 zł
2 szt.
42
Końcówka
2600703013
12,00 zł
1 szt.
43
Przewód Zasil. Sieciowy
1614460010
Zapytaj
1 szt.
—
44
Uchwyt Przewodu
2601035001
9,00 zł
1 szt.
45
Wkręt Do Blach
2603435016
Zapytaj
2 szt.
—
46
Śruba Kombi
2914501011
8,00 zł
2 szt.
47
Sprężyna Spiralna
2604652002
Zapytaj
2 szt.
—
50
Tabliczka Naklejana
3601110123
Zapytaj
1 szt.
—
51
Tabliczka Naklejana
3601110067
Zapytaj
1 szt.
—
52
Podkładka Regulacyjna
2600150004
11,00 zł
1 szt.
53
Podkładka Regulacyjna
2600101020
9,00 zł
1 szt.
56
Pierścień Zabezpieczajacy
2600119000
9,00 zł
1 szt.
57
Sprężyna Dociskowa
2604611026
Zapytaj
2 szt.
—
60
Tuleja Mimośrodowa
2602210005
74,00 zł
1 szt.
61
NÓŻ DOLNY
2608635093
387,00 zł
1 szt.
62
Śr.Z Łb.Okr.O Gnieź.Sześ.
2603414044
Zapytaj
1 szt.
—
63
Tuleja Łożyskowa
2600300072
Zapytaj
2 szt.
—
64
NÓŻ GÓRNY
2608635094
Zapytaj
1 szt.
—
65
NÓŻ GÓRNY
2608635095
214,00 zł
1 szt.
66
Śr.Z Łb.Okr.O Gnieź.Sześ.
2910141166
9,00 zł
2 szt.
67
Tuleja Igłowa
2600914018
34,00 zł
1 szt.
68
Podkładka Regulacyjna
2600101672
Zapytaj
1 szt.
—
69
Obudowa Przekładni
2605806348
Zapytaj
1 szt.
—
70
Panewka Centrująca
2600409013
Zapytaj
3 szt.
—
75
Wentylator
2606610021
Zapytaj
1 szt.
—
653
Śrubokręt Przegubowy
2607950004
9,00 zł
1 szt.
800
Obudowa Przekładni
2605806967
Zapytaj
1 szt.
—
801
Kołnierz Pośredni
2605700927
Zapytaj
1 szt.
—
802
Wał Zębaty
2606311902
Zapytaj
1 szt.
—
803
Kadłub Silnika
2605104960
Zapytaj
1 szt.
—
804
Zestaw Szczotek Węglowych
2604320902
Zapytaj
1 szt.
—
805
WRZECIONO WIERTARSKIE
2603123010
Zapytaj
1 szt.
—
806
Tuleja Łożyskowa
2600290901
Zapytaj
1 szt.
—
888
Tabliczka Znamionowa
160111A3H3
12,00 zł
1 szt.