Części
Maszyny
Kontakt
Home
Maszyny
Nożyce
Bosch
NOŻYCE 1520
0601520041 -
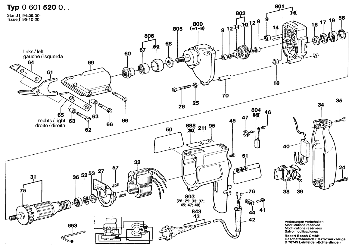
NOŻYCE Bosch 1520
100%
Poz:
9
12
14
16
17
18
19
24
26
27
31
32
34
35
36
38
39
40
41
42
43
44
45
46
47
50
51
52
53
56
57
60
61
62
63
64
65
66
67
68
69
70
75
653
800
801
802
803
804
805
806
888
52 części
Sortuj
Poz.
Nr kat.
Nazwa
Cena brutto
Ilość
Zamów
9
2600914010
Łożysko Igiełkowe
13,00 zł
3 szt.
—
12
2600100607
Podkładka Regulacyjna
9,00 zł
2 szt.
—
14
1903201042
Rolka Igłowa
11,00 zł
1 szt.
—
16
2600108000
Pierścień Filcowy
Zapytaj
1 szt.
—
17
2600500030
Podkładka
Zapytaj
1 szt.
—
18
2600300049
Tulejka Uszczelniająca
Zapytaj
1 szt.
—
19
1900905029
Łożysko Kulkowe
74,00 zł
1 szt.
—
24
2910211021
Wkręt Do Blach
9,00 zł
2 szt.
—
26
2914501027
Śruba Kombi
Zapytaj
3 szt.
—
27
2601328041
Pierścień Zakrywający
Zapytaj
1 szt.
—
31
2604010536
Twornik Z Wentylatorem
Zapytaj
1 szt.
—
32
2604222295
Stojan
Zapytaj
1 szt.
—
34
2605132017
Pokrywa Obudowy
Zapytaj
1 szt.
—
35
2910211220
Wkręt Do Blach
Zapytaj
1 szt.
—
36
1900905018
Łożysko Kulkowe
66,00 zł
1 szt.
—
38
2607200043
Przeł. Wejścia/Wyjścia
Zapytaj
1 szt.
—
39
2603410023
Śruba Z Łbem Walcowym
Zapytaj
4 szt.
—
40
2607329051
Filtr Przeciwzakłóceniowy
Zapytaj
1 szt.
—
41
2910211011
Wkręt Do Blach
8,00 zł
2 szt.
—
42
2600703012
Końcówka
13,00 zł
1 szt.
—
43
3604460069
Przewód Zasil. Sieciowy
117,00 zł
1 szt.
—
44
2601035001
Uchwyt Przewodu
9,00 zł
1 szt.
—
45
2603435016
Wkręt Do Blach
Zapytaj
2 szt.
—
46
2914501011
Śruba Kombi
8,00 zł
2 szt.
—
47
2604652002
Sprężyna Spiralna
Zapytaj
2 szt.
—
50
3601110066
Tabliczka Naklejana
Zapytaj
1 szt.
—
51
3601110067
Tabliczka Naklejana
Zapytaj
1 szt.
—
52
2600150004
Podkładka Regulacyjna
11,00 zł
1 szt.
—
53
2600101020
Podkładka Regulacyjna
9,00 zł
1 szt.
—
56
2600119000
Pierścień Zabezpieczajacy
9,00 zł
1 szt.
—
57
2604611026
Sprężyna Dociskowa
Zapytaj
2 szt.
—
60
2602210005
Tuleja Mimośrodowa
74,00 zł
1 szt.
—
61
2608635093
NÓŻ DOLNY
387,00 zł
1 szt.
—
62
2603414044
Śr.Z Łb.Okr.O Gnieź.Sześ.
Zapytaj
1 szt.
—
63
2600300072
Tuleja Łożyskowa
Zapytaj
2 szt.
—
64
2608635094
NÓŻ GÓRNY
Zapytaj
1 szt.
—
65
2608635095
NÓŻ GÓRNY
214,00 zł
1 szt.
—
66
2910141166
Śr.Z Łb.Okr.O Gnieź.Sześ.
9,00 zł
2 szt.
—
67
2600914018
Tuleja Igłowa
34,00 zł
1 szt.
—
68
2600101672
Podkładka Regulacyjna
Zapytaj
1 szt.
—
69
2605806348
Obudowa Przekładni
Zapytaj
1 szt.
—
70
2600409013
Panewka Centrująca
Zapytaj
3 szt.
—
75
2606610021
Wentylator
Zapytaj
1 szt.
—
653
2607950004
Śrubokręt Przegubowy
9,00 zł
1 szt.
—
800
2605806967
Obudowa Przekładni
Zapytaj
1 szt.
—
801
2605700927
Kołnierz Pośredni
Zapytaj
1 szt.
—
802
2606311902
Wał Zębaty
Zapytaj
1 szt.
—
803
2605104960
Kadłub Silnika
Zapytaj
1 szt.
—
804
2604320902
Zestaw Szczotek Węglowych
Zapytaj
1 szt.
—
805
2603123010
WRZECIONO WIERTARSKIE
Zapytaj
1 szt.
—
806
2600290901
Tuleja Łożyskowa
Zapytaj
1 szt.
—
888
160111A3H3
Tabliczka Znamionowa
12,00 zł
1 szt.
—