Części
Maszyny
Kontakt
Home
Maszyny
Nożyce do blachy
DeWalt
Nożyce do blachy
ST152E-Type-3 -
Nożyce do blachy DeWalt
100%
Poz:
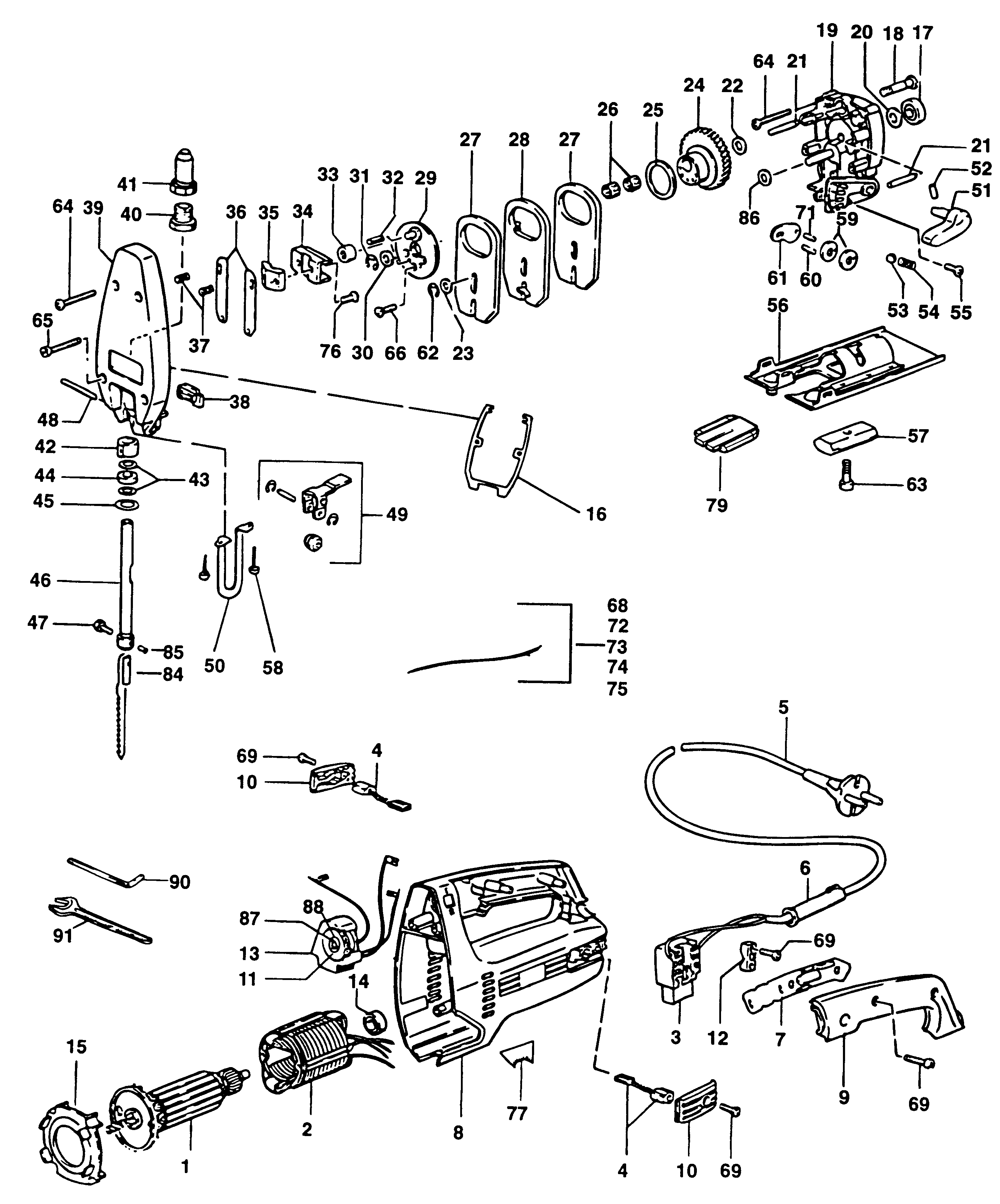
1
1
2
2
2
3
4
5
5
5
6
7
8
9
10
11
12
13
13
14
15
16
17
18
19
20
21
22
23
24
25
26
27
28
29
30
31
32
33
34
35
36
37
38
39
40
41
42
43
44
45
47
48
49
50
51
52
53
54
56
57
58
59
60
61
62
63
64
65
66
68
69
71
72
73
75
76
77
79
84
85
86
87
88
90
91
800
87 części
Sortuj
Poz.
Nr kat.
Nazwa
Cena brutto
Ilość
Zamów
1
943537-01
Fso Armature 220V
Zapytaj
1 szt.
—
1
943537-00
Twornik 115V
Zapytaj
1 szt.
—
2
943536-00
Pole
Zapytaj
1 szt.
—
2
943536-01
Pole
Zapytaj
1 szt.
—
2
943536-02
Pole
Zapytaj
1 szt.
—
3
249031-00
Wyłącznik
Zapytaj
1 szt.
—
4
140105703
BRUSH & HOLDER 115V
Zapytaj
1 szt.
—
5
152101920
Przewód - Podzespół
Zapytaj
1 szt.
—
5
378990
Przewód Zasilający
Zapytaj
1 szt.
—
5
325612-04
Cordset (M/Plug)
Zapytaj
1 szt.
—
6
868520-00
Osłona Przewodu
7,00 zł
1 szt.
—
7
152121904
Kondensator
Zapytaj
1 szt.
—
8
941076-05
Skrzynka Pola
Zapytaj
1 szt.
—
9
249023-00
Pokrywa
Zapytaj
1 szt.
—
10
249024-00
Pokrywa Szczotki
Zapytaj
1 szt.
—
11
249071-00
Gałka
Zapytaj
1 szt.
—
12
379684
Zacisk Przewodu
Zapytaj
1 szt.
—
13
152167500
Electronic 220V
Zapytaj
1 szt.
—
13
152167501
Electronic 115V
Zapytaj
1 szt.
—
14
141830000
Łożysko
34,00 zł
1 szt.
—
15
941062-00
Baffle Fan
Zapytaj
1 szt.
—
16
941058-00
Uszczelka
Zapytaj
1 szt.
—
17
142830000
Łożysko
Zapytaj
1 szt.
—
18
142152401
Śruba
Zapytaj
1 szt.
—
19
247945-05
Fso Gear Case Sa
Zapytaj
1 szt.
—
20
142970604
Podkładka Nylonowa
Zapytaj
1 szt.
—
21
072810100
Kołek
Zapytaj
1 szt.
—
22
142930193
Podkładka
Zapytaj
1 szt.
—
23
142930194
Podkładka
Zapytaj
1 szt.
—
24
940942-00
Fso Gear Ecc.
Zapytaj
1 szt.
—
25
142930196
Podkładka
Zapytaj
1 szt.
—
26
142980032
Pierścień
Zapytaj
1 szt.
—
27
940943-00
Przeciwwaga
Zapytaj
1 szt.
—
28
940944-00
Przeciwwaga
Zapytaj
1 szt.
—
29
142153301
Mimośród
Zapytaj
1 szt.
—
30
247651-00
Podkładka
Zapytaj
1 szt.
—
31
120820700
Pierścień Sprężynujący
Zapytaj
1 szt.
—
32
142810200
Kołek Okrągły
Zapytaj
1 szt.
—
33
142980033
Fso Bearing,Needle
Zapytaj
1 szt.
—
34
142151400
Jarzmo
Zapytaj
1 szt.
—
35
142154400
Zacisk
Zapytaj
1 szt.
—
36
142154200
Osłona
Zapytaj
1 szt.
—
37
152934042
Sprężyna
Zapytaj
1 szt.
—
38
142153600
Płyta
Zapytaj
1 szt.
—
39
247944-00
Fso Cover Sa
Zapytaj
1 szt.
—
40
152151400
Łożysko Brass Bush
Zapytaj
1 szt.
—
41
940956-00
Nakrętka
Zapytaj
1 szt.
—
42
142152300
Panew
Zapytaj
1 szt.
—
43
142930191
Podkładka Mała
Zapytaj
1 szt.
—
44
142152801
Podkładka Filcowa
Zapytaj
1 szt.
—
45
142930192
Duża Podkładka
Zapytaj
1 szt.
—
47
142910706
Śruba
Zapytaj
1 szt.
—
48
018810000
Kołek
7,00 zł
1 szt.
—
49
247439-50
Fso Guide Sa
Zapytaj
1 szt.
—
50
940961-00
Ochraniacz
Zapytaj
1 szt.
—
51
940955-05
Dźwignia
Zapytaj
1 szt.
—
52
142810400
Kołek Śrubowy
Zapytaj
1 szt.
—
53
013831000
Ball 6Mm
Zapytaj
1 szt.
—
54
142934024
Sprężyna
Zapytaj
1 szt.
—
56
941053-00
Fso Shoe
Zapytaj
1 szt.
—
57
142116300
Płyta
Zapytaj
1 szt.
—
58
247129-05
Śruba
Zapytaj
1 szt.
—
59
142153302
Podkładka
Zapytaj
1 szt.
—
60
142810104
Kołek
Zapytaj
1 szt.
—
61
142153800
Dźwignia
Zapytaj
1 szt.
—
62
860322-00
Pierścień Sprężynujący
7,00 zł
1 szt.
—
63
249408-11
Śruba
Zapytaj
1 szt.
—
64
949896-11
Śruba
7,00 zł
1 szt.
—
65
249424-08
Śruba
Zapytaj
1 szt.
—
66
720685-00
Screw.Temp
Zapytaj
1 szt.
—
68
140164501
Lead 140Mm Red
Zapytaj
1 szt.
—
69
249416-06
Śruba
Zapytaj
1 szt.
—
71
048810106
Kołek
Zapytaj
1 szt.
—
72
152164514
Lead 130Mm Blue
Zapytaj
1 szt.
—
73
152164515
Lead 125Mm Yellow
Zapytaj
1 szt.
—
75
152164512
Lead 120Mm Green
Zapytaj
1 szt.
—
76
860205-04
Śruba
7,00 zł
1 szt.
—
77
249282-00
Podziałka
Zapytaj
1 szt.
—
79
249070-00
Insert Pvc
Zapytaj
1 szt.
—
84
142151401
Osłona
Zapytaj
1 szt.
—
85
142815100
Nit
Zapytaj
1 szt.
—
86
247650-00
Podkładka
Zapytaj
1 szt.
—
87
248936-00
Nit
Zapytaj
1 szt.
—
88
248937-00
Podkładka
Zapytaj
1 szt.
—
90
930574-00
Klucz Imbusowy 5 Mm
7,00 zł
1 szt.
—
91
868148-00
Klucz
16,00 zł
1 szt.
—
800
249634-00
Smar 40 Gms
Zapytaj
1 szt.
—