Części
Maszyny
Kontakt
Home
Maszyny
Nożyce do blachy
DeWalt
Nożyce do blachy
ST72K-Type-2 -
Nożyce do blachy DeWalt
100%
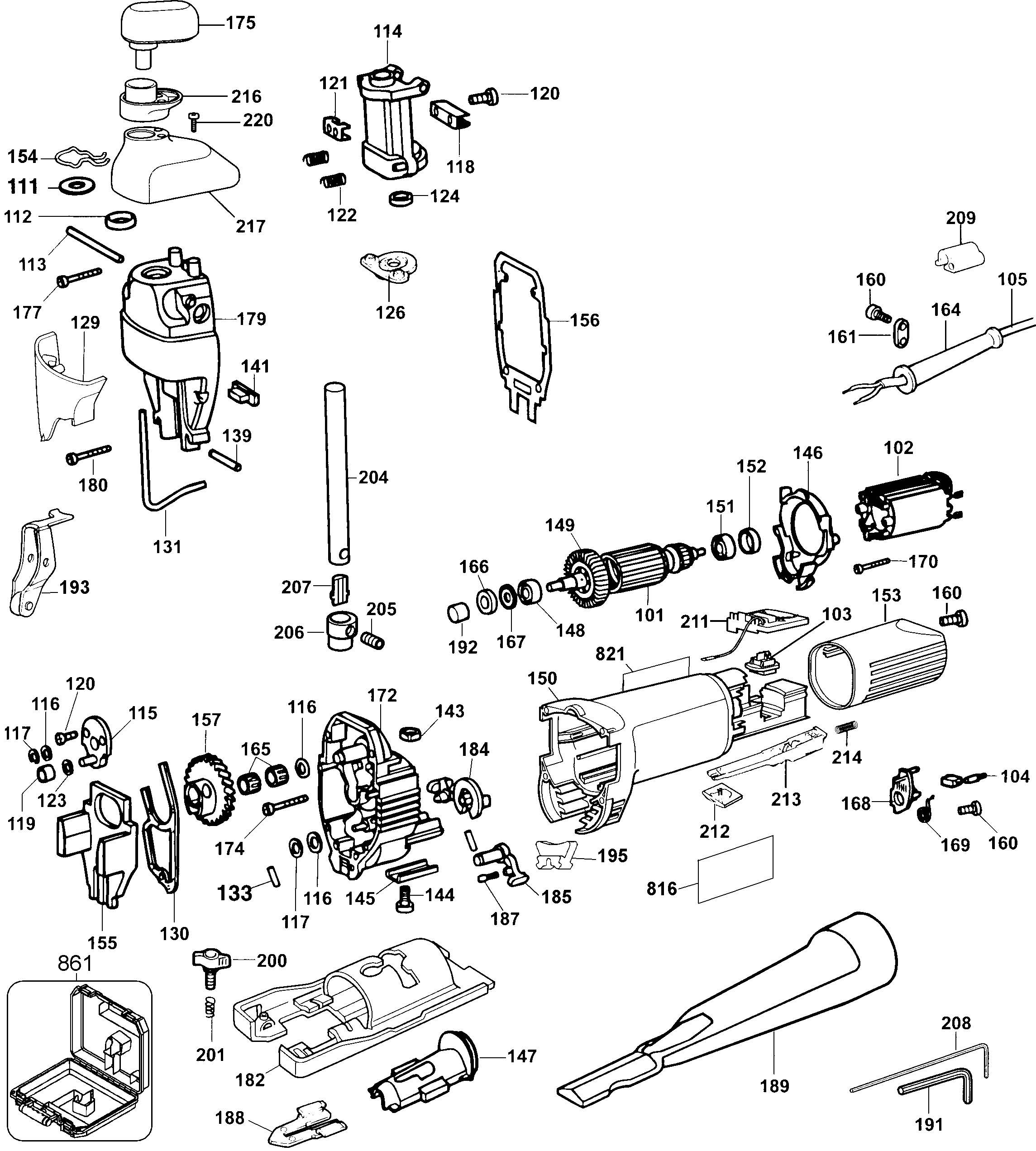
Poz:
25
27
39
101
102
103
104
105
111
112
113
114
115
116
117
118
119
120
121
122
123
124
126
129
130
131
133
139
141
143
144
145
146
146
147
148
149
150
151
152
154
155
156
157
160
161
164
165
165
166
167
168
169
170
172
174
177
179
180
182
184
184
185
187
188
189
191
192
193
195
200
201
204
205
206
207
208
209
211
212
213
214
216
217
220
816
821
87 części
Sortuj
Poz.
Nr kat.
Nazwa
Cena brutto
Ilość
Zamów
25
393455-01
Kit Box
Zapytaj
1 szt.
—
27
402054-00
Zakończenie
Zapytaj
1 szt.
—
39
402130-00
Gałka
Zapytaj
1 szt.
—
101
387658-01
Twornik 230V
Zapytaj
1 szt.
—
102
N347359
Pole
Zapytaj
1 szt.
—
103
402434-00
Wyłącznik - Podzespół
Zapytaj
1 szt.
—
104
939539-01
Odcięcie Szczotki
16,00 zł
1 szt.
—
105
330080-39
Cordset (Euro)
Zapytaj
1 szt.
—
111
949876-21
Podkładka
Zapytaj
1 szt.
—
112
402154-00
Klocek Do Szlifowania
Zapytaj
1 szt.
—
113
402105-00
Kołek
Zapytaj
1 szt.
—
114
402153-00
Podpora
Zapytaj
1 szt.
—
115
402161-00SV
Mimośród - Podzespół
Zapytaj
1 szt.
—
116
932302-00
Podkładka
7,00 zł
1 szt.
—
117
949728-04
Pierścień Sprężynujący
Zapytaj
1 szt.
—
118
402118-00
Jarzmo
Zapytaj
1 szt.
—
119
402155-00
Panew
Zapytaj
1 szt.
—
120
603215-00
Screw.Special
Zapytaj
1 szt.
—
121
399146-00
Zacisk
Zapytaj
1 szt.
—
122
933524-00
Sprężyna
Zapytaj
1 szt.
—
123
949876-20
Podkładka
Zapytaj
1 szt.
—
124
949400-00
Filc
Zapytaj
1 szt.
—
126
402177-00
Uszczelniacz - Podzespół
Zapytaj
1 szt.
—
129
389599-00
Osłona
Zapytaj
1 szt.
—
130
402097-00
Krzywka
Zapytaj
1 szt.
—
131
402116-00
Osłona
Zapytaj
1 szt.
—
133
330041-08
Kołek
Zapytaj
1 szt.
—
139
330041-29
Kołek
7,00 zł
1 szt.
—
141
402151-00
Klocek Do Szlifowania
Zapytaj
1 szt.
—
143
860310-00
Nakrętka
Zapytaj
1 szt.
—
144
390908-00
Śruba
Zapytaj
1 szt.
—
145
402652-00
Płyta
Zapytaj
1 szt.
—
146
388968-01
Przegroda
Zapytaj
1 szt.
—
146
429909-00
Zestaw Naprawczy
Zapytaj
1 szt.
—
147
402176-00
Złączka
Zapytaj
1 szt.
—
148
330003-59
Łożysko
Zapytaj
1 szt.
—
149
176838-00
Wentylator
Zapytaj
1 szt.
—
150
402429-00
Skrzynka Pola
Zapytaj
1 szt.
—
151
330003-56
Łożysko
32,00 zł
1 szt.
—
152
930029-00
Uchwyt Bearing
7,00 zł
1 szt.
—
154
402111-00
Sprężyna
Zapytaj
1 szt.
—
155
402098-00
Przeciwwaga
Zapytaj
1 szt.
—
156
402112-00
Uszczelnienie
Zapytaj
1 szt.
—
157
611147-00
Przekładnia - Podzespół
Zapytaj
1 szt.
—
160
330065-07
Śruba
7,00 zł
1 szt.
—
161
935616-00
Zacisk Przewodu
Zapytaj
1 szt.
—
164
N918736
Osłona Przewodu
7,00 zł
1 szt.
—
165
611147-00
Przekładnia - Podzespół
Zapytaj
1 szt.
—
165
330004-06
Łożysko Igiełkowe
12,00 zł
1 szt.
—
166
949400-03
Filc
Zapytaj
1 szt.
—
167
402125-00
Pokrywa
Zapytaj
1 szt.
—
168
949880-05
Uchwty Szczotki - Podzespół
Zapytaj
1 szt.
—
169
930090-00
Sprężyna Szczotki
Zapytaj
1 szt.
—
170
330019-02
Śruba
7,00 zł
1 szt.
—
172
387850-00
Skrzynka Przekładni - Podzespół
Zapytaj
1 szt.
—
174
930079-01
Śruba
Zapytaj
1 szt.
—
177
330045-09
Śruba
7,00 zł
1 szt.
—
179
389870-03
Pokrywa Skrzynki Przekładni
Zapytaj
1 szt.
—
180
930082-01
Śruba
8,00 zł
1 szt.
—
182
388445-00
Stopa - Podzespół
Zapytaj
1 szt.
—
184
329979-01
Dźwignia
Zapytaj
1 szt.
—
184
429909-00
Zestaw Naprawczy
Zapytaj
1 szt.
—
185
329977-00
Dźwignia
Zapytaj
1 szt.
—
187
326467-00
Zapadka
7,00 zł
1 szt.
—
188
402140-00
Osłona Przed Odłamkami
8,00 zł
1 szt.
—
189
402138-00
Rura
Zapytaj
1 szt.
—
191
930574-00
Klucz Imbusowy 5 Mm
7,00 zł
1 szt.
—
192
607973-00
Panew
Zapytaj
1 szt.
—
193
388577-00
Podpora - Podzespół
Zapytaj
1 szt.
—
195
388911-00
Podpora
Zapytaj
1 szt.
—
200
326573-01
Śruba Wing
7,00 zł
1 szt.
—
201
868082-00
Sprężyna
7,00 zł
1 szt.
—
204
402656-00
Wał - Podzespół
Zapytaj
1 szt.
—
205
402656-00
Wał - Podzespół
Zapytaj
1 szt.
—
206
402656-00
Wał - Podzespół
Zapytaj
1 szt.
—
207
402656-00
Wał - Podzespół
Zapytaj
1 szt.
—
208
949882-05
Klucz Imbusowy 3 Mm
Zapytaj
1 szt.
—
209
403192-00
Klips Do Przewodu
Zapytaj
1 szt.
—
211
402187-03
Moduł
Zapytaj
1 szt.
—
212
402433-00
Przycisk
Zapytaj
1 szt.
—
213
402432-00
Dźwignia
Zapytaj
1 szt.
—
214
943051-00
Sprężyna
Zapytaj
1 szt.
—
216
402131-00
Gałka
Zapytaj
1 szt.
—
217
402128-00
Pokrywa
Zapytaj
1 szt.
—
220
330045-05
Śruba
7,00 zł
1 szt.
—
816
000000-00
Już Nie Dostępne
Zapytaj
1 szt.
—
821
388067-00
Etykieta Towarowa
Zapytaj
1 szt.
—