Części
Maszyny
Kontakt
Home
Maszyny
Narzędzia
DeWalt
Narzędzie
D27400-Type-1 -
Narzędzie DeWalt
100%
Poz:
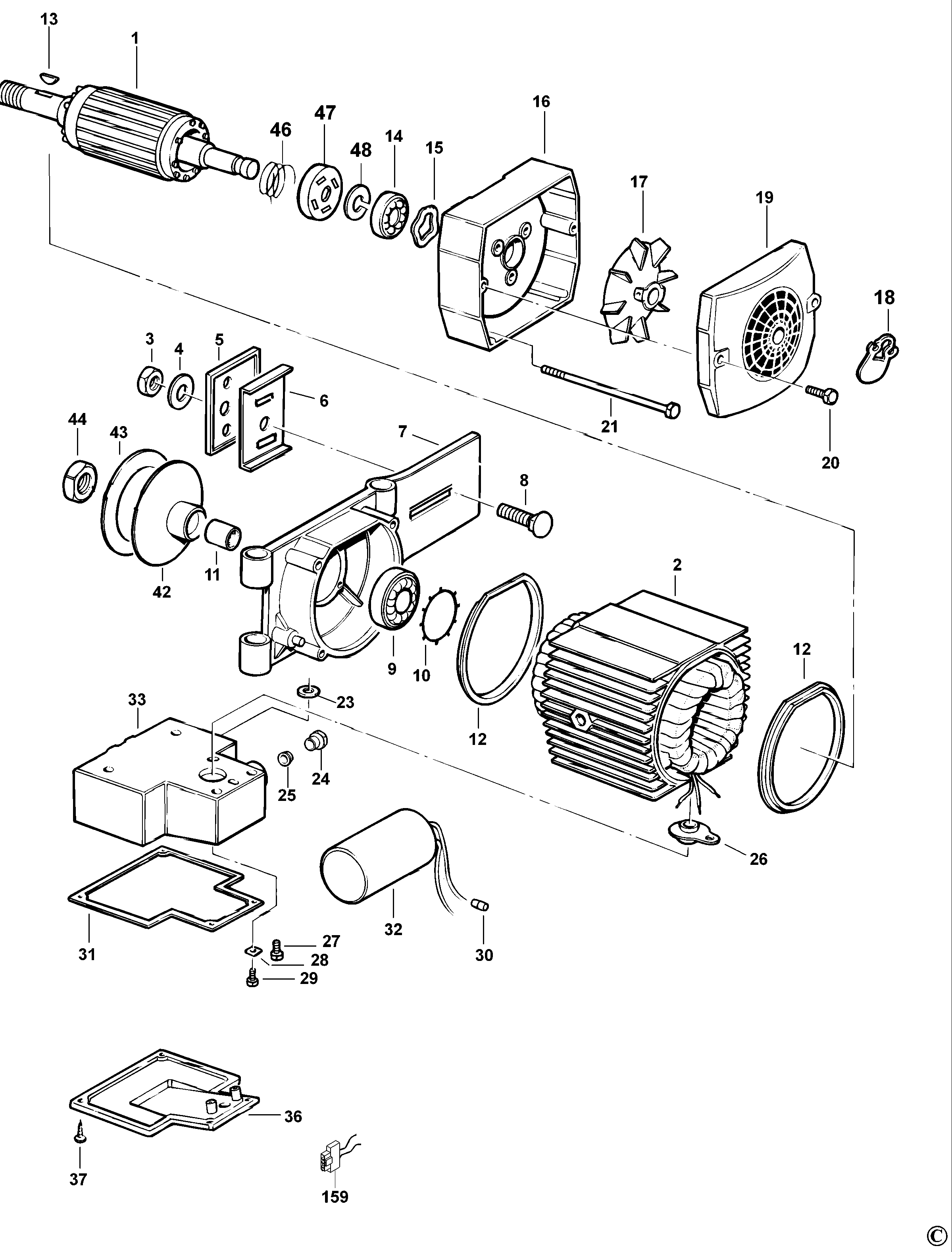
1
2
3
4
5
6
7
8
9
10
11
12
13
14
15
16
17
18
19
20
21
23
24
25
26
27
28
29
30
31
32
33
34
36
37
42
43
44
46
47
48
49
50
51
52
53
54
55
56
57
58
59
60
61
62
63
64
65
66
68
69
70
70
71
72
74
75
76
77
78
79
80
81
82
82
83
85
86
87
90
93
94
95
96
99
103
104
105
107
109
110
111
113
114
115
117
118
119
121
122
123
124
125
133
137
138
143
144
145
146
147
148
149
150
151
152
153
154
156
158
163
170
171
172
173
174
176
836
837
838
839
840
132 części
Sortuj
Poz.
Nr kat.
Nazwa
Cena brutto
Ilość
Zamów
1
868496-02
Wirnik
895,00 zł
1 szt.
—
2
868393-02
Stojan
2084,00 zł
1 szt.
—
3
860083-05
Nakrętka Rh
7,00 zł
1 szt.
—
4
860074-04
Podkładka
7,00 zł
1 szt.
—
5
944360-00
Płyta
32,00 zł
1 szt.
—
6
944359-00
Płyta
38,00 zł
1 szt.
—
7
868661-00
Osłona
367,00 zł
1 szt.
—
8
860301-15
Śruba
7,00 zł
1 szt.
—
9
868768-10
Łożysko
57,00 zł
1 szt.
—
10
860806-01
Pierścień
Zapytaj
1 szt.
—
11
942490-00
Panew
Zapytaj
1 szt.
—
12
860718-00
Uszczelniacz
24,00 zł
1 szt.
—
13
860318-00
Klucz
Zapytaj
1 szt.
—
14
868768-07
Łożysko
34,00 zł
1 szt.
—
15
860080-02
Pierścień
7,00 zł
1 szt.
—
16
861863-00
Zakończenie - Podzespół
123,00 zł
1 szt.
—
17
945841-00
Wentylator
18,00 zł
1 szt.
—
18
863112-00
Kołpak
7,00 zł
1 szt.
—
19
860687-04
Zakończenie
Zapytaj
1 szt.
—
20
860094-01
Śruba
7,00 zł
1 szt.
—
21
860446-00
Pręt
7,00 zł
1 szt.
—
23
944653-00
Przelotka
85,00 zł
1 szt.
—
24
944654-00
Ustalacz
10,00 zł
1 szt.
—
25
944590-00
Nakrętka
7,00 zł
1 szt.
—
26
944652-00
Przelotka
115,00 zł
1 szt.
—
27
860094-00
Screw.Temp
7,00 zł
1 szt.
—
28
944650-00
Podkładka Sprężysta
7,00 zł
1 szt.
—
29
860094-01
Śruba
7,00 zł
1 szt.
—
30
861257-00
Złącze
7,00 zł
1 szt.
—
31
860708-00
Uszczelnienie
Zapytaj
1 szt.
—
32
944455-00
Kondensator
Zapytaj
1 szt.
—
33
860702-00
Osłona
Zapytaj
1 szt.
—
34
860094-01
Śruba
7,00 zł
1 szt.
—
36
862220-00
Pokrywa
Zapytaj
1 szt.
—
37
860094-03
Śruba
7,00 zł
1 szt.
—
42
945842-00
Kołnierz
Zapytaj
1 szt.
—
43
945843-00
Kołnierz
51,00 zł
1 szt.
—
44
944460-00
Nakrętka
93,00 zł
1 szt.
—
46
861338-05
Sprężyna
7,00 zł
1 szt.
—
47
861336-05
Złącze Hamulca
38,00 zł
1 szt.
—
48
949727-06
Pierścień Sprężynujący
7,00 zł
1 szt.
—
49
868760-01
Silnik - Podzespół
3297,00 zł
1 szt.
—
50
868654-00
Podpora
Zapytaj
1 szt.
—
51
868256-00
Śruba
7,00 zł
1 szt.
—
52
868652-00
Noga
Zapytaj
1 szt.
—
53
941606-00
Śruba
Zapytaj
1 szt.
—
54
860075-00
Podkładka
7,00 zł
1 szt.
—
55
860083-12
Nakrętka
7,00 zł
1 szt.
—
56
868653-00
Podpora
Zapytaj
1 szt.
—
57
868954-00
Stół - Podzespół
380,00 zł
1 szt.
—
58
868657-00
Wkładka
69,00 zł
1 szt.
—
59
868923-00
Wspornik
69,00 zł
1 szt.
—
60
860092-00
Nakrętka
7,00 zł
1 szt.
—
61
860093-06
Śruba
7,00 zł
1 szt.
—
62
868681-00
Osłona
51,00 zł
1 szt.
—
63
868664-00
Klin Rozszczepiający
235,00 zł
1 szt.
—
64
860092-01
Nakrętka
7,00 zł
1 szt.
—
65
868700-00
Podpora
38,00 zł
1 szt.
—
66
860092-00
Nakrętka
7,00 zł
1 szt.
—
68
860073-03
Podkładka M8
7,00 zł
1 szt.
—
69
860301-00
Śruba
7,00 zł
1 szt.
—
70
868927-00
Rail,Short
Zapytaj
1 szt.
—
70
868701-00
Rail,Short
Zapytaj
1 szt.
—
71
944341-00
Wspornik
34,00 zł
1 szt.
—
72
868730-00
Switchbox Sa
Zapytaj
1 szt.
—
74
945848-00
Klips
7,00 zł
1 szt.
—
75
860084-21
Śruba
7,00 zł
1 szt.
—
76
930076-00
Śruba
7,00 zł
1 szt.
—
77
949886-11
Śruba
7,00 zł
1 szt.
—
78
933055-00
Podkładka
7,00 zł
1 szt.
—
79
860075-00
Podkładka
7,00 zł
1 szt.
—
80
949886-11
Śruba
7,00 zł
1 szt.
—
81
868703-00
Płyta
32,00 zł
1 szt.
—
82
868705-00
Prowadnica
Zapytaj
1 szt.
—
82
868969-00
Płyty - Podzespół
159,00 zł
1 szt.
—
83
868763-00
Etykieta
Zapytaj
1 szt.
—
85
868762-00
Etykieta
15,00 zł
1 szt.
—
86
868704-00
Gałka
9,00 zł
1 szt.
—
87
860862-02
Gałka
27,00 zł
1 szt.
—
90
868877-02
Przewód
Zapytaj
1 szt.
—
93
868730-02
Wyłącznik
Zapytaj
1 szt.
—
94
868878-02
Zabezpieczenie Przeciwprzeciążeniowe
159,00 zł
1 szt.
—
95
720929-00
Nakrętka Motylkowa
7,00 zł
1 szt.
—
96
860092-05
Nakrętka
7,00 zł
1 szt.
—
99
860862-01
Gałka
27,00 zł
1 szt.
—
103
860428-06
Śruba
7,00 zł
1 szt.
—
104
949886-11
Śruba
7,00 zł
1 szt.
—
105
860092-00
Nakrętka
7,00 zł
1 szt.
—
107
860322-01
Pierścień Sprężynujący
7,00 zł
1 szt.
—
109
944322-02
Płyta
Zapytaj
1 szt.
—
110
868656-00
Osłona
359,00 zł
1 szt.
—
111
868761-00
Etykieta
Zapytaj
1 szt.
—
113
860084-23
Śruba
7,00 zł
1 szt.
—
114
868706-00
Wspornik
21,00 zł
1 szt.
—
115
5120477-49
Brzeszczot
Zapytaj
1 szt.
—
117
868709-00
Wspornik
42,00 zł
1 szt.
—
118
944353-00
Wysokość Regulatora
102,00 zł
1 szt.
—
119
860322-05
Pierścień Sprężynujący
7,00 zł
1 szt.
—
121
868663-00
Płyta
149,00 zł
1 szt.
—
122
860084-23
Śruba
7,00 zł
1 szt.
—
123
868863-00
Etykieta Towarowa
15,00 zł
1 szt.
—
124
860085-04
Śruba
7,00 zł
1 szt.
—
125
868655-00
Pokrywa
32,00 zł
1 szt.
—
133
860301-00
Śruba
7,00 zł
1 szt.
—
137
860094-02
Śruba
7,00 zł
1 szt.
—
138
868658-00
Ustalacz
16,00 zł
1 szt.
—
143
941602-00
Podkładka
7,00 zł
1 szt.
—
144
860083-03
Nakrętka
7,00 zł
1 szt.
—
145
944367-02
Screw.Special
102,00 zł
1 szt.
—
146
944437-00
Płyta
Zapytaj
1 szt.
—
147
860085-20
Śruba
7,00 zł
1 szt.
—
148
945844-00
Kołek
24,00 zł
1 szt.
—
149
868725-00
Podnośnik - Podzespół
560,00 zł
1 szt.
—
150
861428-01
Dust Extractor
42,00 zł
1 szt.
—
151
860075-00
Podkładka
7,00 zł
1 szt.
—
152
860092-00
Nakrętka
7,00 zł
1 szt.
—
153
946474-00
Uchwyt - Podzespół
78,00 zł
1 szt.
—
154
944368-00
Połączenie Ramion
14,00 zł
1 szt.
—
156
860094-02
Śruba
7,00 zł
1 szt.
—
158
760996-00
Screw.Temp
Zapytaj
1 szt.
—
163
946023-00
Płyta
Zapytaj
1 szt.
—
170
860610-01
Popychacz
32,00 zł
1 szt.
—
171
868733-00
Plakietka Z Nazwą
10,00 zł
1 szt.
—
172
123255-01
Sprężyna
7,00 zł
1 szt.
—
173
944366-00
Panew
Zapytaj
1 szt.
—
174
944366-01
Panew
Zapytaj
1 szt.
—
176
945847-01
Wspornik
Zapytaj
1 szt.
—
836
860098-05
Klucz Imbusowy 8 Mm
15,00 zł
1 szt.
—
837
930574-00
Klucz Imbusowy 5 Mm
7,00 zł
1 szt.
—
838
869235-00
Zestaw Kluczy
57,00 zł
1 szt.
—
839
944463-00
Klucz Wielofunkcyjny
93,00 zł
1 szt.
—
840
760601-00
Zestaw Kluczy
24,00 zł
1 szt.
—