Części
Maszyny
Kontakt
Home
Maszyny
Narzędzia
DeWalt
Narzędzie
DB10EKM-Type-4 -
Narzędzie DeWalt
100%
Poz:
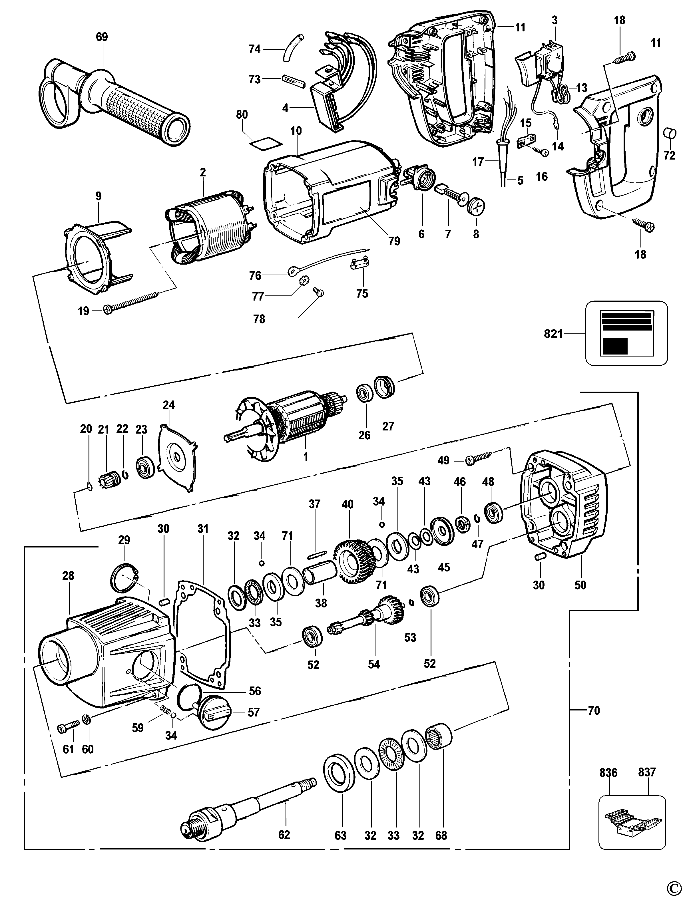
1
1
2
2
3
4
4
5
5
5
6
7
7
8
9
10
11
13
14
15
16
17
17
18
19
20
21
22
23
24
26
27
28
29
30
31
32
33
34
35
37
38
40
43
45
46
47
48
49
50
52
53
54
56
57
59
60
61
62
62
63
68
69
70
70
71
72
73
74
75
76
77
78
79
80
821
836
837
78 części
Sortuj
Poz.
Nr kat.
Nazwa
Cena brutto
Ilość
Zamów
1
248158-00
Twornik - Podzespół
Zapytaj
1 szt.
—
1
248158-01
Twornik 115V
Zapytaj
1 szt.
—
2
587020-00
Pole
Zapytaj
1 szt.
—
2
587020-01
Stojan 115V
Zapytaj
1 szt.
—
3
249579-00
Wyłącznik - Zestaw
Zapytaj
1 szt.
—
4
328372-02
Zestaw Serwisowy 115V
Zapytaj
1 szt.
—
4
328372-00
Zestaw Serwisowy 230V
Zapytaj
1 szt.
—
5
330085-00
Przewód Zasilający
Zapytaj
1 szt.
—
5
330085-01
Przewód Zasilający
Zapytaj
1 szt.
—
5
324438-69
Przewód
Zapytaj
1 szt.
—
6
448083-01
Zestaw Ze Szczotkami - Podzespół
27,00 zł
1 szt.
—
7
248155-00
Szczotka
57,00 zł
1 szt.
—
7
248155-01
Szczotka
Zapytaj
1 szt.
—
8
448084-01
Osłona Szczotki
Zapytaj
1 szt.
—
9
447786-00
Baffle Fan
Zapytaj
1 szt.
—
10
447799-00
Skrzynka Pola
Zapytaj
1 szt.
—
11
572000-01
Uchwyt - Podzespół
Zapytaj
1 szt.
—
13
320842-03
Kondensator
Zapytaj
1 szt.
—
14
248022-01
Lead 115V
Zapytaj
1 szt.
—
15
910556
Zacisk Przewodu
Zapytaj
1 szt.
—
16
330065-08
Śruba
7,00 zł
1 szt.
—
17
403395-00
Osłona Przewodu
15,00 zł
1 szt.
—
17
401088-00
Ochraniacz
9,00 zł
1 szt.
—
18
330019-13
Śruba
7,00 zł
1 szt.
—
19
844217-03
Śruba
Zapytaj
1 szt.
—
20
248311-00
Pierścień Sprężynujący
Zapytaj
1 szt.
—
21
248035-00
Wałek Zębaty
Zapytaj
1 szt.
—
22
248036-00
O-Ring
Zapytaj
1 szt.
—
23
330003-64
Łożysko
32,00 zł
1 szt.
—
24
448079-00
Płyta
Zapytaj
1 szt.
—
26
605040-06
Bearing,Ball
15,00 zł
1 szt.
—
27
445217-02
Tuleja
7,00 zł
1 szt.
—
28
248075-00
Skrzynka Przekładni - Podzespół
Zapytaj
1 szt.
—
29
278814-00
Pierścień Sprężynujący
Zapytaj
1 szt.
—
30
832327
Kołek
Zapytaj
1 szt.
—
31
248049-00
Uszczelnienie
Zapytaj
1 szt.
—
32
278811-00
Pierścień
Zapytaj
1 szt.
—
33
278810-00
Łożysko
Zapytaj
1 szt.
—
34
832343
Kulka
Zapytaj
1 szt.
—
35
000000-00
Już Nie Dostępne
Zapytaj
1 szt.
—
37
278821-00
Kołek
Zapytaj
1 szt.
—
38
279196-00
Zestaw Sprzęgła
Zapytaj
1 szt.
—
40
248057-00
Przekładnia - Podzespół
Zapytaj
1 szt.
—
43
248058-00
Podkładka
Zapytaj
1 szt.
—
45
248060-00
Nakładka
Zapytaj
1 szt.
—
46
248061-00
Nakrętka
Zapytaj
1 szt.
—
47
278699-00
Uszczelniacz
Zapytaj
1 szt.
—
48
050830000
Łożysko 6001 Rsz
Zapytaj
1 szt.
—
49
330019-42
Śruba
Zapytaj
1 szt.
—
50
248065-04
Skrzynka Przekładni
Zapytaj
1 szt.
—
52
832337
Łożysko
Zapytaj
1 szt.
—
53
278778-00
Uszczelniacz
Zapytaj
1 szt.
—
54
248069-00
Przekładnia Wewnętrzna
Zapytaj
1 szt.
—
56
832348
Pierścień
Zapytaj
1 szt.
—
57
248071-00
Gałka
Zapytaj
1 szt.
—
59
832344
Sprężyna
Zapytaj
1 szt.
—
60
832364
Podkładka
Zapytaj
1 szt.
—
61
248063-00
Screw.Temp
Zapytaj
1 szt.
—
62
248074-00
Wrzeciono
Zapytaj
1 szt.
—
62
248074-02
Wrzeciono
Zapytaj
1 szt.
—
63
278812-00
Uszczelniacz
Zapytaj
1 szt.
—
68
278809-00
Łożysko
Zapytaj
1 szt.
—
69
248190-00
Uchwyt Boczny - Podzespół
Zapytaj
1 szt.
—
70
248019-06
Skrzynka Przekładniowa - Podzespół
Zapytaj
1 szt.
—
70
248019-05
Skrzynka Przekładniowa - Podzespół
Zapytaj
1 szt.
—
71
000000-00
Już Nie Dostępne
Zapytaj
1 szt.
—
72
917650-01
Wykrawka
Zapytaj
1 szt.
—
73
248037-00
Ochraniacz
Zapytaj
1 szt.
—
74
249666-00
Osłona
Zapytaj
1 szt.
—
75
323534-00
Złącze
Zapytaj
1 szt.
—
76
323635-15
Przewód
Zapytaj
1 szt.
—
77
933652-00
Podkładka
7,00 zł
1 szt.
—
78
324006-06
Śruba
Zapytaj
1 szt.
—
79
248182-05
Etykieta Towarowa
Zapytaj
1 szt.
—
80
328310-00
Etykieta
Zapytaj
1 szt.
—
821
569038-00
Tabliczka Znamionowa
Zapytaj
1 szt.
—
836
559505-99
Gniazdo
Zapytaj
1 szt.
—
837
559569-99
Gniazdo
Zapytaj
1 szt.
—