Części
Maszyny
Kontakt
Home
Maszyny
Narzędzia
DeWalt
Narzędzie
DW241-Type-4 -
Narzędzie DeWalt
100%
Poz:
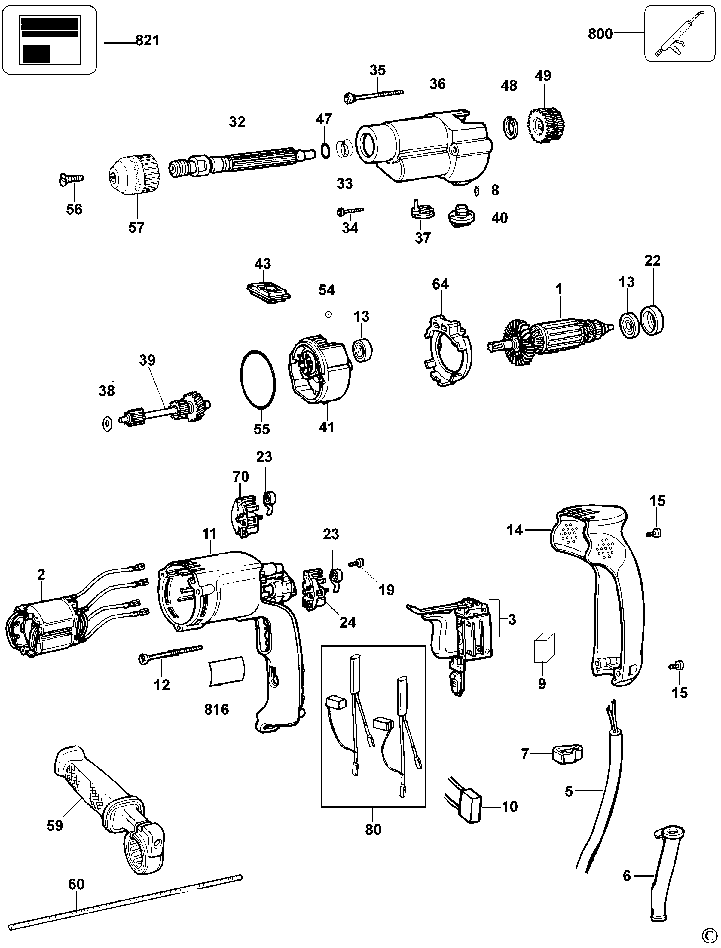
1
2
3
5
6
7
8
9
10
11
12
13
14
15
19
22
23
24
32
33
34
35
36
37
38
39
40
41
43
47
48
49
54
55
56
57
59
60
64
70
80
800
816
821
44 części
Sortuj
Poz.
Nr kat.
Nazwa
Cena brutto
Ilość
Zamów
1
578756-04
Twornik 230V
Zapytaj
1 szt.
—
2
1005529-03
Stojan 230V
Zapytaj
1 szt.
—
3
494635-00
Przełącznik 240V
Zapytaj
1 szt.
—
5
330120-86
Przewód Zasilający
69,00 zł
1 szt.
—
6
403395-00
Osłona Przewodu
15,00 zł
1 szt.
—
7
402648-00
Zacisk Przewodu
7,00 zł
1 szt.
—
8
326467-00
Zapadka
7,00 zł
1 szt.
—
9
930026-01
Odbój
7,00 zł
1 szt.
—
10
949877-01
Kondensator
9,00 zł
1 szt.
—
11
N019317
Skrzynka Pola
Zapytaj
1 szt.
—
12
390198-00
Śruba
7,00 zł
1 szt.
—
13
605040-06
Bearing,Ball
15,00 zł
1 szt.
—
14
176900-01
Uchwyt Pokrywy
Zapytaj
1 szt.
—
15
330019-13
Śruba
7,00 zł
1 szt.
—
19
330065-06
Śruba
7,00 zł
1 szt.
—
22
389824-00
Bagażnik
7,00 zł
1 szt.
—
23
402759-00
Sprężyna Szczotki
7,00 zł
1 szt.
—
24
401877-01
Uchwty Szczotki - Podzespół
18,00 zł
1 szt.
—
32
581235-00
Wrzeciono
Zapytaj
1 szt.
—
33
931890
Sprężyna
7,00 zł
1 szt.
—
34
330019-14
Śruba
7,00 zł
1 szt.
—
35
330019-50
Śruba
7,00 zł
1 szt.
—
36
1006352-00
Skrzynka Przekładni
Zapytaj
1 szt.
—
37
401735-00
Widełki Zmiany Biegów
Zapytaj
1 szt.
—
38
930102-00
Podkładka
Zapytaj
1 szt.
—
39
581234-00
Wał Wewnętrzny
Zapytaj
1 szt.
—
40
628891-00
Widełki Zmiany Biegów
69,00 zł
1 szt.
—
41
583952-00
Pokrywa Skrzynki Przekładni - Podzespół
Zapytaj
1 szt.
—
43
401839-00
Płyta
Zapytaj
1 szt.
—
47
930028-00
O-Ring
7,00 zł
1 szt.
—
48
1006305-00
Uszczelniacz
7,00 zł
1 szt.
—
49
397239-01
Przekładnia
Zapytaj
1 szt.
—
54
000903-00
Kulka
38,00 zł
1 szt.
—
55
401847-00
Uszczelniacz
Zapytaj
1 szt.
—
56
490910-00
Śruba
7,00 zł
1 szt.
—
57
586200-01
Uchwyt Bezkluczykowy
Zapytaj
1 szt.
—
59
939794-02
Uchwyt Boczny - Podzespół
51,00 zł
1 szt.
—
60
940357-00
Ogranicznik Głębokości
8,00 zł
1 szt.
—
64
176811-00
Przegroda
9,00 zł
1 szt.
—
70
401878-01
Uchwty Szczotki - Podzespół
18,00 zł
1 szt.
—
80
578393-02
Szczotka Kit 230V
38,00 zł
1 szt.
—
800
870889-02
Smar
51,00 zł
1 szt.
—
816
395047-00
Etykieta Towarowa
7,00 zł
1 szt.
—
821
569037-00
Tabliczka Znamionowa
18,00 zł
1 szt.
—