Części
Maszyny
Kontakt
Home
Maszyny
Narzędzia
DeWalt
Narzędzie
DW202-Type-1 -
Narzędzie DeWalt
100%
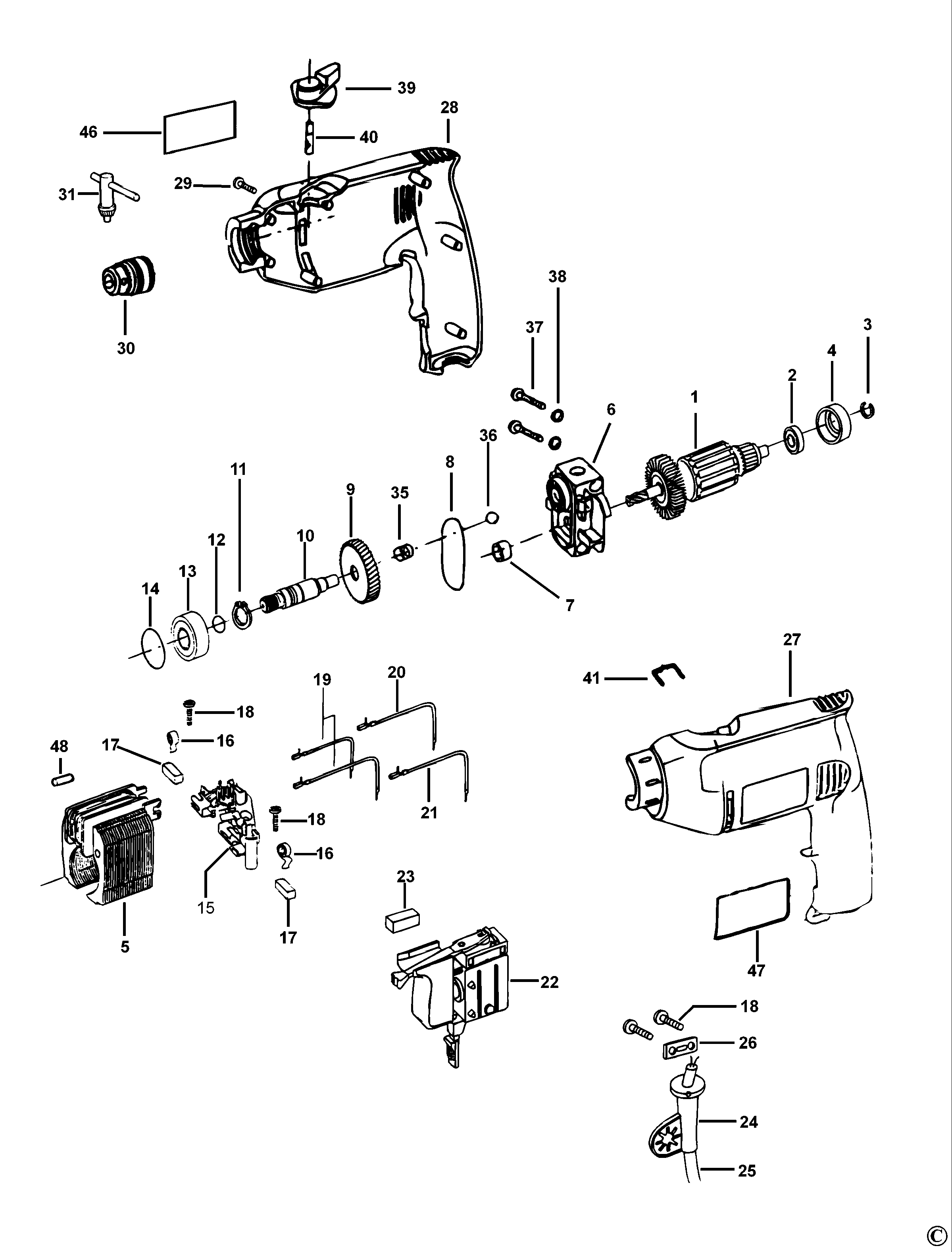
Poz:
2
3
4
6
7
8
9
10
11
12
13
14
16
18
19
20
21
22
23
24
26
27
28
29
30
31
35
36
37
38
39
40
41
46
47
48
36 części
Sortuj
Poz.
Nr kat.
Nazwa
Cena brutto
Ilość
Zamów
2
330003-02
Łożysko
Zapytaj
1 szt.
—
3
939624-00
Pierścień
Zapytaj
1 szt.
—
4
930029-00
Uchwyt Bearing
7,00 zł
1 szt.
—
6
946663-00
Blok - Podzespół
Zapytaj
1 szt.
—
7
330004-18
Łożysko
Zapytaj
1 szt.
—
8
932426-00
O-Ring
Zapytaj
1 szt.
—
9
946559-00
Przekładnia
Zapytaj
1 szt.
—
10
000000-00
Już Nie Dostępne
Zapytaj
1 szt.
—
11
930098-00
Ustalacz
7,00 zł
1 szt.
—
12
930028-00
O-Ring
7,00 zł
1 szt.
—
13
605040-25
Bearing,Ball
18,00 zł
1 szt.
—
14
938133-00
O-Ring
Zapytaj
1 szt.
—
16
931221-00
Sprężyna
Zapytaj
1 szt.
—
18
562097-05
Śruba
7,00 zł
1 szt.
—
19
949801-64
Przewód - Podzespół
Zapytaj
1 szt.
—
20
000000-00
Już Nie Dostępne
Zapytaj
1 szt.
—
21
000000-00
Już Nie Dostępne
Zapytaj
1 szt.
—
22
000000-00
Już Nie Dostępne
Zapytaj
1 szt.
—
23
562213-00
Odbój
Zapytaj
1 szt.
—
24
934961-01
Osłona Przewodu
Zapytaj
1 szt.
—
26
930103-00
Zacisk Przewodu
7,00 zł
1 szt.
—
27
561591-00
Chwytak Dwuszczękowy Lewy
Zapytaj
1 szt.
—
28
561592-00
Chwytak Dwuszczękowy Prawy
Zapytaj
1 szt.
—
29
562097-03
Śruba
7,00 zł
1 szt.
—
30
330033-21
Uchwyt Wiertarski 10Mm
Zapytaj
1 szt.
—
31
330034-07
Kluczyk Wiertarski
8,00 zł
1 szt.
—
35
934962
Sprężyna
Zapytaj
1 szt.
—
36
000903-00
Kulka
38,00 zł
1 szt.
—
37
562144-00
Śruba
Zapytaj
1 szt.
—
38
932839-00
Podkładka
7,00 zł
1 szt.
—
39
151254-00
Gałka
Zapytaj
1 szt.
—
40
561602-00
Kołek
Zapytaj
1 szt.
—
41
000000-00
Już Nie Dostępne
Zapytaj
1 szt.
—
46
000000-00
Już Nie Dostępne
Zapytaj
1 szt.
—
47
000000-00
Już Nie Dostępne
Zapytaj
1 szt.
—
48
941374-01
Klocek Do Szlifowania
Zapytaj
1 szt.
—