Części
Maszyny
Kontakt
Home
Maszyny
Narzędzia
DeWalt
Narzędzie
ECD308-Type-1 -
Narzędzie DeWalt
100%
Poz:
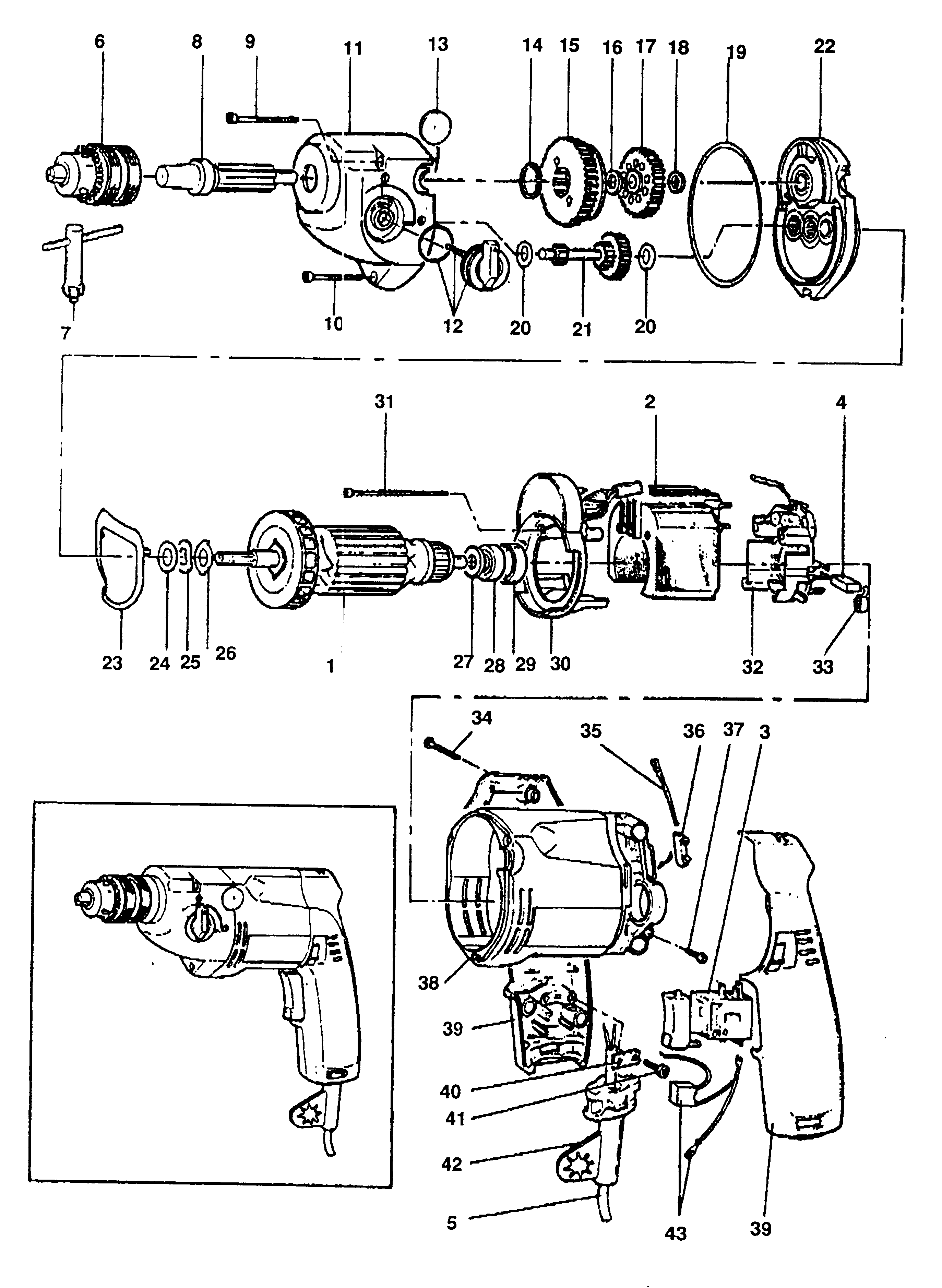
1
1
2
2
2
4
4
5
5
5
6
7
8
9
10
11
12
14
15
16
17
18
19
20
21
22
23
24
25
26
27
28
29
30
30
31
32
32
33
34
35
36
37
38
39
40
41
42
42
43
50 części
Sortuj
Poz.
Nr kat.
Nazwa
Cena brutto
Ilość
Zamów
1
936395
Twornik
Zapytaj
1 szt.
—
1
936825
Twornik
Zapytaj
1 szt.
—
2
932153
Pole
Zapytaj
1 szt.
—
2
932155
Stojan 240V
Zapytaj
1 szt.
—
2
932154
Pole
Zapytaj
1 szt.
—
4
932047
Szczotka
Zapytaj
1 szt.
—
4
931235-00
Szczotka 230V
Zapytaj
1 szt.
—
5
949843-04
Przewód
Zapytaj
1 szt.
—
5
330061-07
Przewód - Podzespół
Zapytaj
1 szt.
—
5
330061-04
Cordset (M/Plug)
137,00 zł
1 szt.
—
6
930628
Uchwyt
Zapytaj
1 szt.
—
7
330034-07
Kluczyk Wiertarski
8,00 zł
1 szt.
—
8
931400
Uchwyt I Wrzeciono
Zapytaj
1 szt.
—
9
931298
Śruba
Zapytaj
1 szt.
—
10
931297-00
Śruba
9,00 zł
1 szt.
—
11
935691
Skrzynka Przekładni - Podzespół
Zapytaj
1 szt.
—
12
936416
Dźwignia - Podzespół
Zapytaj
1 szt.
—
14
930098-00
Ustalacz
7,00 zł
1 szt.
—
15
931803
Przekładnia - Podzespół
Zapytaj
1 szt.
—
16
931892-00
Podkładka
15,00 zł
1 szt.
—
17
931802
Przekładnia
Zapytaj
1 szt.
—
18
931395
Dystans
Zapytaj
1 szt.
—
19
931286
Uszczelniacz
Zapytaj
1 szt.
—
20
930102-00
Podkładka
Zapytaj
1 szt.
—
21
936822
Przekładnia I Wałek Zębaty
Zapytaj
1 szt.
—
22
935689
Pokrywa Skrzynki Przekładni
Zapytaj
1 szt.
—
23
935678
Sprężyna
Zapytaj
1 szt.
—
24
931250
Podkładka
Zapytaj
1 szt.
—
25
931249
Podkładka
Zapytaj
1 szt.
—
26
934951
Podkładka Specjalna
Zapytaj
1 szt.
—
27
931245
Dystans
Zapytaj
1 szt.
—
28
330003-02
Łożysko
Zapytaj
1 szt.
—
29
930275-00
Tuleja
7,00 zł
1 szt.
—
30
931279
Electronic 240V
Zapytaj
1 szt.
—
30
931280
Electronic 115V
Zapytaj
1 szt.
—
31
933541
Śruba
Zapytaj
1 szt.
—
32
931231-00
Uchwty Szczotki - Podzespół
Zapytaj
1 szt.
—
32
931231-01
Zestaw Ze Szczotkami - Podzespół
Zapytaj
1 szt.
—
33
931221-00
Sprężyna
Zapytaj
1 szt.
—
34
930079-01
Śruba
Zapytaj
1 szt.
—
35
931303
Przewód
Zapytaj
1 szt.
—
36
930187
Złącze
Zapytaj
1 szt.
—
37
931254-00
Śruba
Zapytaj
1 szt.
—
38
933945
Skrzynka Pola
Zapytaj
1 szt.
—
39
936409
Uchwyt - Podzespół
Zapytaj
1 szt.
—
40
930103-00
Zacisk Przewodu
7,00 zł
1 szt.
—
41
930276
Śruba
Zapytaj
1 szt.
—
42
732456
Osłona Przewodu
Zapytaj
1 szt.
—
42
938498
Osłona Przewodu
Zapytaj
1 szt.
—
43
931300-00
Kondensator - Podzespół
Zapytaj
1 szt.
—