Części
Maszyny
Kontakt
Home
Maszyny
Narzędzia
DeWalt
Narzędzie
DW246-Type-4 -
Narzędzie DeWalt
100%
Poz:
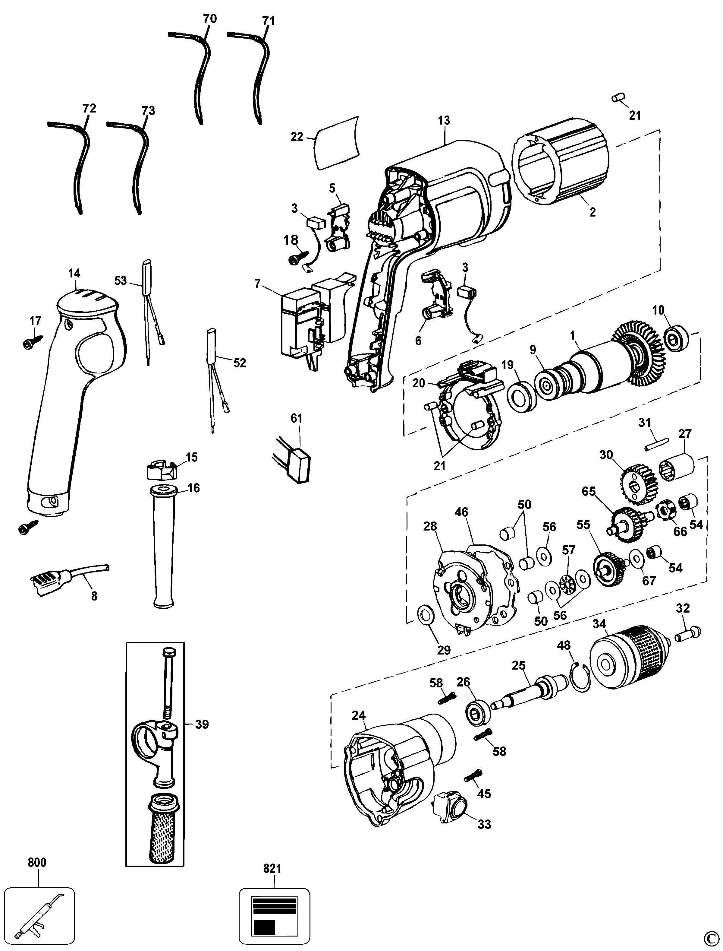
1
2
3
5
6
7
8
9
10
13
14
15
16
16
17
18
19
20
21
22
24
25
26
27
28
29
30
31
32
33
34
39
45
46
48
50
52
53
54
55
56
57
58
61
65
66
67
70
71
72
73
800
821
53 części
Sortuj
Poz.
Nr kat.
Nazwa
Cena brutto
Ilość
Zamów
1
579598-16
Twornik 230V
346,00 zł
1 szt.
—
2
579605-01
Stojan 230V
Zapytaj
1 szt.
—
3
176949-00
Szczotka 230V
18,00 zł
1 szt.
—
5
176801-03
Szczotkotrzymacz
159,00 zł
1 szt.
—
6
176800-03
Szczotkotrzymacz
123,00 zł
1 szt.
—
7
176830-15
Wyłącznik
Zapytaj
1 szt.
—
8
330120-86
Przewód Zasilający
69,00 zł
1 szt.
—
9
605040-06
Bearing,Ball
15,00 zł
1 szt.
—
10
605040-06
Bearing,Ball
15,00 zł
1 szt.
—
13
N019317
Skrzynka Pola
Zapytaj
1 szt.
—
14
176900-01
Uchwyt Pokrywy
Zapytaj
1 szt.
—
15
402648-00
Zacisk Przewodu
7,00 zł
1 szt.
—
16
N918736
Osłona Przewodu
7,00 zł
1 szt.
—
16
N542553
Osłona Przewodu
Zapytaj
1 szt.
—
17
330019-13
Śruba
7,00 zł
1 szt.
—
18
330065-06
Śruba
7,00 zł
1 szt.
—
19
389824-00
Bagażnik
7,00 zł
1 szt.
—
20
176811-00
Przegroda
9,00 zł
1 szt.
—
21
949638-02
Tłumik Drgań
7,00 zł
1 szt.
—
22
395047-00
Etykieta Towarowa
7,00 zł
1 szt.
—
24
176678-00
Skrzynka Przekładni
Zapytaj
1 szt.
—
25
176705-00
Wrzeciono
Zapytaj
1 szt.
—
26
605040-20
Łożysko
18,00 zł
1 szt.
—
27
176691-00
Dystans
Zapytaj
1 szt.
—
28
176698-01
Pokrywa Skrzynki Przekładni
Zapytaj
1 szt.
—
29
23813-00
Podkładka
Zapytaj
1 szt.
—
30
176704-00
Przekładnia
Zapytaj
1 szt.
—
31
099227-05
Kołek
Zapytaj
1 szt.
—
32
605256-02
Śruba
7,00 zł
1 szt.
—
33
176641-00
Blokada Wrzeciona
Zapytaj
1 szt.
—
34
586200-02
Uchwyt
224,00 zł
1 szt.
—
39
939794-02
Uchwyt Boczny - Podzespół
51,00 zł
1 szt.
—
45
330019-14
Śruba
7,00 zł
1 szt.
—
46
176724-00
Uszczelnienie
Zapytaj
1 szt.
—
48
087692-00
Ustalacz
7,00 zł
1 szt.
—
50
910560
Łożysko
10,00 zł
1 szt.
—
52
580555-00
Prowadnica Zwężki - Podzespół
Zapytaj
1 szt.
—
53
580555-01
Prowadnica Zwężki - Podzespół
Zapytaj
1 szt.
—
54
N332380
Łożysko
9,00 zł
1 szt.
—
55
176700-00SV
Przekładnia I Wałek Zębaty
Zapytaj
1 szt.
—
56
091817-00
Podkładka
Zapytaj
1 szt.
—
57
091644-00
Łożysko Oporowe
Zapytaj
1 szt.
—
58
330019-16
Śruba
7,00 zł
1 szt.
—
61
949877-01
Kondensator
9,00 zł
1 szt.
—
65
176703-00SV
Wałek Zębaty I Przekładnia - Podzespół
Zapytaj
1 szt.
—
66
176733-00
Łożysko Oporowe
Zapytaj
1 szt.
—
67
385075-00
Podkładka Oporowa
Zapytaj
1 szt.
—
70
176893-00
Lead Black
Zapytaj
1 szt.
—
71
176834-00
Lead Blue
Zapytaj
1 szt.
—
72
176892-00
Lead Purple
Zapytaj
1 szt.
—
73
176894-00
Lead Orange
Zapytaj
1 szt.
—
800
286436-00
Smar
709,00 zł
1 szt.
—
821
585074-06
Tabliczka Znamionowa
Zapytaj
1 szt.
—