Części
Maszyny
Kontakt
Home
Maszyny
Narzędzia
DeWalt
Narzędzie
D26422-Type-1 -
Narzędzie DeWalt
100%
Poz:
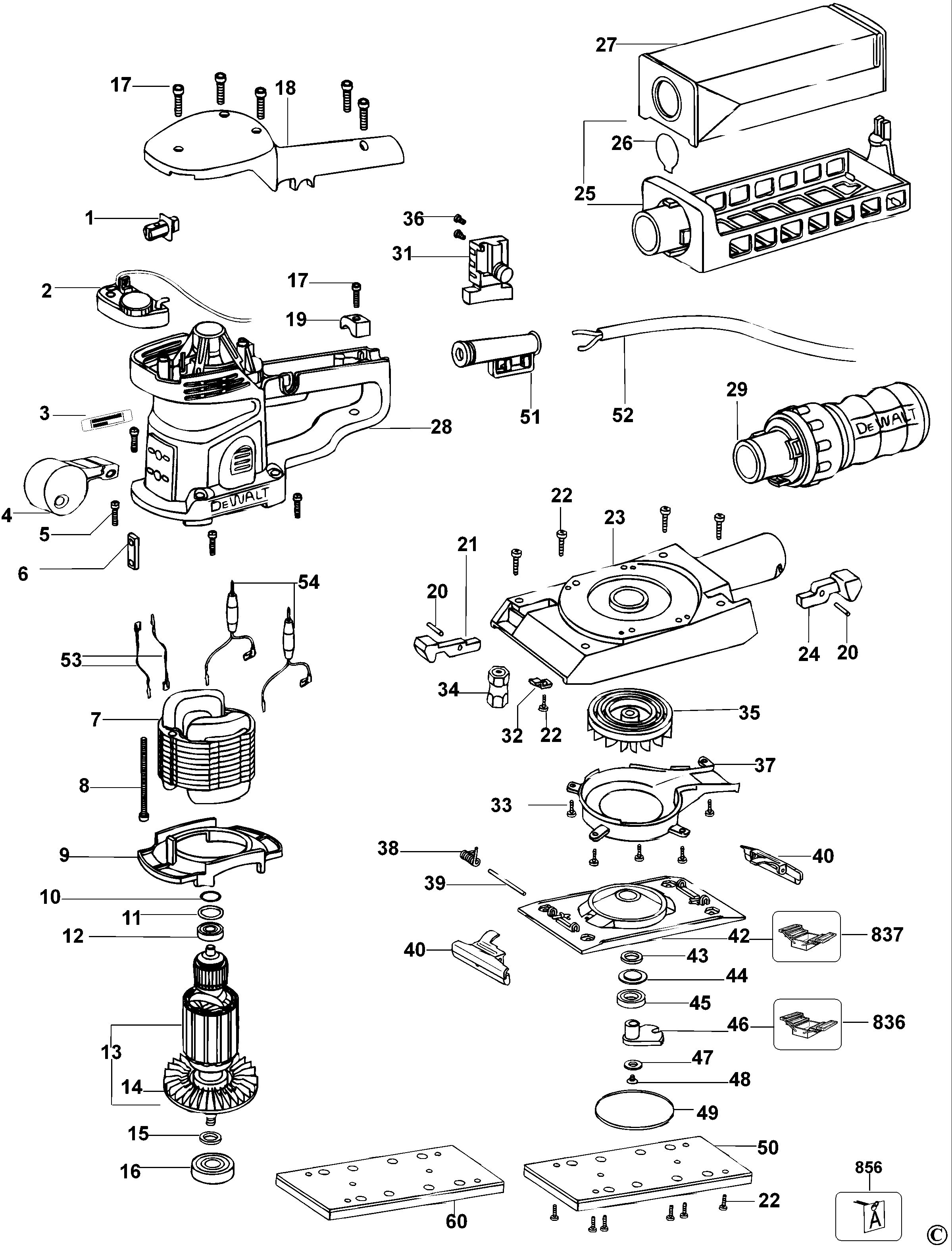
1
2
3
4
5
6
7
8
9
10
11
12
13
14
15
16
17
18
19
20
21
22
23
24
25
26
27
28
29
31
32
33
34
35
36
37
38
39
40
42
43
44
45
46
47
48
49
50
51
52
53
54
60
836
837
856
56 części
Sortuj
Poz.
Nr kat.
Nazwa
Cena brutto
Ilość
Zamów
1
596106-00
Szczotka Pair 230V
Zapytaj
1 szt.
—
2
596103-00
Electronic 230V
Zapytaj
1 szt.
—
3
N045105
Tabliczka Znamionowa
Zapytaj
1 szt.
—
4
596114-00
Uchwyt - Podzespół
Zapytaj
1 szt.
—
5
596113-00
Śruba
Zapytaj
1 szt.
—
6
596115-00
Płyta
Zapytaj
1 szt.
—
7
596116-00
Stojan 240V
Zapytaj
1 szt.
—
8
596118-00
Śruba
Zapytaj
1 szt.
—
9
596119-00
Baffle Fan
Zapytaj
1 szt.
—
10
596120-00
O-Ring
Zapytaj
1 szt.
—
11
596121-00
Podkładka
Zapytaj
1 szt.
—
12
596649-00
Łożysko
69,00 zł
1 szt.
—
13
596298-00
Twornik I Wentylator
Zapytaj
1 szt.
—
14
596125-00
Wentylator
Zapytaj
1 szt.
—
15
596299-00
Podkładka
Zapytaj
1 szt.
—
16
596300-00
Łożysko
137,00 zł
1 szt.
—
17
596101-00
Śruba
9,00 zł
1 szt.
—
18
596102-00
Pokrywa
Zapytaj
1 szt.
—
19
596128-00
Zacisk Przewodu
16,00 zł
1 szt.
—
20
596301-00
Kołek
24,00 zł
1 szt.
—
21
596302-00
Dźwignia
18,00 zł
1 szt.
—
22
596303-00
Śruba
18,00 zł
1 szt.
—
23
596306-00
Osłona
359,00 zł
1 szt.
—
24
596305-00
Dźwignia
Zapytaj
1 szt.
—
25
596146-00
Podpora - Podzespół
Zapytaj
1 szt.
—
26
596287-00
Podkładka
Zapytaj
1 szt.
—
27
596286-00
Dustbag
Zapytaj
1 szt.
—
28
596108-00
Osłona Silnika
Zapytaj
1 szt.
—
29
583319-00
Worek Pyłowy - Podzespół
Zapytaj
1 szt.
—
31
596127-00
Wyłącznik
Zapytaj
1 szt.
—
32
596311-00
Zacisk
Zapytaj
1 szt.
—
33
596312-00
Śruba
Zapytaj
1 szt.
—
34
596313-00
Podpora
Zapytaj
1 szt.
—
35
596314-00
Wentylator
Zapytaj
1 szt.
—
36
596126-00
Śruba
Zapytaj
1 szt.
—
37
596316-00
Nakładka
32,00 zł
1 szt.
—
38
596317-00
Sprężyna
18,00 zł
1 szt.
—
39
596318-00
Pręt
18,00 zł
1 szt.
—
40
596319-00
Zacisk - Podzespół
Zapytaj
1 szt.
—
42
596333-00
Płyta Podstawy
Zapytaj
1 szt.
—
43
596321-00
Uszczelnienie Filcowe
Zapytaj
1 szt.
—
44
596322-00
Podkładka Pierścieniowa Sprężysta
Zapytaj
1 szt.
—
45
596323-00
Łożysko
Zapytaj
1 szt.
—
46
596334-00
Przeciwwaga
Zapytaj
1 szt.
—
47
596325-00
Podkładka
Zapytaj
1 szt.
—
48
596326-00
Śruba
Zapytaj
1 szt.
—
49
596327-00
Uszczelniacz
Zapytaj
1 szt.
—
50
596335-00
Płyta Szlifierska
159,00 zł
1 szt.
—
51
596329-00
Osłona Przewodu
24,00 zł
1 szt.
—
52
596140-00
Cordset (Euro)
159,00 zł
1 szt.
—
53
596154-00
Przewód - Podzespół
16,00 zł
1 szt.
—
54
596155-00
Zwężka - Podzespół
Zapytaj
1 szt.
—
60
596342-00
Podkładka Z Rzepem
Zapytaj
1 szt.
—
836
559646-99
Narzędzie Do Zatrzaskiwania
Zapytaj
1 szt.
—
837
559647-99
Przyrząd Do Demontażu Podstawy
Zapytaj
1 szt.
—
856
DE2641
Punktak
Zapytaj
1 szt.
—