Części
Maszyny
Kontakt
Home
Maszyny
Narzędzia
DeWalt
Narzędzie
MVS501-Type-1 -
Narzędzie DeWalt
100%
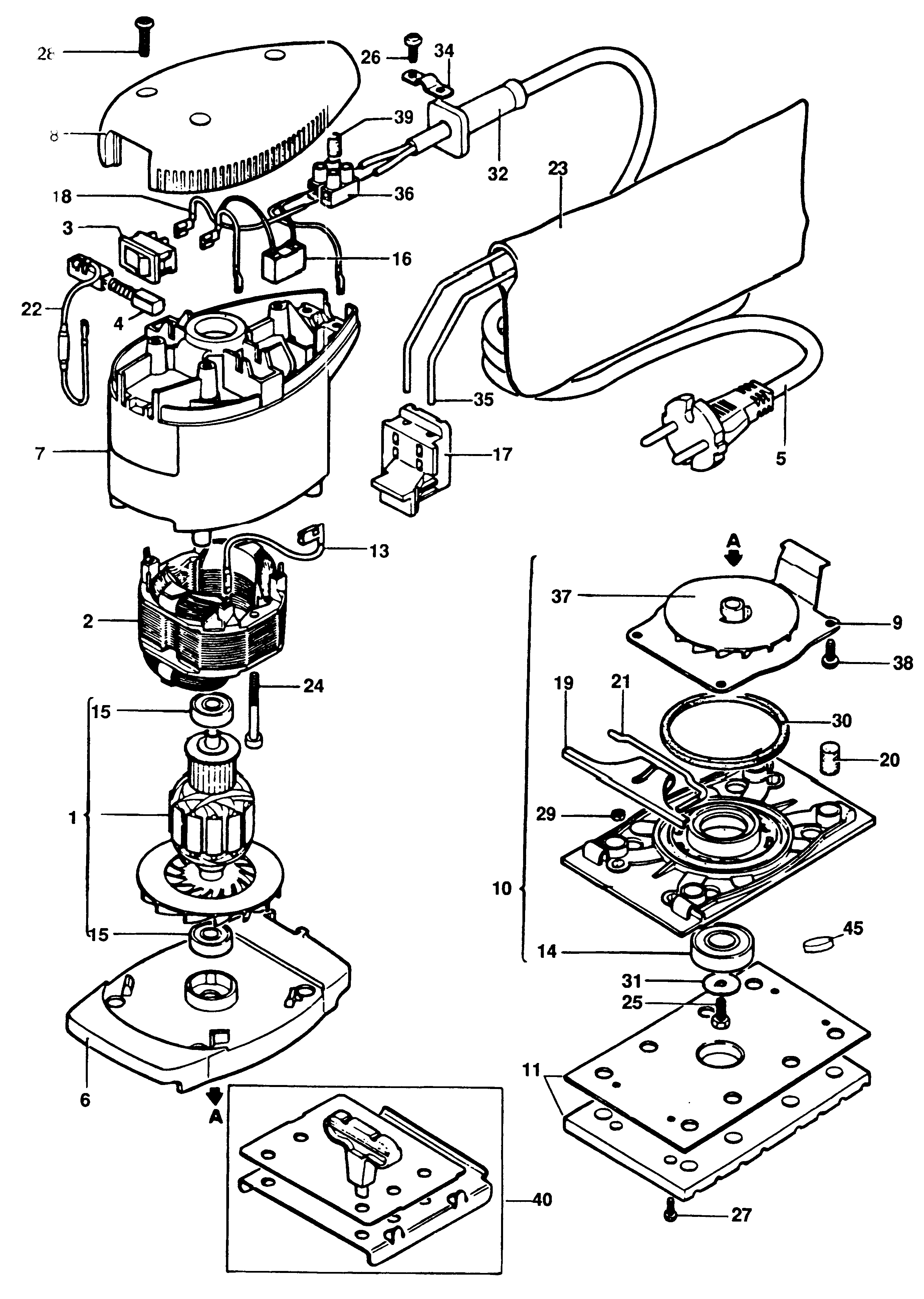
Poz:
1
3
4
5
6
7
8
9
10
11
13
14
15
16
17
18
19
20
22
23
24
25
26
27
28
29
30
31
32
34
35
36
38
41
42
35 części
Sortuj
Poz.
Nr kat.
Nazwa
Cena brutto
Ilość
Zamów
1
736397
Twornik
Zapytaj
1 szt.
—
3
735319
Wyłącznik
Zapytaj
1 szt.
—
4
959775
Fso Brush
Zapytaj
1 szt.
—
5
4688529
Przewód Na Metry
Zapytaj
1 szt.
—
6
738975
Skrzynka Przekładni
Zapytaj
1 szt.
—
7
735652-04
Skrzynka Pola
Zapytaj
1 szt.
—
8
738310
Pokrywa
Zapytaj
1 szt.
—
9
733309
Deflektor
Zapytaj
1 szt.
—
10
959776
Podstawa
Zapytaj
1 szt.
—
11
733313
Płyty - Podzespół
Zapytaj
1 szt.
—
13
733858
Przewód - Podzespół
Zapytaj
1 szt.
—
14
915541
Łożysko
Zapytaj
1 szt.
—
15
330003-19
Łożysko
16,00 zł
1 szt.
—
16
322938
Kondensator
Zapytaj
1 szt.
—
17
736614
Wspornik Podpierający
Zapytaj
1 szt.
—
18
323635-13
Lead 100Mm
Zapytaj
1 szt.
—
19
733312
Uchwyt
Zapytaj
1 szt.
—
20
735725
Kołek Gwintowany
Zapytaj
1 szt.
—
22
733854
Przewód - Podzespół
Zapytaj
1 szt.
—
23
733174
Worek
Zapytaj
1 szt.
—
24
736417
Śruba
Zapytaj
1 szt.
—
25
872449
Śruba
Zapytaj
1 szt.
—
26
911059
Śruba
Zapytaj
1 szt.
—
27
734892
Śruba
Zapytaj
1 szt.
—
28
911060
Śruba
Zapytaj
1 szt.
—
29
875258
Nakrętka
Zapytaj
1 szt.
—
30
733093
Podkładka Filcowa
Zapytaj
1 szt.
—
31
735313
Podkładka
Zapytaj
1 szt.
—
32
916968
Osłona Przewodu
Zapytaj
1 szt.
—
34
910556
Zacisk Przewodu
Zapytaj
1 szt.
—
35
733173
Klips
Zapytaj
1 szt.
—
36
323534-00
Złącze
Zapytaj
1 szt.
—
38
D911324
Śruba
Zapytaj
1 szt.
—
41
959893
Kołpak
7,00 zł
1 szt.
—
42
911276
Śruba
Zapytaj
1 szt.
—