Części
Maszyny
Kontakt
Home
Maszyny
Narzędzia
DeWalt
Narzędzie
DW275K-Type-1 -
Narzędzie DeWalt
100%
Poz:
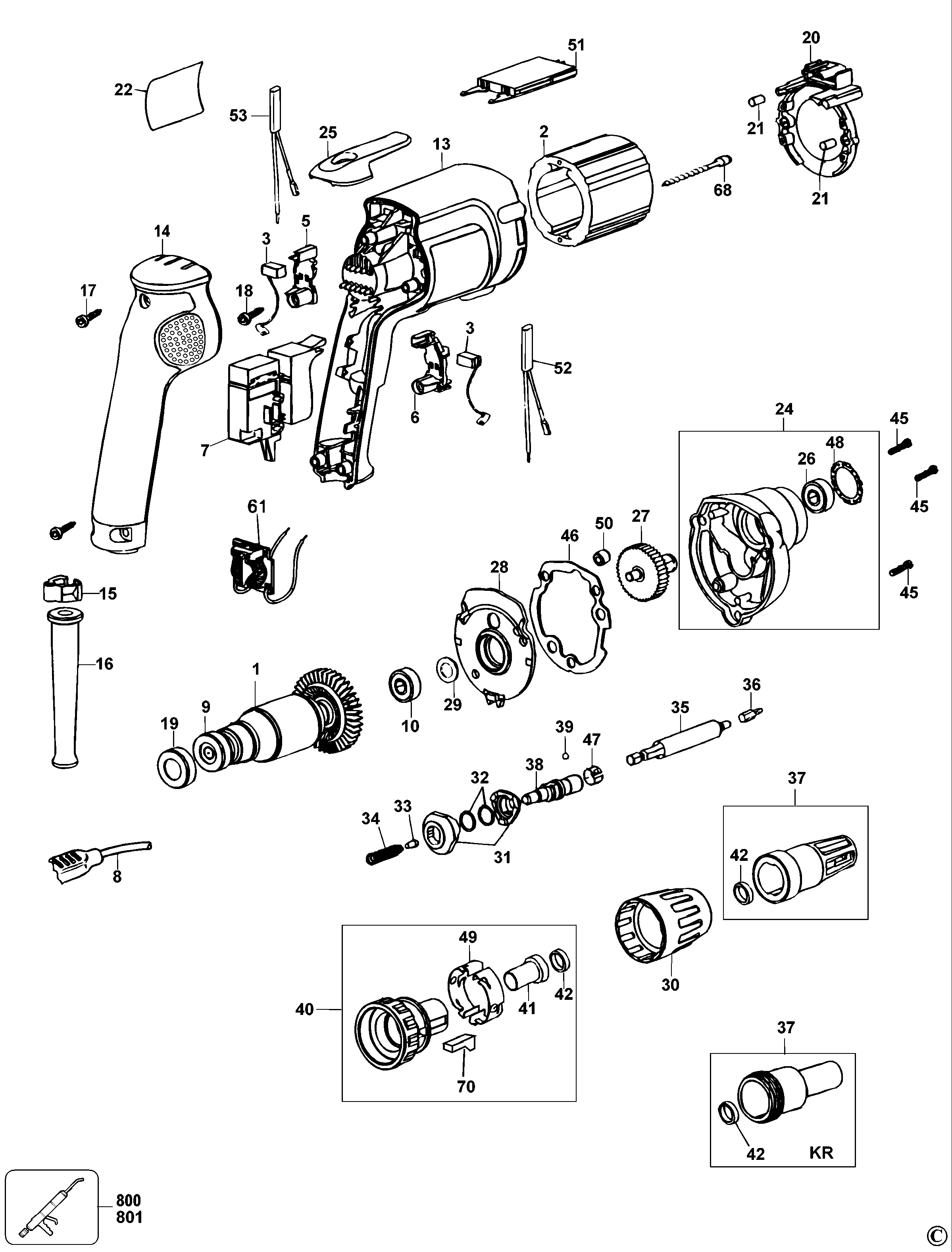
1
2
3
5
6
7
8
9
10
13
14
15
16
16
17
18
19
20
21
22
24
25
26
27
28
29
30
31
32
33
34
35
36
37
38
39
40
41
42
45
46
47
48
49
50
51
52
53
61
68
70
800
801
53 części
Sortuj
Poz.
Nr kat.
Nazwa
Cena brutto
Ilość
Zamów
1
579598-04
Twornik - Podzespół
367,00 zł
1 szt.
—
2
N803540
Pole - Podzespół
170,00 zł
1 szt.
—
3
176949-00
Szczotka 230V
18,00 zł
1 szt.
—
5
176801-03
Szczotkotrzymacz
159,00 zł
1 szt.
—
6
176800-03
Szczotkotrzymacz
123,00 zł
1 szt.
—
7
176830-15
Wyłącznik
Zapytaj
1 szt.
—
8
330120-86
Przewód Zasilający
69,00 zł
1 szt.
—
9
605040-06
Bearing,Ball
15,00 zł
1 szt.
—
10
605040-06
Bearing,Ball
15,00 zł
1 szt.
—
13
396969-04
Skrzynka Pola
Zapytaj
1 szt.
—
14
176816-03
Uchwyt Pokrywy
Zapytaj
1 szt.
—
15
402648-00
Zacisk Przewodu
7,00 zł
1 szt.
—
16
N542553
Osłona Przewodu
Zapytaj
1 szt.
—
16
N918736
Osłona Przewodu
7,00 zł
1 szt.
—
17
330019-13
Śruba
7,00 zł
1 szt.
—
18
330065-06
Śruba
7,00 zł
1 szt.
—
19
389824-00
Bagażnik
7,00 zł
1 szt.
—
20
176811-00
Przegroda
9,00 zł
1 szt.
—
21
949638-02
Tłumik Drgań
7,00 zł
1 szt.
—
22
395047-00
Etykieta Towarowa
7,00 zł
1 szt.
—
24
388562-00SV
Skrzynka Przekładni
123,00 zł
1 szt.
—
25
N045425
Klips
12,00 zł
1 szt.
—
26
605040-20
Łożysko
18,00 zł
1 szt.
—
27
176695-00SV
Przekładnia I Wrzeciono
224,00 zł
1 szt.
—
28
386622-00
Pokrywa Skrzynki Przekładni
34,00 zł
1 szt.
—
29
23813-00
Podkładka
Zapytaj
1 szt.
—
30
152492-01
Pierścień
27,00 zł
1 szt.
—
31
603478-00
Sprzęgło
Zapytaj
1 szt.
—
32
089210-00
Ustalacz
8,00 zł
1 szt.
—
33
021287-00
Osłona
7,00 zł
1 szt.
—
34
86211-00
Sprężyna
Zapytaj
1 szt.
—
35
619773-02
Uchwyt Na Końcówki
21,00 zł
1 szt.
—
36
607904-22
Końcówka Wkrętaka
7,00 zł
1 szt.
—
37
450770-02SV
Element Ustalający
123,00 zł
1 szt.
—
38
176697-00
Wrzeciono
102,00 zł
1 szt.
—
39
696631-00
Kulka
7,00 zł
1 szt.
—
40
N740053
Sprzęgło - Podzespół
42,00 zł
1 szt.
—
41
450907-00
Tuleja
24,00 zł
1 szt.
—
42
696534-00
Uszczelniacz
9,00 zł
1 szt.
—
45
330019-14
Śruba
7,00 zł
1 szt.
—
46
176655-00
Uszczelnienie
7,00 zł
1 szt.
—
47
094518-00
Ustalacz
7,00 zł
1 szt.
—
48
176689-00
Ustalacz
7,00 zł
1 szt.
—
49
391436-00
Sprężyna
7,00 zł
1 szt.
—
50
093128-00
Łożysko Igiełkowe
9,00 zł
1 szt.
—
51
176917-00
Moduł
Zapytaj
1 szt.
—
52
176890-00
Lead White
Zapytaj
1 szt.
—
53
176890-01
Lead Red
Zapytaj
1 szt.
—
61
383714-00
Układ Elektroniczny
Zapytaj
1 szt.
—
68
390198-00
Śruba
7,00 zł
1 szt.
—
70
390437-01
Wtyczka
27,00 zł
1 szt.
—
800
870889-02
Smar
51,00 zł
1 szt.
—
801
870889-02
Smar
51,00 zł
1 szt.
—