Części
Maszyny
Kontakt
Home
Maszyny
Narzędzia
DeWalt
Narzędzie
D27902M-Type-1 -
Narzędzie DeWalt
100%
Poz:
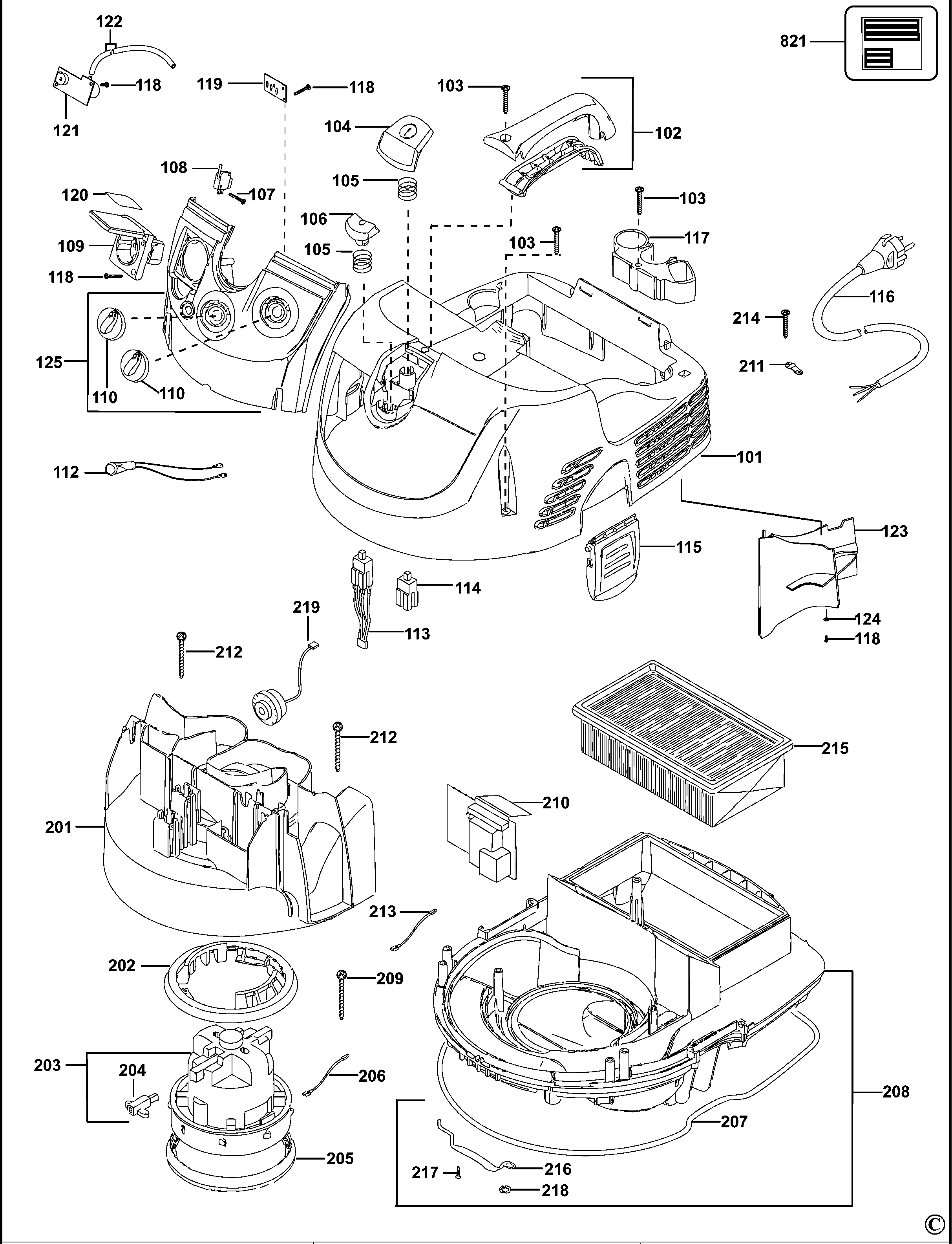
101
102
103
104
105
106
107
108
109
109
110
112
113
114
115
116
116
116
117
118
119
120
120
121
122
123
124
125
201
201
202
203
203
204
204
205
206
206
207
208
209
210
210
211
212
213
214
215
216
217
218
219
301
302
302
303
304
305
306
307
308
309
310
311
312
313
403
404
405
406
407
408
410
411
412
413
414
415
416
417
419
420
421
422
423
501
502
503
504
505
506
507
508
509
821
95 części
Sortuj
Poz.
Nr kat.
Nazwa
Cena brutto
Ilość
Zamów
101
1003241-00
Pokrywa - Podzespół
Zapytaj
1 szt.
—
102
1003242-00
Uchwyt - Podzespół
Zapytaj
1 szt.
—
103
1003286-00
Śruba
Zapytaj
1 szt.
—
104
1003259-00
Przycisk
Zapytaj
1 szt.
—
105
1003262-00
Sprężyna
Zapytaj
1 szt.
—
106
1003260-00
Przycisk
Zapytaj
1 szt.
—
107
597071-00
Śruba
Zapytaj
1 szt.
—
108
597078-00
Mikroprzełącznik
Zapytaj
1 szt.
—
109
597076-00
Gniazdo
Zapytaj
1 szt.
—
109
597077-00
Gniazdo
Zapytaj
1 szt.
—
110
1003258-00
Gałka
Zapytaj
1 szt.
—
112
597075-00
Oprawa Lampy - Podzespół
Zapytaj
1 szt.
—
113
1003273-00
Wyłącznik
Zapytaj
1 szt.
—
114
597064-00
Wyłącznik
Zapytaj
1 szt.
—
115
1003250-00
Ustalacz
Zapytaj
1 szt.
—
116
1003279-00
Cordset (M/Plug) Qs
Zapytaj
1 szt.
—
116
1003280-00
Cordset (M/Plug) Gb
Zapytaj
1 szt.
—
116
1003275-00
Cordset (M/Plug)
Zapytaj
1 szt.
—
117
597070-00
Wspornik
Zapytaj
1 szt.
—
118
597081-00
Śruba
Zapytaj
1 szt.
—
119
1003246-00
Układ Elektroniczny
Zapytaj
1 szt.
—
120
597079-00
Nalepka Znamionowa
Zapytaj
1 szt.
—
120
597080-00
Nalepka Znamionowa
Zapytaj
1 szt.
—
121
1004555-03
Wyłącznik
Zapytaj
1 szt.
—
122
1004555-12
Przewód
Zapytaj
1 szt.
—
123
1004555-07
Klapa
Zapytaj
1 szt.
—
124
1004555-18
Podkładka
Zapytaj
1 szt.
—
125
1004555-04
Panel
Zapytaj
1 szt.
—
201
1004555-02
Pokrywa Silnika
Zapytaj
1 szt.
—
201
1003243-00
Osłona
Zapytaj
1 szt.
—
202
1003264-00
Uszczelniacz
Zapytaj
1 szt.
—
203
1003271-00
Silnik Sa 120V
Zapytaj
1 szt.
—
203
1003270-00
Silnik Sa 230V
776,00 zł
1 szt.
—
204
1003272-00
Szczotka Pair 230V
Zapytaj
1 szt.
—
204
1003360-00
Szczotka Pair 115V
Zapytaj
1 szt.
—
205
1003265-00
Uszczelniacz
Zapytaj
1 szt.
—
206
1003281-00
Przewód Zasilający
Zapytaj
1 szt.
—
206
1003277-00
Przewód Zasilający
Zapytaj
1 szt.
—
207
1003266-00
Uszczelnienie Gumowe
Zapytaj
1 szt.
—
208
1004555-00
Pokrywa
Zapytaj
1 szt.
—
209
1003256-00
Wkładka
Zapytaj
1 szt.
—
210
1003244-00
Electronic 230V
Zapytaj
1 szt.
—
210
1003247-00
Electronic 120V
Zapytaj
1 szt.
—
211
560203-00
Zacisk Przewodu
Zapytaj
1 szt.
—
212
1003287-00
Śruba
Zapytaj
1 szt.
—
213
1003278-00
Przewód Zasilający
Zapytaj
1 szt.
—
214
1003289-00
Śruba
Zapytaj
1 szt.
—
215
1003284-00
Filtr
Zapytaj
1 szt.
—
216
1003261-00
Sprężyna
Zapytaj
1 szt.
—
217
597105-00
Śruba
Zapytaj
1 szt.
—
218
1003268-00
Nakrętka
Zapytaj
1 szt.
—
219
1004555-13
Głośnik
Zapytaj
1 szt.
—
301
1003252-00
Uchwyt
Zapytaj
1 szt.
—
302
1003282-00
Magnes
279,00 zł
1 szt.
—
302
1003283-00
Magnes
Zapytaj
1 szt.
—
303
1003269-00
O-Ring
Zapytaj
1 szt.
—
304
1003239-00
Zawór
285,00 zł
1 szt.
—
305
1003263-00
Uszczelniacz
Zapytaj
1 szt.
—
306
1003251-00
Prowadzenie Sprężyny
Zapytaj
1 szt.
—
307
1003253-00
Pokrywa-Górna
Zapytaj
1 szt.
—
308
1003254-00
Pokrywa
Zapytaj
1 szt.
—
309
1003290-00
Śruba
Zapytaj
1 szt.
—
310
1003276-00
Set Of Lead Wires
Zapytaj
1 szt.
—
311
1003285-00
Śruba
Zapytaj
1 szt.
—
312
1003291-00
Podkładka
Zapytaj
1 szt.
—
313
1003288-00
Śruba
Zapytaj
1 szt.
—
403
597112-00
Wspornik
Zapytaj
1 szt.
—
404
1003255-00
Oś
Zapytaj
1 szt.
—
405
1003267-00
Ustalacz
Zapytaj
1 szt.
—
406
597115-00
Zakończenie
Zapytaj
1 szt.
—
407
597116-00
Koło
Zapytaj
1 szt.
—
408
597117-00
Kółko Samonastawne
Zapytaj
1 szt.
—
410
1003257-00
Dystans
Zapytaj
1 szt.
—
411
1004555-09
Klips
Zapytaj
1 szt.
—
412
1004555-06
Gniazdo
Zapytaj
1 szt.
—
413
1004555-11
Wylot
Zapytaj
1 szt.
—
414
1004555-14
Śruba
Zapytaj
1 szt.
—
415
1004555-19
Śruba
Zapytaj
1 szt.
—
416
1004555-15
Śruba
Zapytaj
1 szt.
—
417
1004555-08
Rama
Zapytaj
1 szt.
—
419
1004555-10
Etykieta
Zapytaj
1 szt.
—
420
1004555-01
Zbiornik
Zapytaj
1 szt.
—
421
1004555-17
Śruba
Zapytaj
1 szt.
—
422
1004555-16
Śruba
Zapytaj
1 szt.
—
423
1004555-05
Płyta Dociskowa
Zapytaj
1 szt.
—
501
597119-00
Zestaw Naprawczy
Zapytaj
1 szt.
—
502
597122-00
Uszczelniacz
Zapytaj
1 szt.
—
503
597120-00
Pierścień
Zapytaj
1 szt.
—
504
597127-00
Złącze
102,00 zł
1 szt.
—
505
597121-00
Przewód Giętki - Podzespół
Zapytaj
1 szt.
—
506
597124-00
Złączka
102,00 zł
1 szt.
—
507
597128-00
Narzędzie Do Wytwarzania
78,00 zł
1 szt.
—
508
597125-00
Szczelinomierz
38,00 zł
1 szt.
—
509
1003245-00
Filtr Workowy
199,00 zł
1 szt.
—
821
N105398
Tabliczka Znamionowa
Zapytaj
1 szt.
—