Części
Maszyny
Kontakt
Home
Maszyny
Narzędzia
DeWalt
Narzędzie
MVS47-Type-1 -
Narzędzie DeWalt
100%
Poz:
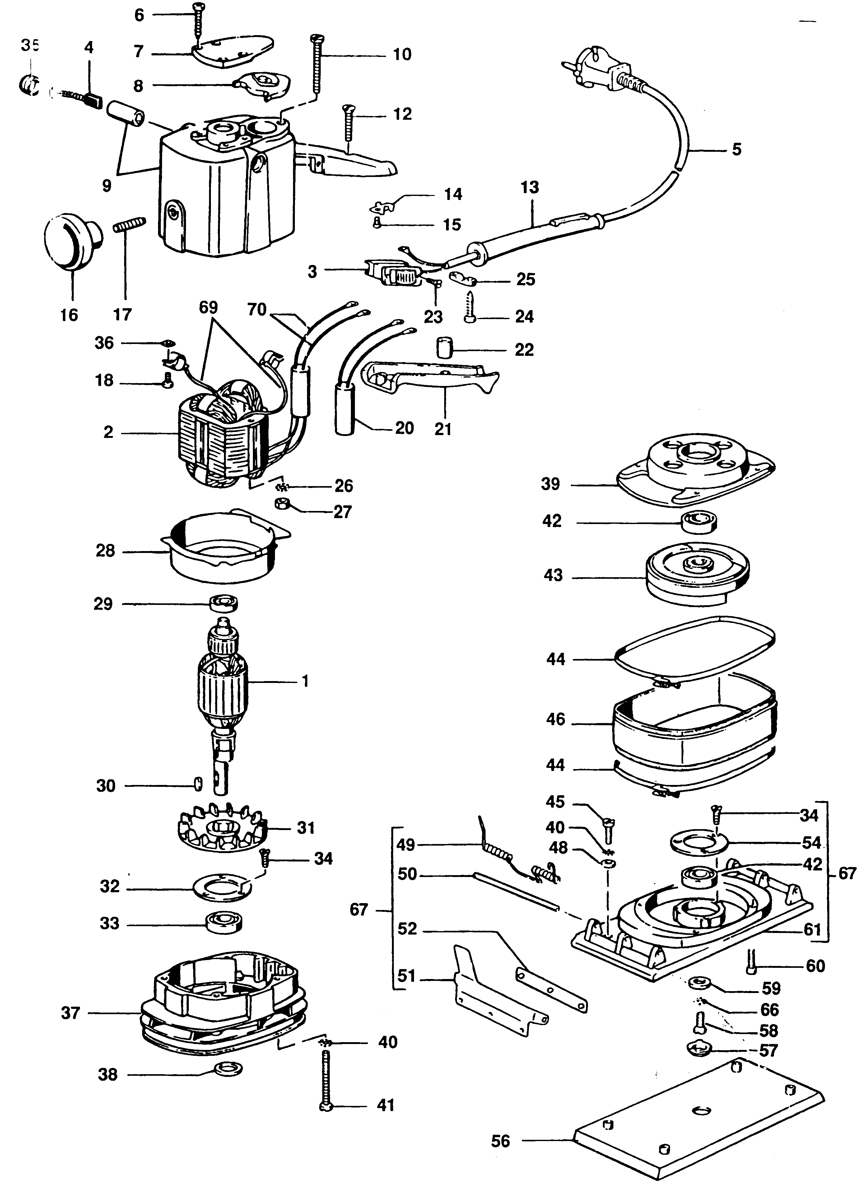
1
1
2
2
3
3
4
4
5
5
5
5
5
6
7
8
9
9
9
12
13
13
14
15
16
17
18
20
20
21
21
22
23
24
25
25
26
27
28
29
30
31
32
33
34
36
37
38
39
40
41
42
43
44
45
46
48
49
50
51
52
54
56
57
59
60
61
66
67
69
70
71 części
Sortuj
Poz.
Nr kat.
Nazwa
Cena brutto
Ilość
Zamów
1
047100208
Twornik 110V
Zapytaj
1 szt.
—
1
047100206
Twornik 220V
Zapytaj
1 szt.
—
2
047102103
Stojan 220V
Zapytaj
1 szt.
—
2
249349-00
Stojan 115V
Zapytaj
1 szt.
—
3
036160300
Wyłącznik
Zapytaj
1 szt.
—
3
N566709
Wyłącznik
199,00 zł
1 szt.
—
4
025121501
Szczotka
32,00 zł
1 szt.
—
4
025121502
Szczotka 115V
Zapytaj
1 szt.
—
5
096101907
Przewód
Zapytaj
1 szt.
—
5
868068-00
Przewód
Zapytaj
1 szt.
—
5
248488-11
Cordset (M/Plug)
Zapytaj
1 szt.
—
5
868097-00
Przewód
Zapytaj
1 szt.
—
5
325612-01
Cordset (M/Plug)
Zapytaj
1 szt.
—
6
247696-00
Śruba
Zapytaj
1 szt.
—
7
036151904
Pokrywa
Zapytaj
1 szt.
—
8
047120600
Pokrywa
Zapytaj
1 szt.
—
9
047120103
Osłona
Zapytaj
1 szt.
—
9
247606-00
Skrzynka Pola - Podzespół
Zapytaj
1 szt.
—
9
247606-10
Osłona
Zapytaj
1 szt.
—
12
036811600
Śruba
Zapytaj
1 szt.
—
13
320785
Osłona Przewodu
8,00 zł
1 szt.
—
13
720703-00
Ochraniacz
7,00 zł
1 szt.
—
14
025160000
Płyta
Zapytaj
1 szt.
—
15
249424-00
Śruba
Zapytaj
1 szt.
—
16
941609-00
Gałka
Zapytaj
1 szt.
—
17
760242-00
Śruba
7,00 zł
1 szt.
—
18
025811100
Śruba
Zapytaj
1 szt.
—
20
324624-00
Kondensator
Zapytaj
1 szt.
—
20
320842-03
Kondensator
Zapytaj
1 szt.
—
21
249524-00
Osłona - Zestaw Naprawczy
Zapytaj
1 szt.
—
21
324592-00
Pokrywa
Zapytaj
1 szt.
—
22
249524-00
Osłona - Zestaw Naprawczy
Zapytaj
1 szt.
—
23
047811000
Śruba
Zapytaj
1 szt.
—
24
249424-01
Śruba
Zapytaj
1 szt.
—
25
910556
Zacisk Przewodu
Zapytaj
1 szt.
—
25
040162700
Zacisk Przewodu
Zapytaj
1 szt.
—
26
093820600
Podkładka Blokująca
Zapytaj
1 szt.
—
27
249232-00
Nakrętka M4
Zapytaj
1 szt.
—
28
047120901
Pokrywa
Zapytaj
1 szt.
—
29
025830002
Łożysko 609Zz
Zapytaj
1 szt.
—
30
021827000
Klucz
Zapytaj
1 szt.
—
31
047130501
Wentylator
Zapytaj
1 szt.
—
32
868047-00
Płyta
18,00 zł
1 szt.
—
33
868768-16
Łożysko
27,00 zł
1 szt.
—
34
249412-13
Śruba
Zapytaj
1 szt.
—
36
013822600
Nakrętka
Zapytaj
1 szt.
—
37
249359-00
Osłona Przekładni
Zapytaj
1 szt.
—
38
047110704
Dystans
Zapytaj
1 szt.
—
39
047120202
Płyta
Zapytaj
1 szt.
—
40
725163
Podkładka
Zapytaj
1 szt.
—
41
860089-14
Śruba
Zapytaj
1 szt.
—
42
247571-00
Łożysko
Zapytaj
1 szt.
—
43
047122703
Przeciwwaga
Zapytaj
1 szt.
—
44
249325-00
Klips - Podzespół
Zapytaj
1 szt.
—
45
860089-25
Śruba
Zapytaj
1 szt.
—
46
326351-01
Powłoka
Zapytaj
1 szt.
—
48
941633-00
Podkładka
7,00 zł
1 szt.
—
49
047930908
Sprężyna
Zapytaj
1 szt.
—
50
017810300
Kołek
Zapytaj
1 szt.
—
51
017110800
Dźwignia
Zapytaj
1 szt.
—
52
017111700
Płyta
Zapytaj
1 szt.
—
54
047114702
Płyta
Zapytaj
1 szt.
—
56
047103400
Płyta
Zapytaj
1 szt.
—
57
047118500
Kołpak
Zapytaj
1 szt.
—
59
047110701
Odstęp
Zapytaj
1 szt.
—
60
249424-06
Śruba
Zapytaj
1 szt.
—
61
047111701
Płyta Podstawy
Zapytaj
1 szt.
—
66
047820600
Podkładka Blokująca
Zapytaj
1 szt.
—
67
047103305
Płyta
Zapytaj
1 szt.
—
69
047164503
Lead 80Mm Yellow
Zapytaj
1 szt.
—
70
047164502
Lead 200Mm Red
Zapytaj
1 szt.
—