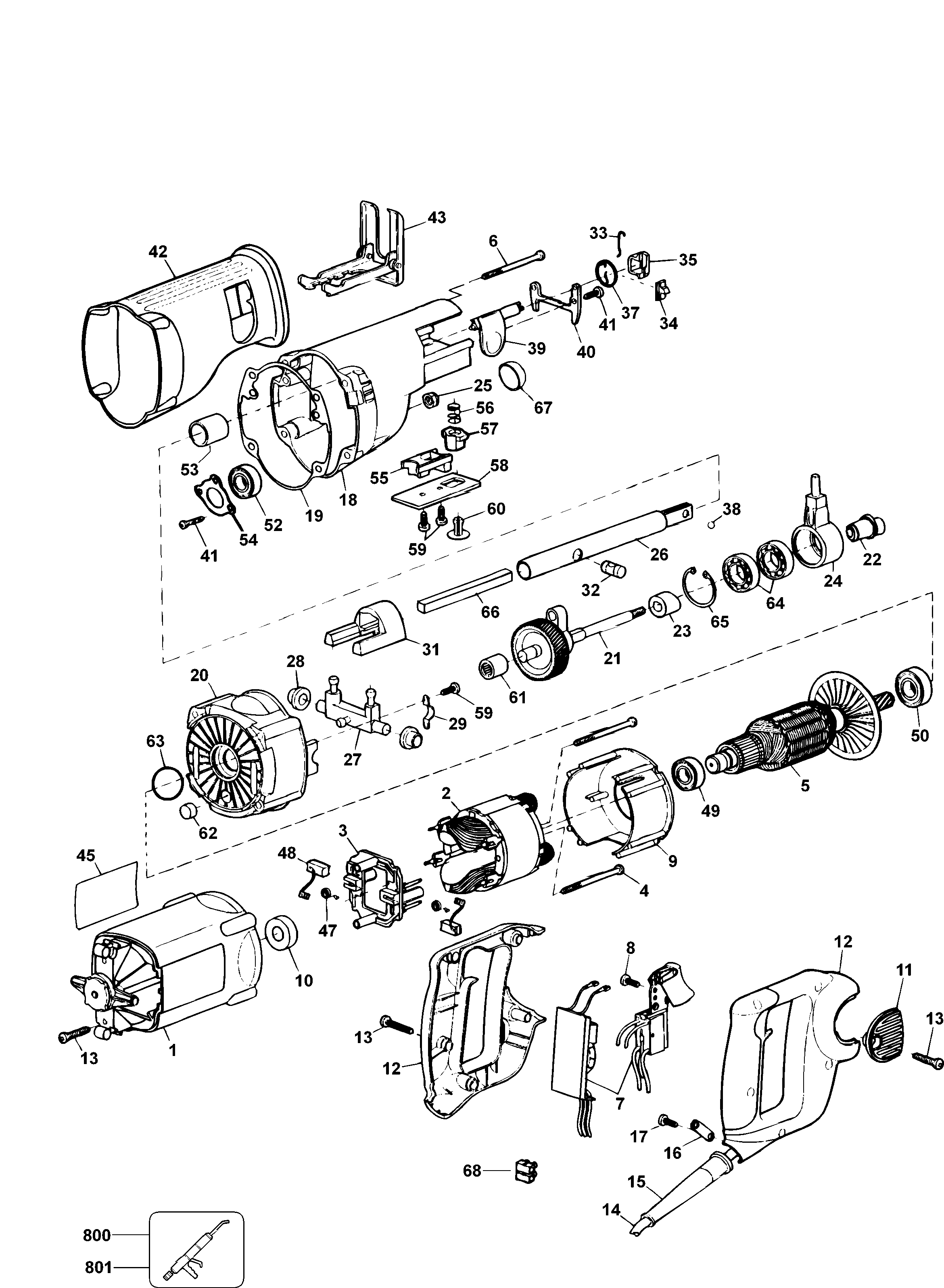
Części
Maszyny
Kontakt
Home
Maszyny
Narzędzia
DeWalt
Narzędzie
TS815E-Type-2 -
Narzędzie DeWalt
100%
Poz:
1
2
3
4
5
6
7
8
9
10
11
12
13
14
15
15
16
17
18
19
20
21
22
23
24
25
26
27
28
29
31
32
33
34
35
37
38
39
40
41
42
43
45
47
48
49
50
52
53
54
55
56
57
58
59
60
61
62
63
64
65
66
67
68
800
801
66 części
Sortuj
Poz.
Nr kat.
Nazwa
Cena brutto
Ilość
Zamów
1
382748-03
Skrzynka Pola
Zapytaj
1 szt.
—
2
381711-01
Pole
Zapytaj
1 szt.
—
3
N402490
Szczotki - Podzespół
57,00 zł
1 szt.
—
4
330019-19
Śruba
7,00 zł
1 szt.
—
5
383392-01
Twornik
Zapytaj
1 szt.
—
6
330019-34
Śruba
7,00 zł
1 szt.
—
7
382642-01
Wyłącznik - Podzespół
Zapytaj
1 szt.
—
8
330019-01
Śruba
7,00 zł
1 szt.
—
9
382750-01
Baffle Fan
Zapytaj
1 szt.
—
10
137382-02
Tuleja
Zapytaj
1 szt.
—
11
382751-00
Pokrywa Szczotki
Zapytaj
1 szt.
—
12
384177-01
Chwytak Dwuszczękowy
Zapytaj
1 szt.
—
13
330019-13
Śruba
7,00 zł
1 szt.
—
14
330120-86
Przewód Zasilający
69,00 zł
1 szt.
—
15
N918736
Osłona Przewodu
7,00 zł
1 szt.
—
15
N542553
Osłona Przewodu
Zapytaj
1 szt.
—
16
380414-00
Zacisk Przewodu
Zapytaj
1 szt.
—
17
330019-02
Śruba
7,00 zł
1 szt.
—
18
385721-00
Skrzynka Przekładni
Zapytaj
1 szt.
—
19
383752-00
Uszczelnienie
Zapytaj
1 szt.
—
20
385720-00
Pokrywa Skrzynki Przekładni
Zapytaj
1 szt.
—
21
429952-00
Wał - Podzespół
Zapytaj
1 szt.
—
22
397097-00
Napęd - Podzespół
Zapytaj
1 szt.
—
23
397097-00
Napęd - Podzespół
Zapytaj
1 szt.
—
24
385872-00
Pokrywa Łożyska
Zapytaj
1 szt.
—
25
330021-07
Nakrętka
7,00 zł
1 szt.
—
26
623504-00
Wał
Zapytaj
1 szt.
—
27
383195-01
Ramię
Zapytaj
1 szt.
—
28
383280-00
Łożysko Cierne
Zapytaj
1 szt.
—
29
383219-00
Płyta Dociskowa
Zapytaj
1 szt.
—
31
625752-00
Przeciwwaga
Zapytaj
1 szt.
—
32
382187-00
Oś
Zapytaj
1 szt.
—
33
620663-00
Kołek Blokady
7,00 zł
1 szt.
—
34
383749-01
Ślizg
Zapytaj
1 szt.
—
35
604731-00
Zacisk Brzeszczotu
42,00 zł
1 szt.
—
37
623343-00
Sprężyna
7,00 zł
1 szt.
—
38
000903-00
Kulka
38,00 zł
1 szt.
—
39
391452-01
Dźwignia
Zapytaj
1 szt.
—
40
383745-00
Płytka Ustalająca
Zapytaj
1 szt.
—
41
330045-05
Śruba
7,00 zł
1 szt.
—
42
384023-00
Bagażnik
Zapytaj
1 szt.
—
43
383435-00
Stopa
Zapytaj
1 szt.
—
45
152534-00
Plakietka Z Nazwą
Zapytaj
1 szt.
—
47
383387-00
Sprężyna Szczotki
14,00 zł
1 szt.
—
48
N501035
Szczotka
38,00 zł
1 szt.
—
49
605040-20
Łożysko
18,00 zł
1 szt.
—
50
605040-20
Łożysko
18,00 zł
1 szt.
—
52
605040-06
Bearing,Ball
15,00 zł
1 szt.
—
53
383241-00
Łożysko
Zapytaj
1 szt.
—
54
384466-00
Płytka Ustalająca
Zapytaj
1 szt.
—
55
389999-00
Dystans
Zapytaj
1 szt.
—
56
45550-00
Sprężyna
Zapytaj
1 szt.
—
57
613056-00
Kołek
Zapytaj
1 szt.
—
58
389999-00
Dystans
Zapytaj
1 szt.
—
59
330045-06
Śruba
7,00 zł
1 szt.
—
60
384405-00
Przycisk
Zapytaj
1 szt.
—
61
330004-02
Łożysko Igiełkowe
10,00 zł
1 szt.
—
62
384401-00
Wtyczka
Zapytaj
1 szt.
—
63
99180-24
Uszczelniacz
Zapytaj
1 szt.
—
64
605040-25
Bearing,Ball
18,00 zł
1 szt.
—
65
99022-02
Pierścień Sprężynujący
Zapytaj
1 szt.
—
66
387262-00
Olejarka
Zapytaj
1 szt.
—
67
383227-00
Kołpak
Zapytaj
1 szt.
—
68
320078-00
Blok Zacisku
7,00 zł
1 szt.
—
800
429698-00
Smar
748,00 zł
1 szt.
—
801
286436-00
Smar
709,00 zł
1 szt.
—