Części
Maszyny
Kontakt
Home
Maszyny
Narzędzia
DeWalt
Narzędzie
PS274E-Type-2 -
Narzędzie DeWalt
100%
Poz:
1
2
3
4
5
6
7
8
9
10
11
13
14
15
16
17
18
19
20
21
22
23
24
25
26
27
28
29
30
31
32
34
35
36
37
38
39
40
41
42
46
47
48
49
51
52
53
54
55
56
57
58
60
61
62
63
65
66
66
67
68
69
70
71
72
73
74
75
76
79
81
82
83
84
85
86
87
88
89
90
91
92
93
96
97
98
101
102
103
106
107
108
109
110
113
113
114
115
116
117
117
118
118
119
120
121
122
123
125
126
127
128
129
130
131
132
133
134
138
139
140
141
142
143
144
145
146
147
148
149
150
151
152
153
154
155
156
157
158
161
164
165
166
167
168
169
171
172
175
176
177
185
186
187
188
189
190
191
192
193
194
195
196
197
198
199
836
837
838
839
170 części
Sortuj
Poz.
Nr kat.
Nazwa
Cena brutto
Ilość
Zamów
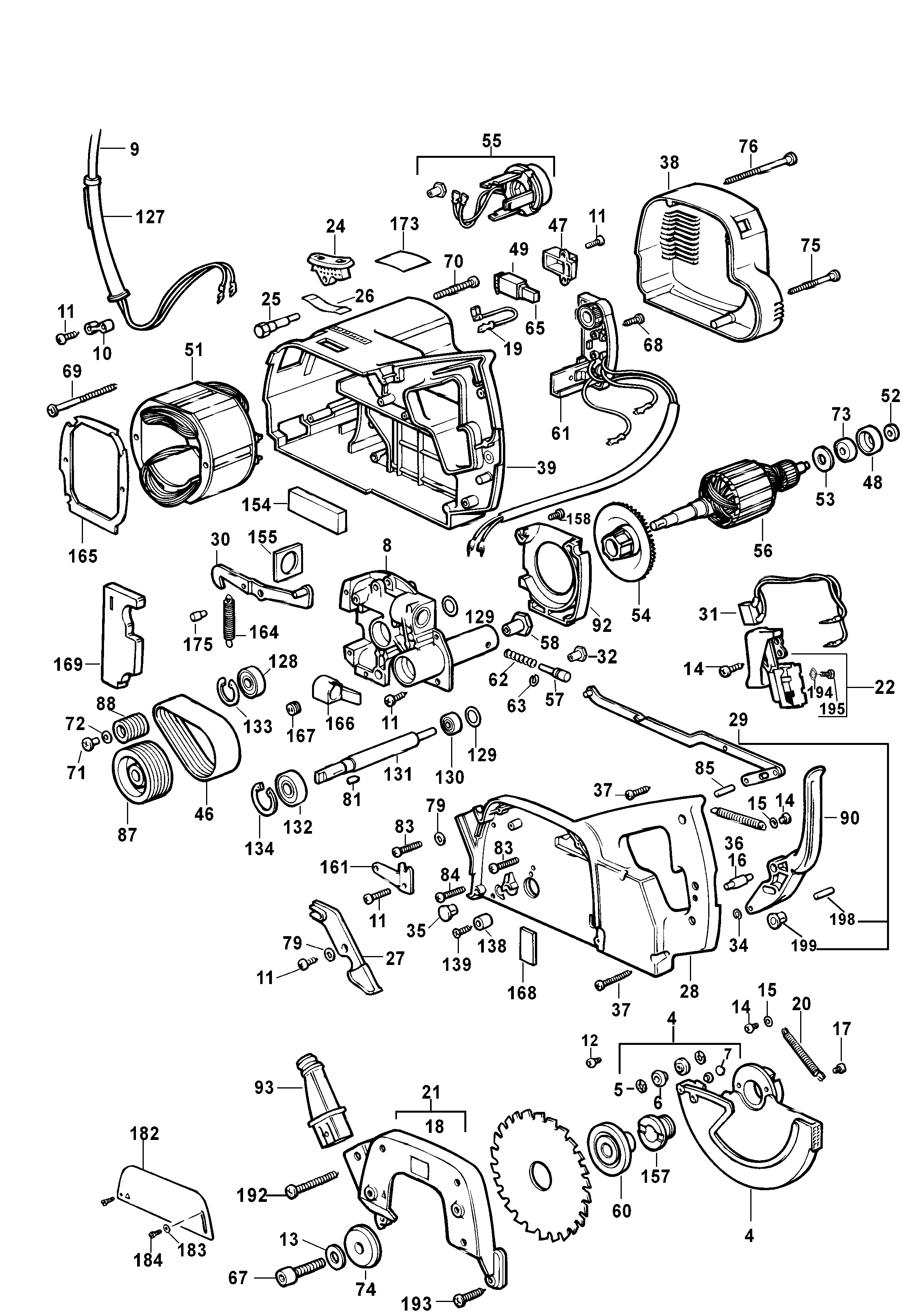
1
861848-00
Stół - Podzespół
Zapytaj
1 szt.
—
2
401206-00
Stół Obrotowy
Zapytaj
1 szt.
—
3
947000-00
Segment
Zapytaj
1 szt.
—
4
861361-01
Osłona - Podzespół
Zapytaj
1 szt.
—
5
861366-00
Szybkie Zamknięcie
7,00 zł
1 szt.
—
6
861367-01
Wałek
10,00 zł
1 szt.
—
7
760298-01
Wkładka
7,00 zł
1 szt.
—
8
947645-00
Sanie Wzdłużne - Podzespół
Zapytaj
1 szt.
—
9
947108-07
Przewód - Podzespół
102,00 zł
1 szt.
—
10
720748-00
Zacisk
Zapytaj
1 szt.
—
11
860084-12
Śruba
7,00 zł
1 szt.
—
13
949876-19
Podkładka
7,00 zł
1 szt.
—
14
860084-20
Śruba
7,00 zł
1 szt.
—
15
860073-00
Podkładka
7,00 zł
1 szt.
—
16
760296-01
Oś Przegubu
7,00 zł
1 szt.
—
17
860084-20
Śruba
7,00 zł
1 szt.
—
18
401028-05
Etykieta Towarowa
Zapytaj
1 szt.
—
19
942589-00
Przewód
Zapytaj
1 szt.
—
20
868512-00
Sprężyna
Zapytaj
1 szt.
—
21
943004-03
Osłona
Zapytaj
1 szt.
—
22
947486-00
Wyłącznik - Podzespół
137,00 zł
1 szt.
—
23
947613-00
Wspornik
14,00 zł
1 szt.
—
24
946871-00
Przycisk Blokady
Zapytaj
1 szt.
—
25
947016-00
Mimośród
Zapytaj
1 szt.
—
26
946876-00
Sprężyna Płytkowa
Zapytaj
1 szt.
—
27
946880-00
Dźwignia
8,00 zł
1 szt.
—
28
946999-03
Uchwyt I Pokrywa
Zapytaj
1 szt.
—
29
861765-00
Zestaw - Podzespół
78,00 zł
1 szt.
—
30
947010-01
Dźwignia
Zapytaj
1 szt.
—
31
947025-00
Kondensator
Zapytaj
1 szt.
—
32
401167-00
Złączka Plastikowa
Zapytaj
1 szt.
—
34
949728-02
Pierścień Sprężynujący
Zapytaj
1 szt.
—
35
947067-00
Wtyczka
8,00 zł
1 szt.
—
36
947019-00
Sprężyna
7,00 zł
1 szt.
—
37
949896-10
Śruba
7,00 zł
1 szt.
—
38
946877-01
Zakończenie
Zapytaj
1 szt.
—
39
946997-03
Skrzynka Pola
Zapytaj
1 szt.
—
40
947063-00
Ochwyt Blokady
Zapytaj
1 szt.
—
41
943016-01
Lock-Nut
Zapytaj
1 szt.
—
42
947062-00
Podkładka
Zapytaj
1 szt.
—
46
760215-00
Pasek
102,00 zł
1 szt.
—
47
942569-00
Zacisk
Zapytaj
1 szt.
—
48
934409-00
Tuleja
Zapytaj
1 szt.
—
49
761202-00
Zestaw Ze Szczotkami - Podzespół
27,00 zł
1 szt.
—
51
868405-01
Pole
Zapytaj
1 szt.
—
52
945893-00
Wychwytywacz
42,00 zł
1 szt.
—
53
944975-00
Dystans
Zapytaj
1 szt.
—
54
946857-01
Wentylator
Zapytaj
1 szt.
—
55
401204-00
Brake Sa 230V
Zapytaj
1 szt.
—
56
861379-09
Twornik 230V
Zapytaj
1 szt.
—
57
947011-01
Przycisk Blokady
Zapytaj
1 szt.
—
58
947013-00
Złączka Stalowa
Zapytaj
1 szt.
—
60
947022-00
Pierścień Wewnętrzny
Zapytaj
1 szt.
—
61
947064-02
Układ Elektroniczny - Podzespół
Zapytaj
1 szt.
—
62
947070-00
Sprężyna
7,00 zł
1 szt.
—
63
949728-01
Pierścień Sprężynujący
7,00 zł
1 szt.
—
65
949736-01
Odcięcie Szczotki
42,00 zł
1 szt.
—
66
401363-00
Wkładka
69,00 zł
1 szt.
—
66
401457-00
Wkładka - Podzespół
57,00 zł
1 szt.
—
67
949886-27
Śruba
Zapytaj
1 szt.
—
68
760299-00
Śruba
Zapytaj
1 szt.
—
69
760251-00
Śruba
Zapytaj
1 szt.
—
70
949894-02
Śruba
7,00 zł
1 szt.
—
71
949886-26
Śruba
7,00 zł
1 szt.
—
72
760261-00
Podkładka
Zapytaj
1 szt.
—
73
577745-00
Łożysko
27,00 zł
1 szt.
—
74
942959-03
Nakrętka Zewnętrzna
Zapytaj
1 szt.
—
75
931298-02
Śruba
Zapytaj
1 szt.
—
76
930082-01
Śruba
8,00 zł
1 szt.
—
79
860073-00
Podkładka
7,00 zł
1 szt.
—
81
940441-00
Klucz
7,00 zł
1 szt.
—
82
949609-01
Śruba
Zapytaj
1 szt.
—
83
949894-04
Śruba
7,00 zł
1 szt.
—
84
330045-05
Śruba
7,00 zł
1 szt.
—
85
949739-01
Kołek
7,00 zł
1 szt.
—
86
860073-05
Podkładka
7,00 zł
1 szt.
—
87
861356-00
Koło Pasowe
42,00 zł
1 szt.
—
88
401166-00
Koło Pasowe
27,00 zł
1 szt.
—
89
330045-26
Śruba
8,00 zł
1 szt.
—
90
946869-02
Dźwignia
32,00 zł
1 szt.
—
91
946853-03
Prowadnica
199,00 zł
1 szt.
—
92
946863-00
Przegroda
Zapytaj
1 szt.
—
93
760311-00
Złączka
9,00 zł
1 szt.
—
96
760312-00
Złączka
10,00 zł
1 szt.
—
97
947620-00
Złączka
10,00 zł
1 szt.
—
98
860094-03
Śruba
7,00 zł
1 szt.
—
101
330045-55
Śruba
7,00 zł
1 szt.
—
102
946861-01
Podziałka
Zapytaj
1 szt.
—
103
861809-00
Stopa - Podzespół
51,00 zł
1 szt.
—
106
860098-04
Klucz 6 Mm
7,00 zł
1 szt.
—
107
949882-01
Klucz 4 Mm
7,00 zł
1 szt.
—
108
N409486
Śruba
12,00 zł
1 szt.
—
109
860092-00
Nakrętka
7,00 zł
1 szt.
—
110
949889-07
Śruba
Zapytaj
1 szt.
—
113
947020-00
Uszczelniacz
Zapytaj
1 szt.
—
113
861925-03
Wkładka
Zapytaj
1 szt.
—
114
946858-01
Zacisk
Zapytaj
1 szt.
—
115
946858-00
Zacisk
Zapytaj
1 szt.
—
116
946848-00
Śruba
Zapytaj
1 szt.
—
117
860205-04
Śruba
7,00 zł
1 szt.
—
117
949894-06
Śruba
7,00 zł
1 szt.
—
118
861926-01
Wkładka
Zapytaj
1 szt.
—
118
946856-00
Wkładka
115,00 zł
1 szt.
—
119
947015-01
Śruby Uchwytu - Podzespół
51,00 zł
1 szt.
—
120
946864-00
Dźwignia
21,00 zł
1 szt.
—
121
949734-01
Kołek
Zapytaj
1 szt.
—
122
946866-00
Sprężyna
7,00 zł
1 szt.
—
123
401176-00
Zaczep
Zapytaj
1 szt.
—
125
935857-00
O-Ring
Zapytaj
1 szt.
—
126
949705-01
Podkładka
7,00 zł
1 szt.
—
127
720703-00
Ochraniacz
7,00 zł
1 szt.
—
128
861721-13
Łożysko
24,00 zł
1 szt.
—
129
930117-00
Podkładka
Zapytaj
1 szt.
—
130
N110358
Łożysko
18,00 zł
1 szt.
—
131
947012-01
Wrzeciono
Zapytaj
1 szt.
—
132
861721-10
Łożysko
16,00 zł
1 szt.
—
133
949729-02
Pierścień Sprężynujący
7,00 zł
1 szt.
—
134
949729-03
Pierścień Sprężynujący
7,00 zł
1 szt.
—
138
761306-00
Odbój
7,00 zł
1 szt.
—
139
761307-00
Śruba
Zapytaj
1 szt.
—
140
401172-01
Fso Support Sa
Zapytaj
1 szt.
—
141
941756-00
Gałka
10,00 zł
1 szt.
—
142
943016-00
Nakrętka Blokady
Zapytaj
1 szt.
—
143
860226-02
Podkładka
7,00 zł
1 szt.
—
144
947290-01
Podkładka
Zapytaj
1 szt.
—
145
947616-00
Kołek
Zapytaj
1 szt.
—
146
947021-00
Zacisk Przewodu
18,00 zł
1 szt.
—
147
949894-12
Śruba
7,00 zł
1 szt.
—
148
946862-01
Podziałka
15,00 zł
1 szt.
—
149
949743-02
Śruba
7,00 zł
1 szt.
—
150
949613-01
Podkładka
Zapytaj
1 szt.
—
151
947619-00
Dźwignia Zmiany - Podzespół
Zapytaj
1 szt.
—
152
947614-00
Płyta
14,00 zł
1 szt.
—
153
947641-00
Uszczelniacz
Zapytaj
1 szt.
—
154
947653-00
Przegroda
Zapytaj
1 szt.
—
155
947638-00
Uszczelniacz
7,00 zł
1 szt.
—
156
946859-00
Śruba
Zapytaj
1 szt.
—
157
947017-00
Kołnierz
Zapytaj
1 szt.
—
158
860094-03
Śruba
7,00 zł
1 szt.
—
161
947617-01
Urządzenie Blokujące
Zapytaj
1 szt.
—
164
947642-00
Sprężyna
9,00 zł
1 szt.
—
165
947573-00
Przegroda
Zapytaj
1 szt.
—
166
947018-00
Wkładka
10,00 zł
1 szt.
—
167
946874-00
Regulator
7,00 zł
1 szt.
—
168
947610-00
Uszczelniacz
Zapytaj
1 szt.
—
169
401174-00
Uszczelniacz
Zapytaj
1 szt.
—
171
947640-00
Uszczelniacz
Zapytaj
1 szt.
—
172
947650-00
Sprężyna
8,00 zł
1 szt.
—
175
760279-00
Kołek
Zapytaj
1 szt.
—
176
943030-00
O-Ring
7,00 zł
1 szt.
—
177
868689-00
Pokrywa
Zapytaj
1 szt.
—
185
947068-02
Magnes
Zapytaj
1 szt.
—
186
947068-02
Magnes
Zapytaj
1 szt.
—
187
401177-01
Dźwignia - Podzespół
Zapytaj
1 szt.
—
188
947868-01
Podkładka Specjalna
Zapytaj
1 szt.
—
189
860083-14
Nakrętka
7,00 zł
1 szt.
—
190
949854-01
Śruba
Zapytaj
1 szt.
—
191
401178-00
Panew
Zapytaj
1 szt.
—
192
949896-11
Śruba
7,00 zł
1 szt.
—
193
949896-12
Śruba
7,00 zł
1 szt.
—
194
944650-00
Podkładka Sprężysta
7,00 zł
1 szt.
—
195
401208-00
Śruba
Zapytaj
1 szt.
—
196
860090-05
Śruba
7,00 zł
1 szt.
—
197
720959-00
Podkładka
7,00 zł
1 szt.
—
198
949739-01
Kołek
7,00 zł
1 szt.
—
199
861736-00
Panew
7,00 zł
1 szt.
—
836
279663-99
Klucz
Zapytaj
1 szt.
—
837
559506-99
Gniazdo
Zapytaj
1 szt.
—
838
559570-99
Gniazdo
203,00 zł
1 szt.
—
839
559572-99
Śruba
Zapytaj
1 szt.
—