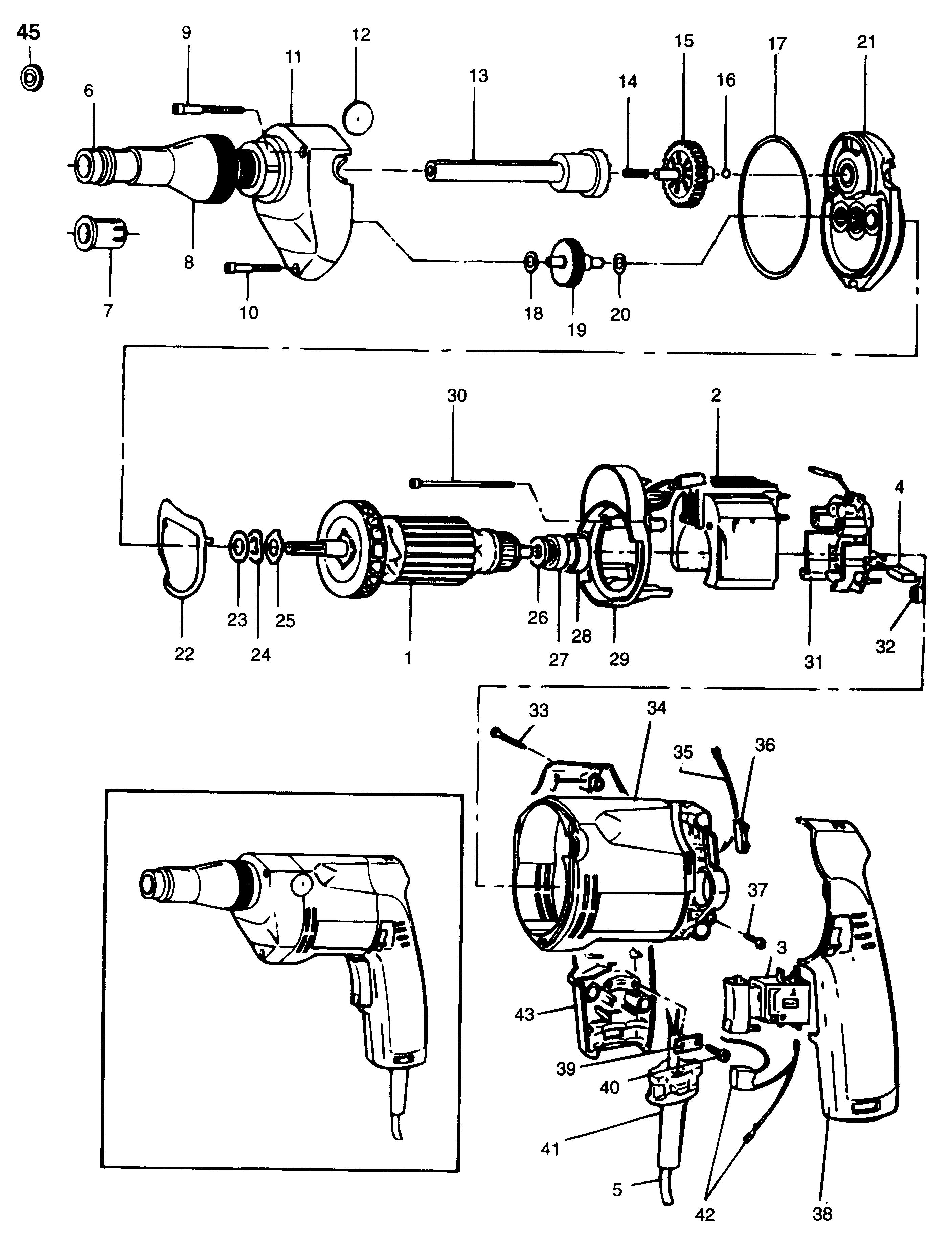
Części
Maszyny
Kontakt
Home
Maszyny
Narzędzia
DeWalt
Narzędzie
ESD700-Type-2 -
Narzędzie DeWalt
100%
Poz:
1
1
2
2
2
3
4
4
5
5
5
6
7
8
9
10
11
12
13
14
16
17
18
20
21
22
23
24
25
26
27
28
29
29
30
31
31
32
33
34
35
36
37
38
39
40
41
42
43
45
50 części
Sortuj
Poz.
Nr kat.
Nazwa
Cena brutto
Ilość
Zamów
1
936825
Twornik
Zapytaj
1 szt.
—
1
936395
Twornik
Zapytaj
1 szt.
—
2
932154
Pole
Zapytaj
1 szt.
—
2
932155
Stojan 240V
Zapytaj
1 szt.
—
2
932153
Pole
Zapytaj
1 szt.
—
3
936212-01
Wyłącznik
Zapytaj
1 szt.
—
4
931235-00
Szczotka 230V
Zapytaj
1 szt.
—
4
932047
Szczotka
Zapytaj
1 szt.
—
5
949843-04
Przewód
Zapytaj
1 szt.
—
5
330061-07
Przewód - Podzespół
Zapytaj
1 szt.
—
5
949770-06
Przewód I Wtyczka
Zapytaj
1 szt.
—
6
933342
Panew
Zapytaj
1 szt.
—
7
933014
Panew
Zapytaj
1 szt.
—
8
934262
Czubek
Zapytaj
1 szt.
—
9
931298
Śruba
Zapytaj
1 szt.
—
10
931297-00
Śruba
9,00 zł
1 szt.
—
11
934258-02
Skrzynka Przekładniowa - Podzespół
Zapytaj
1 szt.
—
12
935306
Kołpak
Zapytaj
1 szt.
—
13
937012
Wał
Zapytaj
1 szt.
—
14
933528
Sprężyna
Zapytaj
1 szt.
—
16
930012
Kulka
Zapytaj
1 szt.
—
17
931286
Uszczelniacz
Zapytaj
1 szt.
—
18
932269
Podkładka
Zapytaj
1 szt.
—
20
930102-00
Podkładka
Zapytaj
1 szt.
—
21
934254
Pokrywa Skrzynki Przekładni - Podzespół
Zapytaj
1 szt.
—
22
935678
Sprężyna
Zapytaj
1 szt.
—
23
931250
Podkładka
Zapytaj
1 szt.
—
24
931249
Podkładka
Zapytaj
1 szt.
—
25
934951
Podkładka Specjalna
Zapytaj
1 szt.
—
26
931245
Dystans
Zapytaj
1 szt.
—
27
330003-02
Łożysko
Zapytaj
1 szt.
—
28
930275-00
Tuleja
7,00 zł
1 szt.
—
29
931280
Electronic 115V
Zapytaj
1 szt.
—
29
931279
Electronic 240V
Zapytaj
1 szt.
—
30
933541
Śruba
Zapytaj
1 szt.
—
31
931231-01
Zestaw Ze Szczotkami - Podzespół
Zapytaj
1 szt.
—
31
931231-00
Uchwty Szczotki - Podzespół
Zapytaj
1 szt.
—
32
931221-00
Sprężyna
Zapytaj
1 szt.
—
33
930079-01
Śruba
Zapytaj
1 szt.
—
34
933945-01
Skrzynka Pola
Zapytaj
1 szt.
—
35
931303
Przewód
Zapytaj
1 szt.
—
36
930187
Złącze
Zapytaj
1 szt.
—
37
931254-00
Śruba
Zapytaj
1 szt.
—
38
936705-01
Uchwyt - Podzespół
Zapytaj
1 szt.
—
39
930103-00
Zacisk Przewodu
7,00 zł
1 szt.
—
40
930276
Śruba
Zapytaj
1 szt.
—
41
931113-00
Osłona Przewodu
Zapytaj
1 szt.
—
42
931300-00
Kondensator - Podzespół
Zapytaj
1 szt.
—
43
931252-01
Rękojeść
Zapytaj
1 szt.
—
45
936411
Osłona Przeciwpyłowa
Zapytaj
1 szt.
—