Części
Maszyny
Kontakt
Home
Maszyny
Narzędzia
DeWalt
Narzędzie
MAS132S-Type-1 -
Narzędzie DeWalt
100%
Poz:
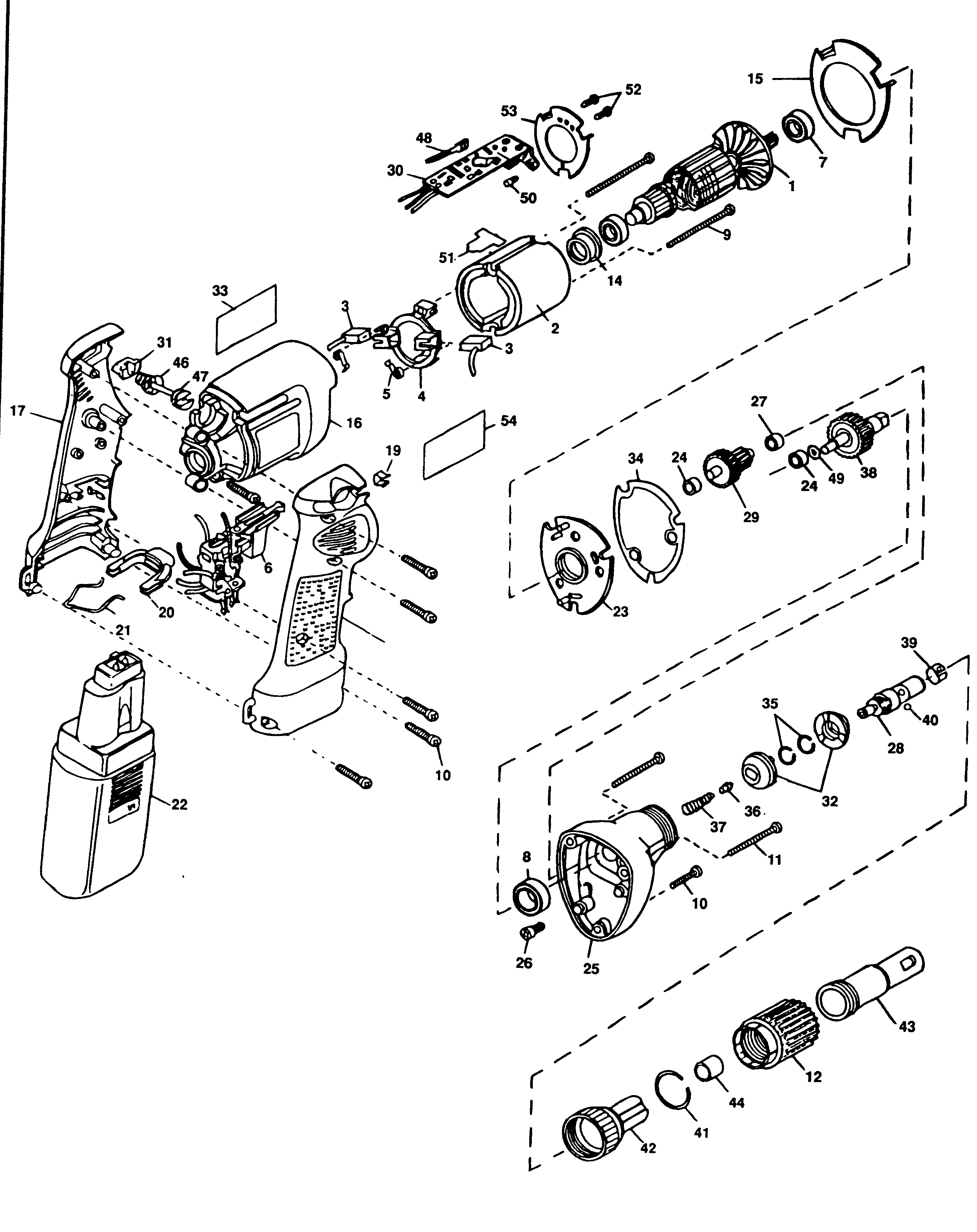
1
3
4
5
7
8
9
10
11
14
15
16
17
18
19
20
21
23
24
26
27
28
29
30
32
34
35
36
37
38
39
40
43
44
48
49
50
51
53
54
40 części
Sortuj
Poz.
Nr kat.
Nazwa
Cena brutto
Ilość
Zamów
1
429906-00
Silnik - Podzespół
Zapytaj
1 szt.
—
3
144689-01
Szczotka
Zapytaj
1 szt.
—
4
382178-01
Szczotka Frame
Zapytaj
1 szt.
—
5
445860-00
Sprężyna Szczotki
7,00 zł
1 szt.
—
7
605040-06
Bearing,Ball
15,00 zł
1 szt.
—
8
605040-20
Łożysko
18,00 zł
1 szt.
—
9
448269-00
Śruba
Zapytaj
1 szt.
—
10
330019-13
Śruba
7,00 zł
1 szt.
—
11
330019-16
Śruba
7,00 zł
1 szt.
—
14
445217-02
Tuleja
7,00 zł
1 szt.
—
15
447866-00
Baffle Fan
Zapytaj
1 szt.
—
16
144682-01
Walizka
Zapytaj
1 szt.
—
17
149080-00
Rękojeść
Zapytaj
1 szt.
—
18
149081-00
Rękojeść
Zapytaj
1 szt.
—
19
144694-00
Klips
Zapytaj
1 szt.
—
20
144500-00
Zaczep
Zapytaj
1 szt.
—
21
144501-00
Sprężyna
Zapytaj
1 szt.
—
23
448658-00
Pokrywa Skrzynki Przekładni
Zapytaj
1 szt.
—
24
093128-00
Łożysko Igiełkowe
9,00 zł
1 szt.
—
26
052819-00
Śruba
7,00 zł
1 szt.
—
27
93129-00
Łożysko Igiełkowe
Zapytaj
1 szt.
—
28
N278979
Wrzeciono
Zapytaj
1 szt.
—
29
448069-09
Przekładnia I Wałek Zębaty
Zapytaj
1 szt.
—
30
147601-01
Układ Elektroniczny
Zapytaj
1 szt.
—
32
96558-00
Sprzęgło
Zapytaj
1 szt.
—
34
450966-00
Uszczelnienie
Zapytaj
1 szt.
—
35
089210-00
Ustalacz
8,00 zł
1 szt.
—
36
021287-00
Osłona
7,00 zł
1 szt.
—
37
86211-00
Sprężyna
Zapytaj
1 szt.
—
38
448842-01
Przekładnia I Wrzeciono
Zapytaj
1 szt.
—
39
094518-00
Ustalacz
7,00 zł
1 szt.
—
40
696631-00
Kulka
7,00 zł
1 szt.
—
43
448862-00
Element Ustalający
Zapytaj
1 szt.
—
44
450907-00
Tuleja
24,00 zł
1 szt.
—
48
445964-00
Zacisk
Zapytaj
1 szt.
—
49
96498-00
Podkładka
Zapytaj
1 szt.
—
50
147973-00
Kołek
Zapytaj
1 szt.
—
51
147602-00
Tarcza Osłonowa
Zapytaj
1 szt.
—
53
147949-00
Odprowadzenie Ciepła
Zapytaj
1 szt.
—
54
150622-00
Plakietka Z Nazwą
Zapytaj
1 szt.
—