Części
Maszyny
Kontakt
Home
Maszyny
Narzędzia
DeWalt
Narzędzie
MFF81E-Type-3 -
Narzędzie DeWalt
100%
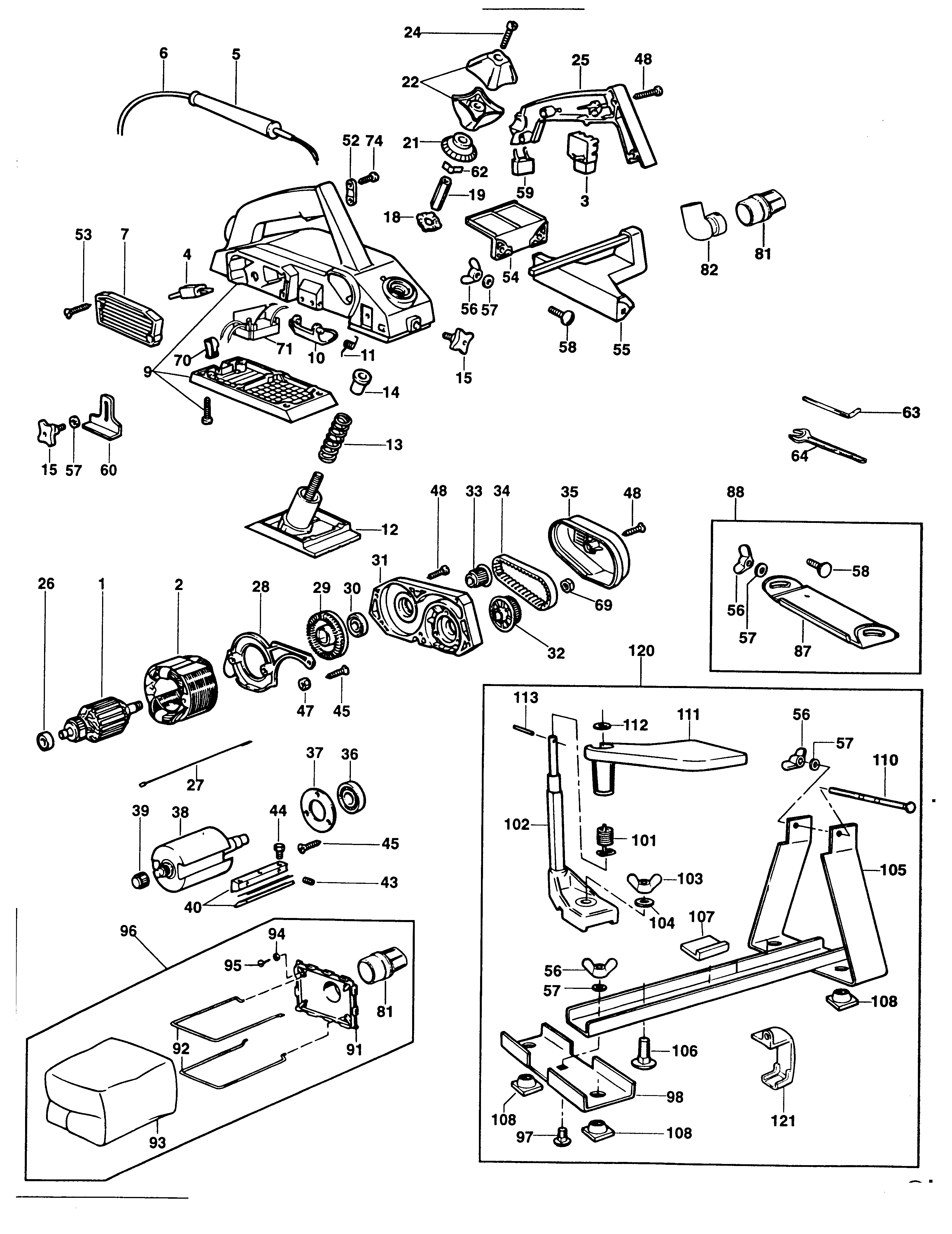
Poz:
1
2
3
4
5
6
7
9
10
11
12
13
14
15
18
19
21
22
24
25
26
27
28
29
30
31
32
33
34
35
36
37
38
39
40
43
44
45
47
48
52
53
54
55
56
57
58
59
60
62
64
69
70
71
73
74
81
82
87
91
92
93
94
95
97
98
101
102
103
104
105
106
107
108
110
111
112
113
121
79 części
Sortuj
Poz.
Nr kat.
Nazwa
Cena brutto
Ilość
Zamów
1
326493-00
Twornik
Zapytaj
1 szt.
—
2
326097-00
Pole
Zapytaj
1 szt.
—
3
249030-00
Wyłącznik
Zapytaj
1 szt.
—
4
326525-00
Szczotka I Uchwyt
Zapytaj
1 szt.
—
5
320785
Osłona Przewodu
8,00 zł
1 szt.
—
6
379091
Cordset (Euro)
Zapytaj
1 szt.
—
7
248397-05
Pokrywa Szczotki
Zapytaj
1 szt.
—
9
248327-05
Osłona - Podzespół
Zapytaj
1 szt.
—
10
326114-01
Osłona
Zapytaj
1 szt.
—
11
080930914
Sprężyna
Zapytaj
1 szt.
—
12
248331-00
Stopa - Podzespół
Zapytaj
1 szt.
—
13
572255-00
Sprężyna
10,00 zł
1 szt.
—
14
080120901
Panew
Zapytaj
1 szt.
—
15
025922908
Gałka
Zapytaj
1 szt.
—
18
247557-00
Podkładka
Zapytaj
1 szt.
—
19
247343-00
Nakrętka
Zapytaj
1 szt.
—
21
248325-05
Podziałka
Zapytaj
1 szt.
—
22
248998-05
Uchwyt - Podzespół
Zapytaj
1 szt.
—
24
249424-32
Śruba
Zapytaj
1 szt.
—
25
324589-05
Pokrywa
Zapytaj
1 szt.
—
26
N110358
Łożysko
18,00 zł
1 szt.
—
27
080164503
Lead Yellow
Zapytaj
1 szt.
—
28
080120600
Przegroda
Zapytaj
1 szt.
—
29
580130500
Wentylator
Zapytaj
1 szt.
—
30
013830000
Łożysko
Zapytaj
1 szt.
—
31
325108-00
Pokrywa
Zapytaj
1 szt.
—
32
325104-00
Koło Pasowe
Zapytaj
1 szt.
—
33
324105-00
Koło Pasowe
27,00 zł
1 szt.
—
34
325106-00
Pasek Zębaty
69,00 zł
1 szt.
—
35
329269-00
Pokrywa
Zapytaj
1 szt.
—
36
861721-01
Łożysko
18,00 zł
1 szt.
—
37
868047-00
Płyta
18,00 zł
1 szt.
—
38
248316-00
Frez Blok - Podzespół
Zapytaj
1 szt.
—
39
330004-06
Łożysko Igiełkowe
12,00 zł
1 szt.
—
40
247941-00
Zestaw Podpór
199,00 zł
1 szt.
—
43
072815900
Screw.Temp
Zapytaj
1 szt.
—
44
578432-00
Śruba
Zapytaj
1 szt.
—
45
949896-12
Śruba
7,00 zł
1 szt.
—
47
249232-00
Nakrętka M4
Zapytaj
1 szt.
—
48
249416-04
Śruba
Zapytaj
1 szt.
—
52
910556
Zacisk Przewodu
Zapytaj
1 szt.
—
53
949896-12
Śruba
7,00 zł
1 szt.
—
54
248476-00
Wspornik
Zapytaj
1 szt.
—
55
247447-00
Wspornik
Zapytaj
1 szt.
—
56
249225-00
Nakrętka Wing
Zapytaj
1 szt.
—
57
249221-00
Podkładka
7,00 zł
1 szt.
—
58
249406-01
Śruba
Zapytaj
1 szt.
—
59
320842-03
Kondensator
Zapytaj
1 szt.
—
60
248477-00
Osłona
Zapytaj
1 szt.
—
62
247556-00
Sprężyna
Zapytaj
1 szt.
—
64
080351300
Klucz Płaski 10Mm
Zapytaj
1 szt.
—
69
761225-02
Nakrętka
7,00 zł
1 szt.
—
70
324649-00
Stelaż
Zapytaj
1 szt.
—
71
326492-00
Układ Elektroniczny
Zapytaj
1 szt.
—
73
248997-05
Osłona - Zestaw Naprawczy
Zapytaj
1 szt.
—
74
249416-06
Śruba
Zapytaj
1 szt.
—
81
248629-00
Złączka
24,00 zł
1 szt.
—
82
247751-00
Złączka
Zapytaj
1 szt.
—
87
249126-00
Osłona
Zapytaj
1 szt.
—
91
248630-00
Uchwyt
Zapytaj
1 szt.
—
92
80271901
Rama
Zapytaj
1 szt.
—
93
329452-00
Dustbag
Zapytaj
1 szt.
—
94
249233-00
Podkładka
7,00 zł
1 szt.
—
95
249416-06
Śruba
Zapytaj
1 szt.
—
97
249406-00
Śruba
Zapytaj
1 szt.
—
98
325884-01
Wspornik - Podzespół
Zapytaj
1 szt.
—
101
080932204
Sprężyna
Zapytaj
1 szt.
—
102
080230100
Uchwyt Osłony
Zapytaj
1 szt.
—
103
249225-01
Nakrętka Wing
Zapytaj
1 szt.
—
104
249223-00
Podkładka M8
Zapytaj
1 szt.
—
105
326110-01
Wspornik
Zapytaj
1 szt.
—
106
249406-10
Śruba
Zapytaj
1 szt.
—
107
325885-00
Podkładka
Zapytaj
1 szt.
—
108
080233300
Stopa
Zapytaj
1 szt.
—
110
249439-00
Śruba
Zapytaj
1 szt.
—
111
326111-01
Osłona
Zapytaj
1 szt.
—
112
249128-00
Podkładka
Zapytaj
1 szt.
—
113
080810200
Tuleja
Zapytaj
1 szt.
—
121
249066-00
Klips
Zapytaj
1 szt.
—