Części
Maszyny
Kontakt
Home
Maszyny
Narzędzia
DeWalt
Narzędzie
DW269K-Type-2 -
Narzędzie DeWalt
100%
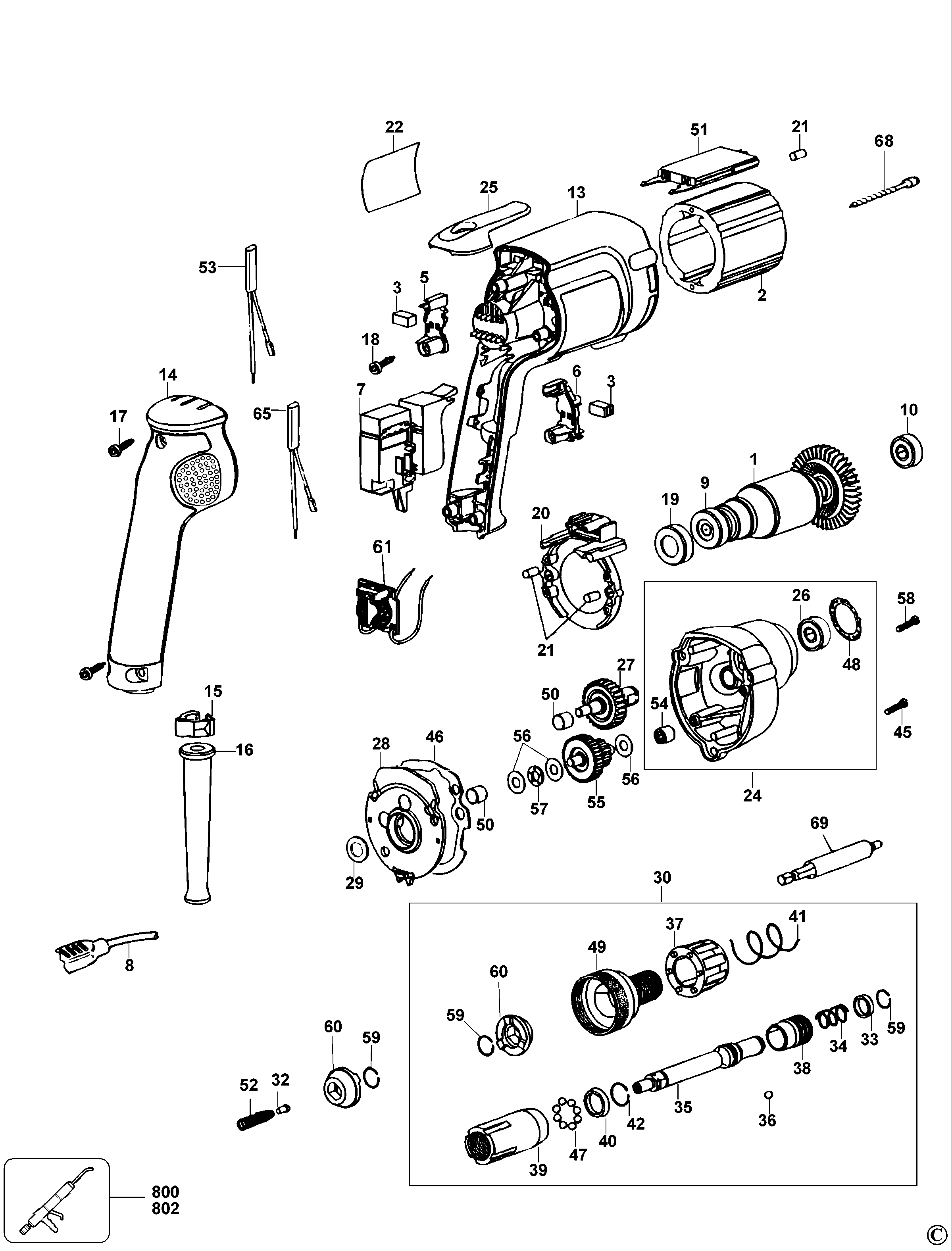
Poz:
1
2
3
5
6
7
8
9
10
13
14
15
16
16
17
18
19
20
21
22
24
25
26
27
28
29
30
32
33
34
35
36
37
38
39
40
41
42
45
46
47
48
49
50
51
52
53
54
55
56
57
58
59
60
61
65
68
800
802
59 części
Sortuj
Poz.
Nr kat.
Nazwa
Cena brutto
Ilość
Zamów
1
176853-01SV
Twornik I Wentylator
Zapytaj
1 szt.
—
2
N803540
Pole - Podzespół
170,00 zł
1 szt.
—
3
176949-00
Szczotka 230V
18,00 zł
1 szt.
—
5
176801-03
Szczotkotrzymacz
159,00 zł
1 szt.
—
6
176800-03
Szczotkotrzymacz
123,00 zł
1 szt.
—
7
494635-01
Przełącznik 220V
Zapytaj
1 szt.
—
8
330120-86
Przewód Zasilający
69,00 zł
1 szt.
—
9
605040-06
Bearing,Ball
15,00 zł
1 szt.
—
10
605040-06
Bearing,Ball
15,00 zł
1 szt.
—
13
396969-04
Skrzynka Pola
Zapytaj
1 szt.
—
14
176816-03
Uchwyt Pokrywy
Zapytaj
1 szt.
—
15
402648-00
Zacisk Przewodu
7,00 zł
1 szt.
—
16
N542553
Osłona Przewodu
Zapytaj
1 szt.
—
16
N918736
Osłona Przewodu
7,00 zł
1 szt.
—
17
330019-13
Śruba
7,00 zł
1 szt.
—
18
330065-06
Śruba
7,00 zł
1 szt.
—
19
389824-00
Bagażnik
7,00 zł
1 szt.
—
20
176811-00
Przegroda
9,00 zł
1 szt.
—
21
949638-02
Tłumik Drgań
7,00 zł
1 szt.
—
22
395047-00
Etykieta Towarowa
7,00 zł
1 szt.
—
24
176706-00SV
Skrzynka Przekładni
78,00 zł
1 szt.
—
25
N045425
Klips
12,00 zł
1 szt.
—
26
605040-20
Łożysko
18,00 zł
1 szt.
—
27
176712-00SV
Przekładnia I Wrzeciono
182,00 zł
1 szt.
—
28
388761-00
Pokrywa Skrzynki Przekładni
24,00 zł
1 szt.
—
29
23813-00
Podkładka
Zapytaj
1 szt.
—
30
450556-00
Czubek - Podzespół
Zapytaj
1 szt.
—
32
021287-00
Osłona
7,00 zł
1 szt.
—
33
090866-00
Podkładka
27,00 zł
1 szt.
—
34
086134-00
Sprężyna
7,00 zł
1 szt.
—
35
450360-00
Wrzeciono
93,00 zł
1 szt.
—
36
99047-01
Kulka
Zapytaj
1 szt.
—
37
090639-02
Pierścień
51,00 zł
1 szt.
—
38
387451-00
Ustalacz
38,00 zł
1 szt.
—
39
450555-00
Ogranicznik
51,00 zł
1 szt.
—
40
090596-00
Uszczelniacz
24,00 zł
1 szt.
—
41
87928-00
Sprężyna
Zapytaj
1 szt.
—
42
21360-00
Ustalacz
7,00 zł
1 szt.
—
45
330019-14
Śruba
7,00 zł
1 szt.
—
46
176655-00
Uszczelnienie
7,00 zł
1 szt.
—
47
000903-00
Kulka
38,00 zł
1 szt.
—
48
176689-00
Ustalacz
7,00 zł
1 szt.
—
49
93105-01
Osłona
Zapytaj
1 szt.
—
50
093128-00
Łożysko Igiełkowe
9,00 zł
1 szt.
—
51
176917-00
Moduł
Zapytaj
1 szt.
—
52
86211-00
Sprężyna
Zapytaj
1 szt.
—
53
176890-01
Lead Red
Zapytaj
1 szt.
—
54
93129-00
Łożysko Igiełkowe
Zapytaj
1 szt.
—
55
176647-00SV
Przekładnia I Wałek Zębaty - Podzespół
224,00 zł
1 szt.
—
56
176732-00
Podkładka
7,00 zł
1 szt.
—
57
143079-00
Łożysko Oporowe
7,00 zł
1 szt.
—
58
330019-16
Śruba
7,00 zł
1 szt.
—
59
089210-00
Ustalacz
8,00 zł
1 szt.
—
60
N737331
Sprzęgło
34,00 zł
1 szt.
—
61
383714-00
Układ Elektroniczny
Zapytaj
1 szt.
—
65
176890-00
Lead White
Zapytaj
1 szt.
—
68
390198-00
Śruba
7,00 zł
1 szt.
—
800
870889-02
Smar
51,00 zł
1 szt.
—
802
69542-00
Smar
Zapytaj
1 szt.
—