Części
Maszyny
Kontakt
Home
Maszyny
Narzędzia
DeWalt
Narzędzie
DWE496-Type-1 -
Narzędzie DeWalt
100%
Poz:
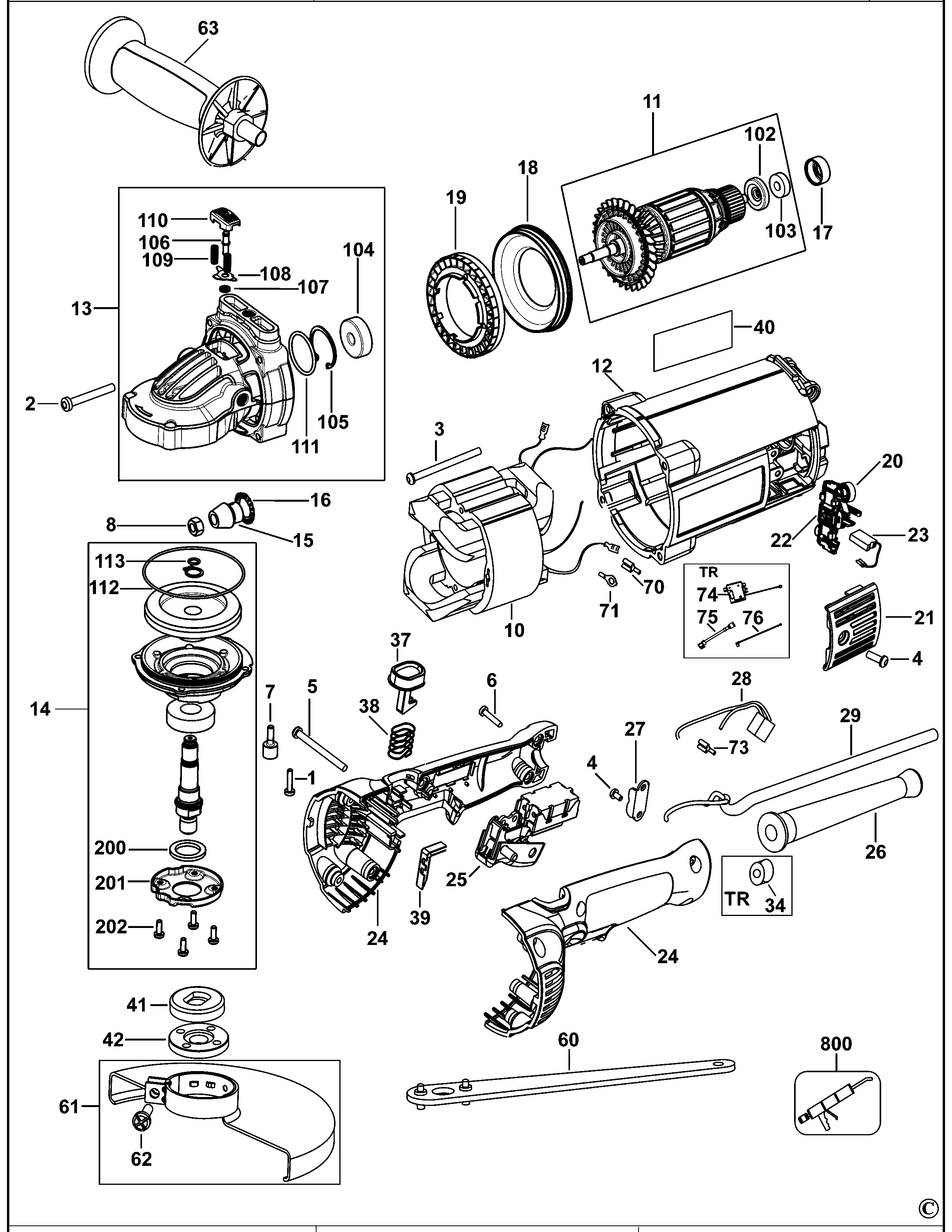
1
2
3
4
5
6
7
8
10
11
12
13
14
15
16
17
18
19
20
21
22
23
24
25
26
27
28
29
34
37
38
39
40
41
42
60
61
62
63
70
74
75
76
102
103
104
105
106
107
108
109
110
111
112
113
200
201
202
800
59 części
Sortuj
Poz.
Nr kat.
Nazwa
Cena brutto
Ilość
Zamów
1
330045-07
Śruba
7,00 zł
1 szt.
—
2
330019-26
Śruba
7,00 zł
1 szt.
—
3
330019-19
Śruba
7,00 zł
1 szt.
—
4
330019-11
Śruba
7,00 zł
1 szt.
—
5
330019-50
Śruba
7,00 zł
1 szt.
—
6
330019-32
Śruba
7,00 zł
1 szt.
—
7
N033051
Śruba
7,00 zł
1 szt.
—
8
330015-03
Nakrętka
7,00 zł
1 szt.
—
10
N565603
Stojan 230V
199,00 zł
1 szt.
—
11
N565218
Twornik 230V
322,00 zł
1 szt.
—
12
N513668
Skrzynka Pola
78,00 zł
1 szt.
—
13
N252619
Skrzynka Przekładni - Podzespół
182,00 zł
1 szt.
—
14
N203624
Pokrywa Skrzynki Przekładni - Podzespół
170,00 zł
1 szt.
—
15
N099841
Wałek Zębaty
32,00 zł
1 szt.
—
16
N132602
Podkładka Specjalna
7,00 zł
1 szt.
—
17
609970-00
Osłona Izolacyjna
7,00 zł
1 szt.
—
18
N094853
Baffle Fan
9,00 zł
1 szt.
—
19
N094854
Wentylator
9,00 zł
1 szt.
—
20
645650-00
Sprężyna Szczotki
7,00 zł
1 szt.
—
21
394387-01
Pokrywa Szczotki
14,00 zł
1 szt.
—
22
N410308
Uchwty Szczotki - Podzespół
18,00 zł
1 szt.
—
23
N404514
Para Szczotek
38,00 zł
1 szt.
—
24
636499-00
Uchwyt I Pokrywa
78,00 zł
1 szt.
—
25
N015071
Wyłącznik - Podzespół
51,00 zł
1 szt.
—
26
N219433
Osłona Przewodu
9,00 zł
1 szt.
—
27
604119-00
Zacisk Przewodu
7,00 zł
1 szt.
—
28
632218-00
Kondensator
7,00 zł
1 szt.
—
29
562226-65
Cordset (Euro)
69,00 zł
1 szt.
—
34
N419846
Tłumik
15,00 zł
1 szt.
—
37
636503-00
Blokada Wyłączonego Przycisku
7,00 zł
1 szt.
—
38
636502-00
Sprężyna
7,00 zł
1 szt.
—
39
N391190
Pokrywa
7,00 zł
1 szt.
—
40
N655578
Tabliczka Znamionowa
7,00 zł
1 szt.
—
41
403150-01
Pierścień Wewnętrzny
24,00 zł
1 szt.
—
42
401678-05
Nakrętka Zewnętrzna
24,00 zł
1 szt.
—
60
635261-00
Klucz Pin
21,00 zł
1 szt.
—
61
N419366
Osłona - Podzespół
57,00 zł
1 szt.
—
62
N082712
Śruba
7,00 zł
1 szt.
—
63
651858-01
Uchwyt Boczny
27,00 zł
1 szt.
—
70
612273-00
Zacisk
7,00 zł
1 szt.
—
74
N422067
Moduł Sterowania - Podzespół
115,00 zł
1 szt.
—
75
N442585
Przewód - Podzespół
8,00 zł
1 szt.
—
76
N442586
Przewód - Podzespół
9,00 zł
1 szt.
—
102
393238-00
Tarcza Osłonowa
7,00 zł
1 szt.
—
103
N110359
Łożysko
10,00 zł
1 szt.
—
104
N389509
Łożysko
21,00 zł
1 szt.
—
105
N173539
Ustalacz
7,00 zł
1 szt.
—
106
N173538
Kołek Blokady
9,00 zł
1 szt.
—
107
N173540
O-Ring
7,00 zł
1 szt.
—
108
N108422
Płyta
7,00 zł
1 szt.
—
109
N110675
Sprężyna
7,00 zł
1 szt.
—
110
N110236
Przycisk
7,00 zł
1 szt.
—
111
N226986
O-Ring
12,00 zł
1 szt.
—
112
397031-00
O-Ring
7,00 zł
1 szt.
—
113
660143-00
O-Ring
7,00 zł
1 szt.
—
200
N103732
Filc
7,00 zł
1 szt.
—
201
N095989
Kołpak
15,00 zł
1 szt.
—
202
N247325
Śruba
7,00 zł
1 szt.
—
800
583534-00
Smar
992,00 zł
1 szt.
—