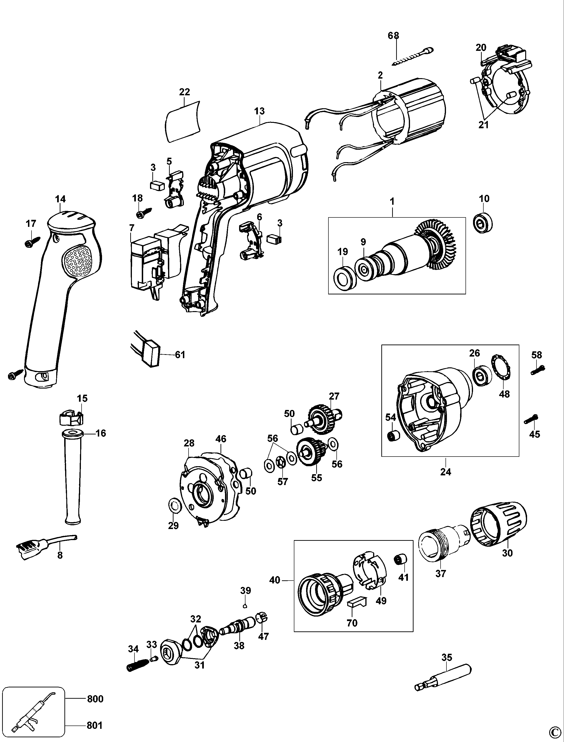
Części
Maszyny
Kontakt
Home
Maszyny
Narzędzia
DeWalt
Narzędzie
DW264K-Type-2 -
Narzędzie DeWalt
100%
Poz:
1
2
3
5
6
8
9
10
13
14
15
16
16
17
18
19
20
21
22
24
26
27
28
29
30
31
32
33
34
35
37
37
38
39
40
41
45
46
47
48
49
50
54
55
56
57
58
61
68
70
800
801
52 części
Sortuj
Poz.
Nr kat.
Nazwa
Cena brutto
Ilość
Zamów
1
579598-12
Twornik 230V
Zapytaj
1 szt.
—
2
N803540
Pole - Podzespół
170,00 zł
1 szt.
—
3
578393-02
Szczotka Kit 230V
38,00 zł
1 szt.
—
5
401877-01
Uchwty Szczotki - Podzespół
18,00 zł
1 szt.
—
6
401878-01
Uchwty Szczotki - Podzespół
18,00 zł
1 szt.
—
8
330120-86
Przewód Zasilający
69,00 zł
1 szt.
—
9
605040-06
Bearing,Ball
15,00 zł
1 szt.
—
10
605040-06
Bearing,Ball
15,00 zł
1 szt.
—
13
N014399
Skrzynka Pola
85,00 zł
1 szt.
—
14
176816-03
Uchwyt Pokrywy
Zapytaj
1 szt.
—
15
402648-00
Zacisk Przewodu
7,00 zł
1 szt.
—
16
N542553
Osłona Przewodu
Zapytaj
1 szt.
—
16
N918736
Osłona Przewodu
7,00 zł
1 szt.
—
17
330019-13
Śruba
7,00 zł
1 szt.
—
18
330065-06
Śruba
7,00 zł
1 szt.
—
19
389824-00
Bagażnik
7,00 zł
1 szt.
—
20
176811-00
Przegroda
9,00 zł
1 szt.
—
21
949638-02
Tłumik Drgań
7,00 zł
1 szt.
—
22
395047-00
Etykieta Towarowa
7,00 zł
1 szt.
—
24
176706-00SV
Skrzynka Przekładni
78,00 zł
1 szt.
—
26
605040-20
Łożysko
18,00 zł
1 szt.
—
27
176710-00
Przekładnia I Wrzeciono - Podzespół
Zapytaj
1 szt.
—
28
388761-00
Pokrywa Skrzynki Przekładni
24,00 zł
1 szt.
—
29
23813-00
Podkładka
Zapytaj
1 szt.
—
30
152492-01
Pierścień
27,00 zł
1 szt.
—
31
603478-00
Sprzęgło
Zapytaj
1 szt.
—
32
089210-00
Ustalacz
8,00 zł
1 szt.
—
33
021287-00
Osłona
7,00 zł
1 szt.
—
34
86211-00
Sprężyna
Zapytaj
1 szt.
—
35
364262-04
Uchwyt Na Końcówki
16,00 zł
1 szt.
—
37
448862-01
Element Ustalający
Zapytaj
1 szt.
—
37
448862-00
Element Ustalający
Zapytaj
1 szt.
—
38
176697-00
Wrzeciono
102,00 zł
1 szt.
—
39
696631-00
Kulka
7,00 zł
1 szt.
—
40
N543023
Osłona
78,00 zł
1 szt.
—
41
448848-00
Łożysko Cierne
18,00 zł
1 szt.
—
45
330019-14
Śruba
7,00 zł
1 szt.
—
46
176655-00
Uszczelnienie
7,00 zł
1 szt.
—
47
094518-00
Ustalacz
7,00 zł
1 szt.
—
48
176689-00
Ustalacz
7,00 zł
1 szt.
—
49
391436-00
Sprężyna
7,00 zł
1 szt.
—
50
910560
Łożysko
10,00 zł
1 szt.
—
54
93129-00
Łożysko Igiełkowe
Zapytaj
1 szt.
—
55
176711-00
Przekładnia I Wrzeciono - Podzespół
Zapytaj
1 szt.
—
56
176732-00
Podkładka
7,00 zł
1 szt.
—
57
143079-00
Łożysko Oporowe
7,00 zł
1 szt.
—
58
330019-16
Śruba
7,00 zł
1 szt.
—
61
949877-01
Kondensator
9,00 zł
1 szt.
—
68
90611830
Śruba
7,00 zł
1 szt.
—
70
390437-01
Wtyczka
27,00 zł
1 szt.
—
800
870889-02
Smar
51,00 zł
1 szt.
—
801
69542-00
Smar
Zapytaj
1 szt.
—