Części
Maszyny
Kontakt
Home
Maszyny
Narzędzia
DeWalt
Narzędzie
DW248-Type-A1 -
Narzędzie DeWalt
100%
Poz:
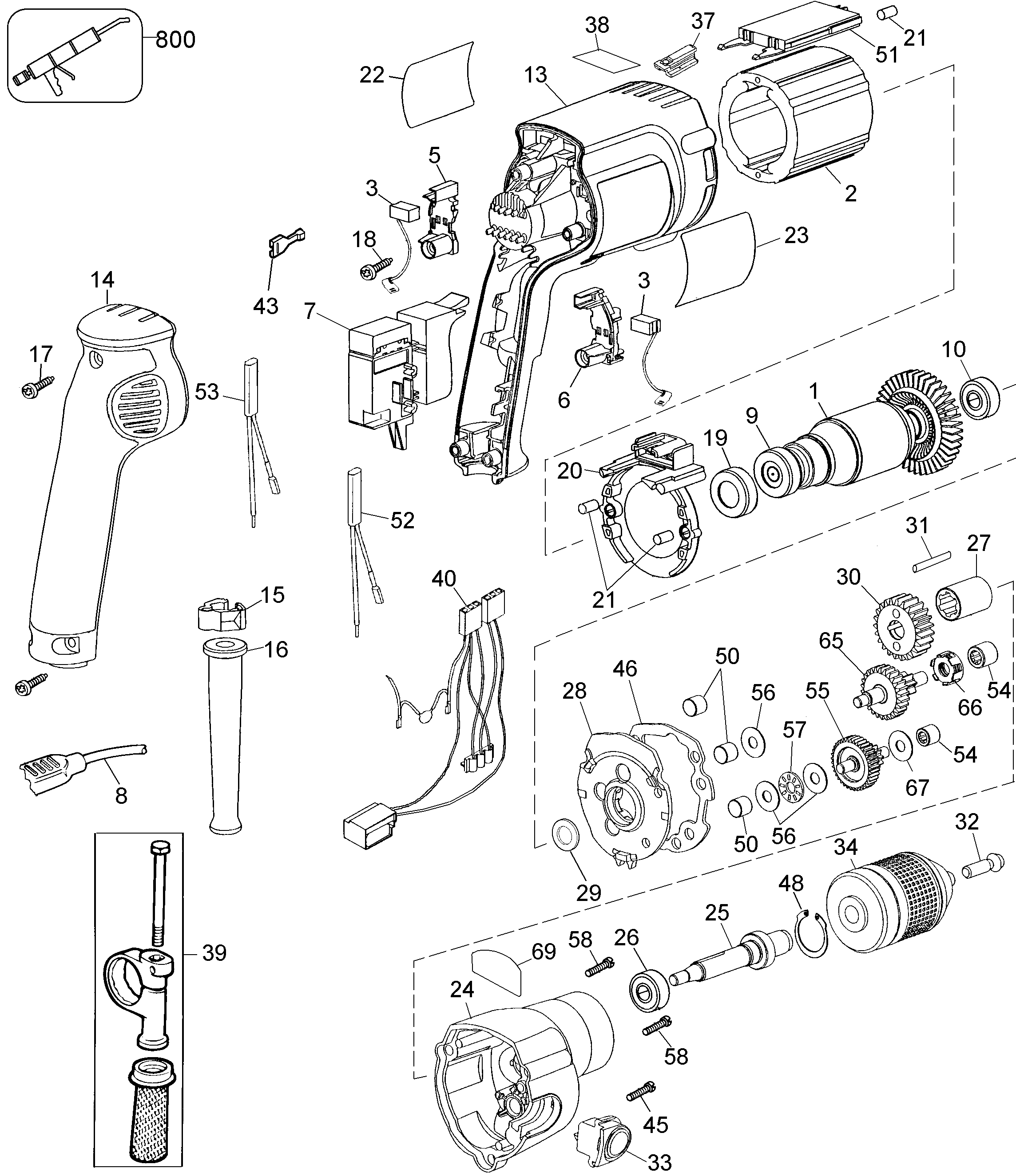
1
2
3
5
6
7
8
9
13
14
15
16
17
18
19
20
21
22
23
24
25
26
27
28
29
30
31
32
33
34
37
38
39
40
43
45
46
48
50
51
52
53
54
55
56
57
58
65
66
67
69
800
52 części
Sortuj
Poz.
Nr kat.
Nazwa
Cena brutto
Ilość
Zamów
1
176852-03
Twornik 230V
Zapytaj
1 szt.
—
2
579605-01
Stojan 230V
Zapytaj
1 szt.
—
3
176949-00
Szczotka 230V
18,00 zł
1 szt.
—
5
176801-03
Szczotkotrzymacz
159,00 zł
1 szt.
—
6
176800-03
Szczotkotrzymacz
123,00 zł
1 szt.
—
7
386623-01
Wyłącznik
Zapytaj
1 szt.
—
8
330080-39
Cordset (Euro)
Zapytaj
1 szt.
—
9
605040-06
Bearing,Ball
15,00 zł
1 szt.
—
13
000000-00
Już Nie Dostępne
Zapytaj
1 szt.
—
14
176818-02
Uchwyt Pokrywy
Zapytaj
1 szt.
—
15
176832-00
Zacisk Przewodu
Zapytaj
1 szt.
—
16
N918736
Osłona Przewodu
7,00 zł
1 szt.
—
17
330019-13
Śruba
7,00 zł
1 szt.
—
18
176951-00
Śruba
7,00 zł
1 szt.
—
19
949721-03
Tuleja
Zapytaj
1 szt.
—
20
176811-00
Przegroda
9,00 zł
1 szt.
—
21
949638-02
Tłumik Drgań
7,00 zł
1 szt.
—
22
395047-00
Etykieta Towarowa
7,00 zł
1 szt.
—
23
386367-00
Np:Dw248-Qs T1
Zapytaj
1 szt.
—
24
176678-00SV
Case-Gear
Zapytaj
1 szt.
—
25
176705-00
Wrzeciono
Zapytaj
1 szt.
—
26
605040-20
Łożysko
18,00 zł
1 szt.
—
27
176691-00
Dystans
Zapytaj
1 szt.
—
28
388762-00
Pokrywa Skrzynki Przekładni
Zapytaj
1 szt.
—
29
023813-00
Podkładka Tekstylna
7,00 zł
1 szt.
—
30
176704-00
Przekładnia
Zapytaj
1 szt.
—
31
099227-05
Kołek
Zapytaj
1 szt.
—
32
605256-01
Śruba
Zapytaj
1 szt.
—
33
176641-00
Blokada Wrzeciona
Zapytaj
1 szt.
—
34
330075-45
Uchwyt Bezkluczykowy
Zapytaj
1 szt.
—
37
176947-00
Soczewka
Zapytaj
1 szt.
—
38
386503-00
Etykieta
Zapytaj
1 szt.
—
39
N429860
Uchwyt Boczny
Zapytaj
1 szt.
—
40
386597-00
Przewód I Złącze - Podzespół
Zapytaj
1 szt.
—
43
136086-02
Zacisk
Zapytaj
1 szt.
—
45
330019-14
Śruba
7,00 zł
1 szt.
—
46
176724-00
Uszczelnienie
Zapytaj
1 szt.
—
48
087692-00
Ustalacz
7,00 zł
1 szt.
—
50
093128-00
Łożysko Igiełkowe
9,00 zł
1 szt.
—
51
622427-03
Moduł
Zapytaj
1 szt.
—
52
176890-00
Lead White
Zapytaj
1 szt.
—
53
176890-01
Lead Red
Zapytaj
1 szt.
—
54
330004-01
Łożysko Igiełkowe
Zapytaj
1 szt.
—
55
176700-00SV
Przekładnia I Wałek Zębaty
Zapytaj
1 szt.
—
56
091817-00
Podkładka
Zapytaj
1 szt.
—
57
091644-00
Łożysko Oporowe
Zapytaj
1 szt.
—
58
330019-50
Śruba
7,00 zł
1 szt.
—
65
176703-00SV
Wałek Zębaty I Przekładnia - Podzespół
Zapytaj
1 szt.
—
66
176733-00
Łożysko Oporowe
Zapytaj
1 szt.
—
67
385075-00
Podkładka Oporowa
Zapytaj
1 szt.
—
69
000000-00
Już Nie Dostępne
Zapytaj
1 szt.
—
800
286436-00
Smar
709,00 zł
1 szt.
—