Części
Maszyny
Kontakt
Home
Maszyny
Narzędzia
DeWalt
Narzędzie
BH35EK-Type-1 -
Narzędzie DeWalt
100%
Poz:
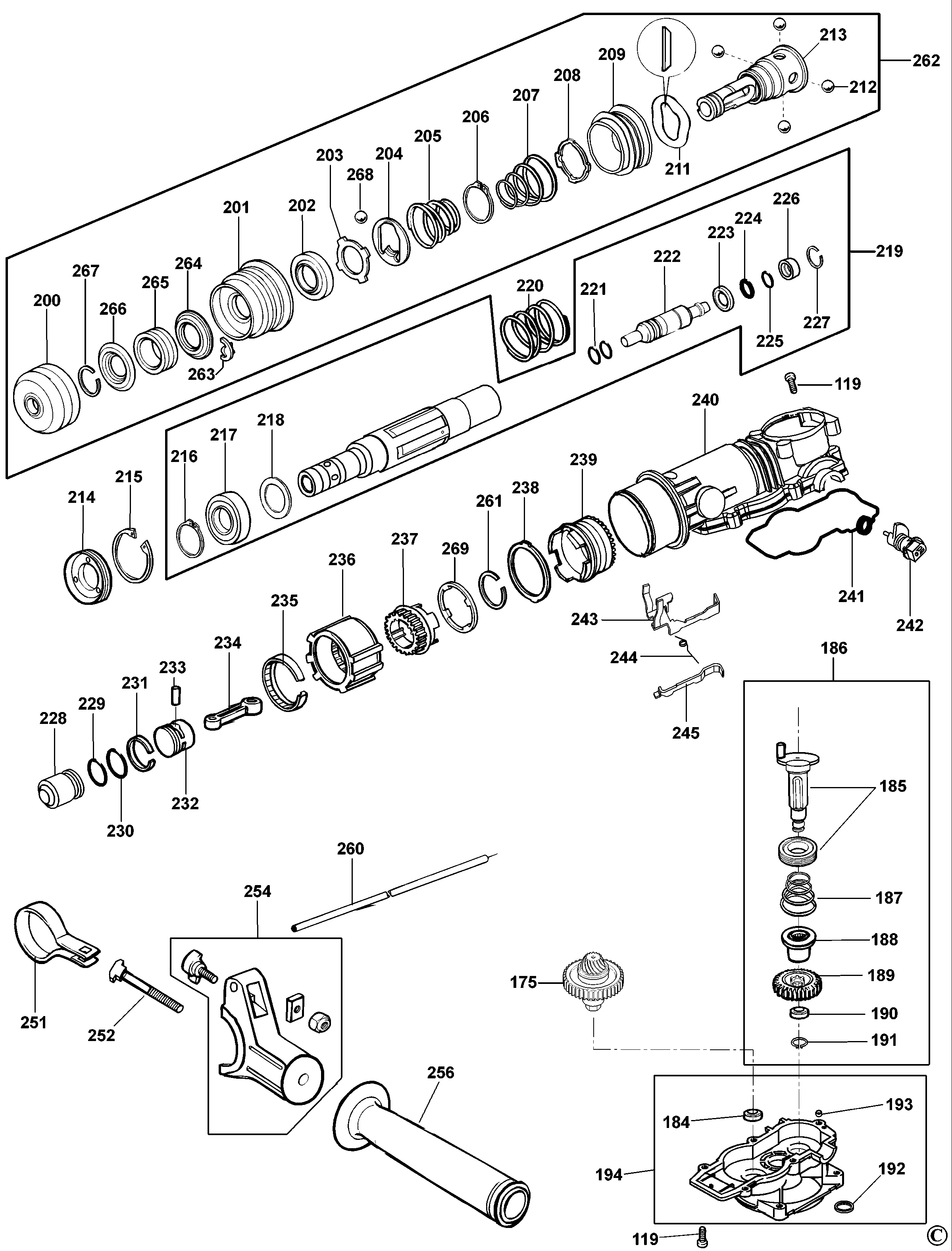
101
102
103
104
106
107
111
112
113
114
115
116
117
119
121
122
123
124
125
126
127
128
129
130
133
134
141
142
143
145
146
147
148
149
150
151
152
153
175
184
185
186
187
188
189
190
191
192
193
194
200
201
202
203
204
205
206
207
208
209
211
212
213
214
215
216
217
218
219
220
221
222
223
224
225
226
227
228
229
230
231
232
233
234
235
236
237
238
239
240
241
242
243
244
245
251
252
254
256
260
261
262
263
264
265
266
267
268
269
800
801
802
816
836
837
840
848
117 części
Sortuj
Poz.
Nr kat.
Nazwa
Cena brutto
Ilość
Zamów
101
N030349
Silnik Sa 230V
Zapytaj
1 szt.
—
102
377653-08
Stojan 230V
Zapytaj
1 szt.
—
103
487175-49
Wyłącznik - Podzespół
Zapytaj
1 szt.
—
104
487131-00
Zestaw Szczotek
Zapytaj
1 szt.
—
106
324438-69
Przewód
Zapytaj
1 szt.
—
107
328649-20
Electronic 230V
Zapytaj
1 szt.
—
111
487087-00
Kondensator - Podzespół
Zapytaj
1 szt.
—
112
323091-01
Osłona Przewodu
9,00 zł
1 szt.
—
113
821070
Zacisk Przewodu
7,00 zł
1 szt.
—
114
330065-08
Śruba
7,00 zł
1 szt.
—
115
329845-00
Uchwyt
Zapytaj
1 szt.
—
116
329777-00
Przewód - Podzespół
Zapytaj
1 szt.
—
117
329776-00
Przewód - Podzespół
Zapytaj
1 szt.
—
119
324007-11
Śruba
7,00 zł
1 szt.
—
121
328856-01
Przewód
Zapytaj
1 szt.
—
122
330065-24
Śruba
Zapytaj
1 szt.
—
123
327486-00
Osłona
Zapytaj
1 szt.
—
124
330065-21
Śruba
7,00 zł
1 szt.
—
125
487073-00
Osłona Silnika - Podzespół
Zapytaj
1 szt.
—
126
N542566
Łożysko
51,00 zł
1 szt.
—
127
325279-00
Tuleja
Zapytaj
1 szt.
—
128
327487-00
Uchwyt Bearing
Zapytaj
1 szt.
—
129
327489-01
Zakończenie
Zapytaj
1 szt.
—
130
324119-02
Śruba
8,00 zł
1 szt.
—
133
326667-00
Sprężyna Szczotki
8,00 zł
1 szt.
—
134
326933-01
Uchwyt
Zapytaj
1 szt.
—
141
327589-09
Chwytak Dwuszczękowy
Zapytaj
1 szt.
—
142
327577-00
Pierścień
Zapytaj
1 szt.
—
143
487094-01
Język Spustowy
Zapytaj
1 szt.
—
145
326438-00
Sprężyna
Zapytaj
1 szt.
—
146
327499-02
Pokrywa Osłony
Zapytaj
1 szt.
—
147
327586-00
Filtr
Zapytaj
1 szt.
—
148
323711-15
O-Ring
7,00 zł
1 szt.
—
149
327500-00
Pokrywa Wyłącznika
Zapytaj
1 szt.
—
150
327503-00
Przycisk Blokady
Zapytaj
1 szt.
—
151
323395-31
Sprężyna
Zapytaj
1 szt.
—
152
327501-00
Dźwignia
Zapytaj
1 szt.
—
153
327509-00
Kołpak
Zapytaj
1 szt.
—
175
492162-00
Zestaw Naprawczy
Zapytaj
1 szt.
—
184
330003-39
Łożysko
18,00 zł
1 szt.
—
185
487074-49
Łożysko - Podzespół
Zapytaj
1 szt.
—
186
575736-00
Zestaw Naprawczy
Zapytaj
1 szt.
—
187
328769-00
Sprężyna
Zapytaj
1 szt.
—
188
327507-00
Tuleja
Zapytaj
1 szt.
—
189
574741-00
Przekładnia
Zapytaj
1 szt.
—
190
323872-05
Łożysko
Zapytaj
1 szt.
—
191
324822-05
Pierścień Sprężynujący
Zapytaj
1 szt.
—
192
327141-03
Uszczelniacz
57,00 zł
1 szt.
—
193
327575-00
Tuleja
7,00 zł
1 szt.
—
194
327568-00
Odlew - Podzespół
Zapytaj
1 szt.
—
200
487147-00
Pierścień Uszczelniający
Zapytaj
1 szt.
—
201
487149-00
Pierścień - Podzespół
Zapytaj
1 szt.
—
202
487146-00
Podkładka
Zapytaj
1 szt.
—
203
487148-00
Osłona
Zapytaj
1 szt.
—
204
487153-00
Podkładka
Zapytaj
1 szt.
—
205
487160-00
Sprężyna
Zapytaj
1 szt.
—
206
324822-00
Pierścień Sprężynujący
Zapytaj
1 szt.
—
207
487118-00
Sprężyna
8,00 zł
1 szt.
—
208
327540-00
Pierścień Blokujący
Zapytaj
1 szt.
—
209
327541-00
Uchwyt
Zapytaj
1 szt.
—
211
327594-00
Podkładka Sprężysta
Zapytaj
1 szt.
—
212
487033-00
Kulka
Zapytaj
1 szt.
—
213
487145-00
Wrzeciono
Zapytaj
1 szt.
—
214
327141-01
Uszczelniacz
Zapytaj
1 szt.
—
215
575279-00
Ustalacz
Zapytaj
1 szt.
—
216
324822-06
Ustalacz
Zapytaj
1 szt.
—
217
330003-46
Łożysko
Zapytaj
1 szt.
—
218
574840-00
Tłumik Drgań
Zapytaj
1 szt.
—
219
575737-00
Wrzeciono - Podzespół
Zapytaj
1 szt.
—
220
323395-26
Sprężyna
Zapytaj
1 szt.
—
221
323711-39
O-Ring
Zapytaj
1 szt.
—
222
487414-00
Element Zbijaka
Zapytaj
1 szt.
—
223
327533-00
Podkładka
Zapytaj
1 szt.
—
224
323711-31
O-Ring
Zapytaj
1 szt.
—
225
323711-32
O-Ring
Zapytaj
1 szt.
—
226
327532-00
Panew
Zapytaj
1 szt.
—
227
323762-06
Ustalacz
Zapytaj
1 szt.
—
228
327591-00
Suwak
Zapytaj
1 szt.
—
229
487037-00
O-Ring
Zapytaj
1 szt.
—
230
323711-10
O-Ring
10,00 zł
1 szt.
—
231
325905-01
Pierścienie Tłokowe
9,00 zł
1 szt.
—
232
327520-00
Tłok
42,00 zł
1 szt.
—
233
329818-00
Kołek
Zapytaj
1 szt.
—
234
327519-00
Korbowód
Zapytaj
1 szt.
—
235
327492-00
Pierścień
Zapytaj
1 szt.
—
236
327528-00
Panew
Zapytaj
1 szt.
—
237
327527-00
Tuleja
Zapytaj
1 szt.
—
238
327553-00
Podkładka
Zapytaj
1 szt.
—
239
492162-00
Zestaw Naprawczy
Zapytaj
1 szt.
—
240
477193-00
Osłona - Podzespół
Zapytaj
1 szt.
—
241
327518-00
Uszczelniacz
Zapytaj
1 szt.
—
242
327502-00
Krzywka
Zapytaj
1 szt.
—
243
327504-00
Widełki
Zapytaj
1 szt.
—
244
327574-00
Sprężyna
Zapytaj
1 szt.
—
245
327505-00
Dźwignia
Zapytaj
1 szt.
—
251
327493-00
Pierścień
Zapytaj
1 szt.
—
252
327544-00
Śruba
Zapytaj
1 szt.
—
254
487103-49
Zacisk - Podzespół
Zapytaj
1 szt.
—
256
327545-00
Rękojeść
Zapytaj
1 szt.
—
260
326205-00
Ogranicznik Głębokości
Zapytaj
1 szt.
—
261
323763-07
Ustalacz
Zapytaj
1 szt.
—
262
575568-00
Uchwyt Elektronarzędzia
Zapytaj
1 szt.
—
263
487126-00
Wkładka
Zapytaj
1 szt.
—
264
487150-00
Podkładka Specjalna
Zapytaj
1 szt.
—
265
487152-00
Tłumik Drgań
Zapytaj
1 szt.
—
266
487151-00
Podkładka
Zapytaj
1 szt.
—
267
323762-09
Ustalacz
Zapytaj
1 szt.
—
268
487033-01
Kulka
Zapytaj
1 szt.
—
269
329590-00
Podkładka
Zapytaj
1 szt.
—
800
487142-01
Smar 1Kg
Zapytaj
1 szt.
—
801
586778-04
Smar 100 Gms
Zapytaj
1 szt.
—
802
328771-07
Smar
32,00 zł
1 szt.
—
816
329151-00
Etykieta Towarowa
Zapytaj
1 szt.
—
836
559613-99
Elektronarzędzie Serwisowe
Zapytaj
1 szt.
—
837
559611-99
Elektronarzędzie Serwisowe
Zapytaj
1 szt.
—
840
559610-99
Elektronarzędzie Serwisowe
Zapytaj
1 szt.
—
848
487096-00
Zestaw Serwisowy 230V
Zapytaj
1 szt.
—