Części
Maszyny
Kontakt
Home
Maszyny
Narzędzia
DeWalt
Narzędzie
DW217-Type-1 -
Narzędzie DeWalt
100%
Poz:
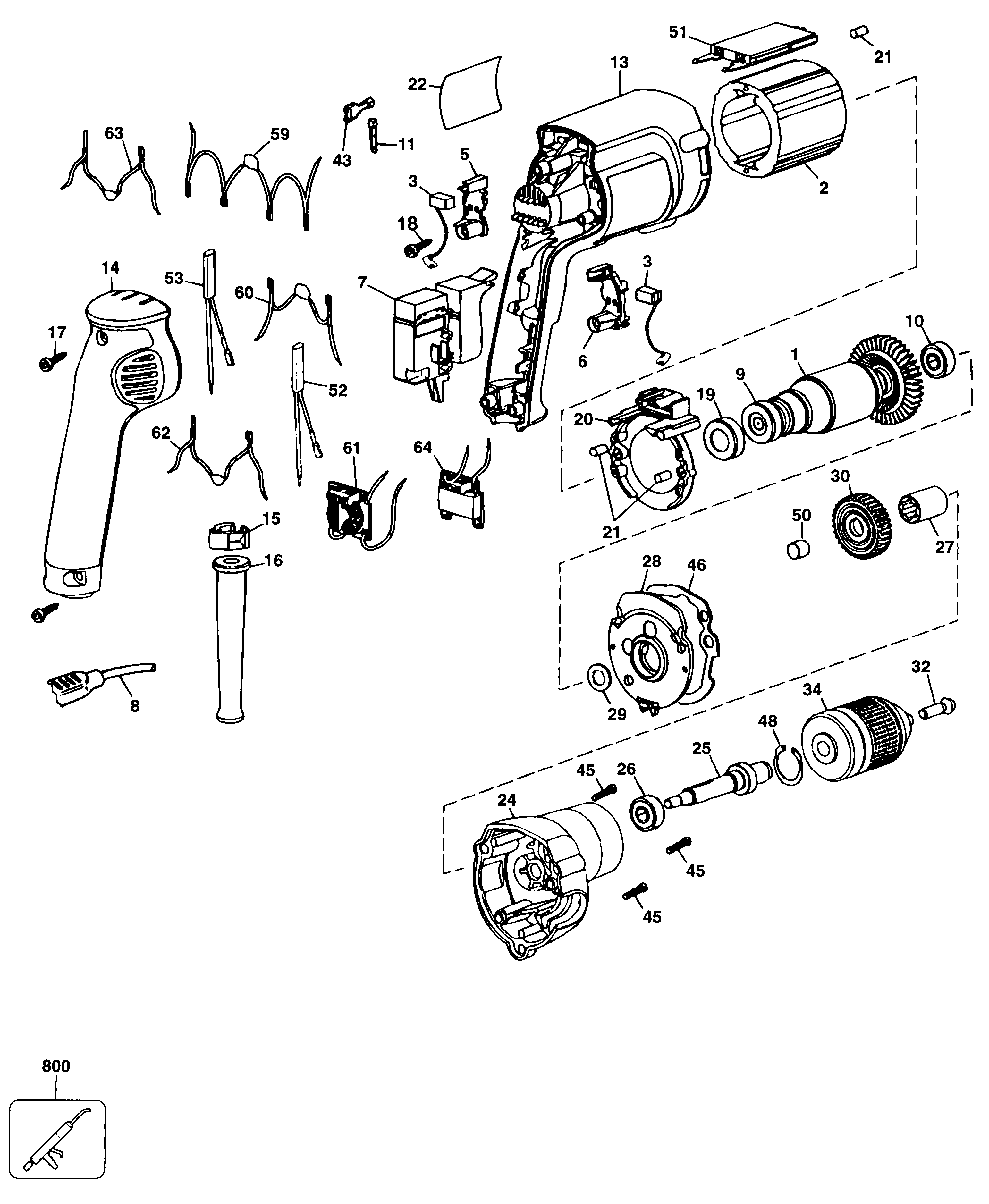
1
2
3
5
6
7
8
9
10
11
13
14
15
16
16
17
18
19
20
21
22
24
25
26
27
28
29
30
32
34
43
45
46
48
50
51
52
53
59
60
61
62
63
64
800
45 części
Sortuj
Poz.
Nr kat.
Nazwa
Cena brutto
Ilość
Zamów
1
579598-13
Twornik 230V
210,00 zł
1 szt.
—
2
176849-01SV
Stojan 230V
Zapytaj
1 szt.
—
3
176949-00
Szczotka 230V
18,00 zł
1 szt.
—
5
176801-03
Szczotkotrzymacz
159,00 zł
1 szt.
—
6
176800-03
Szczotkotrzymacz
123,00 zł
1 szt.
—
7
176830-15
Wyłącznik
Zapytaj
1 szt.
—
8
330120-86
Przewód Zasilający
69,00 zł
1 szt.
—
9
605040-06
Bearing,Ball
15,00 zł
1 szt.
—
10
605040-06
Bearing,Ball
15,00 zł
1 szt.
—
11
449192-00
Zacisk
Zapytaj
1 szt.
—
13
429969-04
Skrzynka Pola
Zapytaj
1 szt.
—
14
176816-03
Uchwyt Pokrywy
Zapytaj
1 szt.
—
15
402649-00
Zacisk Przewodu
10,00 zł
1 szt.
—
16
N542553
Osłona Przewodu
Zapytaj
1 szt.
—
16
N918736
Osłona Przewodu
7,00 zł
1 szt.
—
17
330019-13
Śruba
7,00 zł
1 szt.
—
18
176951-00
Śruba
7,00 zł
1 szt.
—
19
949721-03
Tuleja
Zapytaj
1 szt.
—
20
176811-00
Przegroda
9,00 zł
1 szt.
—
21
949638-02
Tłumik Drgań
7,00 zł
1 szt.
—
22
395047-00
Etykieta Towarowa
7,00 zł
1 szt.
—
24
176693-00SV
Skrzynka Przekładni
159,00 zł
1 szt.
—
25
176680-01
Wrzeciono
102,00 zł
1 szt.
—
26
605040-20
Łożysko
18,00 zł
1 szt.
—
27
176691-01
Dystans
7,00 zł
1 szt.
—
28
386622-00
Pokrywa Skrzynki Przekładni
34,00 zł
1 szt.
—
29
23813-00
Podkładka
Zapytaj
1 szt.
—
30
176629-00
Przekładnia
42,00 zł
1 szt.
—
32
149518-01
Śruba
7,00 zł
1 szt.
—
34
330075-85
Uchwyt Bezkluczykowy
115,00 zł
1 szt.
—
43
136086-02
Zacisk
Zapytaj
1 szt.
—
45
330019-14
Śruba
7,00 zł
1 szt.
—
46
176655-00
Uszczelnienie
7,00 zł
1 szt.
—
48
087692-00
Ustalacz
7,00 zł
1 szt.
—
50
093128-00
Łożysko Igiełkowe
9,00 zł
1 szt.
—
51
176917-00
Moduł
Zapytaj
1 szt.
—
52
176890-00
Lead White
Zapytaj
1 szt.
—
53
176890-01
Lead Red
Zapytaj
1 szt.
—
59
384022-00
Kondensator - Podzespół
Zapytaj
1 szt.
—
60
384021-00
Kondensator - Podzespół
Zapytaj
1 szt.
—
61
383714-00
Układ Elektroniczny
Zapytaj
1 szt.
—
62
383663-01
Kondensator I Skrzynka - Podzespół
Zapytaj
1 szt.
—
63
383663-00
Kondensator - Podzespół
Zapytaj
1 szt.
—
64
383670-00
Kondensator - Podzespół
Zapytaj
1 szt.
—
800
286436-00
Smar
709,00 zł
1 szt.
—