Części
Maszyny
Kontakt
Home
Maszyny
Narzędzia
DeWalt
Narzędzie
MSU430-Type-1 -
Narzędzie DeWalt
100%
Poz:
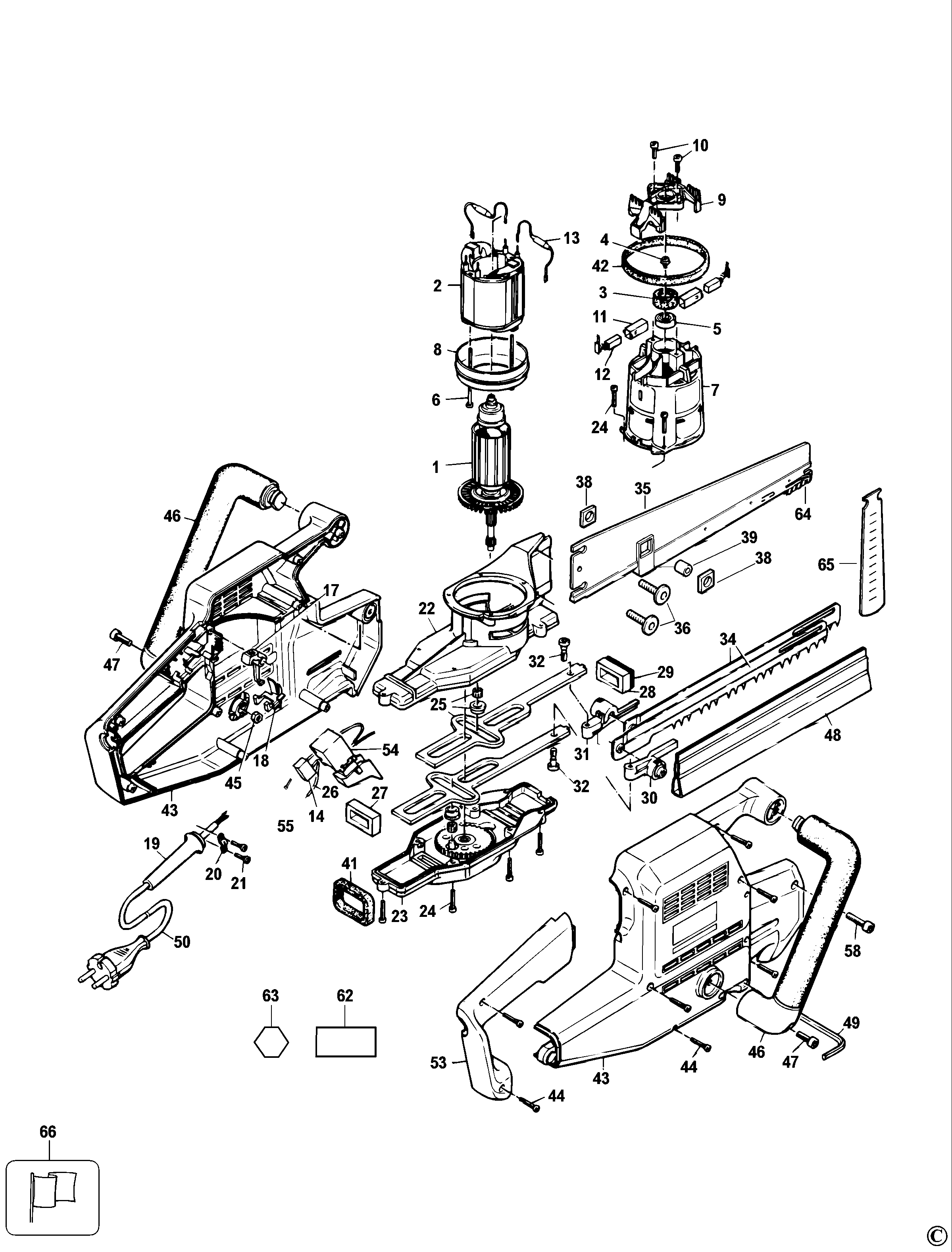
1
2
3
4
5
6
7
8
9
10
11
12
13
14
17
18
19
20
21
22
23
24
24
25
26
27
29
30
31
32
35
36
38
39
41
42
43
44
45
46
47
48
49
50
53
54
55
58
62
63
64
65
66
53 części
Sortuj
Poz.
Nr kat.
Nazwa
Cena brutto
Ilość
Zamów
1
369453-04
Twornik 230V
Zapytaj
1 szt.
—
2
373007-15
Stojan 230V
Zapytaj
1 szt.
—
3
911897
Uchwyt
Zapytaj
1 szt.
—
4
322491
Śruba
Zapytaj
1 szt.
—
5
330003-19
Łożysko
16,00 zł
1 szt.
—
6
916231
Śruba
Zapytaj
1 szt.
—
7
322330
Skrzynka Pola
Zapytaj
1 szt.
—
8
916128
Baffle Fan
Zapytaj
1 szt.
—
9
322894
Mostek
Zapytaj
1 szt.
—
10
894748
O-Ring
Zapytaj
1 szt.
—
11
321337
Szczotkotrzymacz
Zapytaj
1 szt.
—
12
322950
Szczotka 230V
18,00 zł
1 szt.
—
13
917912-07
Zwężka - Podzespół
Zapytaj
1 szt.
—
14
321384
Kondensator
14,00 zł
1 szt.
—
17
325332-00
Dźwignia
Zapytaj
1 szt.
—
18
323136
Dźwignia
Zapytaj
1 szt.
—
19
859013
Ochraniacz
Zapytaj
1 szt.
—
20
821070
Zacisk Przewodu
7,00 zł
1 szt.
—
21
D911324
Śruba
Zapytaj
1 szt.
—
22
324817-00
Skrzynka Przekładni
Zapytaj
1 szt.
—
23
322667
Skrzynka Przekładni
Zapytaj
1 szt.
—
24
810091-00
Screw.Special
Zapytaj
1 szt.
—
24
320601-02
Śruba
Zapytaj
1 szt.
—
25
1008559-01
Zestaw Naprawczy
Zapytaj
1 szt.
—
26
878756
Lead 200Mm Black
Zapytaj
1 szt.
—
27
322377
Łożysko
Zapytaj
1 szt.
—
29
325990-00
Uszczelniacz
Zapytaj
1 szt.
—
30
368469-00
Zacisk Prawy - Podzespół
38,00 zł
1 szt.
—
31
368470-00
Zacisk Lewy - Podzespół
38,00 zł
1 szt.
—
32
495253-00
Zestaw Naprawczy
Zapytaj
1 szt.
—
35
N022429
Pręt
Zapytaj
1 szt.
—
36
324776-00
Śruba
Zapytaj
1 szt.
—
38
322661
Wkładka
Zapytaj
1 szt.
—
39
322662
Dystans
Zapytaj
1 szt.
—
41
322659
Wkładka
Zapytaj
1 szt.
—
42
322660
Wkładka
Zapytaj
1 szt.
—
43
325602-06
Chwytak Dwuszczękowy - Zestaw
Zapytaj
1 szt.
—
44
911325
Śruba
Zapytaj
1 szt.
—
45
911018
Nakrętka
Zapytaj
1 szt.
—
46
323142
Rękojeść
Zapytaj
1 szt.
—
47
911281
Śruba
Zapytaj
1 szt.
—
48
322763-02
Osłona
Zapytaj
1 szt.
—
49
098000-11
Klucz Sześciokątny
7,00 zł
1 szt.
—
50
N571221
Cordset (Euro)
78,00 zł
1 szt.
—
53
322363-03
Pokrywa
Zapytaj
1 szt.
—
54
325328-00
Wyłącznik
Zapytaj
1 szt.
—
55
911026
Śruba
7,00 zł
1 szt.
—
58
322928
Śruba
Zapytaj
1 szt.
—
62
323504-00
Nalepka Uwaga
Zapytaj
1 szt.
—
63
323504-00
Nalepka Uwaga
Zapytaj
1 szt.
—
64
325824-49
Zestaw Naprawczy
Zapytaj
1 szt.
—
65
325882-00
Skrobak - Zestaw
9,00 zł
1 szt.
—
66
326480-03
Etykieta Towarowa
Zapytaj
1 szt.
—