Części
Maszyny
Kontakt
Home
Maszyny
Myjka ciśnieniowa
Bosch
MYJKA WYSOKOCIŚNIENIOWA AQUATAK CLIC 125
3600H79000 -
MYJKA WYSOKOCIŚNIENIOWA Bosch AQUATAK CLIC 125
100%
Poz:
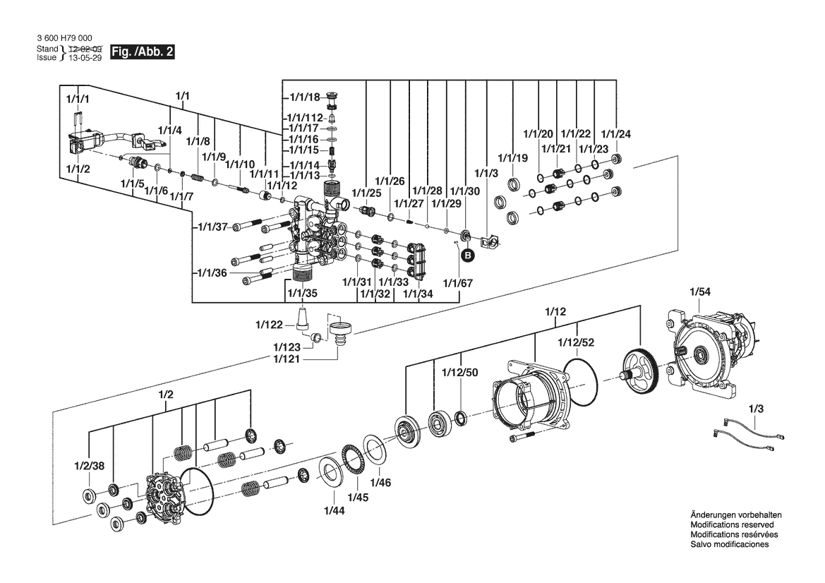
1/1
1/2
1/3
1/6
1/7
2/1
2/3
1/1/1
1/1/2
1/12
1/1/3
1/1/4
1/1/5
1/1/7
1/1/8
1/1/9
1/44
1/45
1/46
1/54
1/58
1/62
1/66
1/75
1/76
1/80
1/81
1/82
1/83
1/85
1/86
1/87
1/89
1/90
1/91
1/92
1/93
1/94
1/95
1/97
1/98
2/1/2
2/3/4
805
1/100
1/101
1/102
1/103
1/104
1/1/10
1/1/11
1/1/12
1/1/13
1/113
1/1/14
1/1/15
1/115
1/1/16
1/116
1/1/17
1/1/18
1/1/19
1/1/21
1/121
1/1/22
1/122
1/1/23
1/123
1/1/24
1/1/25
1/1/26
1/1/27
1/1/28
1/1/29
1/1/30
1/1/34
1/1/35
1/1/36
1/1/37
1/1/67
1/2/38
1/6/59
1/88/1
1/88/2
1/88/3
1/88/5
1/1/112
1/12/50
1/12/52
1/88/3/4
90 części
Sortuj
Poz.
Nr kat.
Nazwa
Cena brutto
Ilość
Zamów
1/1
F016F03972
Głowica Cylindra
398,52 zł
1 szt.
1/2
F016F03973
KOŁNIERZ POMPY
Zapytaj
1 szt.
—
1/3
F016F03975
PRZEWÓD ŁĄCZĄCY
Zapytaj
1 szt.
—
1/6
F016F03976
Obudowa Wentylatora
67,65 zł
1 szt.
1/7
F016F03971
Obudowa
145,39 zł
1 szt.
2/1
F016F03978
Rękojeść
145,39 zł
1 szt.
2/3
F016F03979
LANCA
Zapytaj
1 szt.
—
1/1/1
F016F03862
Hak
4,06 zł
1 szt.
1/1/2
F016F03863
Mikrowyłącznik
31,37 zł
1 szt.
1/12
F016F03974
Obudowa Przekładni
Zapytaj
1 szt.
—
1/1/3
F016F03864
Element Zaciskowy
Zapytaj
2 szt.
—
1/1/4
F016F03867
Pierścień Samouszczeln.
Zapytaj
2 szt.
—
1/1/5
F016F03865
Smarowniczka
4,06 zł
1 szt.
1/1/7
F016F03866
Pierścień Dokładany
Zapytaj
1 szt.
—
1/1/8
F016F03936
Sprężyna Dociskowa
Zapytaj
1 szt.
—
1/1/9
F016F03926
Pierścień Samouszczeln.
7,13 zł
1 szt.
1/44
F016F03918
PODKŁADKA
Zapytaj
1 szt.
—
1/45
F016F03916
Łożysko
Zapytaj
1 szt.
—
1/46
F016F03917
PODKŁADKA
Zapytaj
1 szt.
—
1/54
F016F03977
Silnik Elektryczny
Zapytaj
1 szt.
—
1/58
F016F03928
Uszczelka
Zapytaj
1 szt.
—
1/62
F016F03517
Śruba
8,36 zł
41 szt.
1/66
F016F03955
Skład Akcesoriów
8,36 zł
1 szt.
1/75
F016F03951
Kołpak
4,06 zł
2 szt.
1/76
F016F03964
Rolka
26,32 zł
2 szt.
1/80
F016F03954
Skład Akcesoriów
13,65 zł
1 szt.
1/81
F016F03961
POKRYWA SILNIKA
Zapytaj
1 szt.
—
1/82
F016F03960
POKRYWA SILNIKA
13,65 zł
1 szt.
1/83
F016F03957
Skład Akcesoriów
11,07 zł
1 szt.
1/85
F016F03948
Rękojeść
33,83 zł
1 szt.
1/86
F016F03953
Zbiornik
43,91 zł
1 szt.
1/87
F016F03952
Korek
Zapytaj
1 szt.
—
1/89
F016F03509
Pierścień Samouszczeln.
4,06 zł
1 szt.
1/90
F016F04118
Obudowa Wyłącznika
18,08 zł
1 szt.
1/91
F016F04119
Pokrywa Wyłącznika
7,13 zł
1 szt.
1/92
F016F03937
Sprężyna
4,06 zł
1 szt.
1/93
F016F03931
Wyłącznik Płaski
20,66 zł
1 szt.
1/94
F016F04122
Przycisk
Zapytaj
1 szt.
—
1/95
F016F03930
PRZEWÓD ŁĄCZĄCY
28,78 zł
1 szt.
1/97
F016F03079
Śruba
Zapytaj
4 szt.
—
1/98
F016F03949
Obudowa
Zapytaj
1 szt.
—
2/1/2
F016F03988
Płyta Zderzakowa
4,06 zł
1 szt.
2/3/4
F016F03541
Pierścień Samouszczeln.
Zapytaj
1 szt.
—
805
F016L72004
Wąż
18,08 zł
1 szt.
1/100
F016F03980
Osłona
Zapytaj
1 szt.
—
1/101
F016F03968
Tuleja Łożyskowa
Zapytaj
1 szt.
—
1/102
F016F03484
Pierścień Samouszczeln.
4,06 zł
1 szt.
1/103
F016F03920
Pierścień Samouszczeln.
Zapytaj
1 szt.
—
1/104
F016F03966
WĄŻ
110,33 zł
1 szt.
1/1/10
F016F03958
Tłok
Zapytaj
1 szt.
—
1/1/11
F016F03944
Tłok
Zapytaj
1 szt.
—
1/1/12
F016F03924
Pierścień Samouszczeln.
4,06 zł
1 szt.
1/1/13
F016F03925
Pierścień Samouszczeln.
4,06 zł
1 szt.
1/113
F016F03933
Uszczelka
Zapytaj
1 szt.
—
1/1/14
F016F03941
Cisnieniomierz
4,06 zł
1 szt.
1/1/15
F016F03935
Sprężyna Dociskowa
4,06 zł
1 szt.
1/115
F016F03761
Pierścień Samouszczeln.
4,06 zł
1 szt.
1/1/16
F016F03483
Pierścień Samouszczeln.
4,06 zł
3 szt.
1/116
F016F03034
Śruba
4,06 zł
2 szt.
1/1/17
F016F03923
Pierścień Samouszczeln.
4,06 zł
1 szt.
1/1/18
F016F03945
Dysza
4,06 zł
1 szt.
1/1/19
F016F03929
Tuleja Łożyskowa
9,59 zł
3 szt.
1/1/21
F016F03970
Cisnieniomierz
4,06 zł
3 szt.
1/121
F016F03359
Dwuzłączka Podłączeniowa
Zapytaj
1 szt.
—
1/1/22
F016F03919
Pierścień Samouszczeln.
Zapytaj
3 szt.
—
1/122
F016F03884
Filtr Przelotowy
4,06 zł
1 szt.
1/1/23
F016F03927
Tuleja Łożyskowa
4,06 zł
3 szt.
1/123
F016F04130
Korek
4,06 zł
1 szt.
1/1/24
F016F03938
Pierścień Dokładany
4,06 zł
3 szt.
1/1/25
F016F03942
Smarowniczka
Zapytaj
1 szt.
—
1/1/26
F016F03921
Pierścień Samouszczeln.
4,06 zł
1 szt.
1/1/27
F016F03934
Sprężyna Dociskowa
4,06 zł
1 szt.
1/1/28
F016F03965
Kula
4,06 zł
1 szt.
1/1/29
F016F03922
Pierścień Samouszczeln.
4,06 zł
1 szt.
1/1/30
F016F03943
Smarowniczka
Zapytaj
1 szt.
—
1/1/34
F016F03939
Osłona
Zapytaj
1 szt.
—
1/1/35
F016F03932
Głowica Sterująca
145,39 zł
1 szt.
1/1/36
F016F03969
Kołek Wtykowy
Zapytaj
3 szt.
—
1/1/37
F016F03371
Śruba
28,78 zł
4 szt.
1/1/67
F016F04101
Kołek Wtykowy
Zapytaj
1 szt.
—
1/2/38
F016F03963
Tuleja Łożyskowa
13,65 zł
1 szt.
1/6/59
F016F03989
Śruba
Zapytaj
1 szt.
—
1/88/1
F016F03981
OBUDOWA
Zapytaj
1 szt.
—
1/88/2
F016F03982
Przewód Zasil. Sieciowy
349,69 zł
1 szt.
1/88/3
F016F03990
Zespół Bębnowy
Zapytaj
1 szt.
—
1/88/5
F016F03985
Pokrywa
Zapytaj
1 szt.
—
1/1/112
F016F03967
Dysza
Zapytaj
1 szt.
—
1/12/50
F016F03962
Tuleja Łożyskowa
4,06 zł
1 szt.
1/12/52
F016F03753
Pierścień Samouszczeln.
Zapytaj
1 szt.
—
1/88/3/4
F016F03983
Wąż Wysokociśnieniowy
454,98 zł
1 szt.