Części
Maszyny
Kontakt
Home
Maszyny
Młoty wyburzeniowe
DeWalt
Młot wyburzeniowy
MH151-Type-5 -
Młot wyburzeniowy DeWalt
100%
Poz:
1
1
2
2
3
4
4
5
5
5
6
7
8
9
10
11
12
13
14
15
16
17
18
19
21
22
23
24
25
26
27
28
29
30
31
32
33
34
35
36
37
38
39
40
41
42
43
44
45
46
47
48
49
50
51
52
53
54
56
57
58
59
60
61
62
64
66
67
69
70
70
71
72
73 części
Sortuj
Poz.
Nr kat.
Nazwa
Cena brutto
Ilość
Zamów
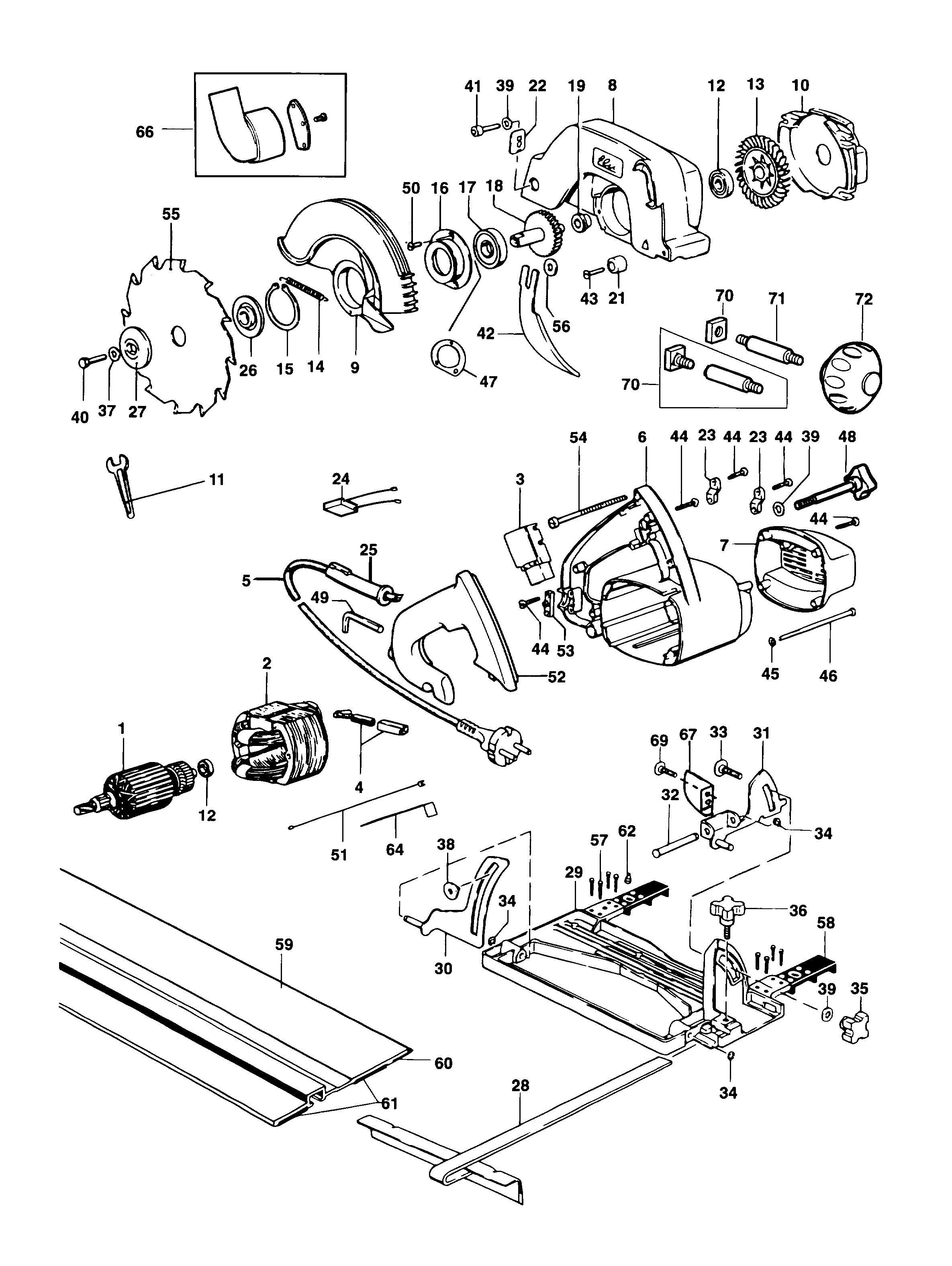
1
379501
Twornik Kit 115V
Zapytaj
1 szt.
—
1
379500
Twornik Kit 220
Zapytaj
1 szt.
—
2
151102103
Stojan 115V
Zapytaj
1 szt.
—
2
151102102
Stojan 220V
Zapytaj
1 szt.
—
3
941056-05
Wyłącznik
Zapytaj
1 szt.
—
4
247405-00
Szczotkotrzymacz
Zapytaj
1 szt.
—
4
247059-00
Szczotkotrzymacz
Zapytaj
1 szt.
—
5
379091
Cordset (Euro)
Zapytaj
1 szt.
—
5
379092
Przewód Zasilający
Zapytaj
1 szt.
—
5
378990
Przewód Zasilający
Zapytaj
1 szt.
—
6
324618-05
Case Grey
Zapytaj
1 szt.
—
7
247054-15
Zakończenie
Zapytaj
1 szt.
—
8
941052-00
Skrzynka Przekładni
Zapytaj
1 szt.
—
9
940970-01
Osłona
Zapytaj
1 szt.
—
10
151123701
Pokrywa
Zapytaj
1 szt.
—
11
080351300
Klucz Płaski 10Mm
Zapytaj
1 szt.
—
12
143830000
Łożysko
Zapytaj
1 szt.
—
13
151130500
Wentylator
Zapytaj
1 szt.
—
14
248813-00
Sprężyna
Zapytaj
1 szt.
—
15
860079-05
Pierścień Sprężynujący
7,00 zł
1 szt.
—
16
248888-00
Łożysko - Podzespół
Zapytaj
1 szt.
—
17
247571-00
Łożysko
Zapytaj
1 szt.
—
18
329563-00
Przekładnia - Podzespół
Zapytaj
1 szt.
—
19
151980150
Łożysko Zgrzewane
Zapytaj
1 szt.
—
21
761306-00
Odbój
7,00 zł
1 szt.
—
22
940969-51
Płyta
Zapytaj
1 szt.
—
23
868069-00
Zacisk
7,00 zł
1 szt.
—
24
320842-03
Kondensator
Zapytaj
1 szt.
—
25
320785
Osłona Przewodu
8,00 zł
1 szt.
—
26
151155400
Zacisk
Zapytaj
1 szt.
—
27
379342
Podkładka Zewnętrzna Zaciskowa
Zapytaj
1 szt.
—
28
249226-00
Prowadnica
Zapytaj
1 szt.
—
29
151115101
Podstawa
Zapytaj
1 szt.
—
30
248864-00
Podpora Obrotowa
Zapytaj
1 szt.
—
31
378929-00
Wspornik - Podzespół
Zapytaj
1 szt.
—
32
249107-00
Wrzeciono
Zapytaj
1 szt.
—
33
249406-00
Śruba
Zapytaj
1 szt.
—
34
860322-03
Pierścień Sprężynujący
Zapytaj
1 szt.
—
35
941536-01
Gałka
Zapytaj
1 szt.
—
36
025922908
Gałka
Zapytaj
1 szt.
—
37
249092-20
Podkładka
Zapytaj
1 szt.
—
38
151112400
Nakrętka
Zapytaj
1 szt.
—
39
249221-00
Podkładka
7,00 zł
1 szt.
—
40
249409-00
Śruba
Zapytaj
1 szt.
—
41
249408-10
Śruba
Zapytaj
1 szt.
—
42
248863-00
Klin Rozszczepiający
Zapytaj
1 szt.
—
43
249403-00
Śruba
Zapytaj
1 szt.
—
44
949896-12
Śruba
7,00 zł
1 szt.
—
45
093820600
Podkładka Blokująca
Zapytaj
1 szt.
—
46
101811100
Śruba
Zapytaj
1 szt.
—
47
247525-00
Uszczelnienie
Zapytaj
1 szt.
—
48
248866-00
Śruba Wing
Zapytaj
1 szt.
—
49
930574-00
Klucz Imbusowy 5 Mm
7,00 zł
1 szt.
—
50
720685-00
Screw.Temp
Zapytaj
1 szt.
—
51
157164500
Lead 245Mm Red
Zapytaj
1 szt.
—
52
324617-05
Pokrywa Grey
Zapytaj
1 szt.
—
53
379684
Zacisk Przewodu
Zapytaj
1 szt.
—
54
868528-00
Śruba
Zapytaj
1 szt.
—
56
142930194
Podkładka
Zapytaj
1 szt.
—
57
249416-06
Śruba
Zapytaj
1 szt.
—
58
249116-00
Ucho
Zapytaj
1 szt.
—
59
151237700
Osłona
Zapytaj
1 szt.
—
60
088207057
Guma Strip 20X1500
Zapytaj
1 szt.
—
61
088207058
Guma Strip 30X1500
Zapytaj
1 szt.
—
62
249119-00
Mimośród
Zapytaj
1 szt.
—
64
247335-00
Lead 100Mm Red
Zapytaj
1 szt.
—
66
248021-00
Wyciąg
Zapytaj
1 szt.
—
67
324622-00
Płyta
Zapytaj
1 szt.
—
69
249423-02
Śruba
Zapytaj
1 szt.
—
70
324619-00
Nakrętka
Zapytaj
1 szt.
—
70
378295
Wrzeciono - Podzespół
Zapytaj
1 szt.
—
71
378295
Wrzeciono - Podzespół
Zapytaj
1 szt.
—
72
379019
Gałka
Zapytaj
1 szt.
—