Części
Maszyny
Kontakt
Home
Maszyny
Młoty udarowo-obrotowe
Hitachi
Młot udarowo-obrotowy
DH25PB -
Młot udarowo-obrotowy Hitachi
100%
Poz:
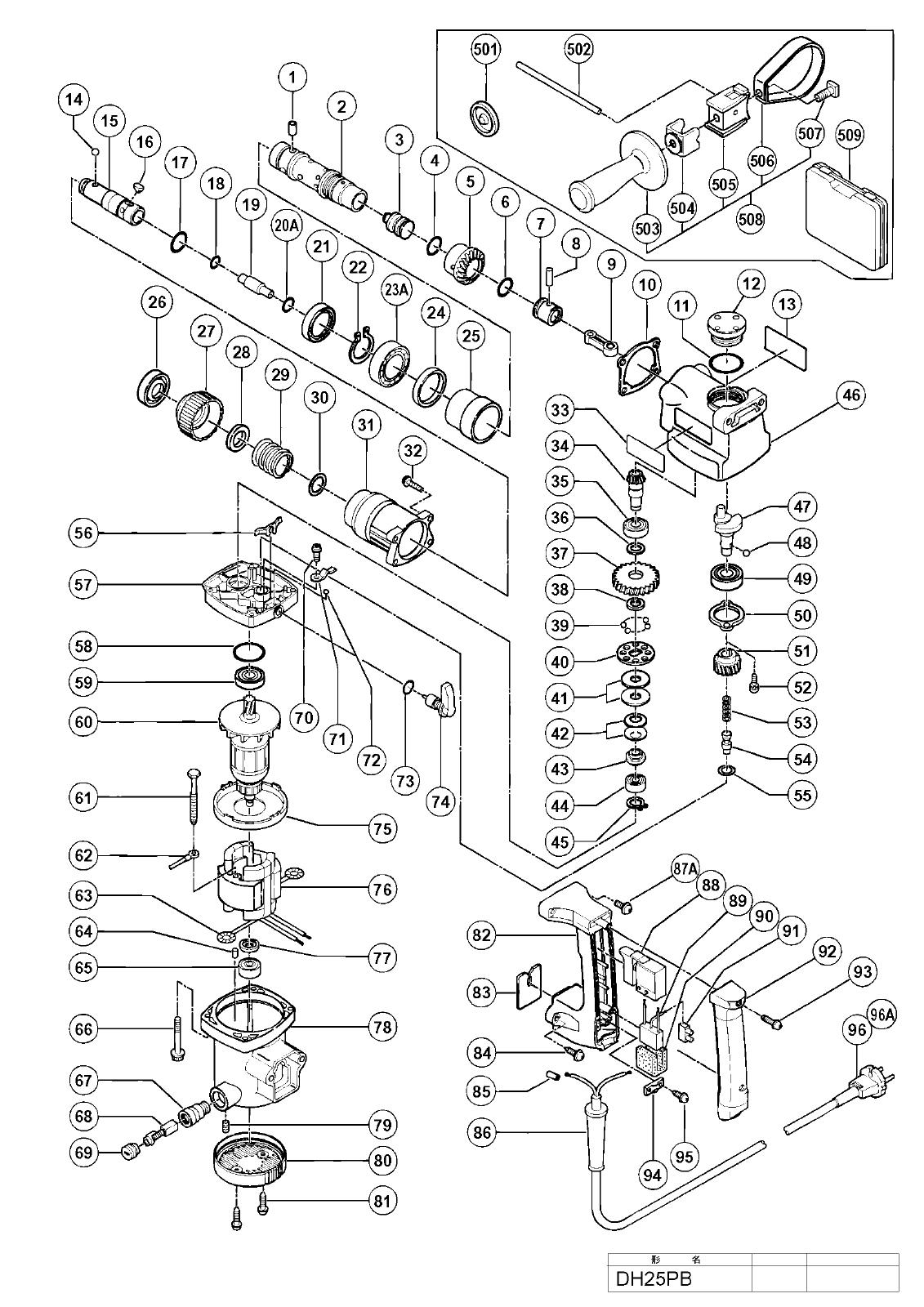
1
2
3
4
5
6
7
8
9
10
11
12
13
14
15
16
17
18
19
20A
21
22
23A
24
25
26
27
28
29
30
31
32
33
34
35
36
37
38
39
40
41
42
43
44
45
46
47
48
49
50
51
52
53
54
55
56
57
58
59
60
60
60
61
62
63
64
65
66
67
68
68
69
70
71
72
73
74
75
76
76
76
76
77
78
79
80
81
82
83
84
85
86
86
87A
88
88
89
90
91
92
93
94
95
96
96
96
96
96
96
96
96A
501
502
503
504
505
506
507
508
509
601
602
603
604
605
606
607
608
609
610
611
612
613
614
615
616
617
618
619
620
621
622
623
624
625
626
627
628
629
630
631
632
633
634
635
636
637
638
639
640
641
642
643
644
645
646
647
648
649
650
651
652
653
654
656
658
659
660
661
662
663
664
665
666
667
668
669
670
671
672
673
674
675
676
677
678
679
680
681
682
683
684
685
686
687
688
689
690
691
692
693
694
695
696
697
698
699
700
701
702
703
704
705
706
707
708
709
710
711
712
713
714
715
716
234 części
Sortuj
Poz.
Nr kat.
Nazwa
Cena brutto
Ilość
Zamów
1
318200
Needle Pin
Zapytaj
3 szt.
—
2
318022
Cylinder
Zapytaj
1 szt.
—
3
318024
Bijak
Zapytaj
1 szt.
—
4
971760
O-Ring
Zapytaj
1 szt.
—
5
992933
Third Gear
Zapytaj
1 szt.
—
6
971760
O-Ring
Zapytaj
1 szt.
—
7
992930
Tłok
Zapytaj
1 szt.
—
8
992931
Tłok Pin
Zapytaj
1 szt.
—
9
318020
Korbowód
Zapytaj
1 szt.
—
10
980896
Uszczelka Packing (B)
Zapytaj
1 szt.
—
11
980948
O-Ring
Zapytaj
1 szt.
—
12
980880
Oil Cap
Zapytaj
1 szt.
—
13
980896
Uszczelka Packing (B)
Zapytaj
1 szt.
—
14
959156
Kulka Stalowa D7.0 (10 Pc
Zapytaj
1 szt.
—
15
318023
Element Mocujący Sleeve
Zapytaj
1 szt.
—
16
318026
Igła
Zapytaj
3 szt.
—
17
980890
O-Ring (D)
Zapytaj
1 szt.
—
18
318199
O-Ring
Zapytaj
1 szt.
—
19
318025
Drugi Młotek
Zapytaj
1 szt.
—
20A
301680
O-Ring (I.D. 10.5)
Zapytaj
1 szt.
—
21
318027
Uszczelniacz Olejowy
Zapytaj
1 szt.
—
22
948310
Pierścień Ustalający For D30 Shaft
Zapytaj
1 szt.
—
23A
6906T2
Łożysko Kulkowe 6906T2Cn
Zapytaj
1 szt.
—
24
992906
Urethane Ring
Zapytaj
1 szt.
—
25
980891
Pipe
Zapytaj
1 szt.
—
26
318028
Nasadka Przednia
Zapytaj
1 szt.
—
27
318029
Uchwyt
Zapytaj
1 szt.
—
28
318030
Ball Holder
Zapytaj
1 szt.
—
29
306342
Uchwyt Spring
Zapytaj
1 szt.
—
30
984118
Podkładka (B)
Zapytaj
1 szt.
—
31
318021
Cylinder Case
Zapytaj
1 szt.
—
32
992253
Śruba Z Gniazdem Sześciokątnym (W/Flange) M5X25
Zapytaj
4 szt.
—
33
984118
Podkładka (B)
Zapytaj
1 szt.
—
34
992914
Third Pinion
Zapytaj
1 szt.
—
35
6001DD
Łożysko Kulkowe 6001Ddcmps2L
Zapytaj
1 szt.
—
36
992503
Podkładka
Zapytaj
1 szt.
—
37
992928
Second Gear
Zapytaj
1 szt.
—
38
971087
Ogranicznik Washer
Zapytaj
1 szt.
—
39
959155
Kulka Stalowa D3.97 (10 Pcs.)
Zapytaj
8 szt.
—
40
992916
Sprzęgło Plate
Zapytaj
1 szt.
—
41
992926
Sprężyna Plate (1) - [Till 5.2018]
Zapytaj
2 szt.
—
42
980877
Belleville Spring
Zapytaj
2 szt.
—
43
992504
Tuleja
Zapytaj
1 szt.
—
44
608VVM
Łożysko Kulkowe 608Vvc2Ps2L
Zapytaj
1 szt.
—
45
940079
Pierścień Ustalający For D8 Shaft
Zapytaj
1 szt.
—
46
980920
Skrzynia Korbowa
Zapytaj
1 szt.
—
47
318034
Wał Korbowy
Zapytaj
1 szt.
—
48
959149
Kulka Stalowa D4.76 (10 Pcs.)
Zapytaj
2 szt.
—
49
6202DD
Łożysko Kulkowe 6202Dd
Zapytaj
1 szt.
—
50
980871
Pokrywa Łożyska
Zapytaj
1 szt.
—
51
992902
Pierwszy Bieg
Zapytaj
1 szt.
—
52
987203
Uszczelka Lock Screw (W/Sp. Washer) M4X12
Zapytaj
2 szt.
—
53
992937
Sprężyna Sprzęgła
Zapytaj
1 szt.
—
54
992938
Wał Sprzęgła
Zapytaj
1 szt.
—
55
992506
Podkładka Oporowa
Zapytaj
1 szt.
—
56
986276
Ogranicznik Spring
Zapytaj
1 szt.
—
57
992925
Pokrywa Przekładni
Zapytaj
1 szt.
—
58
872470
O-Ring (S-26)
Zapytaj
1 szt.
—
59
6000DD
Łożysko Kulkowe 6000Ddcmps2L (1) - [Since 8.2013 For Usa.Can]
Zapytaj
2 szt.
—
60
360505F
Twornik 240V
Zapytaj
1 szt.
—
60
360505U
Twornik Ass'Y 110V-120V (1) - [Includ.59.65.77]
Zapytaj
1 szt.
—
60
360505E
Twornik 220V-230V
Zapytaj
1 szt.
—
61
992509
Hex. Hd. Tapping Screw D5X45
Zapytaj
2 szt.
—
62
318035
Przewód Wewnętrzny (1) - [Except Tha]
Zapytaj
1 szt.
—
63
930630
Szczotka Terminal
Zapytaj
2 szt.
—
64
946362
Łożysko Lock
Zapytaj
1 szt.
—
65
626VVM
Łożysko Kulkowe 626Vvc2Ps2L
Zapytaj
1 szt.
—
66
980951
Śruba Z Gniazdem Sześciokątnym (W/Flange) M5X45
Zapytaj
4 szt.
—
67
990721
Uchwyt Szczotki
Zapytaj
2 szt.
—
68
999021
Szczotka Węglowa (1 Pair)
Zapytaj
2 szt.
—
68
999070
Szczotka Węglowa (Auto Stop Type) (1 Pair)
Zapytaj
1 szt.
—
69
937847
Nasadka Szczotki
Zapytaj
2 szt.
—
70
991207
Uszczelka Lock Screw (W/Sp.
Zapytaj
1 szt.
—
71
992936
Ball Spring
Zapytaj
1 szt.
—
72
959148
Kulka Stalowa D3.175 (10 Pcs.)
Zapytaj
1 szt.
—
73
992912
O-Ring (S-8)
Zapytaj
1 szt.
—
74
302140
Change Lever Ass'Y
Zapytaj
1 szt.
—
75
992911
Wentylator Guide
Zapytaj
1 szt.
—
76
340451K
Stojan Ass'Y 220V-240V (1) - [Includ.60]
Zapytaj
1 szt.
—
76
340451H
Stojan Ass'Y 110V (1) - [Includ.63 For Gbr(110V)]
Zapytaj
1 szt.
—
76
340451F
Stojan Ass'Y 220V (1) - [Includ.60 For Tha]
Zapytaj
1 szt.
—
76
340451D
Stojan Ass'Y 120V
Zapytaj
1 szt.
—
77
992500
Podkładka (A)
Zapytaj
1 szt.
—
78
986812
Obudowa Ass'Y (1) - [Includ.64.71]
Zapytaj
1 szt.
—
79
938477
Śruba Ustalająca Z Gniazdem Sześciokątnym M5X8
Zapytaj
2 szt.
—
80
318031
Pokrywa Tylna
Zapytaj
1 szt.
—
81
309470
Wkręt Samogwintujący (W/Flange) D4X12 (Black)
Zapytaj
2 szt.
—
82
318018
Rękojeść
Zapytaj
1 szt.
—
83
980900
Płytka
Zapytaj
1 szt.
—
84
305558
Wkręt Samogwintujący (W/Flange) D5X25 (Black)
Zapytaj
2 szt.
—
85
981373
Rurka (D)
Zapytaj
1 szt.
—
86
953327
Osłona Przewodu D8.8
Zapytaj
1 szt.
—
86
938051
Osłona Przewodu D10.1
Zapytaj
1 szt.
—
87A
880881
Śruba Maszynowa (W/Washers) M5X30 (Black)
Zapytaj
2 szt.
—
88
318033
Przełącznik (B)
Zapytaj
1 szt.
—
88
318032
Przełącznik (A) (1) - [For Gbr (110V).Usa.Can]
Zapytaj
1 szt.
—
89
994273
Tłumik Zakłóceń
Zapytaj
1 szt.
—
90
317492
Wspornik (B) (1) - [For Noise Suppressor]
Zapytaj
1 szt.
—
91
938307
Zacisk Kolumnowy
Zapytaj
1 szt.
—
92
318019
Pokrywa Rękojeści
Zapytaj
1 szt.
—
93
301653
Wkręt Samogwintujący (W/Flange) D4X20 (Black)
Zapytaj
2 szt.
—
94
937631
Klips Przewodu
Zapytaj
1 szt.
—
95
984750
Wkręt Samogwintujący (W/Flange) D4X16
Zapytaj
2 szt.
—
96
500239Z
Przewód
Zapytaj
1 szt.
—
96
500391Z
Przewód (1) - [(Cord Armor D10.1) For Sui]
Zapytaj
1 szt.
—
96
500390Z
Przewód (1) - [(Cord Armor D8.8)]
Zapytaj
1 szt.
—
96
500439Z
Przewód
Zapytaj
1 szt.
—
96
500446Z
Przewód
Zapytaj
1 szt.
—
96
500457Z
Przewód (1) - [(Cord Armor D8.8) For Chn]
Zapytaj
1 szt.
—
96
500249Z
Przewód
Zapytaj
1 szt.
—
96A
500465Z
Przewód (1) - [(Cord Armor D11.2) For Gbr (230V)]
Zapytaj
1 szt.
—
501
971787
Dust Cup
Zapytaj
1 szt.
—
502
980906
Ogranicznik Rod
Zapytaj
1 szt.
—
503
980901
Rękojeść Boczna
Zapytaj
1 szt.
—
504
980905
Pręt Holder
Zapytaj
1 szt.
—
505
980902
Rękojeść Boczna Holder
Zapytaj
1 szt.
—
506
980904
Taśma
Zapytaj
1 szt.
—
507
980903
Square Bolt M8
Zapytaj
1 szt.
—
508
980939
Rękojeść Boczna Ass'Y (1) - [Includ.503-507]
Zapytaj
1 szt.
—
509
318307
Obudowa
Zapytaj
1 szt.
—
601
303571
Drill Bit (Sds Plus) D4.0X110
Zapytaj
1 szt.
—
602
303572
Drill Bit (Sds Plus) D4.3X110
Zapytaj
1 szt.
—
603
303573
Drill Bit (Sds Plus) D4.5X110
Zapytaj
1 szt.
—
604
303574
Drill Bit (Sds Plus) D4.8X110
Zapytaj
1 szt.
—
605
303575
Drill Bit (Sds Plus) D5.0X110
Zapytaj
1 szt.
—
606
303578
Drill Bit (Sds Plus) D5.0X160
Zapytaj
1 szt.
—
607
303576
Drill Bit (Sds Plus) D5.5X110
Zapytaj
1 szt.
—
608
303577
Drill Bit (Sds Plus) D6.0X110
Zapytaj
1 szt.
—
609
303579
Drill Bit (Sds Plus) D6.0X160
Zapytaj
1 szt.
—
610
303580
Drill Bit (Sds Plus) D6.4X160
Zapytaj
1 szt.
—
611
303581
Drill Bit (Sds Plus) D6.5X160
Zapytaj
1 szt.
—
612
303582
Drill Bit (Sds Plus) D7.0X160
Zapytaj
1 szt.
—
613
303583
Drill Bit (Sds Plus) D7.5X160
Zapytaj
1 szt.
—
614
303584
Drill Bit (Sds Plus) D8.0X160
Zapytaj
1 szt.
—
615
303585
Drill Bit (Sds Plus) D8.5X160
Zapytaj
1 szt.
—
616
303586
Drill Bit (Sds Plus) D9.0X160
Zapytaj
1 szt.
—
617
303587
Drill Bit (Sds Plus) D9.5X160
Zapytaj
1 szt.
—
618
303588
Drill Bit (Sds Plus) D10.0X160
Zapytaj
1 szt.
—
619
303604
Drill Bit (Sds Plus) D10.0X260
Zapytaj
1 szt.
—
620
303589
Drill Bit (Sds Plus) D10.5X160
Zapytaj
1 szt.
—
621
303605
Drill Bit (Sds Plus) D10.5X260
Zapytaj
1 szt.
—
622
303590
Drill Bit (Sds Plus) D11.0X160
Zapytaj
1 szt.
—
623
303591
Drill Bit (Sds Plus) D12.0X160
Zapytaj
1 szt.
—
624
303606
Drill Bit (Sds Plus) D12.0X260
Zapytaj
1 szt.
—
625
303592
Drill Bit (Sds Plus) D12.5X160
Zapytaj
1 szt.
—
626
303607
Drill Bit (Sds Plus) D12.5X260
Zapytaj
1 szt.
—
627
303593
Drill Bit (Sds Plus) D12.7X160
Zapytaj
1 szt.
—
628
303608
Drill Bit (Sds Plus) D12.7X260
Zapytaj
1 szt.
—
629
303594
Drill Bit (Sds Plus) D13.0X160
Zapytaj
1 szt.
—
630
303595
Drill Bit (Sds Plus) D14.0X160
Zapytaj
1 szt.
—
631
303596
Drill Bit (Sds Plus) D14.3X160
Zapytaj
1 szt.
—
632
303609
Drill Bit (Sds Plus) D14.3X260
Zapytaj
1 szt.
—
633
303597
Drill Bit (Sds Plus) D14.5X160
Zapytaj
1 szt.
—
634
303610
Drill Bit (Sds Plus) D14.5X260
Zapytaj
1 szt.
—
635
303598
Drill Bit (Sds Plus) D15.0X160
Zapytaj
1 szt.
—
636
303599
Drill Bit (Sds Plus) D16.0X160
Zapytaj
1 szt.
—
637
303611
Drill Bit (Sds Plus) D16.0X260
Zapytaj
1 szt.
—
638
303600
Drill Bit (Sds Plus) D16.5X160
Zapytaj
1 szt.
—
639
303601
Drill Bit (Sds Plus) D17.0X160
Zapytaj
1 szt.
—
640
308485
Drill Bit (Sds Plus) D17.0X260
Zapytaj
1 szt.
—
641
303602
Drill Bit (Sds Plus) D17.5X160
Zapytaj
1 szt.
—
642
303612
Drill Bit (Sds Plus) D17.5X260
Zapytaj
1 szt.
—
643
303603
Drill Bit (Sds Plus) D18.0X160
Zapytaj
1 szt.
—
644
303613
Drill Bit (Sds Plus) D19.0X260
Zapytaj
1 szt.
—
645
303614
Drill Bit (Sds Plus) D20.0X260
Zapytaj
1 szt.
—
646
303615
Drill Bit (Sds Plus) D22.0X260
Zapytaj
1 szt.
—
647
308486
Drill Bit (Sds Plus) D24.0X250
Zapytaj
1 szt.
—
648
303616
Drill Bit (Sds Plus) D25.0X450
Zapytaj
1 szt.
—
649
303619
A-Taper Shank Adapter (Sds Plus)
Zapytaj
1 szt.
—
650
303620
B-Taper Shank Adapter (Sds Plus)
Zapytaj
1 szt.
—
651
303624
Uchwyt Wiertarski Adapter (D) (Sds Plus)
Zapytaj
1 szt.
—
652
944460
Taper Shank Drill Bit D11X100
Zapytaj
1 szt.
—
653
944461
Taper Shank Drill Bit D12.3X110
Zapytaj
1 szt.
—
654
993038
Taper Shank Drill Bit D12.7X110
Zapytaj
1 szt.
—
656
944500
Taper Shank Drill Bit D14.5X110
Zapytaj
1 szt.
—
658
944464
Taper Shank Drill Bit D21.5X140
Zapytaj
1 szt.
—
659
303617
Taper Shank Adapter (Sds Plus) No.1
Zapytaj
1 szt.
—
660
303618
Taper Shank Adapter (Sds Plus) No. 2
Zapytaj
1 szt.
—
661
944477
Zawleczka
Zapytaj
1 szt.
—
662
303332
Młotek Drill Chuck Set 13Mm
Zapytaj
1 szt.
—
663
303334
Uchwyt Wiertarski Handle
Zapytaj
1 szt.
—
664
303335
Nasadka Gumowa
Zapytaj
1 szt.
—
665
302976
Anchor Setting Adapter A (Sds+)W1/4X260L
Zapytaj
1 szt.
—
666
302975
Anchor Setting Adapter A(Sds+)W5/16X260L
Zapytaj
1 szt.
—
667
303621
Anchor Setting Adapter A (Sds+)W3/8X160L
Zapytaj
1 szt.
—
668
302974
Anchor Setting Adapter A (Sds+)W3/8X260L
Zapytaj
1 szt.
—
669
302979
Anchor Setting Adapter B (Sds+)W1/4X260L
Zapytaj
1 szt.
—
670
302978
Anchor Setting Adapter B(Sds+)W5/16X260L
Zapytaj
1 szt.
—
671
303622
Anchor Setting Adapter B (Sds+)W3/8X160L
Zapytaj
1 szt.
—
672
302977
Anchor Setting Adapter B (Sds+)W3/8X260L
Zapytaj
1 szt.
—
673
971794
Anchor Setting Adapter A W1/4
Zapytaj
1 szt.
—
674
971795
Anchor Setting Adapter A W5/16
Zapytaj
1 szt.
—
675
971796
Anchor Setting Adapter A W3/8
Zapytaj
1 szt.
—
676
971797
Anchor Setting Adapter A W1/2
Zapytaj
1 szt.
—
677
971798
Anchor Setting Adapter A W5/8
Zapytaj
1 szt.
—
678
971799
Anchor Setting Adapter B W1/4
Zapytaj
1 szt.
—
679
971800
Anchor Setting Adapter B W5/16
Zapytaj
1 szt.
—
680
971801
Anchor Setting Adapter B W3/8
Zapytaj
1 szt.
—
681
971802
Anchor Setting Adapter B W1/2
Zapytaj
1 szt.
—
682
971803
Anchor Setting Adapter B W5/8
Zapytaj
1 szt.
—
683
303044
Chemical Anchor Adapter (Sds+)12.7Mmx90L
Zapytaj
1 szt.
—
684
303045
Chemical Anchor Adapter(Sds+)19.0Mmx100L
Zapytaj
1 szt.
—
685
321813
Drill Chuck 13Vld-D (1) - [Includ.1]
Zapytaj
1 szt.
—
686
930515
Uchwyt Wiertarski Wrench 10G
Zapytaj
1 szt.
—
687
303623
Uchwyt Wiertarski Adapter (G) (Sds Plus)
Zapytaj
1 szt.
—
688
982672
Core Bit (A) 25Mm
Zapytaj
1 szt.
—
689
982673
Core Bit (A) 29Mm
Zapytaj
1 szt.
—
690
982674
Core Bit (A) 32Mm (1) - [Includ.627]
Zapytaj
1 szt.
—
691
982675
Core Bit (A) 35Mm (1) - [Includ.629]
Zapytaj
1 szt.
—
692
982676
Core Bit (A) 38Mm (1) - [Includ.631]
Zapytaj
1 szt.
—
693
982677
Core Bit (B) 45Mm (1) - [Includ.633]
Zapytaj
1 szt.
—
694
982678
Core Bit (B) 50Mm
Zapytaj
1 szt.
—
695
982679
Core Bit (B) 65Mm (1) - [Includ.696]
Zapytaj
1 szt.
—
696
982680
Core Bit (B) 80Mm (1) - [Includ.697]
Zapytaj
1 szt.
—
697
982681
Core Bit (B) 90Mm (1) - [Includ.698]
Zapytaj
1 szt.
—
698
982686
Płytka Prowadząca (For Core Bit 32Mm)
Zapytaj
1 szt.
—
699
982687
Płytka Prowadząca (For Core Bit 35Mm)
Zapytaj
1 szt.
—
700
982688
Płytka Prowadząca (For Core Bit 38Mm)
Zapytaj
1 szt.
—
701
982689
Płytka Prowadząca (For Core Bit 45Mm)
Zapytaj
1 szt.
—
702
982690
Płytka Prowadząca (For Core Bit 50Mm)
Zapytaj
1 szt.
—
703
982691
Płytka Prowadząca (For Core Bit 65Mm)
Zapytaj
1 szt.
—
704
982692
Płytka Prowadząca (For Core Bit 80Mm)
Zapytaj
1 szt.
—
705
982693
Płytka Prowadząca (For Core Bit 90Mm)
Zapytaj
1 szt.
—
706
982684
Center Pin (A) 109L For Core Bit D32-38
Zapytaj
1 szt.
—
707
982685
Center Pin (B) 104L For Core Bit D45-90
Zapytaj
1 szt.
—
708
303625
Core Bit Shank (Sds Plus) 25-38Mm 105L
Zapytaj
1 szt.
—
709
303626
Core Bit Shank (Sds Plus) 25-38Mm 300L
Zapytaj
1 szt.
—
710
303627
Core Bit Shank (Sds Plus) 45-90Mm 300L
Zapytaj
1 szt.
—
711
303046
Bull Point (Sds+) 250Mm(Round Shank Type
Zapytaj
1 szt.
—
712
306885
Dust Collector (B) Ass'Y
Zapytaj
1 szt.
—
713
306910
Gniazdo Adapter (B)
Zapytaj
1 szt.
—
714
981840
Smar (A) For Hammer.Hammer Drill (30G)
Zapytaj
1 szt.
—
715
308471
Smar For Hammer.Hammer Drill (70G)
Zapytaj
1 szt.
—
716
980927
Smar For Hammer.Hammer Drill (500G)
Zapytaj
1 szt.
—