Części
Maszyny
Kontakt
Home
Maszyny
Młoty udarowo-obrotowe
DeWalt
Młot udarowo-obrotowy
MBH22RDS-Type-1 -
Młot udarowo-obrotowy DeWalt
100%
Poz:
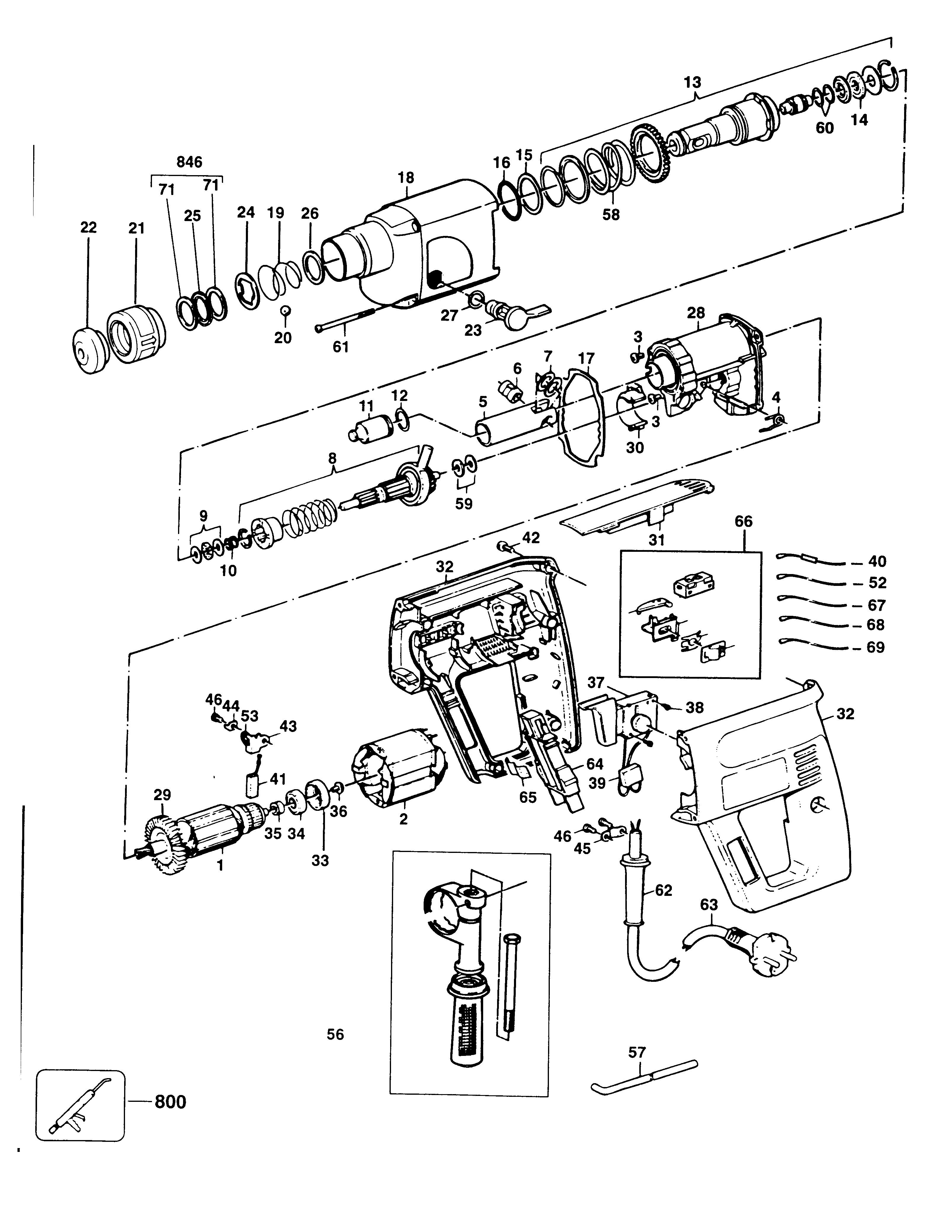
1
2
3
4
5
6
7
8
9
10
11
12
13
14
15
16
17
18
19
20
21
22
23
24
25
26
27
28
29
30
31
32
33
34
35
36
37
38
39
40
41
42
43
44
45
46
49
52
53
56
57
58
59
60
61
62
63
64
65
66
67
68
69
71
80
81
800
846
68 części
Sortuj
Poz.
Nr kat.
Nazwa
Cena brutto
Ilość
Zamów
1
879424-01
Twornik
Zapytaj
1 szt.
—
2
320032
Pole
Zapytaj
1 szt.
—
3
872745
Śruba
Zapytaj
1 szt.
—
4
870471
Sprężyna
Zapytaj
1 szt.
—
5
875345
Tłok
Zapytaj
1 szt.
—
6
487143-00
Oś
27,00 zł
1 szt.
—
7
870875
Podkładka
Zapytaj
1 szt.
—
8
874592
Wał
Zapytaj
1 szt.
—
9
324431-02
Podkładka
Zapytaj
1 szt.
—
10
323794-00
Sprężyna
Zapytaj
1 szt.
—
11
870621
Suwak
Zapytaj
1 szt.
—
12
577168-00
O-Ring
7,00 zł
1 szt.
—
13
870950-01
Wrzeciono
Zapytaj
1 szt.
—
14
N451068
Ustalacz
10,00 zł
1 szt.
—
15
870880
Podkładka
Zapytaj
1 szt.
—
16
870881
Podkładka
Zapytaj
1 szt.
—
17
870882
Uszczelnienie
Zapytaj
1 szt.
—
18
870966-02
Skrzynka Przekładni
Zapytaj
1 szt.
—
19
871690
Sprężyna
7,00 zł
1 szt.
—
20
583890-00
Kulka
7,00 zł
1 szt.
—
21
870954
Tuleja
Zapytaj
1 szt.
—
22
871469
Uszczelniacz
Zapytaj
1 szt.
—
23
321948
Dźwignia
Zapytaj
1 szt.
—
24
578387-00
Podkładka
9,00 zł
1 szt.
—
25
323480-00
Dystans
14,00 zł
1 szt.
—
26
871670
Podkładka
Zapytaj
1 szt.
—
27
870907
Uszczelniacz
Zapytaj
1 szt.
—
28
324937-00
Osłona - Podzespół
Zapytaj
1 szt.
—
29
324401-00
Wentylator
Zapytaj
1 szt.
—
30
871987
Uszczelniacz
Zapytaj
1 szt.
—
31
322310-01
Wkładka
Zapytaj
1 szt.
—
32
327630-00
Uchwyt - Podzespół
Zapytaj
1 szt.
—
33
870052
Tuleja
7,00 zł
1 szt.
—
34
330003-19
Łożysko
16,00 zł
1 szt.
—
35
918687
Dystans
Zapytaj
1 szt.
—
36
911276
Śruba
Zapytaj
1 szt.
—
37
322338
Wyłącznik
Zapytaj
1 szt.
—
38
911026
Śruba
7,00 zł
1 szt.
—
39
321384
Kondensator
14,00 zł
1 szt.
—
40
871695
Zwężka - Podzespół
Zapytaj
1 szt.
—
41
320876
Szczotka 230V
21,00 zł
1 szt.
—
42
911325
Śruba
Zapytaj
1 szt.
—
43
326109-00
Szczotkotrzymacz
Zapytaj
1 szt.
—
44
875513
Płyta
Zapytaj
1 szt.
—
45
821070
Zacisk Przewodu
7,00 zł
1 szt.
—
46
D911324
Śruba
Zapytaj
1 szt.
—
49
871675
Sprężyna
Zapytaj
1 szt.
—
52
879870
Lead 220Mm Red
Zapytaj
1 szt.
—
53
872843
Sprężyna
Zapytaj
1 szt.
—
56
939794-02
Uchwyt Boczny - Podzespół
51,00 zł
1 szt.
—
57
580787-00
Ogranicznik Głębokości
8,00 zł
1 szt.
—
58
918782
Sprężyna
Zapytaj
1 szt.
—
59
324430-03
Łożysko Oporowe
Zapytaj
1 szt.
—
60
873012
Uszczelniacz
Zapytaj
1 szt.
—
61
911517
Śruba
Zapytaj
1 szt.
—
62
916968
Osłona Przewodu
Zapytaj
1 szt.
—
63
N571221
Cordset (Euro)
78,00 zł
1 szt.
—
64
875454
Uchwyt
Zapytaj
1 szt.
—
65
320339
Sprężyna
Zapytaj
1 szt.
—
66
323135-49
Wyłącznik - Zestaw
Zapytaj
1 szt.
—
67
878881
Lead 140Mm Black
Zapytaj
1 szt.
—
68
322576
Lead 160Mm Red
Zapytaj
1 szt.
—
69
878756
Lead 200Mm Black
Zapytaj
1 szt.
—
71
323492-00
Podkładka
Zapytaj
1 szt.
—
80
324430-02
Łożysko Oporowe
Zapytaj
1 szt.
—
81
324431-03
Podkładka 7
Zapytaj
1 szt.
—
800
870889-02
Smar
51,00 zł
1 szt.
—
846
327354-00
Podkładka - Podzespół
Zapytaj
1 szt.
—