Części
Maszyny
Kontakt
Home
Maszyny
Młoty udarowo-obrotowe
DeWalt
Młot udarowo-obrotowy
D25900K-Type-1 -
Młot udarowo-obrotowy DeWalt
100%
Poz:
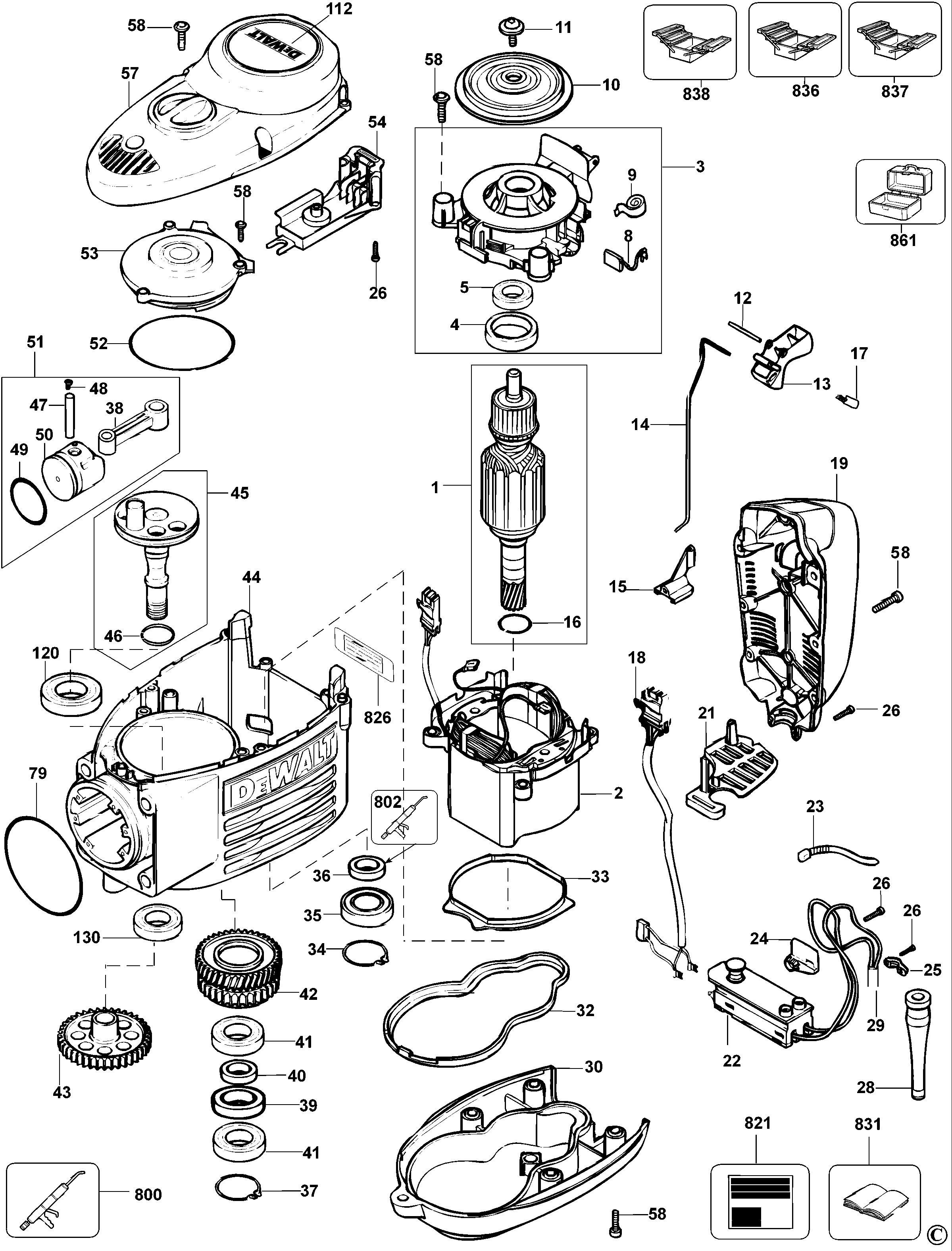
1
2
3
4
5
8
9
10
11
12
13
14
15
16
17
18
19
21
22
23
24
25
26
28
29
30
32
33
34
35
36
37
38
39
40
41
42
43
44
45
46
47
48
49
50
51
52
53
54
56
57
58
59
60
61
62
63
64
65
66
67
68
69
70
71
72
73
74
75
76
77
78
79
80
81
82
83
86
87
88
89
90
91
92
93
94
95
96
97
98
99
100
101
102
103
104
107
108
109
110
111
112
120
130
800
801
802
821
826
836
837
838
840
845
847
847
116 części
Sortuj
Poz.
Nr kat.
Nazwa
Cena brutto
Ilość
Zamów
1
NA246449
Twornik 230V
431,00 zł
1 szt.
—
2
579827-00
Stojan 230V
Zapytaj
1 szt.
—
3
NA299448
Uchwyt Szczotki 230V
210,00 zł
1 szt.
—
4
590191-00
Osłona Izolacyjna
8,00 zł
1 szt.
—
5
577745-00
Łożysko
27,00 zł
1 szt.
—
8
588698-00
Szczotka Pair 230V
93,00 zł
1 szt.
—
9
487377-00
Sprężyna Szczotki
Zapytaj
1 szt.
—
10
487252-00
Wentylator - Podzespół
Zapytaj
1 szt.
—
11
324119-02
Śruba
8,00 zł
1 szt.
—
12
377374
Kołek
7,00 zł
1 szt.
—
13
487276-00
Język Spustowy
12,00 zł
1 szt.
—
14
N893314
Pręt
24,00 zł
1 szt.
—
15
487286-00
Urządzenie Uruchamiające
10,00 zł
1 szt.
—
16
578450-00
Pierścień
Zapytaj
1 szt.
—
17
326467-00
Zapadka
7,00 zł
1 szt.
—
18
487326-00
Lead Switch Sa
Zapytaj
1 szt.
—
19
487275-00
Rękojeść
170,00 zł
1 szt.
—
21
487388-00
Pokrywa
12,00 zł
1 szt.
—
22
N485853
Wyłącznik
93,00 zł
1 szt.
—
23
579093-01
Cięgno Stalowe
7,00 zł
1 szt.
—
24
487378-00
Wspornik
9,00 zł
1 szt.
—
25
821070
Zacisk Przewodu
7,00 zł
1 szt.
—
26
330065-08
Śruba
7,00 zł
1 szt.
—
28
323091-01
Osłona Przewodu
9,00 zł
1 szt.
—
29
582319-00
Cordset (Euro)
93,00 zł
1 szt.
—
30
487271-00
Pokrywa
57,00 zł
1 szt.
—
32
487224-00
Uszczelniacz
21,00 zł
1 szt.
—
33
576387-00
Uszczelniacz
Zapytaj
1 szt.
—
34
324821-04
Pierścień Sprężynujący
8,00 zł
1 szt.
—
35
N570313
Łożysko
21,00 zł
1 szt.
—
36
487209-01
Uszczelniacz
21,00 zł
1 szt.
—
37
324821-03
Pierścień Sprężynujący
7,00 zł
1 szt.
—
38
N542565
Korbowód
42,00 zł
1 szt.
—
39
578452-00
Dystans
15,00 zł
1 szt.
—
40
578451-00
Dystans
12,00 zł
1 szt.
—
41
605040-26
Łożysko
21,00 zł
1 szt.
—
42
579782-00
Przekładnia
182,00 zł
1 szt.
—
43
579783-00
Przekładnia
199,00 zł
1 szt.
—
44
579772-00
Skrzynka Przekładni - Podzespół
811,00 zł
1 szt.
—
45
579839-00
Wał Korbowy
235,00 zł
1 szt.
—
46
576451-00
Pierścień
9,00 zł
1 szt.
—
47
487208-00
Kołek
14,00 zł
1 szt.
—
48
581656-00
Kołek
7,00 zł
1 szt.
—
49
487213-00
O-Ring
21,00 zł
1 szt.
—
50
579774-00
Tłok
38,00 zł
1 szt.
—
51
579779-01
Tłok - Zestaw
149,00 zł
1 szt.
—
52
323711-47
O-Ring
8,00 zł
1 szt.
—
53
N147098
Pokrywa - Podzespół
Zapytaj
1 szt.
—
54
584376-06
Electronic 230V
Zapytaj
1 szt.
—
56
487284-00
Podkładka Zaciskowa
10,00 zł
1 szt.
—
57
487344-00
Pokrywa Silnika
Zapytaj
1 szt.
—
58
324007-11
Śruba
7,00 zł
1 szt.
—
59
584240-00
Uchwyt Boczny - Podzespół
199,00 zł
1 szt.
—
60
487343-00
Śruba
16,00 zł
1 szt.
—
61
487277-00
Rękojeść
85,00 zł
1 szt.
—
62
487278-00
Podkładka
10,00 zł
1 szt.
—
63
487281-00
Zacisk
34,00 zł
1 szt.
—
64
487291-00
Gałka - Podzespół
27,00 zł
1 szt.
—
65
949886-32
Śruba
7,00 zł
1 szt.
—
66
N718060
Pokrywa Osłony
51,00 zł
1 szt.
—
67
579832-00
Element Zbijaka
149,00 zł
1 szt.
—
68
487270-00
Panew
32,00 zł
1 szt.
—
69
487288-00
Tłumik Drgań
Zapytaj
1 szt.
—
70
579786-00
Panew
123,00 zł
1 szt.
—
71
487298-00
O-Ring
15,00 zł
1 szt.
—
72
487203-00
Panew
Zapytaj
1 szt.
—
73
487297-00
O-Ring
27,00 zł
1 szt.
—
74
323711-41
O-Ring
7,00 zł
1 szt.
—
75
N075954
Cylinder
257,00 zł
1 szt.
—
76
579780-00
Suwak
159,00 zł
1 szt.
—
77
487296-00
O-Ring
21,00 zł
1 szt.
—
78
579769-00
Osłona Czołowa
170,00 zł
1 szt.
—
79
323711-55
O-Ring
7,00 zł
1 szt.
—
80
487293-00
Prowadzenie Sprężyny
9,00 zł
1 szt.
—
81
487247-00
Sprężyna
21,00 zł
1 szt.
—
82
576488-00
Prowadzenie Sprężyny
12,00 zł
1 szt.
—
83
579781-00
Przeciwwaga
199,00 zł
1 szt.
—
86
576489-00
Prowadzenie Sprężyny
14,00 zł
1 szt.
—
87
487238-01
Uszczelniacz
32,00 zł
1 szt.
—
88
487205-00
Pierścień
8,00 zł
1 szt.
—
89
487241-00
Podkładka
32,00 zł
1 szt.
—
90
487244-00
Klocek Do Szlifowania
18,00 zł
1 szt.
—
91
487236-00
Tuleja
34,00 zł
1 szt.
—
92
579784-00
Pierścień Blokujący
69,00 zł
1 szt.
—
93
487218-00
Sprężyna
7,00 zł
1 szt.
—
94
487249-00
Panew
34,00 zł
1 szt.
—
95
489672-00
Klucz
38,00 zł
1 szt.
—
96
487240-00
Panew
9,00 zł
1 szt.
—
97
487216-00
Sprężyna
7,00 zł
1 szt.
—
98
487268-00
Prowadzenie Sprężyny
12,00 zł
1 szt.
—
99
487289-00
Sprężyna
24,00 zł
1 szt.
—
100
N542567
Tuleja - Podzespół
34,00 zł
1 szt.
—
101
487237-00
Tuleja
27,00 zł
1 szt.
—
102
918825-02
Śruba
7,00 zł
1 szt.
—
103
579778-00
Kołnierz
306,00 zł
1 szt.
—
104
323711-15
O-Ring
7,00 zł
1 szt.
—
107
579773-00
Wrzeciono - Podzespół
Zapytaj
1 szt.
—
108
N014007
Uszczelniacz
21,00 zł
1 szt.
—
109
487287-00
O-Ring
34,00 zł
1 szt.
—
110
1007543-00
Tyleja Łożyska
93,00 zł
1 szt.
—
111
579771-00
Uchwyt Elektronarzędzia
Zapytaj
1 szt.
—
112
487392-00
Etykieta
9,00 zł
1 szt.
—
120
330003-68
Łożysko
57,00 zł
1 szt.
—
130
330003-69
Łożysko
34,00 zł
1 szt.
—
800
578970-06
Smar 150 Gms
170,00 zł
1 szt.
—
801
328771-07
Smar
32,00 zł
1 szt.
—
802
870889-02
Smar
51,00 zł
1 szt.
—
821
569037-00
Tabliczka Znamionowa
18,00 zł
1 szt.
—
826
487395-00
Etykieta
Zapytaj
1 szt.
—
836
559617-99
Podstawa Wspierająca
429,00 zł
1 szt.
—
837
559618-99
Podstawa Wspierająca
649,00 zł
1 szt.
—
838
559621-99
Elektronarzędzie Serwisowe
74,00 zł
1 szt.
—
840
559619-99
Ściągacz Do Zatrzasku Pierścieniowego
922,00 zł
1 szt.
—
845
559620-99
Przyrząd Do Montażu Uczczelki
415,00 zł
1 szt.
—
847
581016-00
Zestaw Serwisowy 230V
Zapytaj
1 szt.
—
847
581015-02
Zestaw Serwisowy 230V
Zapytaj
1 szt.
—