Części
Maszyny
Kontakt
Home
Maszyny
Młoty udarowo-obrotowe
DeWalt
Młot udarowo-obrotowy
D25300D-Type-1 -
Młot udarowo-obrotowy DeWalt
100%
Poz:
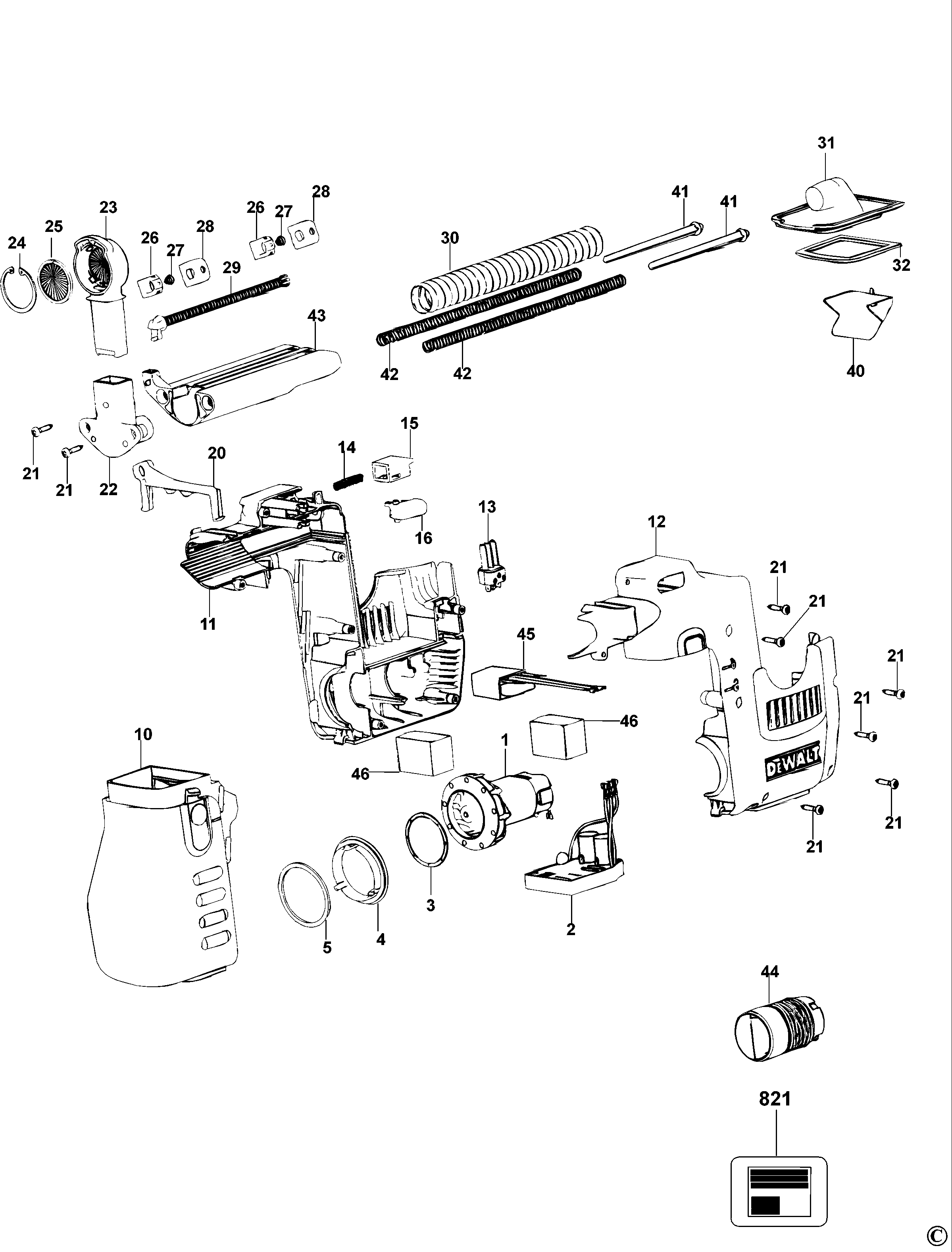
1
2
3
4
5
10
11
12
13
14
15
16
20
21
22
23
24
25
26
27
28
29
30
31
32
40
41
42
43
44
45
46
821
33 części
Sortuj
Poz.
Nr kat.
Nazwa
Cena brutto
Ilość
Zamów
1
586770-00
Silnik - Podzespół
Zapytaj
1 szt.
—
2
586771-03
Electronic 230V
Zapytaj
1 szt.
—
3
584439-00
Pokrywa Wentylatora
Zapytaj
1 szt.
—
4
583105-00
Podkładka
Zapytaj
1 szt.
—
5
580258-00
Uszczelniacz
Zapytaj
1 szt.
—
10
577898-00
Filtr - Podzespół
Zapytaj
1 szt.
—
11
580238-00
Osłona Prawa
Zapytaj
1 szt.
—
12
580237-00
Osłona Lewa
Zapytaj
1 szt.
—
13
580243-00
Złącze
Zapytaj
1 szt.
—
14
329876-00
Sprężyna
Zapytaj
1 szt.
—
15
580249-00
Zaczep
Zapytaj
1 szt.
—
16
580248-00
Gałka
Zapytaj
1 szt.
—
20
580252-00
Uchwyt
Zapytaj
1 szt.
—
21
330065-08
Śruba
7,00 zł
1 szt.
—
22
580452-00
Kołpak
Zapytaj
1 szt.
—
23
580254-00
Głowica
Zapytaj
1 szt.
—
24
580256-00
Pierścień
7,00 zł
1 szt.
—
25
580255-00
Szczotka Narzędziowa
32,00 zł
1 szt.
—
26
580261-00
Gałka
7,00 zł
1 szt.
—
27
584458-00
Sprężyna
7,00 zł
1 szt.
—
28
580262-00
Osłona
7,00 zł
1 szt.
—
29
580259-00
Pręt
Zapytaj
1 szt.
—
30
580257-00
Plastikowa Rura
Zapytaj
1 szt.
—
31
577897-00
Kołpak
Zapytaj
1 szt.
—
32
580260-00
Uszczelniacz
Zapytaj
1 szt.
—
40
585208-00
Osłona
Zapytaj
1 szt.
—
41
583839-00
Kołek
Zapytaj
1 szt.
—
42
580253-00
Sprężyna
Zapytaj
1 szt.
—
43
580251-00
Osłona
Zapytaj
1 szt.
—
44
585976-00
Złączka - Podzespół
Zapytaj
1 szt.
—
45
586476-00
Tłumik
Zapytaj
1 szt.
—
46
586551-00
Podkładka
Zapytaj
1 szt.
—
821
569037-00
Tabliczka Znamionowa
18,00 zł
1 szt.
—