Części
Maszyny
Kontakt
Home
Maszyny
Młoty udarowo-obrotowe
DeWalt
Młot udarowo-obrotowy
D25700K-Type-1 -
Młot udarowo-obrotowy DeWalt
100%
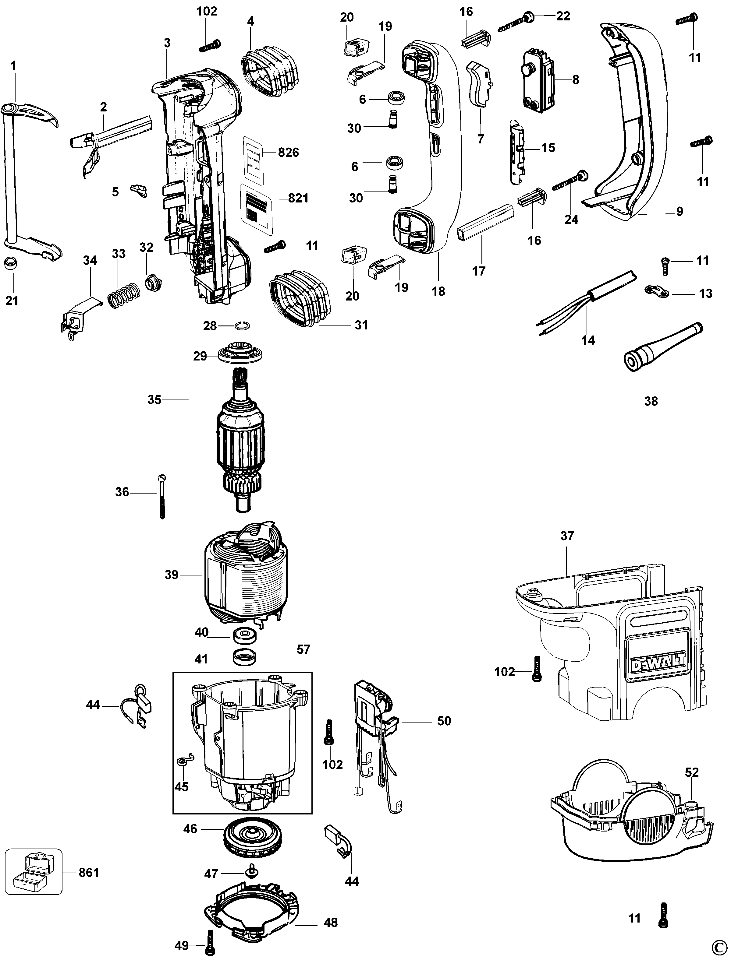
Poz:
1
2
3
4
5
6
7
8
9
11
13
14
15
16
17
18
19
20
21
22
24
28
29
30
31
32
33
34
35
36
37
38
39
40
41
44
45
46
47
48
49
50
52
57
99
100
101
102
103
104
105
106
107
108
109
110
111
112
114
117
118
119
120
130
131
132
135
136
137
139
140
151
152
153
154
155
156
157
158
159
160
165
180
181
182
183
184
185
186
187
188
189
200
201
202
203
204
205
206
207
208
209
210
220
221
223
224
225
226
227
228
229
230
240
250
251
252
252
253
254
255
256
257
260
261
262
263
264
265
266
800
801
821
826
836
836
837
838
840
845
847
861
142 części
Sortuj
Poz.
Nr kat.
Nazwa
Cena brutto
Ilość
Zamów
1
N019871
Zestaw Naprawczy
Zapytaj
1 szt.
—
2
586415-00
Osłona - Podzespół
Zapytaj
1 szt.
—
3
585171-01
Uchwyt Pokrywy
Zapytaj
1 szt.
—
4
588639-00
Miech
Zapytaj
1 szt.
—
5
586045-00
Soczewka
Zapytaj
1 szt.
—
6
586411-00
Wałek
Zapytaj
1 szt.
—
7
587114-01
Język Spustowy
8,00 zł
1 szt.
—
8
581070-00
Wyłącznik
78,00 zł
1 szt.
—
9
587090-00
Uchwyt Pokrywy
Zapytaj
1 szt.
—
11
330065-08
Śruba
7,00 zł
1 szt.
—
13
821070
Zacisk Przewodu
7,00 zł
1 szt.
—
14
582319-22
Cordset (M/Plug) Qs
93,00 zł
1 szt.
—
15
477448-00
Blokada - Podzespół
Zapytaj
1 szt.
—
16
494477-00
Ogranicznik
Zapytaj
1 szt.
—
17
586414-00
Osłona Prętu
Zapytaj
1 szt.
—
18
587085-00
Rękojeść
Zapytaj
1 szt.
—
19
586413-00
Napęd
Zapytaj
1 szt.
—
20
1005496-00
Panew
Zapytaj
1 szt.
—
21
N019871
Zestaw Naprawczy
Zapytaj
1 szt.
—
22
949886-33
Śruba
Zapytaj
1 szt.
—
24
330019-33
Śruba
7,00 zł
1 szt.
—
28
577746-00
Pierścień
8,00 zł
1 szt.
—
29
586597-00
Osłona - Podzespół
Zapytaj
1 szt.
—
30
586412-00
Oś
Zapytaj
1 szt.
—
31
588640-00
Miech
Zapytaj
1 szt.
—
32
586423-00
Nośnik
Zapytaj
1 szt.
—
33
586421-00
Ugięcie Resoru
Zapytaj
1 szt.
—
34
586422-00
Ustalacz
Zapytaj
1 szt.
—
35
489251-00
Twornik 230V
413,00 zł
1 szt.
—
36
330019-30
Śruba
7,00 zł
1 szt.
—
37
585169-00
Pokrywa Silnika
Zapytaj
1 szt.
—
38
403395-00
Osłona Przewodu
15,00 zł
1 szt.
—
39
489254-00
Stojan 230V
Zapytaj
1 szt.
—
40
577745-00
Łożysko
27,00 zł
1 szt.
—
41
590191-00
Osłona Izolacyjna
8,00 zł
1 szt.
—
44
489256-00
Szczotka Pair 230V
69,00 zł
1 szt.
—
45
487377-00
Sprężyna Szczotki
Zapytaj
1 szt.
—
46
586611-00
Wentylator - Podzespół
42,00 zł
1 szt.
—
47
324119-02
Śruba
8,00 zł
1 szt.
—
48
586614-00
Przegroda
Zapytaj
1 szt.
—
49
330019-30
Śruba
7,00 zł
1 szt.
—
50
662695-04
Electronic 230V
Zapytaj
1 szt.
—
52
585170-00
Zakończenie
Zapytaj
1 szt.
—
57
586609-05
Osłona Silnika - Podzespół
Zapytaj
1 szt.
—
99
326467-00
Zapadka
7,00 zł
1 szt.
—
100
323711-49
O-Ring
Zapytaj
1 szt.
—
101
477287-01
Mikroprzełącznik
Zapytaj
1 szt.
—
102
324007-11
Śruba
7,00 zł
1 szt.
—
103
488067-00
Filtr
9,00 zł
1 szt.
—
104
586031-00
Pokrywa
18,00 zł
1 szt.
—
105
323711-56
O-Ring
9,00 zł
1 szt.
—
106
323711-48
O-Ring
12,00 zł
1 szt.
—
107
586032-00
Mimośród
8,00 zł
1 szt.
—
108
586033-00
Sprężyna
Zapytaj
1 szt.
—
109
586036-00
Suwak
18,00 zł
1 szt.
—
110
586038-00
Wybierak
15,00 zł
1 szt.
—
111
585168-00
Pokrywa-Górna
34,00 zł
1 szt.
—
112
488689-00
Tłok - Zestaw
Zapytaj
1 szt.
—
114
581656-00
Kołek
7,00 zł
1 szt.
—
117
584703-00
O-Ring
24,00 zł
1 szt.
—
118
N513280
Wał Korbowy
Zapytaj
1 szt.
—
119
323711-26
O-Ring
7,00 zł
1 szt.
—
120
489243-00
Osłona - Podzespół
Zapytaj
1 szt.
—
130
577744-07
O-Ring
8,00 zł
1 szt.
—
131
586034-00
Suwak
15,00 zł
1 szt.
—
132
N146117
Cylinder - Zestaw
Zapytaj
1 szt.
—
135
584715-00
Panew
18,00 zł
1 szt.
—
136
584706-00
O-Ring
16,00 zł
1 szt.
—
137
489180-00
Suwak
Zapytaj
1 szt.
—
139
478650-00
Panew
15,00 zł
1 szt.
—
140
584726-00
Sprężyna
Zapytaj
1 szt.
—
151
1007908-00
Zestaw Naprawczy
Zapytaj
1 szt.
—
152
479974-00
Dystans
9,00 zł
1 szt.
—
153
488688-00
Przekładnia
42,00 zł
1 szt.
—
154
577745-02
Bearing,Ball
27,00 zł
1 szt.
—
155
489245-00
Łożysko Igiełkowe
42,00 zł
1 szt.
—
156
489239-00
Łożysko Brass Bush
24,00 zł
1 szt.
—
157
586022-00
Uszczelniacz
12,00 zł
1 szt.
—
158
330003-39
Łożysko
18,00 zł
1 szt.
—
159
327141-08
Uszczelniacz
21,00 zł
1 szt.
—
160
490605-00
Osłona
Zapytaj
1 szt.
—
165
N079393
Sprzęgło - Podzespół
413,00 zł
1 szt.
—
180
490607-00
Wał Przekładni
Zapytaj
1 szt.
—
181
323872-06
Łożysko
42,00 zł
1 szt.
—
182
586394-00
Nakładka
Zapytaj
1 szt.
—
183
586386-00
Płytka Thrust
Zapytaj
1 szt.
—
184
490609-00
Przekładnia
Zapytaj
1 szt.
—
185
368247
Kulka
Zapytaj
1 szt.
—
186
586577-00
Tarcza
Zapytaj
1 szt.
—
187
586566-00
Tyleja Łożyska
Zapytaj
1 szt.
—
188
330003-26
Łożysko
24,00 zł
1 szt.
—
189
586402-00
Nakrętka
Zapytaj
1 szt.
—
200
487238-01
Uszczelniacz
32,00 zł
1 szt.
—
201
487205-00
Pierścień
8,00 zł
1 szt.
—
202
487241-00
Podkładka
32,00 zł
1 szt.
—
203
487244-00
Klocek Do Szlifowania
18,00 zł
1 szt.
—
204
487236-00
Tuleja
34,00 zł
1 szt.
—
205
579784-00
Pierścień Blokujący
69,00 zł
1 szt.
—
206
487218-00
Sprężyna
7,00 zł
1 szt.
—
207
489672-00
Klucz
38,00 zł
1 szt.
—
208
487249-00
Panew
34,00 zł
1 szt.
—
209
590377-00
Tuleja Osłonowa
10,00 zł
1 szt.
—
210
487216-00
Sprężyna
7,00 zł
1 szt.
—
220
584696-00
Osłona
18,00 zł
1 szt.
—
221
585167-01
Pokrywa
34,00 zł
1 szt.
—
223
949886-32
Śruba
7,00 zł
1 szt.
—
224
327141-07
Pierścień Uszczelniający
16,00 zł
1 szt.
—
225
488679-00
Zestaw Łożysk
Zapytaj
1 szt.
—
226
488787-00
Pierścień
7,00 zł
1 szt.
—
227
488678-00
Osłona Czołowa
Zapytaj
1 szt.
—
228
589096-00
Panew
15,00 zł
1 szt.
—
229
589223-00
Tłumik Drgań
9,00 zł
1 szt.
—
230
584727-00
Panew
15,00 zł
1 szt.
—
240
488546-00
O-Ring
Zapytaj
1 szt.
—
250
488676-00
Wrzeciono - Podzespół
Zapytaj
1 szt.
—
251
N014007
Uszczelniacz
21,00 zł
1 szt.
—
252
488546-00
O-Ring
Zapytaj
1 szt.
—
252
1005597-00
O-Ring
21,00 zł
1 szt.
—
253
488685-00
Łożysko
93,00 zł
1 szt.
—
254
488681-00
Element Zbijaka
159,00 zł
1 szt.
—
255
488680-00
Podkładka
34,00 zł
1 szt.
—
256
577744-06
O-Ring
32,00 zł
1 szt.
—
257
488686-00
Panew
85,00 zł
1 szt.
—
260
489250-00
Uchwyt - Podzespół
Zapytaj
1 szt.
—
261
N021312
Wkład Zacisku
Zapytaj
1 szt.
—
262
N021120
Rękojeść
Zapytaj
1 szt.
—
263
326553-00
Pierścień Blokujący
34,00 zł
1 szt.
—
264
479333-00
Zacisk
34,00 zł
1 szt.
—
265
326552-00
Panew
24,00 zł
1 szt.
—
266
N079374
Kołek
7,00 zł
1 szt.
—
800
578970-04
Smar
Zapytaj
1 szt.
—
801
328771-07
Smar
32,00 zł
1 szt.
—
821
N041688
Tabliczka Znamionowa
Zapytaj
1 szt.
—
826
487395-01
Etykieta
7,00 zł
1 szt.
—
836
559652-99
Ściągacz Do Zatrzasku Pierścieniowego
116,00 zł
1 szt.
—
836
559651-99
Ściągacz Do Zatrzasku Pierścieniowego
1320,00 zł
1 szt.
—
837
559653-99
Przyrząd Do Ściągania Łożyska
Zapytaj
1 szt.
—
838
559657-99
Przyrząd Do Ściągania Łożyska
Zapytaj
1 szt.
—
840
559659-99
Przyrząd Do Montażu Uczczelki
Zapytaj
1 szt.
—
845
559656-99
Podstawa Wspierająca
333,00 zł
1 szt.
—
847
491210-00
Zestaw Serwisowy 230V
Zapytaj
1 szt.
—
861
381297-94
Skrzynka Zestawu
Zapytaj
1 szt.
—