Części
Maszyny
Kontakt
Home
Maszyny
Młoty udarowo-obrotowe
DeWalt
Młot udarowo-obrotowy
D25899K-Type-1 -
Młot udarowo-obrotowy DeWalt
100%
Poz:
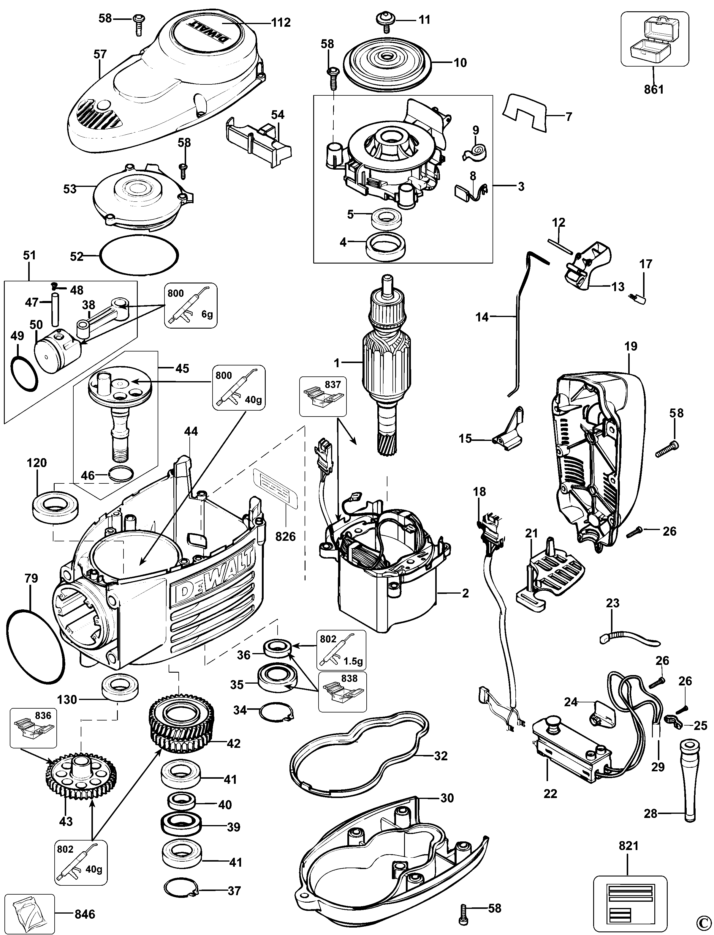
1
2
3
4
5
7
8
9
10
11
12
13
14
15
17
18
19
21
22
23
24
25
26
28
29
30
32
34
35
36
37
38
39
40
41
42
43
44
45
46
47
48
49
50
51
52
53
54
56
57
58
59
60
61
62
63
64
65
66
67
68
69
70
71
72
73
74
75
76
77
78
79
87
88
89
90
91
92
93
94
95
96
97
98
99
100
101
102
103
104
105
107
108
109
110
112
120
130
800
801
802
821
826
836
837
838
840
845
846
861
110 części
Sortuj
Poz.
Nr kat.
Nazwa
Cena brutto
Ilość
Zamów
1
1007541-00
Twornik 230V
Zapytaj
1 szt.
—
2
NA170791
Pole - Podzespół
610,00 zł
1 szt.
—
3
NA299448
Uchwyt Szczotki 230V
210,00 zł
1 szt.
—
4
590191-00
Osłona Izolacyjna
8,00 zł
1 szt.
—
5
577745-00
Łożysko
27,00 zł
1 szt.
—
7
1007800-00
Uszczelniacz
9,00 zł
1 szt.
—
8
1005550-02
Szczotka Pair 230V
85,00 zł
1 szt.
—
9
487377-00
Sprężyna Szczotki
Zapytaj
1 szt.
—
10
487263-00
Wentylator - Podzespół
42,00 zł
1 szt.
—
11
324119-02
Śruba
8,00 zł
1 szt.
—
12
377374
Kołek
7,00 zł
1 szt.
—
13
487276-00
Język Spustowy
12,00 zł
1 szt.
—
14
N893314
Pręt
24,00 zł
1 szt.
—
15
487286-00
Urządzenie Uruchamiające
10,00 zł
1 szt.
—
17
326467-00
Zapadka
7,00 zł
1 szt.
—
18
487326-02
Lead Switch Sa
51,00 zł
1 szt.
—
19
487275-00
Rękojeść
170,00 zł
1 szt.
—
21
487388-00
Pokrywa
12,00 zł
1 szt.
—
22
N485853
Wyłącznik
93,00 zł
1 szt.
—
23
579093-01
Cięgno Stalowe
7,00 zł
1 szt.
—
24
487378-00
Wspornik
9,00 zł
1 szt.
—
25
821070
Zacisk Przewodu
7,00 zł
1 szt.
—
26
330065-08
Śruba
7,00 zł
1 szt.
—
28
323091-01
Osłona Przewodu
9,00 zł
1 szt.
—
29
582319-00
Cordset (Euro)
93,00 zł
1 szt.
—
30
487271-00
Pokrywa
57,00 zł
1 szt.
—
32
487224-00
Uszczelniacz
21,00 zł
1 szt.
—
34
324821-04
Pierścień Sprężynujący
8,00 zł
1 szt.
—
35
N570313
Łożysko
21,00 zł
1 szt.
—
36
487209-01
Uszczelniacz
21,00 zł
1 szt.
—
37
324821-03
Pierścień Sprężynujący
7,00 zł
1 szt.
—
38
N542565
Korbowód
42,00 zł
1 szt.
—
39
578452-00
Dystans
15,00 zł
1 szt.
—
40
578451-00
Dystans
12,00 zł
1 szt.
—
41
605040-26
Łożysko
21,00 zł
1 szt.
—
42
579782-00
Przekładnia
182,00 zł
1 szt.
—
43
579783-00
Przekładnia
199,00 zł
1 szt.
—
44
1007540-00
Skrzynka Przekładni
748,00 zł
1 szt.
—
45
579839-00
Wał Korbowy
235,00 zł
1 szt.
—
46
576451-00
Pierścień
9,00 zł
1 szt.
—
47
487208-00
Kołek
14,00 zł
1 szt.
—
48
581656-00
Kołek
7,00 zł
1 szt.
—
49
487213-00
O-Ring
21,00 zł
1 szt.
—
50
579774-00
Tłok
38,00 zł
1 szt.
—
51
579779-01
Tłok - Zestaw
149,00 zł
1 szt.
—
52
323711-47
O-Ring
8,00 zł
1 szt.
—
53
N147097
Pokrywa - Podzespół
42,00 zł
1 szt.
—
54
1006729-00
Wkład Plastikowy
18,00 zł
1 szt.
—
56
487284-00
Podkładka Zaciskowa
10,00 zł
1 szt.
—
57
487386-00
Pokrywa Silnika
57,00 zł
1 szt.
—
58
324007-11
Śruba
7,00 zł
1 szt.
—
59
584240-00
Uchwyt Boczny - Podzespół
199,00 zł
1 szt.
—
60
487343-00
Śruba
16,00 zł
1 szt.
—
61
487277-00
Rękojeść
85,00 zł
1 szt.
—
62
487278-00
Podkładka
10,00 zł
1 szt.
—
63
487281-00
Zacisk
34,00 zł
1 szt.
—
64
487291-00
Gałka - Podzespół
27,00 zł
1 szt.
—
65
949886-32
Śruba
7,00 zł
1 szt.
—
66
N718060
Pokrywa Osłony
51,00 zł
1 szt.
—
67
579832-00
Element Zbijaka
149,00 zł
1 szt.
—
68
487270-00
Panew
32,00 zł
1 szt.
—
69
496678-00
Tłumik Drgań
42,00 zł
1 szt.
—
70
579786-00
Panew
123,00 zł
1 szt.
—
71
487298-00
O-Ring
15,00 zł
1 szt.
—
72
496847-00
Panew
15,00 zł
1 szt.
—
73
487297-00
O-Ring
27,00 zł
1 szt.
—
74
323711-41
O-Ring
7,00 zł
1 szt.
—
75
N075954
Cylinder
257,00 zł
1 szt.
—
76
579780-00
Suwak
159,00 zł
1 szt.
—
77
487296-00
O-Ring
21,00 zł
1 szt.
—
78
579769-00
Osłona Czołowa
170,00 zł
1 szt.
—
79
323711-55
O-Ring
7,00 zł
1 szt.
—
87
487238-01
Uszczelniacz
32,00 zł
1 szt.
—
88
487205-00
Pierścień
8,00 zł
1 szt.
—
89
487241-00
Podkładka
32,00 zł
1 szt.
—
90
487244-00
Klocek Do Szlifowania
18,00 zł
1 szt.
—
91
487236-00
Tuleja
34,00 zł
1 szt.
—
92
579784-00
Pierścień Blokujący
69,00 zł
1 szt.
—
93
487218-00
Sprężyna
7,00 zł
1 szt.
—
94
487249-00
Panew
34,00 zł
1 szt.
—
95
489672-00
Klucz
38,00 zł
1 szt.
—
96
487240-00
Panew
9,00 zł
1 szt.
—
97
487216-00
Sprężyna
7,00 zł
1 szt.
—
98
487268-00
Prowadzenie Sprężyny
12,00 zł
1 szt.
—
99
487289-00
Sprężyna
24,00 zł
1 szt.
—
100
N542567
Tuleja - Podzespół
34,00 zł
1 szt.
—
101
487237-00
Tuleja
27,00 zł
1 szt.
—
102
918825-02
Śruba
7,00 zł
1 szt.
—
103
579778-00
Kołnierz
306,00 zł
1 szt.
—
104
323711-15
O-Ring
7,00 zł
1 szt.
—
105
496677-00
Tłumik Drgań
51,00 zł
1 szt.
—
107
579773-00
Wrzeciono - Podzespół
Zapytaj
1 szt.
—
108
N014007
Uszczelniacz
21,00 zł
1 szt.
—
109
487287-00
O-Ring
34,00 zł
1 szt.
—
110
1007543-00
Tyleja Łożyska
93,00 zł
1 szt.
—
112
487392-00
Etykieta
9,00 zł
1 szt.
—
120
330003-68
Łożysko
57,00 zł
1 szt.
—
130
330003-69
Łożysko
34,00 zł
1 szt.
—
800
578970-06
Smar 150 Gms
170,00 zł
1 szt.
—
801
328771-07
Smar
32,00 zł
1 szt.
—
802
870889-02
Smar
51,00 zł
1 szt.
—
821
N041968
Tabliczka Znamionowa
Zapytaj
1 szt.
—
826
487395-01
Etykieta
7,00 zł
1 szt.
—
836
559617-99
Podstawa Wspierająca
429,00 zł
1 szt.
—
837
559618-99
Podstawa Wspierająca
649,00 zł
1 szt.
—
838
559621-99
Elektronarzędzie Serwisowe
74,00 zł
1 szt.
—
840
559619-99
Ściągacz Do Zatrzasku Pierścieniowego
922,00 zł
1 szt.
—
845
559620-99
Przyrząd Do Montażu Uczczelki
415,00 zł
1 szt.
—
846
1008772-00
Zestaw Serwisowy 230V
610,00 zł
1 szt.
—
861
487353-03
Skrzynka Zestawu
610,00 zł
1 szt.
—