Części
Maszyny
Kontakt
Home
Maszyny
Młoty udarowo-obrotowe
DeWalt
Młot udarowo-obrotowy
D25481K-Type-2 -
Młot udarowo-obrotowy DeWalt
100%
Poz:
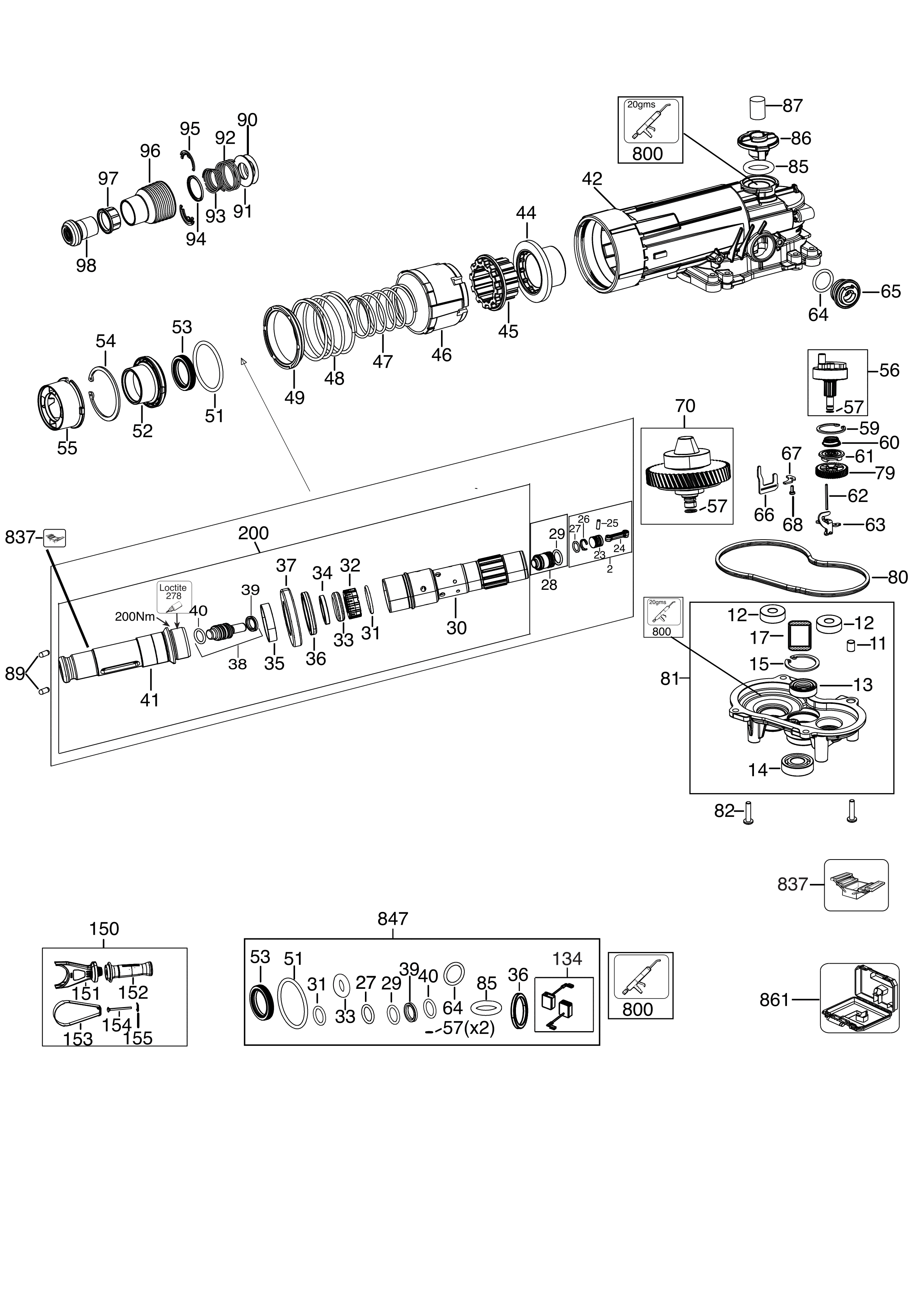
1
2
8
9
11
12
13
14
15
17
23
24
25
26
27
28
29
30
31
32
33
34
35
36
37
38
39
40
41
42
44
45
46
47
48
49
51
52
53
54
55
56
57
59
60
61
62
63
64
65
66
67
68
70
71
76
77
78
79
80
81
82
83
84
85
86
87
89
90
91
92
93
94
95
96
97
98
99
104
105
106
107
108
109
110
111
112
113
114
115
116
118
119
120
121
123
125
126
127
128
129
130
132
133
134
135
136
150
151
152
153
154
155
160
200
800
821
837
837
837
837
837
847
861
124 części
Sortuj
Poz.
Nr kat.
Nazwa
Cena brutto
Ilość
Zamów
1
NA656464
Twornik - Podzespół
268,00 zł
1 szt.
—
2
N491979
Tłok - Podzespół
78,00 zł
1 szt.
—
8
330003-60
Łożysko
18,00 zł
1 szt.
—
9
N466979
Magnes
24,00 zł
1 szt.
—
11
327575-00
Tuleja
7,00 zł
1 szt.
—
12
N110358
Łożysko
18,00 zł
1 szt.
—
13
NA325046
Uszczelniacz
16,00 zł
1 szt.
—
14
577745-01
Bearing,Ball
32,00 zł
1 szt.
—
15
488147-01
Pierścień Sprężynujący
7,00 zł
1 szt.
—
17
NA143478
Pierścień
18,00 zł
1 szt.
—
23
N406776
Tłok
38,00 zł
1 szt.
—
24
N922659
Korbowód
10,00 zł
1 szt.
—
25
N446699
Kołek
8,00 zł
1 szt.
—
26
N922676
Pierścienie Tłokowe
7,00 zł
1 szt.
—
27
N487314
O-Ring
21,00 zł
1 szt.
—
28
N491986
Suwak - Podzespół
57,00 zł
1 szt.
—
29
N487314
O-Ring
21,00 zł
1 szt.
—
30
N571895
Wrzeciono - Podzespół
398,00 zł
1 szt.
—
31
N410350
O-Ring
9,00 zł
1 szt.
—
32
N922650
Panew
9,00 zł
1 szt.
—
33
N410349
O-Ring
18,00 zł
1 szt.
—
34
N431708
Podkładka
18,00 zł
1 szt.
—
35
N545367
Dystans
12,00 zł
1 szt.
—
36
N504457
Tłumik Drgań
24,00 zł
1 szt.
—
37
N536109
Łożysko
57,00 zł
1 szt.
—
38
N492498
Element Zbijaka
115,00 zł
1 szt.
—
39
N244259
Uszczelniacz
32,00 zł
1 szt.
—
40
N487314
O-Ring
21,00 zł
1 szt.
—
41
N571895
Wrzeciono - Podzespół
398,00 zł
1 szt.
—
42
N506088
Osłona - Podzespół
224,00 zł
1 szt.
—
44
N410187
Przekładnia Zębata Stożkowa
224,00 zł
1 szt.
—
45
N410188
Tuleja
34,00 zł
1 szt.
—
46
N433094
Tuleja
16,00 zł
1 szt.
—
47
N437808
Sprężyna
7,00 zł
1 szt.
—
48
N437814
Sprężyna
9,00 zł
1 szt.
—
49
N460603
Podpora
7,00 zł
1 szt.
—
51
N432556
O-Ring
18,00 zł
1 szt.
—
52
N526257
Tuleja
9,00 zł
1 szt.
—
53
327141-00
Uszczelniacz
14,00 zł
1 szt.
—
54
N532870
Pierścień Sprężynujący
7,00 zł
1 szt.
—
55
N439579
Kołpak
9,00 zł
1 szt.
—
56
N492496
Wał Korbowy
123,00 zł
1 szt.
—
57
323711-26
O-Ring
7,00 zł
1 szt.
—
59
N432869
Pierścień Sprężynujący
7,00 zł
1 szt.
—
60
N571701
Sprężyna
7,00 zł
1 szt.
—
61
N406228
Tuleja
115,00 zł
1 szt.
—
62
N450900
Kołek
7,00 zł
1 szt.
—
63
NA600979
Widełki Zmiany Biegów
Zapytaj
1 szt.
—
64
N553858
O-Ring
7,00 zł
1 szt.
—
65
N435997
Mimośród
9,00 zł
1 szt.
—
66
N422798
Płyta
9,00 zł
1 szt.
—
67
N422797
Płyta
7,00 zł
1 szt.
—
68
N445171
Śruba
7,00 zł
1 szt.
—
70
N492837
Sprzęgło - Podzespół
210,00 zł
1 szt.
—
71
N435623
Baffle Fan
10,00 zł
1 szt.
—
76
N433780
Osłona Silnika
78,00 zł
1 szt.
—
77
N449094
Pokrywa Łożyska
7,00 zł
1 szt.
—
78
N492847
Stojan 230V
137,00 zł
1 szt.
—
79
N492874
Przekładnia
102,00 zł
1 szt.
—
80
N422796
Uszczelnienie
9,00 zł
1 szt.
—
81
NA656466
Osłona Przekładni - Podzespół
170,00 zł
1 szt.
—
82
324007-11
Śruba
7,00 zł
1 szt.
—
83
N444425
Sprężyna Szczotki
7,00 zł
1 szt.
—
84
N448156
Zwój
51,00 zł
1 szt.
—
85
N504436
O-Ring
7,00 zł
1 szt.
—
86
N452721
Kołpak
9,00 zł
1 szt.
—
87
N395554
Filc
8,00 zł
1 szt.
—
89
325878-00
Wałek
10,00 zł
1 szt.
—
90
N038151
Filc
9,00 zł
1 szt.
—
91
N465749
Podkładka
9,00 zł
1 szt.
—
92
323395-06
Sprężyna
7,00 zł
1 szt.
—
93
487118-00
Sprężyna
8,00 zł
1 szt.
—
94
N464690
Osłona
7,00 zł
1 szt.
—
95
N468172
Kołek Blokujący
8,00 zł
1 szt.
—
96
N464913
Tuleja
42,00 zł
1 szt.
—
97
326575-01
Pierścień
24,00 zł
1 szt.
—
98
N465586
Pierścień Uszczelniający
78,00 zł
1 szt.
—
99
N429783
Pokrywa
32,00 zł
1 szt.
—
104
N431333
Burta Prawa
10,00 zł
1 szt.
—
105
N877353
Burta Lewa
15,00 zł
1 szt.
—
106
N445171
Śruba
7,00 zł
1 szt.
—
107
N464282
Wybierak - Podzespół
15,00 zł
1 szt.
—
108
330065-08
Śruba
7,00 zł
1 szt.
—
109
N452043
Miech
9,00 zł
1 szt.
—
110
N452385
Set Of Lead Wires
78,00 zł
1 szt.
—
111
N452042
Miech
12,00 zł
1 szt.
—
112
N152623
Ogranicznik
27,00 zł
1 szt.
—
113
N492860
Chwytak Dwuszczękowy - Zestaw
69,00 zł
1 szt.
—
114
1005752-00
Cordset (Euro)
57,00 zł
1 szt.
—
115
N862131
Wyłącznik
57,00 zł
1 szt.
—
116
821070
Zacisk Przewodu
7,00 zł
1 szt.
—
118
587114-01
Język Spustowy
8,00 zł
1 szt.
—
119
N159443
Ośka
8,00 zł
1 szt.
—
120
N106188
Ugięcie Resoru
8,00 zł
1 szt.
—
121
323091-01
Osłona Przewodu
9,00 zł
1 szt.
—
123
324007-11
Śruba
7,00 zł
1 szt.
—
125
N438602
Zakończenie
34,00 zł
1 szt.
—
126
N438601
Chwytak Dwuszczękowy
42,00 zł
1 szt.
—
127
N492852
Moduł Sterowania - Podzespół
159,00 zł
1 szt.
—
128
N449848
Wspornik
7,00 zł
1 szt.
—
129
N371839
Śruba
7,00 zł
1 szt.
—
130
N450546
Przewód - Podzespół
16,00 zł
1 szt.
—
132
324007-11
Śruba
7,00 zł
1 szt.
—
133
330065-10
Śruba
7,00 zł
1 szt.
—
134
N492849
Szczotka Pair 230V
34,00 zł
1 szt.
—
135
N450097
Zestaw Ze Szczotkami - Podzespół
9,00 zł
1 szt.
—
136
N086775
Śruba
7,00 zł
1 szt.
—
150
N535058
Uchwyt - Podzespół
159,00 zł
1 szt.
—
151
N466673
Zacisk
27,00 zł
1 szt.
—
152
N533870
Uchwyt - Podzespół
57,00 zł
1 szt.
—
153
N466679
Zacisk
34,00 zł
1 szt.
—
154
N466678
Śruba
8,00 zł
1 szt.
—
155
N466677
Podkładka Zaciskowa
7,00 zł
1 szt.
—
160
N196274
Etykieta
7,00 zł
1 szt.
—
200
N571916
Wrzeciono - Podzespół
610,00 zł
1 szt.
—
800
578970-06
Smar 150 Gms
170,00 zł
1 szt.
—
821
NA613419
Tabliczka Znamionowa
7,00 zł
1 szt.
—
837
1003965-99
Przyrząd Do Montażu Uczczelki
83,00 zł
1 szt.
—
837
1003961-99
S.T.Płyta Podporowa
376,00 zł
1 szt.
—
837
1003966-99
Przyrząd Do Demontażu Uczczelki
139,00 zł
1 szt.
—
837
1003962-99
Przyrząd Do Demontażu
259,00 zł
1 szt.
—
837
1003964-99
Przyrząd Do Montażu Uczczelki
132,00 zł
1 szt.
—
847
N680320
Zestaw Serwisowy 230V
159,00 zł
1 szt.
—
861
N469730
Skrzynka Zestawu
224,00 zł
1 szt.
—