Części
Maszyny
Kontakt
Home
Maszyny
Młot wyburzeniowy
Bosch
Młot Pneumatyczny Gw Un-Demolition Hammer
0612301001 -
Młot Pneumatyczny Gw Bosch Un-Demolition Hammer
100%
Poz:
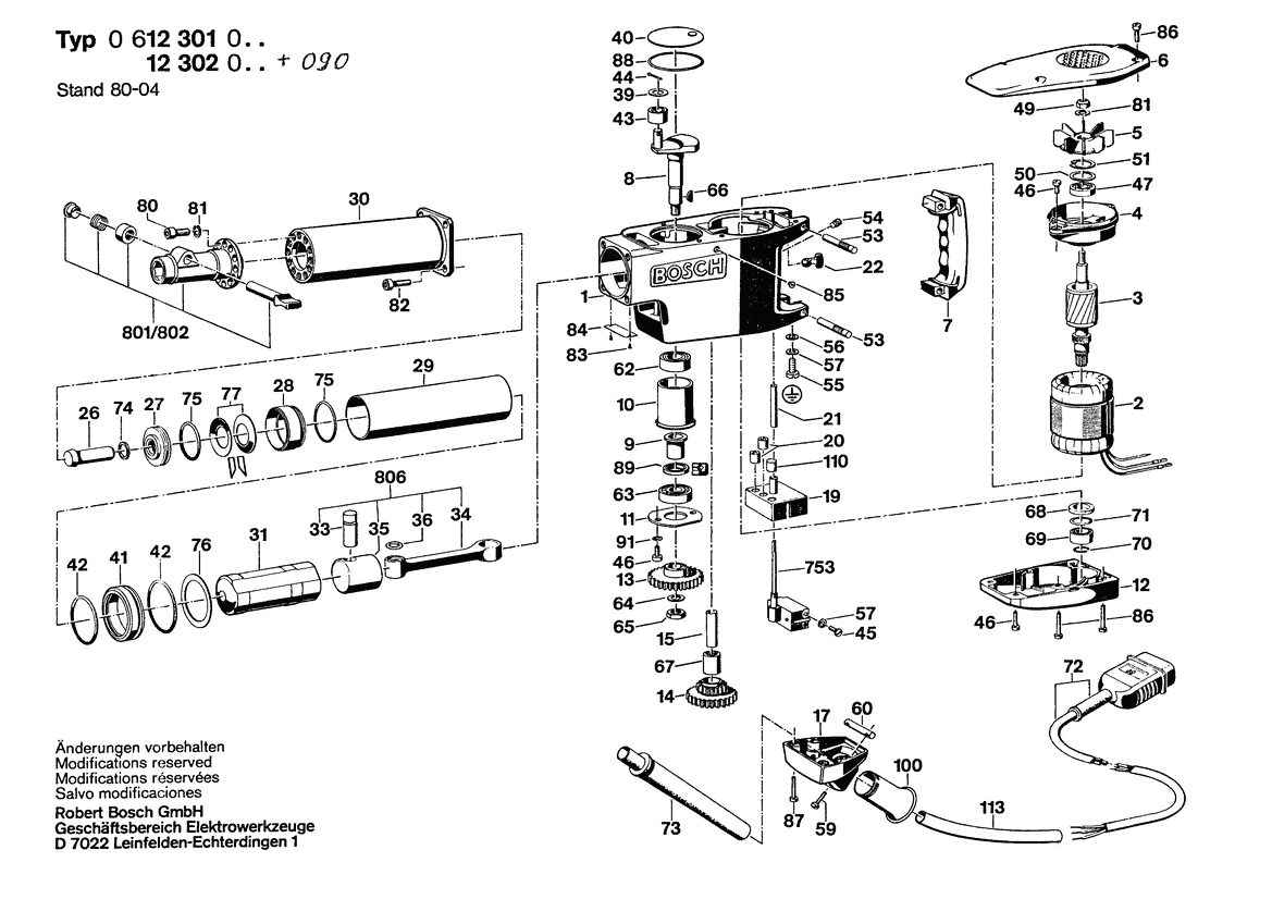
1
2
3
4
5
6
7
8
9
10
11
12
13
14
15
17
19
20
22
26
27
28
29
30
31
33
34
35
36
39
40
41
42
43
44
45
46
49
50
51
53
54
55
56
57
59
60
62
63
64
65
66
67
68
69
70
71
72
73
74
75
76
77
80
81
82
83
85
86
87
88
89
91
100
106
650
651
753
801
802
806
888
82 części
Sortuj
Poz.
Nr kat.
Nazwa
Cena brutto
Ilość
Zamów
1
1615106024
Kadłub Silnika
Zapytaj
1 szt.
—
2
1614229102
Stojan
Zapytaj
1 szt.
—
3
1614080011
Wirnik Bez Uzwojenia
Zapytaj
1 szt.
—
4
1615805003
Kołnierz Łożyskowy
Zapytaj
1 szt.
—
5
1616610011
Wentylator
Zapytaj
1 szt.
—
6
1615500081
Pokrywa Wentylatora
Zapytaj
1 szt.
—
7
1612025008
Rękojeść
Zapytaj
1 szt.
—
8
1616110009
Wał Mimośrodowy
Zapytaj
1 szt.
—
9
1610322002
Tulejka Dystansowa
Zapytaj
1 szt.
—
10
1610328002
Tuleja Łożyskowa
Zapytaj
1 szt.
—
11
1610148010
Tarcza Mocująca
Zapytaj
1 szt.
—
12
1615808009
Pokrywa Przekładni
Zapytaj
1 szt.
—
13
1616317008
Koło Zębate Czołowe
Zapytaj
1 szt.
—
14
1616328016
Koło Zębate Czołowe
Zapytaj
1 szt.
—
15
1610300002
Sworzeń Lożyska
Zapytaj
1 szt.
—
17
1615500105
Pokrywa Wyłącznika
Zapytaj
1 szt.
—
19
1610583003
Kołpak Ochronny
Zapytaj
1 szt.
—
20
1610312000
Tuleja Gumowa
Zapytaj
2 szt.
—
22
1612026002
Uchwyt Dodatkowy
Zapytaj
1 szt.
—
26
1613120006
IGLICA
Zapytaj
1 szt.
—
27
1610222000
Tuleja Prowadząca
Zapytaj
1 szt.
—
28
1610220001
Tuleja Prowadząca
Zapytaj
1 szt.
—
29
1610700011
Rura Prowadząca
Zapytaj
1 szt.
—
30
1615100005
CYLINDER
Zapytaj
1 szt.
—
31
1618710027
Bijak
Zapytaj
1 szt.
—
33
1618700032
TŁOK
Zapytaj
1 szt.
—
34
1612001019
Korbowód
Zapytaj
1 szt.
—
35
1613105009
Trzpień Tłoka
Zapytaj
1 szt.
—
36
1610113008
Podkładka Zabezpieczająca
Zapytaj
1 szt.
—
39
1610113001
Podkładka
Zapytaj
1 szt.
—
40
1610030000
Pokrywa Zamykająca
Zapytaj
1 szt.
—
41
1610211001
Tuleja Prowadząca
Zapytaj
1 szt.
—
42
1610210003
Pierścień Samouszczeln.
Zapytaj
2 szt.
—
43
1610910004
Łożysko Igiełkowe
Zapytaj
1 szt.
—
44
1904681350
Zawleczka
5,29 zł
1 szt.
45
2910091116
Śruba Z Łbem Płaskim
Zapytaj
4 szt.
—
46
2910141201
Śr.Z Łb.Okr.O Gnieź.Sześ.
8,36 zł
2 szt.
49
2915061005
Nakrętka Sześciokątna
8,36 zł
1 szt.
50
1610102005
Podkładka Dystansowa
Zapytaj
1 szt.
—
51
1610119000
Pierścień Zabezpieczajacy
Zapytaj
1 szt.
—
53
1613100003
Kołek Walcowy
Zapytaj
2 szt.
—
54
2912051237
Wkręt Bez Łba
Zapytaj
1 szt.
—
55
2910110118
Śruba Z Łbem Płaskim
5,29 zł
1 szt.
56
2916010409
Podkładka
Zapytaj
1 szt.
—
57
1600150006
Podkładka Sprężysta
Zapytaj
5 szt.
—
59
2910021132
Śruba Z Łbem Walcowym
4,06 zł
2 szt.
60
1613103003
Element Zaciskowy
Zapytaj
1 szt.
—
62
1610910006
Łożysko Igiełkowe
Zapytaj
1 szt.
—
63
1610900013
Łożysko Kulkowe Zwykłe
33,83 zł
1 szt.
64
2916160009
Sprężyna Talerzowa
11,07 zł
1 szt.
65
2915041003
Nakrętka Sześciokątna
Zapytaj
1 szt.
—
66
1610023001
Sprężyna Krążkowa
Zapytaj
1 szt.
—
67
1610910005
Tuleja Igłowa
Zapytaj
2 szt.
—
68
1610108007
Uszczelka
Zapytaj
1 szt.
—
69
1610910007
Łożysko Igiełkowe
67,65 zł
1 szt.
70
2916600009
Pierścień Sprężysty
4,06 zł
1 szt.
71
1900210125
Pierścień Samouszczeln.
18,08 zł
1 szt.
72
1614462049
Przewód Elekt. Ze Złączem
Zapytaj
1 szt.
—
73
1610703011
Końcówka
48,83 zł
1 szt.
74
1610210006
Pierścień Samouszczeln.
Zapytaj
1 szt.
—
75
1900210145
Pierścień Samouszczeln.
5,29 zł
2 szt.
76
1610102004
Podkładka Regulacyjna
Zapytaj
3 szt.
—
77
1610550007
Sprężyna Talerzowa
Zapytaj
2 szt.
—
80
2910141240
Śr.Z Łb.Okr.O Gnieź.Sześ.
Zapytaj
4 szt.
—
81
2916680009
Pierścień Sprężysty
Zapytaj
8 szt.
—
82
2910141244
Śr.Z Łb.Okr.O Gnieź.Sześ.
5,41 zł
4 szt.
83
2917721034
Nitokołek Z Łbem Półokr.
4,06 zł
2 szt.
85
1617401000
GŁOWICA
Zapytaj
1 szt.
—
86
2910141207
Śr.Z Łb.Okr.O Gnieź.Sześ.
Zapytaj
8 szt.
—
87
2910142205
Śr.Z Łb.Okr.O Gnieź.Sześ.
Zapytaj
4 szt.
—
88
1900210154
Pierścień Samouszczeln.
Zapytaj
1 szt.
—
89
2916730060
PIERŚCIEN USZCZELNIAJĄCY
Zapytaj
1 szt.
—
91
2916690005
Pierścień Sprężysty
Zapytaj
2 szt.
—
100
1610361002
Tuleja Prowadząca
Zapytaj
1 szt.
—
106
1610406005
Tuleja Ochronna
Zapytaj
1 szt.
—
650
1907950007
Śrubokręt Przegubowy
16,85 zł
1 szt.
651
1615437500
Praska Smarowa
Zapytaj
1 szt.
—
753
1617200010
Zestaw Wyłączników
Zapytaj
1 szt.
—
801
1617000021
Uchwyt Narzędzia
Zapytaj
1 szt.
—
802
1617000014
BLOKADA -ZESPÓŁ
Zapytaj
1 szt.
—
806
1617031008
Grupa Tłoków
Zapytaj
1 szt.
—
888
160111A3H3
Tabliczka Znamionowa
8,36 zł
1 szt.